TOP
|
特許
|
意匠
|
商標
特許ウォッチ
Twitter
他の特許を見る
公開番号
2025167957
公報種別
公開特許公報(A)
公開日
2025-11-07
出願番号
2024073002
出願日
2024-04-26
発明の名称
下水汚泥焼却灰の肥料化方法
出願人
三機工業株式会社
,
学校法人早稲田大学
,
国立大学法人東京農工大学
代理人
弁理士法人高田・高橋国際特許事務所
主分類
C05F
7/00 20060101AFI20251030BHJP(肥料;肥料の製造)
要約
【課題】下水汚泥焼却灰に含まれるリン濃度を維持しつつ重金属濃度を可及的低くしたリン含有肥料用原料を得ることが可能な下水汚泥焼却灰の肥料化方法を提供する。
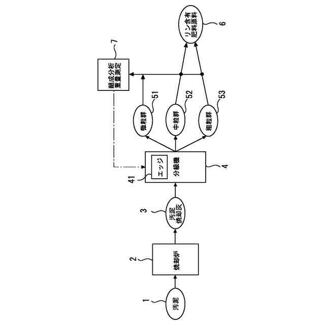
【解決手段】本開示の下水汚泥焼却灰の肥料化方法は、エルボージェット分級機を用いて下水汚泥焼却灰を微粒群と中粒群と粗粒群との3種類に分級することと、分級した中粒群および粗粒群をリン含有肥料用原料として再利用することと、を含み、分級における微粒群と中粒群との分級点を10μm以下に調整する。
【選択図】図2
特許請求の範囲
【請求項1】
リンを含有する下水汚泥焼却灰の肥料化方法において、
エルボージェット分級機を用いて前記下水汚泥焼却灰を微粒群と中粒群と粗粒群との3種類に分級することと、
分級した前記中粒群および前記粗粒群をリン含有肥料用原料として再利用することと、を含み、
前記分級における前記微粒群と前記中粒群との分級点を10μm以下に調整したことを特徴とする下水汚泥焼却灰の肥料化方法。
続きを表示(約 120 文字)
【請求項2】
請求項1に記載の下水汚泥焼却灰の肥料化方法であって、
前記下水汚泥焼却灰がカリウムおよびヒ素を含むものにおいて、
前記分級点を7μm以上9μm以下の範囲内に調整したことを特徴とする下水汚泥焼却灰の肥料化方法。
発明の詳細な説明
【技術分野】
【0001】
本開示は、下水汚泥焼却灰の肥料化方法に関し、特に、リンを含有する下水汚泥焼却灰を分級し、分級した下水汚泥焼却灰の一部をリン含有肥料用原料として再利用するものに関する。
続きを表示(約 1,400 文字)
【背景技術】
【0002】
下記特許文献1には、リンを含有する下水汚泥焼却灰の再利用方法が開示されている。このものでは、下水汚泥焼却灰を粗紛と微粉とに分級し、リン濃度が低い粗紛をセメント原料として用いると共に、リン濃度が高い微紛をリン回収用原料として用いている。
【先行技術文献】
【特許文献】
【0003】
特開2006-212579号公報
【発明の概要】
【発明が解決しようとする課題】
【0004】
ところで、リンを含有する下水汚泥焼却灰をリン含有肥料用原料として用いる場合、粗紛よりも高いリン濃度を有する微粉を用いることが考えられる。然し、微粉にはカドミウム、ヒ素や鉛といった重金属も高濃度で含まれる。重金属は植物を介して人間に摂取されるため、リン含有肥料用原料に含まれる重金属の濃度は可及的低いことが望ましい。
【0005】
本発明者らは、鋭意研究を重ね、エルボージェット分級機を用いて微粒群と中粒群と粗粒群との3種類に分級する際の微粒群と中粒群との分級点を変化させると、中粒群および粗粒群が分級前のリン濃度を維持しつつ、微粒群に重金属が濃縮して中粒群および粗粒群の重金属濃度を低くできることを知見するのに至った。
【0006】
本開示は、上記知見に基づきなされたものである。本開示は、下水汚泥焼却灰に含まれるリン濃度を維持しつつ重金属濃度を可及的低くしたリン含有肥料用原料を得ることが可能な下水汚泥焼却灰の肥料化方法を提供することを目的とする。
【課題を解決するための手段】
【0007】
上記の課題を解決するため、本開示の第1の観点は、リンを含有する下水汚泥焼却灰の肥料化方法に関連する。下水汚泥焼却灰の肥料化方法は、エルボージェット分級機を用いて下水汚泥焼却灰を微粒群と中粒群と粗粒群との3種類に分級することと、分級した中粒群および粗粒群をリン含有肥料用原料として再利用することと、を含み、分級における微粒群と中粒群との分級点を10μm以下に調整する。なお、上記分級点の下限値は、回収率を考慮して調整することができ、例えば、5μmに調整することができる。
【0008】
第2の観点は、第1の観点に加えて、次の特徴をさらに有する。下水汚泥焼却灰がカリウムおよびヒ素を含む場合、上記分級点を7μm以上9μm以下の範囲内に調整する。
【発明の効果】
【0009】
第1の観点によれば、エルボージェット分級機を用いた分級における微粒群と中粒群との分級点を10μm以下に調整することで、分級した中粒群および粗粒群のリン濃度を、分級前の下水汚泥焼却灰のリン濃度に維持することができる。さらに、分級した微粒群に重金属が濃縮され、その結果として、中粒群および粗粒群の重金属濃度を、分級前の下水汚泥焼却灰の重金属濃度と比較して可及的低くすることができる。従って、分級した中粒群および粗粒群を価値の高いリン含有肥料用原料として再利用することができる。
【0010】
第2の観点によれば、下水汚泥焼却灰よりもリン含有肥料用原料のカリウム濃度を高くできると共にヒ素濃度を低くできる。
【図面の簡単な説明】
(【0011】以降は省略されています)
特許ウォッチbot のツイートを見る
この特許をJ-PlatPat(特許庁公式サイト)で参照する
関連特許
三機工業株式会社
吊下作業方法
1か月前
三機工業株式会社
吊下作業方法
1か月前
三機工業株式会社
空調システム
1か月前
三機工業株式会社
空調システム
1か月前
三機工業株式会社
下水汚泥焼却灰の肥料化方法
3日前
三機工業株式会社
動作装置の位置確認機構および装置
1か月前
三機工業株式会社
クレーン運転システム及びごみ処理方法
1か月前
三機工業株式会社
クレーン運転システム及びごみ処理方法
1か月前
三機アクアテック株式会社
汚泥かき寄せ装置
1か月前
三機工業株式会社
施工管理装置、施工管理方法、及び施工管理プログラム
1か月前
三機工業株式会社
壁吸い込みフィルタユニットのパンチングフェースおよび戸袋の構造
1か月前
三機工業株式会社
セメント構造体内へのスリーブ埋設施工方法及びセメント構造体の製造方法
20日前
三機工業株式会社
高天井倉庫への空調システムの設置方法
11日前
三機工業株式会社
ログデータ分析用のサーバ装置、プログラム、データ分析システム、及びデータ分析方法
1か月前
個人
真空パックした堆肥
4か月前
株式会社ビッグウィルマテリアル
有機発酵肥料
4か月前
栗田工業株式会社
畜糞造粒物の製造方法
1か月前
公立大学法人大阪
タケ由来ミミズ堆肥
2か月前
日本製鉄株式会社
肥料及び肥料の製造方法
4か月前
学校法人長崎総合科学大学
溶液担持ペレットの製造方法
1か月前
住友ベークライト株式会社
被覆材料、被覆肥料、および被覆肥料の製造方法
27日前
雪印種苗株式会社
タマネギ鱗茎肥大促進方法
1か月前
栗田工業株式会社
生物処理水の利用方法
3日前
片倉コープアグリ株式会社
液状肥料及びその施肥方法
2か月前
株式会社森羊土
きのこ廃培地発酵乾燥資材の使用方法
2か月前
荒川化学工業株式会社
肥料組成物、被覆肥料、樹脂組成物の使用方法、栽培方法及び培養土
1か月前
株式会社バイオ技研
有機廃棄物発酵分解促進剤の製造方法及び有機肥料の製造方法
26日前
メタウォーター株式会社
肥料製造システム及び肥料製造方法
1か月前
DIC株式会社
植物育成剤、植物栽培用組成物、及び植物を栽培する方法
4か月前
上毛緑産工業株式会社
木材チップと下水汚泥を利用した菌体りん酸肥料の製造方法
1か月前
有限会社 岡本製作所
堆肥化診断装置、堆肥化診断システム、堆肥化診断方法及びプログラム
1か月前
寿都町
堆肥分解性ブロックの製造方法、堆肥分解性ブロック及び、堆肥分解性ブロックを利用した磯焼け防止方法
2か月前
三機工業株式会社
下水汚泥焼却灰の肥料化方法
3日前
富士見工業株式会社
粒状肥料および粒状肥料の製造方法
3日前
出光興産株式会社
組成物、組成物の製造方法、組成物の使用方法、肥料組成物、及び肥料組成物の使用方法
4か月前
バテル・メモリアル・インスティテュート
向上されたマイクロチャンネルデバイスまたはメソチャンネルデバイス、及びその添加製造方法
3か月前
続きを見る
他の特許を見る