TOP
|
特許
|
意匠
|
商標
特許ウォッチ
Twitter
他の特許を見る
公開番号
2025150585
公報種別
公開特許公報(A)
公開日
2025-10-09
出願番号
2024051556
出願日
2024-03-27
発明の名称
肥料製造システム及び肥料製造方法
出願人
メタウォーター株式会社
代理人
弁理士法人フィールズ国際特許事務所
主分類
C05F
7/00 20060101AFI20251002BHJP(肥料;肥料の製造)
要約
【課題】焼却灰を用いた肥料の製造に行う肥料製造システム及び肥料製造方法を提供する。
【解決手段】焼却灰と、少なくともリン溶解菌を含む助剤とを混合する混合装置と、混合装置における焼却灰と助剤との混合物に含まれる可給態リン酸と水溶性リン酸とク溶性リン酸とのうちの少なくともいずれかを測定する第1測定装置と、第1測定装置における測定結果に基づき、混合装置から混合物を排出するか否かを判定する制御装置と、を備える。
【選択図】図1
特許請求の範囲
【請求項1】
焼却灰と、少なくともリン溶解菌を含む助剤とを混合する混合装置と、
前記混合装置における前記焼却灰と前記助剤との混合物に含まれる可給態リン酸と水溶性リン酸とク溶性リン酸とのうちの少なくともいずれかを測定する第1測定装置と、
前記第1測定装置における測定結果に基づき、前記混合装置から前記混合物を排出するか否かを判定する制御装置と、を備えた、肥料製造システム。
続きを表示(約 880 文字)
【請求項2】
さらに、前記混合装置内の前記混合物の温度を測定する第2測定装置と、
前記第2測定装置における測定結果に基づき、前記混合装置における前記温度を調整する温度調整システムと、を備えた、請求項1に記載の肥料製造システム。
【請求項3】
前記焼却灰は、被焼却物を焼却する焼却炉から排出された排ガスに含まれる焼却灰であり、
前記温度調整システムは、前記排ガスから回収された熱エネルギーを用いて昇温された熱媒を供給することによって前記混合装置内の前記混合物を加熱する供給装置を有する、請求項2に記載の肥料製造システム。
【請求項4】
前記焼却灰は、被焼却物を焼却する焼却炉から排出された排ガスに含まれる焼却灰であり、
前記被焼却物は、被処理水の処理を行う水処理システムにおいて発生した汚泥であり、
前記温度調整システムは、前記水処理システムにおいて処理が行われた処理水を供給することによって前記混合装置内の前記混合物を冷却する供給装置を有する、請求項2に記載の肥料製造システム。
【請求項5】
前記焼却灰は、被焼却物を焼却する焼却炉から排出された排ガスに含まれる焼却灰であり、
前記被焼却物は、被処理水の処理を行う水処理システムにおいて発生した汚泥であり、
前記混合装置は、前記焼却灰と前記助剤と前記汚泥とを混合する、請求項1に記載の肥料製造システム。
【請求項6】
焼却灰と、少なくともリン溶解菌を含む助剤とを混合する混合装置を備えた肥料製造システムの肥料製造方法において、
前記焼却灰と前記助剤とを混合する混合工程と、
前記混合工程における前記焼却灰と前記助剤との混合物に含まれる可給態リン酸と水溶性リン酸とク溶性リン酸とのうちの少なくともいずれかを測定する第1測定工程と、
前記第1測定工程における測定結果に基づき、前記混合装置から前記混合物を排出するか否かを判定する判定工程と、を有する、肥料製造方法。
発明の詳細な説明
【技術分野】
【0001】
本発明は、肥料製造システム及び肥料製造方法に関する。
続きを表示(約 1,500 文字)
【背景技術】
【0002】
例えば、下水汚泥(以下、単に汚泥または被焼却物とも呼ぶ)を焼却する焼却炉からの排ガスを処理する技術が様々提案されている(特許文献1を参照)。
【先行技術文献】
【特許文献】
【0003】
特開2008-221206号公報
【発明の概要】
【発明が解決しようとする課題】
【0004】
上記のような焼却炉から排出される排ガスには、例えば、被焼却物の焼却によって発生した焼却灰(以下、単に焼却灰とも呼ぶ)が含まれる。そして、上記のような焼却炉を有する焼却システム(以下、単に焼却システムとも呼ぶ)では、例えば、排ガスに含まれる焼却灰を他の用途において有効利用することが望まれている。具体的に、上記のような焼却システムでは、例えば、排ガスに含まれる焼却灰を用いた肥料の製造を行うことが望まれている。
【課題を解決するための手段】
【0005】
本発明における肥料製造システムは、焼却灰と、少なくともリン溶解菌を含む助剤とを混合する混合装置と、前記混合装置における前記焼却灰と前記助剤との混合物に含まれる可給態リン酸と水溶性リン酸とク溶性リン酸とのうちの少なくともいずれかを測定する第1測定装置と、前記第1測定装置における測定結果に基づき、前記混合装置から前記混合物を排出するか否かを判定する制御装置と、を備える。
【発明の効果】
【0006】
本発明における肥料製造システム及び肥料製造方法によれば、焼却灰を用いた肥料の製造を行うことが可能になる。
【図面の簡単な説明】
【0007】
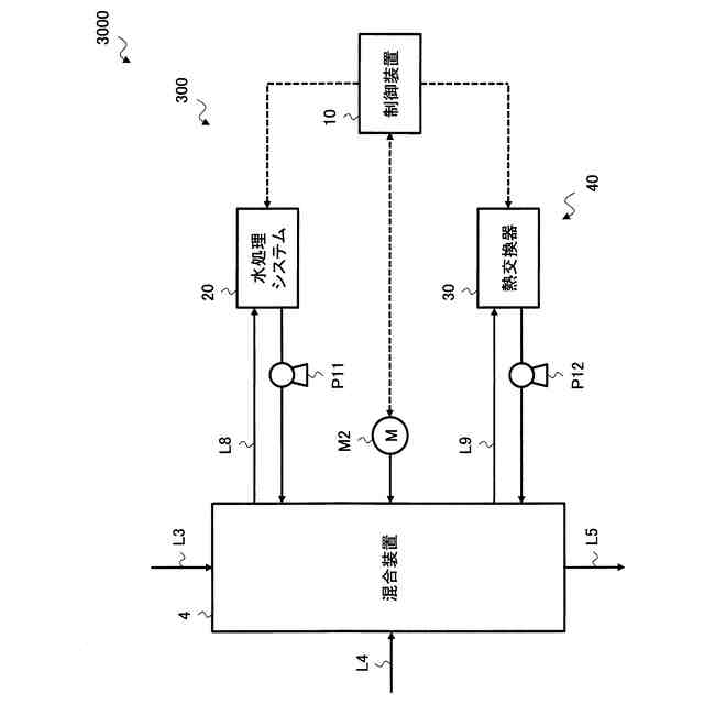
図1は、第1の実施の形態における焼却システム1000の構成例を説明する図である。
図2は、制御装置10のハードウエア構成を説明する図である。
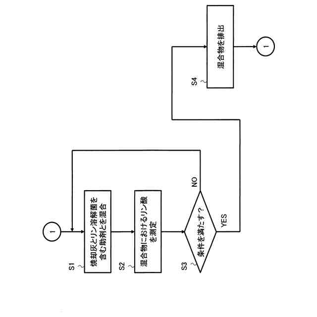
図3は、第1の実施の形態における肥料製造方法について説明するフローチャート図である。
図4は、第2の実施の形態における焼却システム2000の構成例を説明する図である。
図5は、第2の実施の形態における焼却システム2000の構成例を説明する図である。
図6は、第3の実施の形態における焼却システム3000の構成例を説明する図である。
図7は、第3の実施の形態における温度調整方法について説明するフローチャート図である。
【発明を実施するための形態】
【0008】
以下、図面を参照して本開示の実施の形態について説明する。しかしながら、かかる説明は限定的な意味に解釈されるべきではなく、特許請求の範囲に記載の主題を限定するものではない。また、本開示の趣旨及び範囲から逸脱することがなく様々な変更や置換や改変をすることができる。また、異なる実施の形態を適宜組み合わせることができる。
【0009】
[第1の実施の形態における焼却システム1000]
初めに、第1の実施の形態における焼却システム1000について説明を行う。図1は、第1の実施の形態における焼却システム1000の構成例を説明する図である。なお、以下に示す配管の配置位置や長さや数は、一例であり、これに限られるものではない。
【0010】
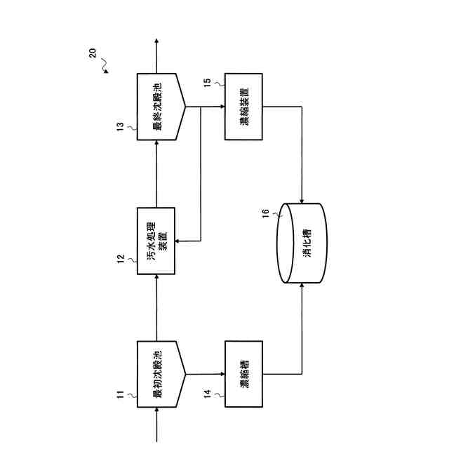
焼却システム1000は、図1に示すように、例えば、送風機B1と、焼却炉1と、回収装置2と、貯留槽3と、ポンプP1と、混合装置4と、ポンプP2と、測定装置M1(以下、第1測定装置M1とも呼ぶ)と、制御装置10とを有する。以下、貯留槽3、ポンプP1、混合装置4、ポンプP2、測定装置M1及び制御装置10を総称して肥料製造システム100とも呼ぶ。
(【0011】以降は省略されています)
この特許をJ-PlatPat(特許庁公式サイト)で参照する
関連特許
個人
真空パックした堆肥
5か月前
小野田化学工業株式会社
リン酸塩含有固形物
11日前
株式会社下瀬微生物研究所
魚由来発酵液肥の製造装置
11日前
栗田工業株式会社
畜糞造粒物の製造方法
2か月前
公立大学法人大阪
タケ由来ミミズ堆肥
3か月前
学校法人長崎総合科学大学
溶液担持ペレットの製造方法
2か月前
住友ベークライト株式会社
被覆材料、被覆肥料、および被覆肥料の製造方法
1か月前
雪印種苗株式会社
タマネギ鱗茎肥大促進方法
2か月前
片倉コープアグリ株式会社
液状肥料及びその施肥方法
3か月前
栗田工業株式会社
生物処理水の利用方法
1か月前
株式会社森羊土
きのこ廃培地発酵乾燥資材の使用方法
3か月前
荒川化学工業株式会社
肥料組成物、被覆肥料、樹脂組成物の使用方法、栽培方法及び培養土
2か月前
株式会社バイオ技研
有機廃棄物発酵分解促進剤の製造方法及び有機肥料の製造方法
1か月前
セントラル硝子株式会社
被覆肥料の使用方法、及び殻の破片の製造方法
3日前
DIC株式会社
植物育成剤、植物栽培用組成物、及び植物を栽培する方法
5か月前
メタウォーター株式会社
肥料製造システム及び肥料製造方法
2か月前
上毛緑産工業株式会社
木材チップと下水汚泥を利用した菌体りん酸肥料の製造方法
2か月前
有限会社 岡本製作所
堆肥化診断装置、堆肥化診断システム、堆肥化診断方法及びプログラム
2か月前
寿都町
堆肥分解性ブロックの製造方法、堆肥分解性ブロック及び、堆肥分解性ブロックを利用した磯焼け防止方法
3か月前
株式会社トワード
植物性残渣および食物残渣からの堆肥の製造方法および同方法により製造された堆肥
3日前
富士見工業株式会社
粒状肥料および粒状肥料の製造方法
1か月前
三機工業株式会社
下水汚泥焼却灰の肥料化方法
1か月前
エスケー リーヴィオ カンパニー リミテッド
肥料コーティング用樹脂組成物、及びこれを含む緩効性肥料
10日前
株式会社トワード
植物性残渣および食物残渣からの堆肥の製造方法および同方法により製造された堆肥
3日前
バテル・メモリアル・インスティテュート
向上されたマイクロチャンネルデバイスまたはメソチャンネルデバイス、及びその添加製造方法
4か月前
茂施農業科技有限公司
再生可能原料をベースにしたフランジカルボン酸を含むポリウレタン放出制御肥料被膜材、およびその使用と製品
1か月前
国立大学法人京都大学
タンパク質集積構造体
1か月前
他の特許を見る