TOP
|
特許
|
意匠
|
商標
特許ウォッチ
Twitter
他の特許を見る
公開番号
2025165452
公報種別
公開特許公報(A)
公開日
2025-11-05
出願番号
2024069479
出願日
2024-04-23
発明の名称
周波数調整装置
出願人
三菱電機エンジニアリング株式会社
代理人
弁理士法人ぱるも特許事務所
主分類
H03K
23/64 20060101AFI20251028BHJP(基本電子回路)
要約
【課題】クロックよりも低い周波数で動作する機器に対して、安定した波形を出力することを目的とする。
【解決手段】クロック信号CLKをカウントするバイナリカウンタのカウンタ部2と、カウンタ部2からの出力に応じて波形出力するとともにサイクル遅れの値をカウンタ部2に戻す波形出力部3とで構成し、加算値FIN[7:0]で分周することで、クロック信号CLKよりも低周波のパルス出力PLSOUTを出力する分周回路、およびカウントが満了したときの繰り越しに起因する周期の揺らぎを防止する揺らぎ防止回路、を備えるように構成した。
【選択図】図1
特許請求の範囲
【請求項1】
クロック信号をカウントするバイナリカウンタのカウンタ部と、前記カウンタ部からの出力に応じて波形を出力するとともに、前記波形のサイクル遅れの値を前記カウンタ部に戻す波形出力部とで構成し、加算値で分周することで、前記クロック信号よりも低周波の波形を出力する分周回路、および
前記カウンタ部でのカウントが満了したときの繰り越しに起因する前記波形における周期の揺らぎを防止する揺らぎ防止回路、を
備えたことを特徴とする周波数調整装置。
続きを表示(約 400 文字)
【請求項2】
入力された前記加算値を2のべき乗に丸めた値に変換して前記カウンタ部に出力する丸め込み部、を前記揺らぎ防止回路として備えたことを特徴とする請求項1に記載の周波数調整装置。
【請求項3】
前記繰り越しが生じるか否かを判定し、前記繰り越しが生じた際に、前記波形出力部から前記カウンタ部へ戻す値として、前記サイクル遅れの値に代えて0を前記カウンタ部に出力する繰り越し判定部、を前記揺らぎ防止回路として備えたことを特徴とする請求項1に記載の周波数調整装置。
【請求項4】
前記波形出力部から出力された波形のうち、前記カウントの初回の満了までの波形を記憶し、前記初回の満了より後は、前記波形出力部から出力された波形から前記記憶した波形に切り替えて出力する出力波形切替部、を前記揺らぎ防止回路として備えたことを特徴とする請求項1に記載の周波数調整装置。
発明の詳細な説明
【技術分野】
【0001】
本開示は、周波数調整装置に関するものである。
続きを表示(約 1,600 文字)
【背景技術】
【0002】
クロックから発せられる高周波のパルス信号を、設定した加算値で分周し、対象機器に適合した低周波の波形に変換する任意波形発生器が知られている(例えば、非特許文献1参照)。
【先行技術文献】
【非特許文献】
【0003】
Eugene Palatnik,"FPGAで作る任意波形発生器",[online], 2008年7月1日, EDN Japan,[2024年3月21日検索],インターネット<URL:https://edn.itmedia.co.jp/edn/articles/0807/01/news156.html>
【発明の概要】
【発明が解決しようとする課題】
【0004】
しかしながら、上述した任意波形発生器を動作させたところ、周波数に揺らぎが生じることがあり、必ずしも安定した波形を得ることができなかった。
【0005】
本開示は、上記の課題を解決するものであり、クロックよりも低い周波数で動作する機器に対して、安定した波形を出力することを目的とする。
【課題を解決するための手段】
【0006】
本開示の周波数調整装置は、クロック信号をカウントするバイナリカウンタのカウンタ部と、前記カウンタ部からの出力に応じて波形を出力するとともに、前記波形のサイクル遅れの値を前記カウンタ部に戻す波形出力部とで構成し、加算値で分周することで、前記クロック信号よりも低周波の波形を出力する分周回路、および前記カウント部でのカウントが満了したときの繰り越しに起因する前記波形における周期の揺らぎを防止する揺らぎ防止回路、を備えたことを特徴とする。
【発明の効果】
【0007】
本開示の周波数調整装置によれば、カウントが満了した際の繰り越しによる揺らぎを防止するので、クロックよりも低い周波数の波形を安定して出力することができる。
【図面の簡単な説明】
【0008】
実施の形態1にかかる周波数調整装置の構成を示すブロック図である。
実施の形態1にかかる周波数調整装置を用いた試験装置の構成を示すブロック図である。
実施の形態1にかかる周波数調整装置の詳細構成を示す回路図である。
実施の形態2にかかる周波数調整装置の構成を示すブロック図である。
実施の形態2にかかる周波数調整装置の詳細構成を示す回路図である。
実施の形態3にかかる周波数調整装置の構成を示すブロック図である。
実施の形態3にかかる周波数調整装置の詳細構成を示す回路図である。
実施の形態3にかかる周波数調整装置の動作説明するためのタイミング図である。
【発明を実施するための形態】
【0009】
実施の形態1.
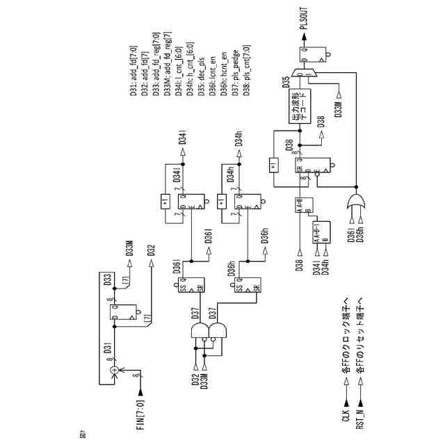
図1から図3は実施の形態1にかかる周波数調整装置の構成と動作について説明するためのもので、図1は周波数調整装置の全体構成を示すためのブロック図、図2は周波数調整装置を用いた試験装置の例を示すブロック図、図3は詳細構成の具体例を示すための回路図である。
【0010】
実施の形態1にかかる周波数調整装置1は、図1に示すように、高周波数のパルス(クロック信号CLK)をカウントし、満了ごとに出力するバイナリカウンタであるカウンタ部2と、カウンタ部2からの出力に応じたパルスの波形を出力する波形出力部3を備えている。なお、カウンタ部2では、波形出力部3から戻された波形における1サイクル遅れの値D13(add_fd_reg[7:0])を加算値FIN[7:0]に加算して波形出力部3に出力するように構成している。
(【0011】以降は省略されています)
この特許をJ-PlatPat(特許庁公式サイト)で参照する
関連特許
エイブリック株式会社
増幅器
1か月前
エイブリック株式会社
増幅器
1か月前
エイブリック株式会社
増幅回路
1か月前
日本電波工業株式会社
水晶振動子
14日前
日本電波工業株式会社
圧電振動片
1か月前
株式会社半導体エネルギー研究所
駆動回路
1か月前
台灣晶技股ふん有限公司
水晶発振器
22日前
京セラ株式会社
差動信号フィルタデバイス
1日前
京セラ株式会社
差動信号フィルタデバイス
1日前
TDK株式会社
電子部品
1か月前
台灣晶技股ふん有限公司
水晶発振素子
22日前
TDK株式会社
電子部品
1か月前
ローム株式会社
自己診断システム
1か月前
三菱電機株式会社
高周波増幅器モジュール
25日前
国立大学法人東北大学
弾性表面波デバイス
14日前
株式会社村田製作所
弾性波フィルタ
2か月前
住友電気工業株式会社
高周波増幅器
2か月前
日清紡マイクロデバイス株式会社
演算増幅器
1か月前
ローム株式会社
圧電共振器
2か月前
太陽誘電株式会社
フィルタ及びマルチプレクサ
1か月前
エイブリック株式会社
出力制御回路及び電圧出力回路
1か月前
アルプスアルパイン株式会社
センサ装置
1か月前
日本電波工業株式会社
温度センサ内蔵型の水晶振動子
14日前
エイブリック株式会社
電流制限回路及び電流制限装置
1か月前
台灣晶技股ふん有限公司
発振装置
24日前
株式会社NTTドコモ
リニアライザ
1か月前
セイコーエプソン株式会社
振動素子
2か月前
三安ジャパンテクノロジー株式会社
弾性波デバイス
14日前
株式会社JVCケンウッド
電源装置および増幅装置
2か月前
ローム株式会社
差動アンプおよび半導体装置
2か月前
ローム株式会社
発振回路
1か月前
TDK株式会社
フィルタ及び電子部品
1か月前
ローム株式会社
発振回路
1か月前
ローム株式会社
発振回路
2か月前
株式会社デンソー
差動リングオシレータ
1日前
株式会社村田製作所
高周波回路および通信装置
1か月前
続きを見る
他の特許を見る