TOP
|
特許
|
意匠
|
商標
特許ウォッチ
Twitter
他の特許を見る
公開番号
2025164369
公報種別
公開特許公報(A)
公開日
2025-10-30
出願番号
2024068303
出願日
2024-04-19
発明の名称
全固体電池
出願人
トヨタ自動車株式会社
代理人
弁理士法人太陽国際特許事務所
主分類
H01M
10/0585 20100101AFI20251023BHJP(基本的電気素子)
要約
【課題】電池の構造効率を低下させずに電池ユニットの位置ずれが抑制される全固体電池を提供する。
【解決手段】第1集電体層、電極層、第2集電体層、電極層、及び第1集電体層をこの順に含む複数の電池ユニットの積層体を含み、前記積層体は、互いに隣接する電池ユニットX及び電池ユニットYと、電池ユニットXと電池ユニットYとを固定する固定部と、を含み、前記固定部は、電池ユニットXの電極層及び電池ユニットYの電極層とそれぞれ接している、全固体電池。
【選択図】図1A
特許請求の範囲
【請求項1】
第1集電体層、電極層、第2集電体層、電極層、及び第1集電体層をこの順に含む複数の電池ユニットの積層体を含み、
前記積層体は、互いに隣接する電池ユニットX及び電池ユニットYと、電池ユニットXと電池ユニットYとを固定する固定部と、を含み、
前記固定部は、電池ユニットXの電極層及び電池ユニットYの電極層とそれぞれ接している、全固体電池。
続きを表示(約 460 文字)
【請求項2】
前記固定部は、電池ユニットXの第1集電体層の端面及び電池ユニットYの第1集電体層の端面とそれぞれ接している、請求項1に記載の全固体電池。
【請求項3】
電池ユニットXの電極層及び電池ユニットYの電極層は、第1集電体層に隣接する第1活物質層、固体電解質層、及び第2集電体層に隣接する第2活物質層をそれぞれ含み、
前記固定部は、電池ユニットXの第1活物質層及び電池ユニットYの第1活物質層とそれぞれ接している、請求項1に記載の全固体電池。
【請求項4】
電池ユニットXの電極層及び電池ユニットYの電極層は、第1集電体層に隣接する第1活物質層、固体電解質層、及び第2集電体層に隣接する第2活物質層をそれぞれ含み、
前記固定部は、電池ユニットXの固体電解質層及び電池ユニットYの固体電解質層とそれぞれ接している、請求項1に記載の全固体電池。
【請求項5】
前記固定部は樹脂を含む、請求項1~請求項4のいずれか1項に記載の全固体電池。
発明の詳細な説明
【技術分野】
【0001】
本開示は、全固体電池に関する。
続きを表示(約 2,300 文字)
【背景技術】
【0002】
有機溶媒に電解質を溶解してなる電解液に代えて固体の電解質を使用する全固体電池の開発が進められている。
全固体電池の製造方法の一例として、あらかじめ作製した複数の電池ユニットを積層する方法がある。複数の電池ユニットを積層して得られる電池は、使用時の振動、充放電時の膨張収縮などによって電池ユニットの位置ずれが生じやすい。電池ユニットの位置ずれは、短絡等の原因となるおそれがある。
電池ユニット間の位置ずれを防止する方策として、特許文献1には、隣接する電池ユニットを接着剤で固定するための接着手段を有する全固体電池が提案されている。
【先行技術文献】
【特許文献】
【0003】
特開2017-204377号公報
【発明の概要】
【発明が解決しようとする課題】
【0004】
特許文献1に記載されている全固体電池では、隣接する電池ユニットの互いに対向する面上に接着手段が設けられている。このため、複数の電池ユニットの間に配置される接着手段によって電池ケース内に収容可能な電池ユニットの数が制限され、電池の構造効率が低下するおそれがある。
本開示の一実施形態は、電池の構造効率を低下させずに電池ユニットの位置ずれが抑制される全固体電池を提供することを課題とする。
【課題を解決するための手段】
【0005】
上記課題を解決するための手段には、以下の実施態様が含まれる。
<1>第1集電体層、電極層、第2集電体層、電極層、及び第1集電体層をこの順に含む複数の電池ユニットの積層体を含み、
前記積層体は、互いに隣接する電池ユニットX及び電池ユニットYと、電池ユニットXと電池ユニットYとを固定する固定部と、を含み、
前記固定部は、電池ユニットXの電極層及び電池ユニットYの電極層とそれぞれ接している、全固体電池。
<1>前記固定部は、電池ユニットXの第1集電体層の端面及び電池ユニットYの第1集電体層の端面とそれぞれ接している、<1>に記載の全固体電池。
<3>電池ユニットXの電極層及び電池ユニットYの電極層は、第1集電体層に隣接する第1活物質層、固体電解質層、及び第2集電体層に隣接する第2活物質層をそれぞれ含み、
前記固定部は、電池ユニットXの第1活物質層及び電池ユニットYの第1活物質層とそれぞれ接している、<1>又は<2>に記載の全固体電池。
<4>電池ユニットXの電極層及び電池ユニットYの電極層は、第1集電体層に隣接する第1活物質層、固体電解質層、及び第2集電体層に隣接する第2活物質層をそれぞれ含み、
前記固定部は、電池ユニットXの固体電解質層及び電池ユニットYの固体電解質層とそれぞれ接している、<1>又は<2>に記載の全固体電池。
<5>前記固定部は樹脂を含む、<1>~<4>のいずれか1項に記載の全固体電池。
【発明の効果】
【0006】
本開示の一実施形態によれば、電池の構造効率を低下させずに電池ユニットの位置ずれが抑制される全固体電池が提供される。
【図面の簡単な説明】
【0007】
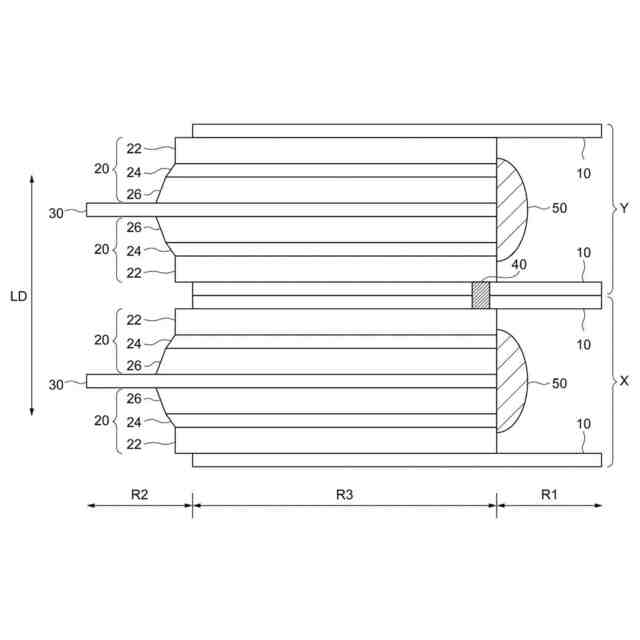
全固体電池に含まれる電池ユニットのうち、互いに隣接する電池ユニットX及び電池ユニットYの構成の一例を概略的に示す断面図である。
図1Aに示した電池ユニットXを第1集電体層10の主面側から観察したときの構成を概略的に示す平面図である。
全固体電池に含まれる電池ユニットのうち、互いに隣接する電池ユニットX及び電池ユニットYの構成の一例を概略的に示す断面図である。
図2Aに示した電池ユニットXを第1集電体層10の主面側から観察したときの構成を概略的に示す平面図である。
【発明を実施するための形態】
【0008】
本開示の全固体電池は、
第1集電体層、電極層、第2集電体層、電極層、及び第1集電体層をこの順に含む複数の電池ユニットの積層体を含み、
前記積層体は、互いに隣接する電池ユニットX及び電池ユニットYと、電池ユニットXと電池ユニットYとを固定する固定部と、を含み、
前記固定部は、電池ユニットXの電極層及び電池ユニットYの電極層とそれぞれ接している、全固体電池である。
【0009】
本開示の全固体電池は、複数の電池ユニットの積層体を含む、いわゆる積層型の電池である。
積層体は、互いに隣接する電池ユニットX及び電池ユニットYと、電池ユニットXと電池ユニットYとを固定する固定部と、を含む。
すなわち、積層体に含まれる複数の電池ユニットの少なくとも一部は、隣接する電池ユニットと固定部によって固定されている。
【0010】
本開示の全固体電池では、固定部が電池ユニットXの電極層及び電池ユニットYの電極層とそれぞれ接している。すなわち、固定部の配置される場所が電池ユニットXの第1電極層と電池ユニットYの第1電極層との間でない点において、既存の全固体電池と異なっている。
本開示の全固体電池は、電池ユニットXの第1電極層と電池ユニットYの第1電極層との間に固定部を配置する場合に比べ、電池ユニットの積層方向の寸法における固定部の厚みの影響が低減される。その結果、電池ケース内に収容可能な電池ユニットの数が充分に確保され、電池の構造効率の低下が抑制される。
(【0011】以降は省略されています)
この特許をJ-PlatPat(特許庁公式サイト)で参照する
関連特許
トヨタ自動車株式会社
車両
1か月前
トヨタ自動車株式会社
電池
18日前
トヨタ自動車株式会社
方法
1か月前
トヨタ自動車株式会社
車体
1か月前
トヨタ自動車株式会社
車両
1か月前
トヨタ自動車株式会社
電池
10日前
トヨタ自動車株式会社
車両
19日前
トヨタ自動車株式会社
車両
18日前
トヨタ自動車株式会社
車両
1か月前
トヨタ自動車株式会社
電池
10日前
トヨタ自動車株式会社
車両
1か月前
トヨタ自動車株式会社
方法
3日前
トヨタ自動車株式会社
車両
4日前
トヨタ自動車株式会社
治具
1か月前
トヨタ自動車株式会社
配管
19日前
トヨタ自動車株式会社
車両
1か月前
トヨタ自動車株式会社
電池
24日前
トヨタ自動車株式会社
電池
1か月前
トヨタ自動車株式会社
車両
1か月前
トヨタ自動車株式会社
ロータ
19日前
トヨタ自動車株式会社
モータ
1か月前
トヨタ自動車株式会社
電動車
19日前
トヨタ自動車株式会社
蓄電池
1か月前
トヨタ自動車株式会社
電動車
18日前
トヨタ自動車株式会社
タンク
3日前
トヨタ自動車株式会社
学習装置
18日前
トヨタ自動車株式会社
蓄電装置
18日前
トヨタ自動車株式会社
蓄電装置
11日前
トヨタ自動車株式会社
蓄電装置
1か月前
トヨタ自動車株式会社
蓄電セル
26日前
トヨタ自動車株式会社
蓄電装置
10日前
トヨタ自動車株式会社
蓄電装置
10日前
トヨタ自動車株式会社
エンジン
10日前
トヨタ自動車株式会社
監視装置
24日前
トヨタ自動車株式会社
製造設備
24日前
トヨタ自動車株式会社
蓄電装置
10日前
続きを見る
他の特許を見る