TOP
|
特許
|
意匠
|
商標
特許ウォッチ
Twitter
他の特許を見る
10個以上の画像は省略されています。
公開番号
2025162329
公報種別
公開特許公報(A)
公開日
2025-10-27
出願番号
2024065554
出願日
2024-04-15
発明の名称
演算処理装置及び情報処理装置
出願人
富士通株式会社
代理人
弁理士法人真田特許事務所
,
個人
主分類
G06F
13/40 20060101AFI20251020BHJP(計算;計数)
要約
【課題】コアと入出力部とを備える複数のチップレットを備える演算処理装置のパッケージの面積増大を抑制する。
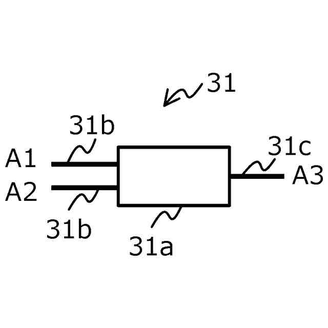
【解決手段】演算処理装置1は、各々がコア4と入出力部5とを備える複数のチップレット2と、各々の2入出力側が入出力部5と接続される複数の1対2光分岐部31と、複数の1対2光分岐部31の1入出力側と接続され、複数の1入出力側のうちのいずれかの1入出力側から入力された光信号を、複数の1入出力側のうちの他の1以上の1入出力側に出力するn(nは3以上の整数)差路光分岐部30と、を備える。入出力部5は、複数のチップレット2の間で互いに異なる波長の光信号を2入出力側の一方に送信し、出力する光信号の波長とは異なる波長の光信号を2入出力側の他方から受信する。
【選択図】図3
特許請求の範囲
【請求項1】
各々がコアと入出力部とを備える複数のチップレットと、
各々の2入出力側が前記入出力部と接続される複数の1対2光分岐部と、
前記複数の1対2光分岐部の1入出力側と接続され、複数の前記1入出力側のうちのいずれかの1入出力側から入力された光信号を、前記複数の1入出力側のうちの他の1以上の1入出力側に出力するn(nは3以上の整数)差路光分岐部と、を備え、
前記入出力部は、前記複数のチップレットの間で互いに異なる波長の光信号を前記2入出力側の一方に送信し、出力する前記光信号の波長とは異なる波長の光信号を前記2入出力側の他方から受信する、
演算処理装置。
続きを表示(約 940 文字)
【請求項2】
前記入出力部は、送信対象のデータを含む送信データを用いて、光源から出力される信号光を変調することで得られる前記光信号を前記2入出力側の一方に送信する送信部を備える、
請求項1に記載の演算処理装置。
【請求項3】
前記入出力部は、
前記2入出力側の他方から入力される光信号のうち、所定の波長の光信号を通過させる波長フィルタと、
前記波長フィルタを通過した前記所定の波長の光信号を復調することで、前記送信データを受信する受信部と、のセットを複数備える、
請求項2に記載の演算処理装置。
【請求項4】
前記送信データは、前記データの宛先を更に含み、
前記入出力部は、
復調された前記送信データに含まれる前記宛先に基づき、復調された前記送信データに含まれる前記データを破棄するか否かを判定する判定部を備える、
請求項3に記載の演算処理装置。
【請求項5】
前記入出力部は、
前記送信される光信号の波長と、前記波長フィルタの前記所定の波長とを設定する設定部を備える、
請求項3又は請求項4に記載の演算処理装置。
【請求項6】
前記複数の1対2光分岐部の各々は、前記2入出力側が接続される前記入出力部を備える前記チップレット内に実装される、
請求項1~請求項4のいずれか1項に記載の演算処理装置。
【請求項7】
各々がコアと入出力部とを備える複数のチップレットと、
各々の2入出力側が前記入出力部と接続される複数の1対2光分岐部と、
前記複数の1対2光分岐部の1入出力側と接続され、複数の前記1入出力側のうちのいずれかの1入出力側から入力された光信号を、前記複数の1入出力側のうちの他の1以上の1入出力側に出力するn(nは3以上の整数)差路光分岐部と、を備える演算処理装置を備え、
前記入出力部は、前記複数のチップレットの間で互いに異なる波長の光信号を前記2入出力側の一方に送信し、出力する前記光信号の波長とは異なる波長の光信号を前記2入出力側の他方から受信する、
情報処理装置。
発明の詳細な説明
【技術分野】
【0001】
本発明は、演算処理装置及び情報処理装置に関する。
続きを表示(約 1,800 文字)
【背景技術】
【0002】
CPU(Central Processing Unit)等のプロセッサ開発において、コスト又は歩留まりを改善するための手法の1つとして、チップレット化と呼ばれる実装手法が知られている。チップレット化とは、1つのチップに集積されていた大規模な回路を複数の小さなチップ(以下、「チップレット」と表記する場合がある)に分割し、基板上に複数のチップレットを搭載させて1つのパッケージを形成する手法である。1つのチップレットには、例えば、プロセッサのコアを含むコアダイと、コア間の入出力(IO:Input / Output)部を含むIOダイとが実装されることがある。
【先行技術文献】
【特許文献】
【0003】
特開2007-164110号公報
【発明の概要】
【発明が解決しようとする課題】
【0004】
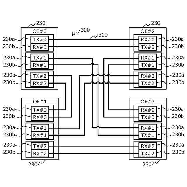
チップレット化の手法では、チップレット(例えばIOダイ)間が基板に設けられる電気配線により接続され、電気信号によりチップレット間の通信が行なわれる。このため、パッケージに実装されるチップレット数が増加するほど、複数のチップレットの配置の関係で、チップレット間の電気配線の距離(通信距離)が長距離化する場合がある。この場合、電気配線の長距離化による通信遅延の発生,減衰する信号強度を増幅するための機構の実装による消費電力の増大,電磁気的な干渉による高密度化又は広帯域化の阻害等により、パッケージに実装可能なチップレット数が制限される可能性がある。
【0005】
このような制限を軽減又は解消するために、チップレット間を、電気配線よりも長距離化の影響が小さい光導波路の配線により接続(全接続)することが考えられる。例えば、IOダイの送信部と他のIOダイの受信部とが1本の光導波路により1対1で接続され、当該IOダイの受信部と当該他のIOダイの送信部とが1本の光導波路により1対1で接続される。すなわち、相互に通信する2つのチップレット間は、それぞれが一方向に光信号を伝送する2本の光導波路により接続される。この場合、パッケージには、相互に通信するチップレットの組み合わせの数×2本分の光導波路が実装される。
【0006】
しかしながら、チップレット間を1対1の光導波路の配線で全接続する場合、チップレット数が増加するほど光導波路の配線数が増加するため、配線面積が増大する。また、通信先となるコアダイ(チップレット)の数に応じた数の送信部及び受信部のペアが、IOダイに実装されるため、チップレット自体の面積が増大する。これらにより、パッケージ全体の面積が増加するため、製造コストの増加が懸念される。
【0007】
このように、チップレット化されたプロセッサパッケージにおいてチップレット数の制限緩和を図る場合、プロセッサパッケージの面積増大の抑制が困難になる場合がある。
【0008】
1つの側面では、本発明は、コアと入出力部とを備える複数のチップレットを備える演算処理装置のパッケージの面積増大を抑制することを目的の1つとする。
【課題を解決するための手段】
【0009】
1つの態様では、演算処理装置は、各々がコアと入出力部とを備える複数のチップレットと、各々の2入出力側が前記入出力部と接続される複数の1対2光分岐部と、n(nは3以上の整数)差路光分岐部とを備えてよい。前記n差路光分岐部は、前記複数の1対2光分岐部の1入出力側と接続され、複数の前記1入出力側のうちのいずれかの1入出力側から入力された光信号を、前記複数の1入出力側のうちの他の1以上の1入出力側に出力してよい。前記入出力部は、前記複数のチップレットの間で互いに異なる波長の光信号を前記2入出力側の一方に送信し、出力する前記光信号の波長とは異なる波長の光信号を前記2入出力側の他方から受信してよい。
【発明の効果】
【0010】
1つの側面では、コアと入出力部とを備える複数のチップレットを備える演算処理装置のパッケージの面積増大を抑制することができる。
【図面の簡単な説明】
(【0011】以降は省略されています)
この特許をJ-PlatPat(特許庁公式サイト)で参照する
関連特許
富士通株式会社
画像処理モデル
1か月前
富士通株式会社
ダウンサンプリング
13日前
富士通株式会社
OLT及びPONシステム
1か月前
富士通株式会社
光受信装置及び光受信方法
13日前
富士通株式会社
情報処理装置及び情報処理方法
19日前
富士通株式会社
演算処理装置及び情報処理装置
1か月前
富士通株式会社
プログラム及びデータ処理装置
27日前
富士通株式会社
情報処理装置および情報処理方法
13日前
富士通株式会社
波長変換装置および波長変換方法
1か月前
富士通株式会社
ラックマウント装置及びラック装置
1か月前
富士通株式会社
書き込みアシスト回路及びSRAM
11日前
富士通株式会社
画像生成プログラム、方法、及び装置
4日前
富士通株式会社
不正検知プログラム、方法、及び装置
19日前
富士通株式会社
通知プログラム、通知方法および通知装置
1か月前
富士通株式会社
受光デバイス及び受光デバイスの製造方法
1か月前
富士通株式会社
推定システム、情報処理装置及び推定方法
6日前
富士通株式会社
データ処理方法及び装置、並びに記憶媒体
6日前
富士通株式会社
コンパイルプログラムおよびコンパイル方法
27日前
富士通株式会社
測定装置、測定方法、および測定プログラム
4日前
富士通株式会社
検出プログラム、検出方法および情報処理装置
1か月前
富士通株式会社
生成プログラム、生成方法および情報処理装置
1か月前
富士通株式会社
半導体装置、半導体装置の製造方法及び電子装置
1か月前
富士通株式会社
学習プログラム、学習方法、および情報処理装置
5日前
富士通株式会社
学習プログラム、学習方法、および情報処理装置
4日前
富士通株式会社
生成プログラム、生成方法、および情報処理装置
11日前
富士通株式会社
半導体装置、半導体装置の製造方法及び電子装置
25日前
富士通株式会社
ターゲット追跡のための方法、装置及び記憶媒体
1か月前
富士通株式会社
データ処理装置、データ処理方法およびプログラム
1か月前
富士通株式会社
プログラム、データ処理方法およびデータ処理装置
1か月前
富士通株式会社
量子計算制御プログラム、および量子計算制御方法
11日前
富士通株式会社
プログラム、情報処理方法およびクラスタシステム
11日前
富士通株式会社
情報処理プログラム、情報処理方法及び情報処理装置
1か月前
富士通株式会社
情報出力プログラム、情報出力方法及び情報処理装置
1か月前
富士通株式会社
情報処理プログラム、情報処理方法および情報処理装置
1か月前
富士通株式会社
領域特定プログラム、領域特定装置、及び領域特定方法
1か月前
富士通株式会社
情報処理プログラム、情報処理方法、および情報処理装置
6日前
続きを見る
他の特許を見る