TOP
|
特許
|
意匠
|
商標
特許ウォッチ
Twitter
他の特許を見る
公開番号
2025158062
公報種別
公開特許公報(A)
公開日
2025-10-16
出願番号
2024150539,2024060424
出願日
2024-09-02,2024-04-03
発明の名称
除湿装置
出願人
株式会社西部技研
代理人
主分類
B01D
53/26 20060101AFI20251008BHJP(物理的または化学的方法または装置一般)
要約
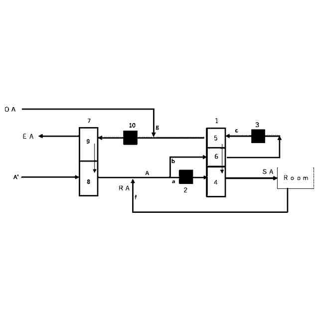
【課題】イニシャルコストや消費電力を削減した低露点空気の供給が可能な除湿装置を提供する。
【解決手段】本発明の除湿装置は、水分の吸着能力を有する吸着ロータを少なくとも処理ゾーン、再生ゾーン、パージゾーンに分割し、被処理空気を処理空気とパージ空気に分岐し、処理空気を処理ゾーンに通し、処理ゾーンを通過後の空気は供給先へ送り、パージ空気をパージゾーンに通し、パージゾーンを通過後の空気は加熱装置を通過させて再生空気として再生ゾーンに通し、再生ゾーンを通過後の空気は排出し、処理空気またはパージ空気を温度調節装置に通して冷却または加熱するようにしたことで、除湿性能を落とさずに再生に必要な熱量を抑制し省エネルギーとした。
【選択図】図2
特許請求の範囲
【請求項1】
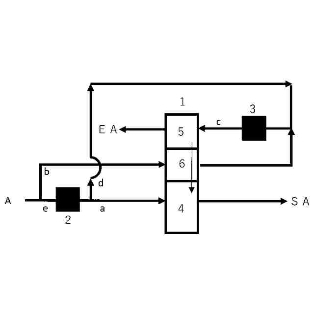
水分の吸着能力を有する吸着ロータを備え、前記吸着ロータを少なくとも処理ゾーン、再生ゾーン、パージゾーンに分割してこの順に回転するようにし、
被処理空気を処理空気とパージ空気に分岐し、
前記処理空気を前記処理ゾーンに通し、前記処理ゾーンを通過後の空気は供給先へ送り、
前記パージ空気を前記パージゾーンに通し、前記パージゾーンを通過後の空気は加熱装置を通過させて再生空気として前記再生ゾーンに通し、
前記処理空気または前記パージ空気のどちらか一方を温度調節装置に通すようにした除湿装置。
続きを表示(約 780 文字)
【請求項2】
前記被処理空気を前記処理空気と前記パージ空気と混合用空気に分岐し、前記混合用空気と前記パージゾーンを通過後の空気を混合し、前記加熱装置を通過させて再生空気として前記再生ゾーンに通すようにした請求項1に記載の除湿装置。
【請求項3】
前記温度調節装置に通す空気を、前記処理空気または前記パージ空気のどちらか一方に加えて、前記混合用空気も通すようにした請求項2に記載の除湿装置。
【請求項4】
前記温度調節装置は冷却器である請求項1から3いずれか一項に記載の除湿装置。
【請求項5】
水分の吸着能力を有する第1の吸着ロータと第2の吸着ロータを備え、
前記第1の吸着ロータを少なくとも第1の処理ゾーンと第1の再生ゾーンに分割し、
前記第2の吸着ロータを少なくとも第2の処理ゾーン、第2の再生ゾーン、第2のパージゾーンに分割し、
被処理空気を前記第1の処理ゾーンに通し、
前記第1の処理ゾーンを通過後の空気は第2の吸着ロータの第2の処理ゾーンおよび/または第2のパージゾーンに送り、
前記第2の処理ゾーンを通過後の空気は供給先へ送り、
前記第2のパージゾーンを通過後の空気は第2の加熱装置を通過させて再生空気として前記第2の再生ゾーンに通し、
前記第2の再生ゾーンを通過後の空気を外気と混合し、第1の加熱装置に通して前記第1の再生ゾーンに通し、
前記第1の再生ゾーンを通過後の空気は排出し、
前記第2の吸着ロータは請求項1から3いずれか一項に記載の除湿装置の吸着ロータである除湿装置。
【請求項6】
前記供給先からの還気を前記第1の処理ゾーンを通過後の空気と混合するようにした請求項5に記載の除湿装置。
発明の詳細な説明
【技術分野】
【0001】
本発明は、吸着ロータとして除湿ロータを用いるものであって、消費電力を削減した低露点空気の供給が可能な除湿装置に関するものである。
続きを表示(約 1,300 文字)
【背景技術】
【0002】
近年、リチウム電池の需要が増大し、それに伴いその生産も増大している。リチウム電池は、その原料であるリチウムが空気中の湿気と反応し、その反応によって生産されたリチウム電池の性能は悪くなる。このため、リチウム電池の生産ラインは、乾燥した状態に保つ必要がある。この乾燥した状態に保つ手段として、生産工場内を乾燥した窒素によってパージする手段と、親水性ゼオライトやシリカゲルなどの湿気吸着材を有する除湿ロータを利用した除湿装置を用いる手段などがある。
【0003】
リチウム電池の用途が、電気自動車やハイブリッド自動車などの自動車用に広がるにつれて、生産工場の規模が大きくなり、除湿装置を用いる手段の方が数多く採用されている。
【0004】
除湿装置の場合、除湿ロータの再生には高温の空気を使用するが、その空気を作るためのエネルギーをできるだけ少なくすることが図られている。またイニシャルコストも削減が望まれている。
【0005】
例えば、特許文献1にはカスケード式ヒートポンプを利用して再生温度を高め、単一の除湿ロータを用いて低露点空気を提供する、イニシャルコストが抑制された除湿装置について開示されている。この除湿装置は、電気ヒータを用いる従来の除湿装置に比べて、省エネルギーである。
【0006】
しかしヒートポンプは電気ヒータに比べてイニシャルコストが高く、また再生温度を上げるには限界がある。そのため、電気ヒータを使用する場合であってもより省エネルギーとなるようなフローの検討がなされている。
【0007】
また近年、エネルギー価格の高騰、電力の需給ひっ迫、カーボンニュートラルに向けた動きなどが加速し、より一層省エネルギーが求められている。
【0008】
特許文献2には、除湿ロータの再生域の熱量が除湿域に伝達されることに起因する顕熱ロスを防止し、パージ域で吸湿してしまうことに起因する除湿域の除湿能力の低下を防止することが出来る除湿機について開示されている。
【0009】
特許文献3には、再生区域と減ガス区域の間にそれぞれパージ区域を設置し、その2つのパージ区域(第1のパージ区域、第2のパージ区域)の間でパージ空気を閉鎖系で循環させるガス除去システムについて開示されている。第1のパージ区域では、冷却装置で冷却したパージ空気によって、再生区域から減ガス区域へ移る前のロータを冷却することで、再生区域から減ガス区域への熱の持ち込みを抑制し、減ガス区域での水蒸気吸着能力を増加させる。また第2のパージ区域では、ロータの冷却により得た熱で昇温したパージ空気によって、再生区域に入る前のロータを加熱するため、ロータを昇温することができ、再生区域での加熱量の低減を図ることができる。
【0010】
特許文献4には、1つのパージゾーンを有し、パージ空気を循環させる除湿システムについて開示されている。この循環経路において、パージゾーンに入る前に冷却器を設けパージ空気の露点を下げることにより、パージゾーンで水分が吸着されにくくすることで除湿能力を高め、低温再生を可能としている。
(【0011】以降は省略されています)
この特許をJ-PlatPat(特許庁公式サイト)で参照する
関連特許
株式会社西部技研
除湿装置
1か月前
株式会社日本触媒
ドロー溶質
1か月前
プライミクス株式会社
攪拌装置
5日前
サンノプコ株式会社
消泡剤
1か月前
日本バイリーン株式会社
フィルタ
19日前
東レ株式会社
遠心ポッティング方法
26日前
トヨタ自動車株式会社
濾過装置
20日前
株式会社切川物産
撹拌装置
6日前
個人
気液混合装置
1か月前
栗田工業株式会社
ギ酸の回収方法
6日前
大和ハウス工業株式会社
反応装置
1か月前
松岡紙業 株式会社
油吸着体の製造方法
1か月前
株式会社フクハラ
圧縮空気圧回路ユニット
1か月前
富士電機株式会社
ガス処理システム
29日前
東芝ライテック株式会社
光照射装置
20日前
株式会社明電舎
成膜装置
29日前
東芝ライテック株式会社
紫外線処理装置
5日前
日本化薬株式会社
直鎖ブテン製造用触媒及びその使用
26日前
本田技研工業株式会社
二酸化炭素回収装置
1か月前
本田技研工業株式会社
二酸化炭素回収装置
1か月前
ノリタケ株式会社
触媒材料およびその利用
1か月前
ノリタケ株式会社
触媒材料およびその利用
1か月前
ノリタケ株式会社
触媒材料およびその利用
1か月前
本田技研工業株式会社
二酸化炭素回収装置
1か月前
本田技研工業株式会社
二酸化炭素回収装置
1か月前
東京応化工業株式会社
ろ過処理方法、及び多孔質膜
1か月前
いであ株式会社
PFAS除去用バイオ炭の製造方法
21日前
個人
フッ化炭素糸物にフッ素をコーティングした浄水手段
1か月前
三浦工業株式会社
撹拌装置
29日前
JFEエンジニアリング株式会社
二酸化炭素回収方法
1か月前
三菱重工業株式会社
石膏脱水システム
19日前
日本碍子株式会社
電気加熱式担体
1か月前
栗田工業株式会社
有機物含有水の脱泡処理装置
13日前
日本碍子株式会社
電気加熱式担体
1か月前
パナソニックIPマネジメント株式会社
除湿装置
1か月前
三菱ケミカル株式会社
精製ガスの製造方法
1か月前
続きを見る
他の特許を見る