TOP
|
特許
|
意匠
|
商標
特許ウォッチ
Twitter
他の特許を見る
公開番号
2025145071
公報種別
公開特許公報(A)
公開日
2025-10-03
出願番号
2024045054
出願日
2024-03-21
発明の名称
電動式作業機械
出願人
日立建機株式会社
代理人
弁理士法人開知
主分類
E02F
9/00 20060101AFI20250926BHJP(水工;基礎;土砂の移送)
要約
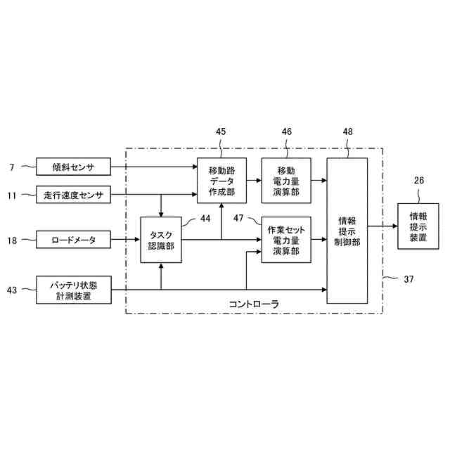
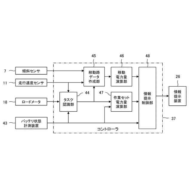
【課題】作業場から充電場まで移動することができ、且つ、1つの作業セットを中断させることなく、作業効率を高めることができる電動式作業機械を提供する。
【解決手段】電動式ホイールローダは、バッテリ27と、バッテリ27で蓄えられた電力によって駆動される走行装置2及び作業装置3と、コントローラ37と、情報提示装置26とを備える。コントローラ37は、ホイールローダが作業場から充電場まで移動するのに要する移動電力量を演算し、ホイールローダが1つの作業セットを行うのに要する作業セット電力量を演算し、移動電力量及び作業セット電力量と共に、バッテリ27の蓄電量を情報提示装置26に提示させる。
【選択図】図3
特許請求の範囲
【請求項1】
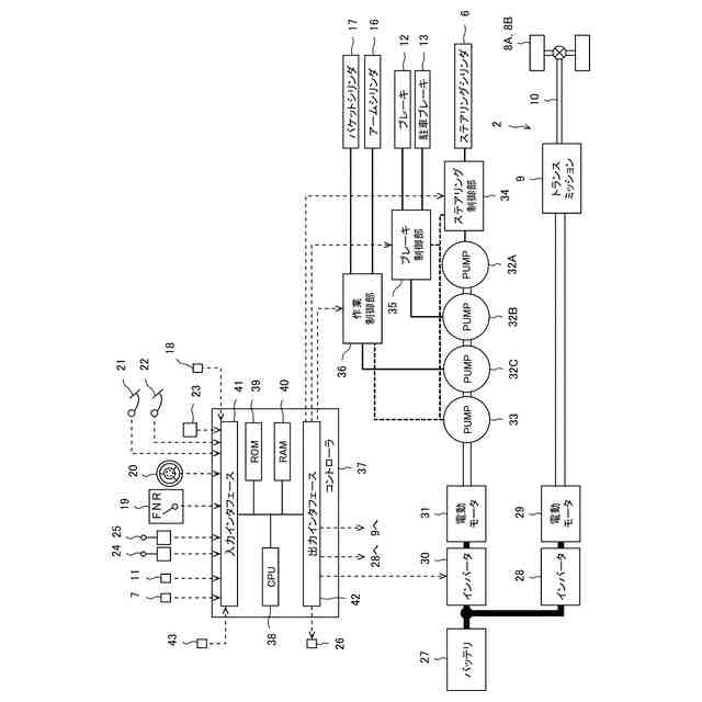
蓄電装置と、前記蓄電装置で蓄えられた電力によって駆動される走行装置及び作業装置と、コントローラと、情報提示装置とを備えた電動式作業機械において、
前記コントローラは、
前記電動式作業機械が作業場から充電場まで移動するのに要する第1の電力量を演算し、
前記電動式作業機械が1つの作業セットを行うのに要する第2の電力量を演算し、
前記第1及び第2の電力量と共に、前記蓄電装置で蓄えられた電力量を前記情報提示装置に提示させることを特徴とする電動式作業機械。
続きを表示(約 460 文字)
【請求項2】
請求項1に記載の電動式作業機械において、
前記作業装置の積載量を計測するロードメータを備え、
前記コントローラは、前記第2の電力量として、前記ロードメータで計測された前記作業装置の積載量が所定のパターンで変化するときに消費された電力量を演算することを特徴とする電動式作業機械。
【請求項3】
請求項1に記載の電動式作業機械において、
前記作業装置の姿勢を検出する姿勢センサを備え、
前記コントローラは、前記第2の電力量として、前記姿勢センサで検出された前記作業装置の姿勢が所定のパターンで変化するときに消費された電力量を演算することを特徴とする電動式作業機械。
【請求項4】
請求項1に記載の電動式作業機械において、
前記情報提示装置は、前記蓄電装置で蓄えられた電力量を示す棒グラフ上、前記第1の電力量を示す第1のレベルと、前記第1の電力量と前記第2の電力量の総和を示す第2のレベルとを表示することを特徴とする電動式作業機械。
発明の詳細な説明
【技術分野】
【0001】
本発明は、電動式作業機械に関する。
続きを表示(約 1,600 文字)
【背景技術】
【0002】
近年、二酸化炭素の排出量の削減等の観点から、エンジンに代えて蓄電装置を搭載し、蓄電装置で蓄えられた電力によって走行装置及び作業装置が駆動するように構成された電動式作業機械が提唱されている。
【0003】
電動式作業機械は、蓄電装置を充電する充電設備が配置された充電場と、作業機械が稼動する作業場との間を往復しなければならない場合がある。詳しく説明すると、例えば移動式の充電設備を用意しても、充電設備が作業場に近づけない場合がある。あるいは、例えば固定式の充電設備が作業場から離れている場合がある。このような場合に、作業機械は、充電場で蓄電装置を充電してから作業場へ移動し、作業場で稼動する。そして、蓄電装置で蓄えられた電力量が少なくなれば、作業場から充電場へ戻る。そのため、作業機械が作業場から充電場へ移動するために必要な電力量を確保する必要がある。
【0004】
特許文献1は、電動式作業機械の一つである電動式ショベルを開示する。このショベルに搭載されたコントローラは、ショベルが充電場から作業場へ移動する間に消費された電力量を算出して記憶する。そして、蓄電装置で蓄えられた電力量から前述した消費電力量を減算することにより、作業場で消費可能な電力量を算出する。そして、作業場で消費可能な電力量に基づいて作業場で稼動可能な時間を算出し、表示装置に表示させる。
【0005】
特許文献1の電動式ショベルでは、表示装置で表示された稼動可能時間がゼロ以上であれば、作業場から充電場まで移動するために必要な電力量を確保することが可能である。また、表示装置で表示された稼動可能時間に基づき、ショベルが作業場から充電場に戻るタイミングを運転者が検討することが可能である。
【先行技術文献】
【特許文献】
【0006】
特許第6902159号公報
【発明の概要】
【発明が解決しようとする課題】
【0007】
しかし、上記従来技術では、作業場での稼動可能時間が表示されるものの、1つの作業セットに必要な稼動可能時間が表示されない。そのため、表示装置で表示された稼動可能時間がゼロに近づけば、1つの作業セットを中断しなければならない可能性がある。1つの作業セットとは、例えば、土砂を掘削して運搬車両へ積込む動作を繰り返すことにより、運搬車両の積載量をある程度満たす作業である。1つの作業セットを中断すれば、運搬車両の積載量が満たされないから、作業効率が低下する。
【0008】
本発明は、上記事柄に鑑みてなされたものであり、その目的は、作業場から充電場まで移動することができ、且つ、1つの作業セットを中断させることなく、作業効率を高めることができる電動式作業機械を提供することにある。
【課題を解決するための手段】
【0009】
上記目的を達成するために、本発明は、蓄電装置と、前記蓄電装置で蓄えられた電力によって駆動される走行装置及び作業装置と、コントローラと、情報提示装置とを備えた電動式作業機械において、前記コントローラは、前記電動式作業機械が作業場から充電場まで移動するのに要する第1の電力量を演算し、前記電動式作業機械が1つの作業セットを行うのに要する第2の電力量を演算し、前記第1及び第2の電力量と共に、前記蓄電装置で蓄えられた電力量を前記情報提示装置に提示させる。
【発明の効果】
【0010】
本発明によれば、作業場から充電場まで移動することができ、且つ、1つの作業セットを中断させることなく、作業効率を高めることができる。
【図面の簡単な説明】
(【0011】以降は省略されています)
この特許をJ-PlatPat(特許庁公式サイト)で参照する
関連特許
日立建機株式会社
建設機械
今日
日立建機株式会社
作業機械
今日
日立建機株式会社
作業機械
8日前
日立建機株式会社
作業機械
22日前
日立建機株式会社
建設機械
4日前
日立建機株式会社
作業機械
4日前
日立建機株式会社
油圧機器
今日
日立建機株式会社
作業機械
1日前
日立建機株式会社
作業機械
1日前
日立建機株式会社
建設機械
今日
日立建機株式会社
作業機械
今日
日立建機株式会社
作業機械
14日前
日立建機株式会社
作業機械
1か月前
日立建機株式会社
建設機械
今日
日立建機株式会社
作業機械
今日
日立建機株式会社
作業機械
今日
日立建機株式会社
作業車両
今日
日立建機株式会社
油圧システム
4日前
日立建機株式会社
動力伝達装置
今日
日立建機株式会社
液冷式抵抗器
今日
日立建機株式会社
ダンプトラック
今日
日立建機株式会社
電動式作業機械
今日
日立建機株式会社
水素供給システム
今日
日立建機株式会社
部品需要予測装置
1か月前
日立建機株式会社
分別回収システム
4日前
日立建機株式会社
充電支援システム
1か月前
日立建機株式会社
建設機械の作業装置
14日前
日立建機株式会社
スプライン連結装置
4日前
日立建機株式会社
減速機及び建設機械
今日
日立建機株式会社
地形情報管理システム
4日前
日立建機株式会社
建設機械の下部走行体
7日前
日立建機株式会社
制御弁装置および作業機械
1か月前
日立建機株式会社
作業機械及び監視システム
今日
日立建機株式会社
作業機械の位置推定システム
14日前
日立建機株式会社
カウンタウエイト及び作業機械
1か月前
日立建機株式会社
アキシャルピストン式液圧回転機
今日
続きを見る
他の特許を見る