TOP
|
特許
|
意匠
|
商標
特許ウォッチ
Twitter
他の特許を見る
公開番号
2025148071
公報種別
公開特許公報(A)
公開日
2025-10-07
出願番号
2024048649
出願日
2024-03-25
発明の名称
作業機械
出願人
日立建機株式会社
代理人
弁理士法人武和国際特許事務所
主分類
E02F
9/20 20060101AFI20250930BHJP(水工;基礎;土砂の移送)
要約
【課題】電動式の作業機械において、キャブの暖房効率を向上させる技術を提供する。
【解決手段】作業機械は、車体に設けられたキャブと、蓄電池と、前記蓄電池の電力により駆動される電動モータと、前記電動モータの動力により駆動される第1油圧ポンプと、前記第1油圧ポンプから供給された作動油により駆動される油圧アクチュエータと、前記キャブ内部の暖房を行う油熱暖房装置と、を備える。作業機械は、前記油圧アクチュエータに給排される前記作動油を加熱する作動油ヒータをさらに備える。前記油熱暖房装置は、前記作動油ヒータで加熱された前記作動油と前記キャブへ供給する空気との熱交換により前記キャブ内部の暖房を行う。
【選択図】図2
特許請求の範囲
【請求項1】
車体に設けられたキャブと、
蓄電池と、
前記蓄電池の電力により駆動される電動モータと、
前記電動モータの動力により駆動される第1油圧ポンプと、
前記第1油圧ポンプから供給される作動油により駆動される油圧アクチュエータと、
前記作動油の熱により、前記キャブ内部の暖房を行う油熱暖房装置と、
を備える作業機械において、
前記油圧アクチュエータに給排される前記作動油を加熱する作動油ヒータをさらに備え、
前記油熱暖房装置は、前記作動油ヒータで加熱された前記作動油と前記キャブへ供給する空気との熱交換により前記キャブ内部の暖房を行う
ことを特徴とする作業機械。
続きを表示(約 2,000 文字)
【請求項2】
請求項1に記載の作業機械において、
前記作動油ヒータを制御する制御装置と、
前記作動油の温度を検出する第1油温センサと、
をさらに備え、
前記制御装置は、
前記第1油温センサにて検出された前記作動油の温度が第1閾値未満である場合には、前記作動油ヒータによる前記作動油の加熱を実行し、前記第1油温センサにて検出された前記作動油の温度が前記第1閾値以上である場合には、前記作動油ヒータによる前記作動油の加熱を停止することを特徴とする作業機械。
【請求項3】
請求項2に記載の作業機械において、
前記作動油を貯留する作動油タンクと、
前記作動油タンクから前記第1油圧ポンプによって吸引される前記作動油が流れる第1油路と、
前記第1油圧ポンプから吐出された前記作動油が前記油圧アクチュエータに向かって流れる第2油路と、
前記油圧アクチュエータを通過した前記作動油が前記作動油タンクに向かって流れる第3油路と、
前記第1油路、前記第2油路、前記第3油路のうちいずれかひとつである対象油路から分岐して、再び前記対象油路に接続する第4油路とをさらに備え、
前記第4油路には、前記作動油の流れの上流側から前記第1油温センサ、前記作動油ヒータ、及び前記油熱暖房装置の順で設けられていることを特徴とする作業機械。
【請求項4】
請求項3に記載の作業機械において、
前記第4油路は、前記第3油路から分岐して、再び前記第3油路に接続し、
一方が前記作動油タンクに接続されて、他方が前記第1油温センサより前記作動油の流れの上流側で前記第4油路に接続される第5油路と、
前記第5油路から前記第4油路に前記作動油を引き入れる第2油圧ポンプと、をさらに備えることを特徴とする作業機械。
【請求項5】
請求項3に記載の作業機械において、
前記作動油タンクに貯留された前記作動油の温度を検出する第2油温センサと、
前記第3油路の前記油熱暖房装置よりも前記作動油の流れの下流側に設けられて、前記作動油を冷却する作動油クーラとをさらに備え、
前記制御装置は、
前記第2油温センサにて検出された前記作動油の温度が第2閾値以上である場合には、前記作動油クーラによる前記作動油の冷却を実行し、
前記第2油温センサにて検出された前記作動油の温度が前記第2閾値未満である場合には、前記作動油クーラによる前記作動油の冷却を停止する
ことを特徴とする作業機械。
【請求項6】
請求項4に記載の作業機械において、
前記作動油タンクに貯留された前記作動油の温度を検出する第2油温センサと、
前記油熱暖房装置による前記作動油と前記キャブへ供給する空気との熱交換の実行及び停止を切り替える暖房切替スイッチと、をさらに備え、
前記暖房切替スイッチにより前記油熱暖房装置による前記作動油と前記キャブへ供給する空気との熱交換が停止させられた場合において、
前記制御装置は、
前記第2油温センサにて検出された前記作動油の温度が第3閾値未満である場合には、前記第2油圧ポンプを駆動させると共に、前記作動油ヒータによる前記作動油の加熱を実行し、
前記第2油温センサにて検出された前記作動油の温度が前記第3閾値以上である場合には、前記第2油圧ポンプを停止させると共に、前記作動油ヒータによる前記作動油の加熱を停止する
ことを特徴とする作業機械。
【請求項7】
請求項3に記載の作業機械において、
前記作動油タンクに貯留された前記作動油の温度を検出する第2油温センサと、
前記第1油温センサよりも前記作動油の流れの上流側で前記第4油路に設けられる第2油圧ポンプと、
前記油熱暖房装置よりも前記作動油の流れの下流側で前記第4油路に設けられる切替弁と、をさらに備え、
前記切替弁は、前記油熱暖房装置が設けられた油路を経て前記第4油路の前記作動油を、前記対象油路に排出する排出位置と、前記油熱暖房装置が設けられた油路を経て前記第4油路の前記作動油を、前記第2油圧ポンプよりも前記作動油の流れの上流側の前記第4油路に還流させる還流位置と、に切り替えられ、
前記制御装置は、
前記第2油温センサにて検出された前記作動油の温度が第4閾値以上である場合には、前記切替弁を前記排出位置に切り替え、
前記第2油温センサにて検出された前記作動油の温度が前記第4閾値未満である場合には、前記切替弁を前記還流位置に切り替える
ことを特徴とする作業機械。
発明の詳細な説明
【技術分野】
【0001】
本発明は、電動式の作業機械に関する。
続きを表示(約 1,600 文字)
【背景技術】
【0002】
近年、エンジンに代えて、バッテリに蓄電された電力で駆動される電動モータを駆動源とする電動式の作業機械が普及しつつある。また、このような電動式の作業機械のなかには、キャブ内の暖房のための熱源として、エンジンの熱に代えて、作動油の排熱やヒータを利用するものがある(例えば、特許文献1を参照)。
【0003】
また、作業機械においては寒冷地等により気温が低い場合、始業前に油圧アクチュエータが適切に作動する粘度となるまで作動油を温める暖機運転が行われる。この暖機運転では駆動回路内の作動油を循環させることにより作動油を温める。
【先行技術文献】
【特許文献】
【0004】
特開2022-96243号公報
【発明の概要】
【発明が解決しようとする課題】
【0005】
特許文献1の作動油を利用した油熱暖房装置では作動油が温まるまでキャブ内の暖房を働かせることが困難である。また、特許文献1の作動油を利用した油熱暖房装置では、暖機運転とキャブ内の暖房を同時に行った場合、駆動回路内の循環で作動油を温めながら、油熱暖房装置によって作動油を冷やすこととなり、作動油の温度が上がりにくく、暖機運転とキャブ内の暖房に時間がかかるという課題がある。
【0006】
本発明は、上記した実状に鑑みてなされたものであり、その目的は、電動式の作業機械において、暖機運転とキャブ内の暖房を素早く行うことができる技術を提供することにある。
【課題を解決するための手段】
【0007】
上記目的を達成するために、本発明は、車体に設けられたキャブと、蓄電池と、前記蓄電池の電力により駆動される電動モータと、前記電動モータの動力により駆動される第1油圧ポンプと、前記第1油圧ポンプから供給された作動油により駆動される油圧アクチュエータと、前記キャブ内部の暖房を行う油熱暖房装置と、を備える作業機械において、前記油圧アクチュエータに給排される前記作動油を加熱する作動油ヒータをさらに備え、前記油熱暖房装置は、前記作動油ヒータで加熱された前記作動油と前記キャブへ供給する空気との熱交換により前記キャブ内部の暖房を行うことを特徴とする作業機械を提供する。
【発明の効果】
【0008】
本発明によれば、電動式の作業機械において、暖機運転とキャブ内の暖房を素早く行うことができる。なお、上記した以外の課題、構成及び効果は、以下の実施形態の説明により明らかにされる。
【図面の簡単な説明】
【0009】
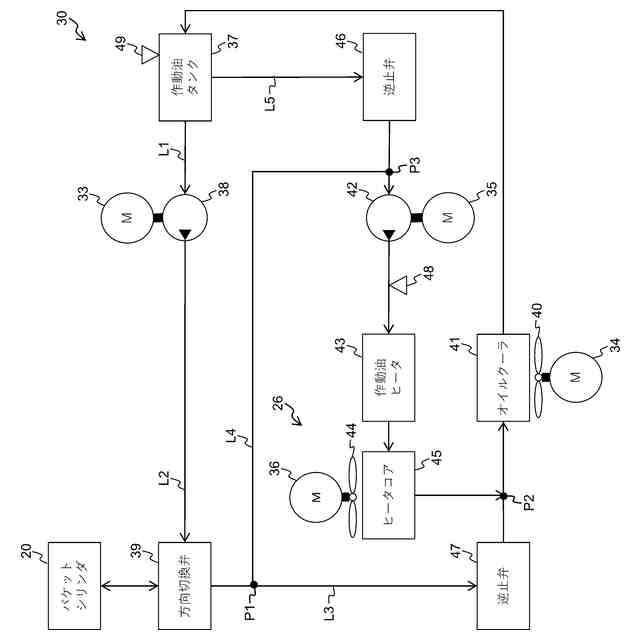
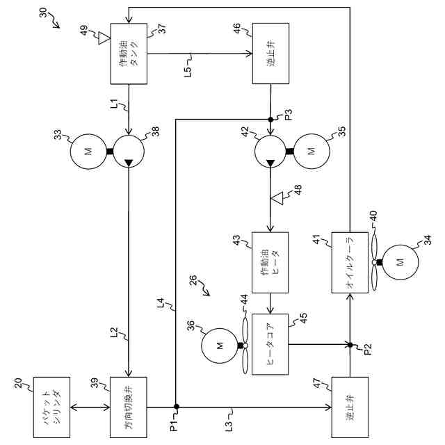
ホイールローダの側面図である。
第1実施形態に係る駆動回路の回路図である。
ホイールローダのハードウェア構成図である。
第1実施形態に係る暖房制御処理のフローチャートである。
第2実施形態に係る駆動回路の回路図である。
第2実施形態に係る暖房制御処理のフローチャートである。
【発明を実施するための形態】
【0010】
[第1実施形態]
以下、図面を参照して、本発明に係る電動式の作業機械の一例であるホイールローダ10について説明する。なお、本明細書中の前後左右は、特に断らない限り、ホイールローダ10に搭乗して操作する作業者の視点を基準としている。「電動式の作業機械」とは、エンジンに代えて、電動モータを駆動源として動作する作業機械を指す。より詳細には、電動式の作業機械は、電動モータの駆動力を直接的に利用して動作(走行、旋回、作業)するものと、電動モータの駆動力で油圧ポンプを駆動して油圧で動作するものとを含む。また、作業機械の具体例はホイールローダ10に限定されず、ダンプトラック、油圧ショベル、クレーン車などでもよい。
(【0011】以降は省略されています)
この特許をJ-PlatPat(特許庁公式サイト)で参照する
関連特許
日立建機株式会社
作業機械
13日前
日立建機株式会社
油圧機器
1か月前
日立建機株式会社
作業機械
1か月前
日立建機株式会社
作業機械
1か月前
日立建機株式会社
油圧機器
1か月前
日立建機株式会社
作業機械
1か月前
日立建機株式会社
作業機械
1か月前
日立建機株式会社
作業機械
1か月前
日立建機株式会社
作業車両
1か月前
日立建機株式会社
作業車両
1か月前
日立建機株式会社
建設機械
1か月前
日立建機株式会社
建設機械
1か月前
日立建機株式会社
建設機械
1か月前
日立建機株式会社
作業機械
1か月前
日立建機株式会社
転圧機械
1か月前
日立建機株式会社
作業車両
1か月前
日立建機株式会社
建設機械
1か月前
日立建機株式会社
作業機械
1か月前
日立建機株式会社
作業機械
1か月前
日立建機株式会社
作業機械
1か月前
日立建機株式会社
建設機械
1か月前
日立建機株式会社
作業機械
1か月前
日立建機株式会社
作業機械
1か月前
日立建機株式会社
作業機械
1か月前
日立建機株式会社
建設機械
1か月前
日立建機株式会社
作業機械
1か月前
日立建機株式会社
作業車両
1か月前
日立建機株式会社
作業機械
2か月前
日立建機株式会社
作業機械
1か月前
日立建機株式会社
作業車両
1か月前
日立建機株式会社
変速装置
1か月前
日立建機株式会社
作業機械
1か月前
日立建機株式会社
建設機械
1か月前
日立建機株式会社
作業機械
1か月前
日立建機株式会社
作業車両
1か月前
日立建機株式会社
作業機械
1か月前
続きを見る
他の特許を見る