TOP
|
特許
|
意匠
|
商標
特許ウォッチ
Twitter
他の特許を見る
公開番号
2025143749
公報種別
公開特許公報(A)
公開日
2025-10-02
出願番号
2024043158
出願日
2024-03-19
発明の名称
電動車両の制御装置
出願人
トヨタ自動車株式会社
代理人
個人
,
個人
主分類
F16H
61/14 20060101AFI20250925BHJP(機械要素または単位;機械または装置の効果的機能を生じ維持するための一般的手段)
要約
【課題】トルクコンバータによるエネルギー損失を低減しつつ、トルク増幅機能を適切に発揮することができる電動車両の制御装置を提供する。
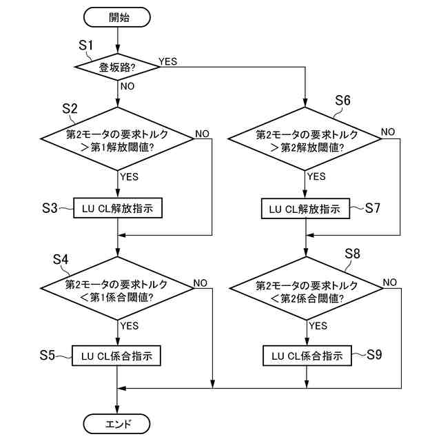
【解決手段】エンジンと、モータと、モータに連結されたトルクコンバータと、係合状態となることによりトルクコンバータを一体に回転させるロックアップクラッチと、エンジンと差動回転可能に連結されかつトルクコンバータを介してモータからトルクが伝達される出力軸とを備えた電動車両の制御装置であって、モータに要求されるトルクが解放閾値よりも大きい場合(ステップS2またはS6でYes)に、ロックアップクラッチを解放し(ステップS3またはS7)、モータに要求されるトルクが係合閾値以下の場合(ステップS4またはS8でYes)に、ロックアップクラッチを係合する(ステップS5またはS9)。
【選択図】図3
特許請求の範囲
【請求項1】
駆動力源としてのモータと、前記モータとは異なる他の駆動力源と、前記モータに連結されたトルクコンバータと、係合状態となることにより前記トルクコンバータを一体に回転させるロックアップクラッチと、前記他の駆動力源と差動回転可能に連結されかつ前記トルクコンバータを介して前記モータからトルクが伝達される出力軸とを備えた電動車両の制御装置であって、
前記ロックアップクラッチを制御するコントローラを備え、
前記コントローラは、
前記モータに要求されるトルク、または前記電動車両に要求される駆動力が予め定められた解放閾値よりも大きい場合に、前記ロックアップクラッチを解放し、
前記モータに要求されるトルク、または前記電動車両に要求される駆動力が予め定められた係合閾値以下の場合に、前記ロックアップクラッチを係合する
ことを特徴とする電動車両の制御装置。
発明の詳細な説明
【技術分野】
【0001】
本発明は、駆動力源としてのモータと、他の駆動力源との少なくとも二つの駆動力源を備えた電動車両の制御装置に関するものである。
続きを表示(約 2,700 文字)
【背景技術】
【0002】
特許文献1には、駆動力源としてのエンジンと、エンジンの出力軸に連結されたトルクコンバータと、トルクコンバータにおけるポンプインペラーとタービンランナーとを選択的に連結するロックアップクラッチと、トルクコンバータの出力軸に連結された動力伝達装置と、その動力伝達装置に連結された駆動輪とを備えた車両の制御装置が記載されている。この制御装置は、低車速であってエンジンが低回転数で回転している際に、ロックアップクラッチを係合することにより、燃費の悪化を抑制するように構成されている。一方、エンジンでの失火が複数回発生していること、エンジンが低回転数および高負荷で運転する登坂路を走行していること、アクセル装置が操作されていることの三つの条件が成立した場合には、エンジンストールが生じることを抑制するために、ロックアップクラッチの係合を禁止するように構成されている。
【先行技術文献】
【特許文献】
【0003】
特開2018-71662号公報
【発明の概要】
【発明が解決しようとする課題】
【0004】
特許文献1に記載された制御装置は、ポンプインペラーとタービンランナーとの差回転数が所定の差回転数となることによりロックアップクラッチを係合するように構成されている。一方、停車時には、トルクコンバータの出力側部材であるタービンランナーが停止し、ポンプインペラーがエンジンのアイドル回転数程度の回転数で回転している。その場合には、エンジンから出力された動力の全てがトルクコンバータ内のオイルで吸収され、また熱に変換されることになる。すなわち、エネルギーの損失が発生する。また、発進時には、エンジンの出力トルクをトルクコンバータによって増幅して出力できる反面、タービンランナーの回転数がエンジンのアイドル回転数程度に増加するまでの間は、ロックアップクラッチを係合することができず、その間も、同様に、エネルギー損失が不可避的に生じる。
【0005】
本発明は、上記の技術的課題に着目してなされたものであって、トルクコンバータによるエネルギー損失を低減しつつ、トルク増幅機能を適切に発揮することができる電動車両の制御装置を提供することを目的とするものである。
【課題を解決するための手段】
【0006】
本発明は、上記の目的を達成するために、駆動力源としてのモータと、前記モータとは異なる他の駆動力源と、前記モータに連結されたトルクコンバータと、係合状態となることにより前記トルクコンバータを一体に回転させるロックアップクラッチと、前記他の駆動力源と差動回転可能に連結されかつ前記トルクコンバータを介して前記モータからトルクが伝達される出力軸とを備えた電動車両の制御装置であって、前記ロックアップクラッチを制御するコントローラを備え、前記コントローラは、前記モータに要求されるトルク、または前記電動車両に要求される駆動力が予め定められた解放閾値よりも大きい場合に、前記ロックアップクラッチを解放し、前記モータに要求されるトルク、または前記電動車両に要求される駆動力が予め定められた係合閾値以下の場合に、前記ロックアップクラッチを係合することを特徴とするものである。
【発明の効果】
【0007】
本発明によれば、モータに要求されるトルク、または電動車両に要求される駆動力が解放閾値よりも大きい場合に、モータに連結されたロックアップクラッチを解放し、モータに要求されるトルク、または電動車両に要求される駆動力が係合閾値以下の場合に、ロックアップクラッチを係合する。そのため、モータに要求されるトルク、または電動車両に要求される駆動力が解放閾値よりも大きい場合に、ロックアップクラッチを解放する。すなわち、モータに要求されるトルク、または電動車両に要求される駆動力が大きい場合にロックアップクラッチを解放する。そのため、発進時や低車速での加速時の駆動力を増加させることができる。また、モータに要求されるトルク、または電動車両に要求される駆動力が係合閾値以下の場合に、ロックアップクラッチを係合する。すなわち、モータに要求されるトルク、または電動車両に要求される駆動力が小さい場合にロックアップクラッチを係合する。そのため、モータや他の駆動力源からトルクを出力することによって要求駆動力を充足できる場合に、トルクコンバータを作動させることがなく、トルクコンバータを作動させることによるエネルギー損失を低減することができる。
【図面の簡単な説明】
【0008】
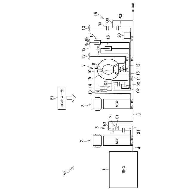
本発明の実施形態における電動車両の一例を説明するためのスケルトン図である。
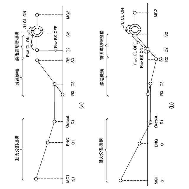
(a)は、前進走行する際におけるエンジン、第1モータ、および第2モータの運転状態を示す共線図であり、(b)は、後進走行する際におけるエンジン、第1モータ、および第2モータの運転状態を示す共線図である。
本発明の実施形態における制御装置で実行される制御の一例を説明するためのフローチャートである。
(a)は、平坦路での第1解放閾値および第1係合閾値を示す図であり、(b)は、登坂路での第2解放閾値および第2係合閾値を示す図である。
(a)は、平坦路でロックアップクラッチを解放する領域および係合する領域を模式的に示す図であり、(b)は、登坂路でロックアップクラッチを解放する領域および係合する領域を模式的に示す図である。
【発明を実施するための形態】
【0009】
本発明を図に示す実施形態に基づいて説明する。なお、以下に説明する実施形態は本発明を具体化した場合の一例に過ぎないのであって、本発明を限定するものではない。
【0010】
図1には、本発明の実施形態における電動車両の一例を模式的に示してある。図1に示す電動車両(以下、単に車両と記す。)Veは、駆動力源としてのエンジン(ENG)1と二つのモータ2,3とを備えたハイブリッド車両である。エンジン1は、従来の車両に設けられたエンジンと同様に構成することができ、空気と燃料との混合気を燃焼することにより動力を発生するように構成され、所定の回転数以上の回転数で自律回転することができるように構成されている。なお、エンジン1が、本発明の実施形態における「他の駆動力源」に相当する。
(【0011】以降は省略されています)
この特許をJ-PlatPat(特許庁公式サイト)で参照する
関連特許
トヨタ自動車株式会社
車両
2日前
トヨタ自動車株式会社
車両
2日前
トヨタ自動車株式会社
車両
6日前
トヨタ自動車株式会社
電動車
4日前
トヨタ自動車株式会社
回転子
2日前
トヨタ自動車株式会社
電解液
2日前
トヨタ自動車株式会社
電動車
2日前
トヨタ自動車株式会社
電動車
2日前
トヨタ自動車株式会社
電動車
2日前
トヨタ自動車株式会社
ロータ
4日前
トヨタ自動車株式会社
蓄電装置
4日前
トヨタ自動車株式会社
蓄電装置
3日前
トヨタ自動車株式会社
蓄電装置
2日前
トヨタ自動車株式会社
切断装置
2日前
トヨタ自動車株式会社
蓄電装置
6日前
トヨタ自動車株式会社
制御装置
6日前
トヨタ自動車株式会社
蓄電装置
3日前
トヨタ自動車株式会社
蓄電セル
2日前
トヨタ自動車株式会社
電動車両
2日前
トヨタ自動車株式会社
蓄電セル
4日前
トヨタ自動車株式会社
育苗装置
3日前
トヨタ自動車株式会社
制御装置
2日前
トヨタ自動車株式会社
駆動装置
2日前
トヨタ自動車株式会社
塗布装置
4日前
トヨタ自動車株式会社
蓄電セル
4日前
トヨタ自動車株式会社
電源装置
2日前
トヨタ自動車株式会社
高圧タンク
6日前
トヨタ自動車株式会社
積層構造体
2日前
トヨタ自動車株式会社
電極積層体
3日前
トヨタ自動車株式会社
電気自動車
2日前
トヨタ自動車株式会社
電池パック
2日前
トヨタ自動車株式会社
電気自動車
4日前
トヨタ自動車株式会社
シフト機構
2日前
トヨタ自動車株式会社
情報処理装置
6日前
トヨタ自動車株式会社
情報処理装置
4日前
トヨタ自動車株式会社
コネクタ構造
2日前
続きを見る
他の特許を見る