TOP
|
特許
|
意匠
|
商標
特許ウォッチ
Twitter
他の特許を見る
10個以上の画像は省略されています。
公開番号
2025142471
公報種別
公開特許公報(A)
公開日
2025-10-01
出願番号
2024041836
出願日
2024-03-18
発明の名称
半導体集積回路
出願人
キヤノン株式会社
代理人
個人
,
個人
,
個人
,
個人
主分類
H10D
89/00 20250101AFI20250924BHJP()
要約
【課題】信号の劣化を抑制できる半導体集積回路を提供する。
【解決手段】半導体集積回路は、複数の回路ブロックと、単一の経路から分岐しそれぞれが前記複数の回路ブロックのうち少なくとも1つを通過する複数の分岐経路と、前記複数の回路ブロックの各々に印加される電源電圧の変動を検出する検出回路と、前記複数の分岐経路のうち、前記電源電圧の変動が最も小さい前記回路ブロックを通過する前記分岐経路を選択する制御回路と、を備える。
【選択図】図1
特許請求の範囲
【請求項1】
複数の回路ブロックと、
単一の経路から分岐しそれぞれが前記複数の回路ブロックのうち少なくとも1つを通過する複数の分岐経路と、
前記複数の回路ブロックの各々に印加される電源電圧の変動を検出する検出回路と、
前記複数の分岐経路のうち、前記電源電圧の変動が最も小さい前記回路ブロックを通過する前記分岐経路を選択する制御回路と、を備えることを特徴とする半導体集積回路。
続きを表示(約 950 文字)
【請求項2】
前記複数の分岐経路の各々に設けられ、前記選択された分岐経路以外の他の前記分岐経路を遮断するゲーティング回路を備えることを特徴とする請求項1に記載の半導体集積回路。
【請求項3】
前記複数の分岐経路が分岐する分岐部と前記回路ブロックとの間に前記複数のゲーティング回路が位置することを特徴とする請求項2に記載の半導体集積回路。
【請求項4】
前記ゲーティング回路は、前記他の分岐経路を通るクロック信号を遮断することを特徴とする請求項2に記載の半導体集積回路。
【請求項5】
前記ゲーティング回路は、
前記クロック信号に応じてイネーブル信号をラッチするラッチ回路と、
前記ラッチ回路から出力される信号と前記クロック信号との論理積を出力するAND回路と、を有することを特徴とする請求項4に記載の半導体集積回路。
【請求項6】
1つの前記分岐経路は複数の前記回路ブロックを通過し、
前記制御回路は、前記1つの分岐経路における複数の前記回路ブロックのうち、前記電源電圧の変動が最も大きい前記回路ブロックの前記電源電圧の変動に基づいて前記分岐経路を選択することを特徴とする請求項1に記載の半導体集積回路。
【請求項7】
前記電源電圧の変動は、前記電源電圧の降下量であることを特徴とする請求項1に記載の半導体集積回路。
【請求項8】
前記制御回路は、前記選択された分岐経路が通過する前記回路ブロックの前記電源電圧が所定の閾値電圧以上である場合、前記選択された分岐経路の選択を継続し、前記選択された分岐経路が通過する前記回路ブロックの前記電源電圧が前記閾値電圧より小さい場合、前記選択中の分岐経路以外の他の前記分岐経路を選択する処理を実行することを特徴とする請求項7に記載の半導体集積回路。
【請求項9】
前記閾値電圧は変更可能であることを特徴とする請求項8に記載の半導体集積回路。
【請求項10】
前記電源電圧を印加する電源が前記回路ブロックごとに異なることを特徴とする請求項1に記載の半導体集積回路。
(【請求項11】以降は省略されています)
発明の詳細な説明
【技術分野】
【0001】
本発明は、半導体集積回路に関する。
続きを表示(約 1,400 文字)
【背景技術】
【0002】
従来、トランジスタ等の半導体素子を基板に集積して形成した半導体集積回路がある。このような半導体集積回路として、例えば、特許文献1には、温度や電圧の変化によって駆動能力が変化することを抑制する半導体装置が記載されている。この半導体装置は、温度又は電圧に応動して所定信号を出力する検出回路と、夫々に異なる特性を有する複数の出力回路と、検出回路の出力信号に応じて出力回路を切換えるための信号を生成する切換回路とを備える。
【0003】
特許文献2には、半導体チップ製造後における不所望な電圧降下に起因する誤動作を回避することができる半導体集積回路が記載されている。この半導体集積回路は、複数の回路ブロックと、複数の回路ブロックに電力を供給する第1及び第2電源配線と、第1電源配線からの電力供給を第2電源配線からの電力供給に変更可能な切り換え手段とを備える。そして、半導体集積回路は、回路ブロックに電圧降下が生じている場合、第1電源配線からの電力供給を第2電源配線からの電力供給に変更する。
【先行技術文献】
【特許文献】
【0004】
特開平7-249739号公報
特許第4364556号公報
【発明の概要】
【発明が解決しようとする課題】
【0005】
しかしながら、特許文献1の半導体装置及び特許文献2の半導体集積回路において、電源の電圧変動によって電源ノイズが発生した際に、この電源ノイズが信号を劣化させるおそれがある。
【0006】
そこで、本発明の目的は、信号の劣化を抑制できる半導体集積回路を提供することにある。
【課題を解決するための手段】
【0007】
本明細書の一開示によれば、複数の回路ブロックと、単一の経路から分岐しそれぞれが前記複数の回路ブロックのうち少なくとも1つを通過する複数の分岐経路と、前記複数の回路ブロックの各々に印加される電源電圧の変動を検出する検出回路と、前記複数の分岐経路のうち、前記電源電圧の変動が最も小さい前記回路ブロックを通過する前記分岐経路を選択する制御回路と、を備える半導体集積回路が提供される。
【発明の効果】
【0008】
本発明によれば、信号の劣化を抑制できる半導体集積回路を提供することができる。
【図面の簡単な説明】
【0009】
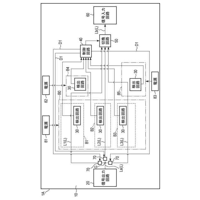
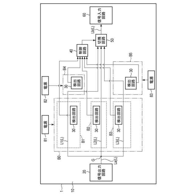
第1実施形態に係る半導体集積回路のブロック図である。
第1実施形態に係る検出回路の回路図である。
第1実施形態に係る各回路ブロックに印加される電圧値の一例を示す図である。
第1実施形態に係る半導体集積回路の動作を示すフローチャートである。
第2実施形態に係る半導体集積回路のブロック図である。
第2実施形態に係るゲーティング回路の回路図である。
第2実施形態に係る半導体集積回路の動作を示すフローチャートである。
第3実施形態に係る機器のブロック図である。
第4実施形態に係る機器のブロック図である。
【発明を実施するための形態】
【0010】
[第1実施形態]
図1は、本実施形態に係る半導体集積回路のブロック図である。
(【0011】以降は省略されています)
この特許をJ-PlatPat(特許庁公式サイト)で参照する
関連特許
キヤノン株式会社
トナー
9日前
キヤノン株式会社
トナー
4日前
キヤノン株式会社
トナー
4日前
キヤノン株式会社
トナー
4日前
キヤノン株式会社
電子機器
11日前
キヤノン株式会社
電子機器
17日前
キヤノン株式会社
撮像装置
5日前
キヤノン株式会社
定着装置
17日前
キヤノン株式会社
表示装置
16日前
キヤノン株式会社
撮像装置
17日前
キヤノン株式会社
撮像装置
9日前
キヤノン株式会社
発光装置
16日前
キヤノン株式会社
電子機器
13日前
キヤノン株式会社
定着装置
3日前
キヤノン株式会社
記録装置
9日前
キヤノン株式会社
記録装置
2日前
キヤノン株式会社
撮影装置
2日前
キヤノン株式会社
電子機器
17日前
キヤノン株式会社
収容装置
17日前
キヤノン株式会社
現像容器
2日前
キヤノン株式会社
記録装置
25日前
キヤノン株式会社
撮像装置
24日前
キヤノン株式会社
現像装置
2日前
キヤノン株式会社
記録装置
24日前
キヤノン株式会社
定着装置
23日前
キヤノン株式会社
現像容器
2日前
キヤノン株式会社
撮像装置
23日前
キヤノン株式会社
電子機器
25日前
キヤノン株式会社
現像装置
2日前
キヤノン株式会社
モジュール
4日前
キヤノン株式会社
半導体装置
11日前
キヤノン株式会社
光学センサ
4日前
キヤノン株式会社
現像剤容器
10日前
キヤノン株式会社
画像形成装置
10日前
キヤノン株式会社
画像形成装置
10日前
キヤノン株式会社
画像形成装置
3日前
続きを見る
他の特許を見る