TOP
|
特許
|
意匠
|
商標
特許ウォッチ
Twitter
他の特許を見る
10個以上の画像は省略されています。
公開番号
2025141411
公報種別
公開特許公報(A)
公開日
2025-09-29
出願番号
2024041327
出願日
2024-03-15
発明の名称
液晶デバイス、波長選択スイッチ装置、及び、液晶デバイスの故障検出方法
出願人
株式会社JVCケンウッド
代理人
個人
主分類
G09G
3/36 20060101AFI20250919BHJP(教育;暗号方法;表示;広告;シール)
要約
【課題】精度良く故障を検出することが可能な液晶デバイス、波長選択スイッチ装置、及び、液晶デバイスの故障検出方法を提供すること。
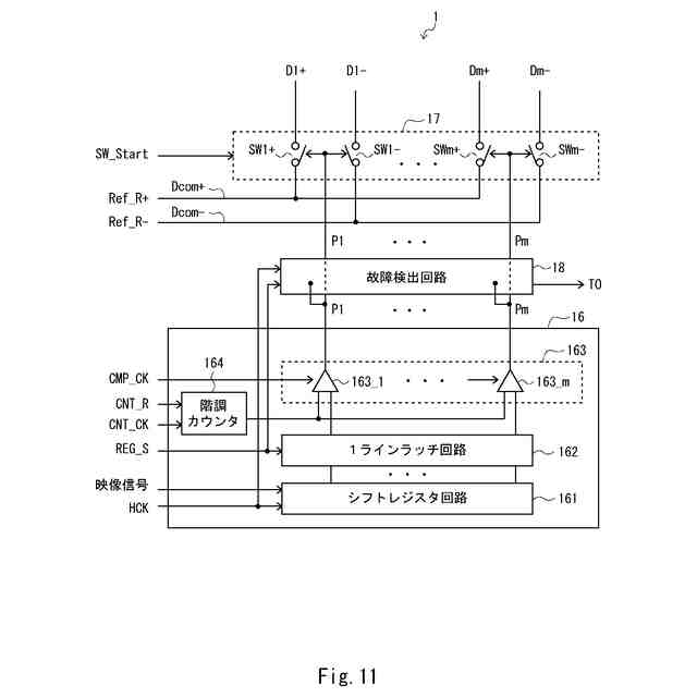
【解決手段】本開示に係る液晶デバイスは、映像信号を複数の画素の列数分、クロック信号に同期して逐次取り込むシフトレジスタ部と、シフトレジスタ部によって取り込まれた複数の映像信号をトリガ信号に同期して一斉に出力するラッチ部と、ラッチ部から出力された複数の映像信号のそれぞれと階調信号とを比較して一致した場合に、それぞれの一致信号をアクティブにする複数のコンパレータと、複数のコンパレータのそれぞれの一致信号がアクティブになったタイミングに応じた複数のアナログ電圧を複数のデータ線に供給するアナログスイッチ部と、トリガ信号に同期して複数のコンパレータのそれぞれの一致信号を取り込み、且つ、クロック信号に同期して故障検出結果を出力する故障検出回路と、を備える。
【選択図】図11
特許請求の範囲
【請求項1】
複数の画素と、
前記複数の画素の各列に対応して設けられた複数のデータ線と、
映像信号を前記複数の画素の列数分、クロック信号に同期して逐次取り込むシフトレジスタ部と、
前記シフトレジスタ部によって取り込まれた前記複数の映像信号をトリガ信号に同期して一斉に出力するラッチ部と、
前記ラッチ部から出力された前記複数の映像信号のそれぞれと、電位が単調に遷移する階調信号と、を比較して一致した場合に、それぞれの一致信号をアクティブにする複数のコンパレータと、
前記複数のコンパレータのそれぞれの前記一致信号がアクティブになったタイミングに応じた複数のアナログ電圧を前記複数のデータ線に供給するアナログスイッチ部と、
前記トリガ信号に同期して、前記複数のコンパレータのそれぞれの前記一致信号を取り込み、且つ、前記クロック信号に同期して、取り込んだ複数の前記一致信号をシフトして故障検出結果として出力する、故障検出回路と、
を備えた、液晶デバイス。
続きを表示(約 1,400 文字)
【請求項2】
前記故障検出回路は、ダイナミック型のシフトレジスタである、
請求項1に記載の液晶デバイス。
【請求項3】
前記故障検出回路は、
信号経路上に設けられた画素の列数分の複数の第1インバータと、
前記信号経路上に、前記複数の第1インバータのそれぞれの後段に設けられ、前記クロック信号によってオンオフが切り替わる画素の列数分の複数の第1スイッチ素子と、
前記信号経路上に、前記複数の第1スイッチ素子のそれぞれの後段に設けられた、画素の列数分の複数の第2インバータと、
前記信号経路上に、前記複数の第2インバータのそれぞれの後段に設けられ、前記クロック信号の反転信号によってオンオフが切り替わる画素の列数分の複数の第2スイッチ素子と、
前記複数の第2インバータの入力ノードと、前記複数のコンパレータのそれぞれの一致信号が供給される複数の信号供給端子と、の間に設けられ、前記トリガ信号によってオンオフが切り替わる複数の第3スイッチ素子と、
を少なくとも備え、
前記複数の第2スイッチ素子のうち最終段の第2スイッチ素子の出力信号に対応する前記故障検出結果を出力する、
請求項1に記載の液晶デバイス。
【請求項4】
前記シフトレジスタ部は、
並行して入力される前記複数の映像信号を、前記クロック信号に同期して逐次取り込む複数のシフトレジスタ回路を有し、
前記故障検出回路は、
前記複数のシフトレジスタ回路のそれぞれによって取り込まれた前記複数の映像信号に対応する複数の前記一致信号をそれぞれ取り込み、且つ、前記クロック信号に同期して、取り込んだ複数の前記一致信号をシフトして故障検出結果として出力する、複数の部分故障検出回路を有する、
請求項1に記載の液晶デバイス。
【請求項5】
入力ポートと、
一又は複数の出力ポートと、
前記入力ポートに入射された光信号を偏向して前記一又は複数の出力ポートのうち選択された何れかの出力ポートから出射する、複数の画素を有する請求項1~4の何れか一項に記載の液晶デバイスである反射型液晶素子と、
を備えた、波長選択スイッチ装置。
【請求項6】
複数の画素と、
前記複数の画素の各列に対応して設けられた複数のデータ線と、
映像信号を前記複数の画素の列数分、クロック信号に同期して逐次取り込むシフトレジスタ部と、
前記シフトレジスタ部によって取り込まれた前記複数の映像信号をトリガ信号に同期して一斉に出力するラッチ部と、
前記ラッチ部から出力された前記複数の映像信号のそれぞれと、電位が単調に遷移する階調信号と、を比較して一致した場合に、それぞれの一致信号をアクティブにする複数のコンパレータと、
前記複数のコンパレータのそれぞれの前記一致信号がアクティブになったタイミングに応じた複数のアナログ電圧を前記複数のデータ線に供給するアナログスイッチ部と、
故障検出回路と、
を備えた、液晶デバイスの故障検出方法であって、
前記故障検出回路において、前記トリガ信号に同期して、前記複数のコンパレータのそれぞれの前記一致信号を取り込み、
前記故障検出回路において、前記クロック信号に同期して、取り込んだ複数の前記一致信号をシフトして故障検出結果として出力する、
故障検出方法。
発明の詳細な説明
【技術分野】
【0001】
本開示は、液晶デバイス、波長選択スイッチ装置、及び、液晶デバイスの故障検出方法に関し、精度良く故障を検出するのに適した液晶デバイス、波長選択スイッチ装置、及び、液晶デバイスの故障検出方法に関する。
続きを表示(約 2,400 文字)
【背景技術】
【0002】
特許文献1に開示された液晶表示装置は、マトリクス状に配置された複数の画素と、複数の画素の各列に対応して設けられた複数組のデータ線と、複数の画素の各行に対応して設けられた複数のゲート線と、複数組のデータ線に対して組単位で順番に正極性及び負極性の映像信号を供給するための複数のスイッチと、複数のスイッチ及び複数のゲート線を駆動する駆動手段と、を備える。
【先行技術文献】
【特許文献】
【0003】
特開2009-223289号公報
【発明の概要】
【発明が解決しようとする課題】
【0004】
ところで、液晶表示装置には、信頼性向上のため、経年劣化等による故障を精度良く検出することが求められている。しかしながら、特許文献1には、故障を検出する具体的な内容が開示されておらず、特許文献1に開示された液晶表示装置では、故障を精度良く検出することができない、という課題があった。
【0005】
本開示は以上の点に鑑みなされたもので、精度良く故障を検出することが可能な液晶デバイス、波長選択スイッチ装置、及び、液晶デバイスの故障検出方法を提供することを目的とする。
【課題を解決するための手段】
【0006】
本開示にかかる液晶デバイスは、複数の画素と、前記複数の画素の各列に対応して設けられた複数のデータ線と、映像信号を前記複数の画素の列数分、クロック信号に同期して逐次取り込むシフトレジスタ部と、前記シフトレジスタ部によって取り込まれた前記複数の映像信号をトリガ信号に同期して一斉に出力するラッチ部と、前記ラッチ部から出力された前記複数の映像信号のそれぞれと、電位が単調に遷移する階調信号と、を比較して一致した場合に、それぞれの一致信号をアクティブにする複数のコンパレータと、前記複数のコンパレータのそれぞれの前記一致信号がアクティブになったタイミングに応じた複数のアナログ電圧を前記複数のデータ線に供給するアナログスイッチ部と、前記トリガ信号に同期して、前記複数のコンパレータのそれぞれの前記一致信号を取り込み、且つ、前記クロック信号に同期して、取り込んだ複数の前記一致信号をシフトして故障検出結果として出力する、故障検出回路と、を備える。
【0007】
本開示にかかる液晶デバイスの故障検出方法は、複数の画素と、前記複数の画素の各列に対応して設けられた複数のデータ線と、映像信号を前記複数の画素の列数分、クロック信号に同期して逐次取り込むシフトレジスタ部と、前記シフトレジスタ部によって取り込まれた前記複数の映像信号をトリガ信号に同期して一斉に出力するラッチ部と、前記ラッチ部から出力された前記複数の映像信号のそれぞれと、電位が単調に遷移する階調信号と、を比較して一致した場合に、それぞれの一致信号をアクティブにする複数のコンパレータと、前記複数のコンパレータのそれぞれの前記一致信号がアクティブになったタイミングに応じた複数のアナログ電圧を前記複数のデータ線に供給するアナログスイッチ部と、故障検出回路と、を備えた、液晶デバイスの故障検出方法であって、前記故障検出回路において、前記トリガ信号に同期して、前記複数のコンパレータのそれぞれの前記一致信号を取り込み、前記故障検出回路において、前記クロック信号に同期して、取り込んだ複数の前記一致信号をシフトして故障検出結果として出力する。
【発明の効果】
【0008】
本開示によれば、精度良く故障を検出することが可能な液晶デバイス、波長選択スイッチ装置、及び、液晶デバイスの故障検出方法を提供することができる。
【図面の簡単な説明】
【0009】
本開示に係る波長選択スイッチをx軸方向から見た図である。
本開示に係る波長選択スイッチをy軸方向から見た図である。
本開示に係る波長選択スイッチに適用された反射型液晶素子に集光された波長チャネルの一例を示す図である。
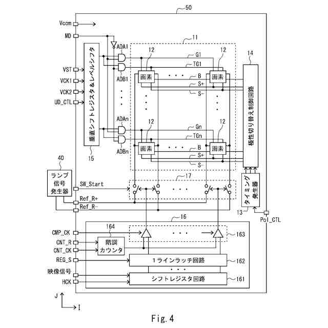
構想段階の液晶デバイスの構成例を示す図である。
図4に示す液晶デバイスに設けられた水平ドライバ及びアナログスイッチ部を拡大した図である。
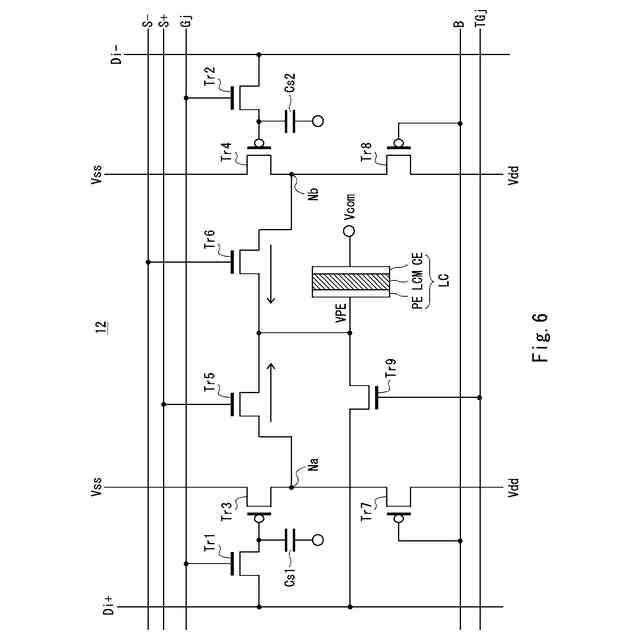
図4に示す液晶デバイスに設けられた画素の具体的な構成例を示す図である。
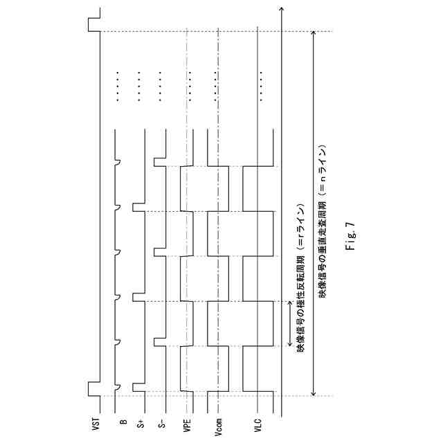
図4に示す液晶デバイスによる画素の駆動方法を説明するためのタイミングチャートである。
画素に書き込まれる正極性映像信号及び負極性映像信号のそれぞれの黒から白までの電圧レベルを説明するための図である。
図4に示す液晶デバイスの画像表示モードでの動作を示すタイミングチャートである。
実施の形態1にかかる液晶デバイスの構成例を示す図である。
図10に示す液晶デバイスに設けられた水平ドライバ、アナログスイッチ部、及び、故障検出回路を拡大した図である。
図10に示す液晶デバイスに設けられた故障検出回路の具体例を示す図である。
実施の形態2にかかる液晶デバイスの一部の構成例を示す図である。
図13に示す液晶デバイスの故障検出方法の一例を示すタイミングチャートである。
【発明を実施するための形態】
【0010】
<本開示に係る液晶デバイスが適用された波長選択スイッチについての説明>
図1は、本開示に係る波長選択スイッチ(WSS;Wavelength Selective Switch)アレイ100の構成例を示す図である。なお、図1は、WSSアレイ100をx軸方向から見た図である。
(【0011】以降は省略されています)
この特許をJ-PlatPat(特許庁公式サイト)で参照する
関連特許
株式会社JVCケンウッド
再生装置及び再生方法
今日
株式会社JVCケンウッド
再生装置及び再生方法
今日
株式会社JVCケンウッド
評価装置及び評価方法
2日前
株式会社JVCケンウッド
再生装置及び再生方法
今日
株式会社JVCケンウッド
ヘッドマウントディスプレイ
2日前
株式会社JVCケンウッド
集光レンズ及び投射型表示装置
2日前
株式会社JVCケンウッド
集光レンズ及び投射型表示装置
2日前
株式会社JVCケンウッド
物体検出システム及び物体検出方法
2日前
株式会社JVCケンウッド
立体視画像生成装置およびプログラム
2日前
株式会社JVCケンウッド
通信装置、通信方法およびプログラム
2日前
株式会社JVCケンウッド
仮想空間制御システムおよび仮想空間制御方法
2日前
株式会社JVCケンウッド
仮想空間制御システムおよび仮想空間制御方法
2日前
株式会社JVCケンウッド
ナビゲーションシステム、および、ナビゲーション方法
2日前
株式会社JVCケンウッド
液晶デバイス、波長選択スイッチ装置、及び、液晶デバイスの故障検出方法
2日前
株式会社JVCケンウッド
空き状況情報提供装置、空き状況情報提供プログラム、および空き状況情報提供方法
2日前
株式会社JVCケンウッド
表示制御装置、プログラムおよび表示制御方法
2日前
株式会社JVCケンウッド
情報配信装置、情報生成方法、及び情報生成プログラム
2日前
個人
回転式カード学習具
28日前
日本精機株式会社
表示装置
1か月前
個人
時刻表示機能つき手帳
1か月前
日本精機株式会社
表示装置
6日前
日本精機株式会社
表示装置
3か月前
個人
計算用教具
2日前
中国電力株式会社
標示旗
12日前
日本精機株式会社
車両用表示装置
1か月前
日本精機株式会社
車両用表示装置
1か月前
日本精機株式会社
車両用表示装置
1か月前
日本精機株式会社
車両用センサ装置
2日前
個人
モデルで薔薇の花嫁様を描く為
23日前
トヨタ自動車株式会社
評価方法
2か月前
株式会社一弘社
情報表示板
29日前
シャープ株式会社
表示装置
2か月前
シャープ株式会社
表示装置
13日前
パイオニア株式会社
表示装置
2か月前
個人
口唇閉鎖の訓練具
2か月前
個人
音楽教材
1か月前
続きを見る
他の特許を見る