TOP
|
特許
|
意匠
|
商標
特許ウォッチ
Twitter
他の特許を見る
公開番号
2025119534
公報種別
公開特許公報(A)
公開日
2025-08-14
出願番号
2024014489
出願日
2024-02-01
発明の名称
塗料組成物、被覆基材、被覆基材の製造方法、及び型内被覆成形体の製造方法
出願人
大日本塗料株式会社
代理人
弁理士法人太陽国際特許事務所
主分類
C09D
201/00 20060101AFI20250806BHJP(染料;ペイント;つや出し剤;天然樹脂;接着剤;他に分類されない組成物;他に分類されない材料の応用)
要約
【課題】ポリカーボネート樹脂等の熱可塑性樹脂に対する付着性に優れ、かつ、耐薬品性に優れる硬化膜を形成することが可能な塗料組成物等を提供する。
【解決手段】分子量180~400の重合性化合物(A)と、官能基数が2~4であって、かつ、重量平均分子量500~3000の重合性化合物(B)と、重合開始剤(C)と、を含み、重合性化合物(A)及び重合性化合物(B)の合計含有量に占める、重合性化合物(A)の割合は、10質量%~60質量%であり、重合性化合物(A)は、前記重合性化合物(A)に60°光沢値T1のポリカーボネート基材を30秒浸漬させた後の、前記ポリカーボネート基材の60°光沢値をT2とした場合に、T1に対するT2の割合が70%以下である、塗料組成物及びその応用。
【選択図】なし
特許請求の範囲
【請求項1】
分子量180~400の重合性化合物(A)と、
官能基数が2~4であって、かつ、重量平均分子量500~3000の重合性化合物(B)と、
重合開始剤(C)と、を含み、
前記重合性化合物(A)及び前記重合性化合物(B)の合計含有量に占める、前記重合性化合物(A)の割合は、10質量%~60質量%であり、
前記重合性化合物(A)は、前記重合性化合物(A)に60°光沢値T1のポリカーボネート基材を30秒浸漬させた後の、前記ポリカーボネート基材の60°光沢値をT2とした場合に、T1に対するT2の割合が70%以下である、塗料組成物。
続きを表示(約 1,000 文字)
【請求項2】
前記重合性化合物(B)は、20℃における破断伸度が25%以上である、請求項1に記載の塗料組成物。
【請求項3】
前記重合性化合物(A)は、2官能重合性化合物である、請求項1に記載の塗料組成物。
【請求項4】
熱可塑性樹脂を含む基材上に、請求項1~請求項3のいずれか1項に記載の塗料組成物を塗装して塗膜を形成する工程と、
前記塗膜を硬化させて硬化膜を形成する工程を含む、被覆基材の製造方法。
【請求項5】
前記基材を80℃~130℃に加熱した後、前記塗料組成物を塗装する、請求項4に記載の被覆基材の製造方法。
【請求項6】
前記塗膜に対する前記硬化膜の硬化収縮率が3%~11%である、請求項4に記載の被覆基材の製造方法。
【請求項7】
固定金型部と可動金型部からなる金型を型締めする工程と、
金型キャビティ内で熱可塑性樹脂を成形して、樹脂成形体を作製する工程と、
前記金型キャビティ内へ、請求項1~請求項3のいずれか1項に記載の塗料組成物を注入して、前記樹脂成形体上に塗膜を形成する工程と、
前記塗膜を硬化させて硬化膜を形成する工程と、
前記硬化膜が形成された樹脂成形体を金型から取り出す工程と、を含む、型内被覆成形体の製造方法。
【請求項8】
前記樹脂成形体を作製する工程では、射出成形法、射出圧縮成形法、射出プレス成形法、圧縮成形法、又は反応射出成形法を用いて、前記熱可塑性樹脂を成形する、請求項7に記載の型内被覆成形体の製造方法。
【請求項9】
熱可塑性樹脂を含む基材と、前記基材上に形成された硬化膜と、を含み、
前記硬化膜は、
分子量180~400の重合性化合物(A)と、
官能基数が2~4であって、かつ、重量平均分子量500~3000の重合性化合物(B)と、
重合開始剤(C)と、を含み、
前記重合性化合物(A)及び前記重合性化合物(B)の合計含有量に占める、前記重合性化合物(A)の割合は、10質量%~60質量%であり、
前記重合性化合物(A)は、前記重合性化合物(A)に60°光沢値T1のポリカーボネート基材を30秒浸漬させた後の、前記ポリカーボネート基材の60°光沢値をT2とした場合に、T1に対するT2の割合が70%以下である、塗料組成物の硬化物である、被覆基材。
発明の詳細な説明
【技術分野】
【0001】
本開示は、塗料組成物、被覆基材、被覆基材の製造方法、及び型内被覆成形体の製造方法に関する。
続きを表示(約 3,700 文字)
【背景技術】
【0002】
耐候性、耐衝撃性、耐熱性、及び不燃性に優れるポリカーボネートは、自動車、飛行機等の輸送機器、医療機器、光学用品等に適したエンジニアリングプラスチックとして広く利用されている。ポリカーボネート基材は、耐傷付き性、耐溶剤性を向上させる目的で、表面を塗料で塗装し、保護、加飾して用いられることが多い。特許文献1~6には、ポリカーボネート基材に適した塗料が種々提案されている。
【0003】
例えば、特許文献1には、(A)水酸基含有フッ素樹脂およびイソシアネート系硬化剤を含有する樹脂組成物を含むコーティング組成物に、樹脂固形分100重量部当り、(B)フッ素系界面活性剤0.01~1.0重量部、(C)紫外線吸収剤1~15重量部、(D)オルガノシリケート化合物1~30重量部を含有するクリヤーコーティング組成物が記載されている。
特許文献2には、分子内に3個以上の(メタ)アクリロイル基を有するポリ(メタ)アクリレート(A)、分子内に3個以上のイソシアネート基を有する化合物(B1)と分子内に水酸基及び2個以上の(メタ)アクリロイル基を有する化合物(B2)とを反応させて得られる分子内に6個以上の(メタ)アクリロイル基を有するウレタンポリ(メタ)アクリレート(B)、紫外線吸収剤(D)、光安定剤(E)、及び、光重合開始剤(F)を特定の割合で含む紫外線硬化型液状組成物が記載されている。
特許文献3には、特定のシルセスキオキサン化合物(a)、分子中に2個以上の(メタ)アクリロイル基を有するウレタン(メタ)アクリレート(b)、ポリ[(メタ)アクリロイルオキシアルキル]イソシアヌレート(c)、及び光重合開始剤(d)を含有する活性エネルギー線硬化型塗料組成物が記載されている。
特許文献4には、(a)少なくとも1分子内に2個以上8個以下の(メタ)アクリロイル基を持つウレタンオリゴマー、(b)1分子内に2個のエチレン性二重結合を持つモノマーの少なくとも1種、(c)1分子内に3個以上のエチレン性二重結合を持つモノマーの少なくとも1種、及び(d)有機過酸化物重合開始剤を特定の割合で含む型内被覆組成物が記載されている。
特許文献5には、(A)(メタ)アクリロイル基を有するウレタンオリゴマー、エポキシオリゴマー、ポリエステルオリゴマー、ポリエーテルオリゴマーあるいは不飽和ポリエステル樹脂から選ばれる少なくとも1種、(B)上記(A)と共重合可能なモノマー、(C)アリルエステルオリゴマー、及び(D)重合開始剤とを特定の割合で含む型内被覆組成物が記載されている。
特許文献6には、2~4個の重合性不飽和基を有し、且つ脂肪族構造を有するウレタン(メタ)アクリレート(A)、1分子内に1個の重合性不飽和基を有する重合性不飽和化合物(B)、及び重合開始剤(C)を含有するプラスチック材料用の熱硬化性塗料組成物が記載されている。
【先行技術文献】
【特許文献】
【0004】
特開2007-217514号公報
特開平9-286809号公報
特開2011-219691号公報
特開2005-74896号公報
特開2009-51124号公報
特許第7370500号公報
【発明の概要】
【発明が解決しようとする課題】
【0005】
ポリカーボネート樹脂等の熱可塑性樹脂に対して塗装する際に用いる塗料組成物において、熱可塑性樹脂に対する付着性、及び、形成される硬化膜の耐薬品性が求められる場合があった。
【0006】
本開示の一実施形態が解決しようとする課題は、ポリカーボネート樹脂等の熱可塑性樹脂に対する付着性に優れ、かつ、耐薬品性に優れる硬化膜を形成することが可能な塗料組成物を提供することにある。
本開示の他の実施形態が解決しようとする課題は、ポリカーボネート樹脂等の熱可塑性樹脂に対する付着性に優れ、かつ、耐薬品性に優れる硬化膜を有する被覆基材、被覆基材の製造方法、及び型内被覆成形体の製造方法を提供することにある。
【課題を解決するための手段】
【0007】
本開示は、以下の態様を含む。
<1>
分子量180~400の重合性化合物(A)と、
官能基数が2~4であって、かつ、重量平均分子量500~3000の重合性化合物(B)と、
重合開始剤(C)と、を含み、
重合性化合物(A)及び重合性化合物(B)の合計含有量に占める、重合性化合物(A)の割合は、10質量%~60質量%であり、
重合性化合物(A)は、重合性化合物(A)に60°光沢値T1のポリカーボネート基材を30秒浸漬させた後の、ポリカーボネート基材の60°光沢値をT2とした場合に、T1に対するT2の割合が70%以下である、塗料組成物。
<2>
重合性化合物(B)は、20℃における破断伸度が25%以上である、<1>に記載の塗料組成物。
<3>
重合性化合物(A)は、2官能重合性化合物である、<1>に記載の塗料組成物。
<4>
熱可塑性樹脂を含む基材上に、<1>~<3>のいずれか1つに記載の塗料組成物を塗装して塗膜を形成する工程と、
塗膜を硬化させて硬化膜を形成する工程を含む、被覆基材の製造方法。
<5>
基材を80℃~130℃に加熱した後、塗料組成物を塗装する、<4>に記載の被覆基材の製造方法。
<6>
塗膜に対する硬化膜の硬化収縮率が3%~11%である、<4>に記載の被覆基材の製造方法。
<7>
固定金型部と可動金型部からなる金型を型締めする工程と、
金型キャビティ内で熱可塑性樹脂を成形して、樹脂成形体を作製する工程と、
金型キャビティ内へ、<1>~<3>のいずれか1つに記載の塗料組成物を注入して、樹脂成形体上に塗膜を形成する工程と、
塗膜を硬化させて硬化膜を形成する工程と、
硬化膜が形成された樹脂成形体を金型から取り出す工程と、を含む、型内被覆成形体の製造方法。
<8>
樹脂成形体を作製する工程では、射出成形法、射出圧縮成形法、射出プレス成形法、圧縮成形法、又は反応射出成形法を用いて、熱可塑性樹脂を成形する、<7>に記載の型内被覆成形体の製造方法。
<9>
熱可塑性樹脂を含む基材と、基材上に形成された硬化膜と、を含み、
硬化膜は、
分子量180~400の重合性化合物(A)と、
官能基数が2~4であって、かつ、重量平均分子量500~3000の重合性化合物(B)と、
重合開始剤(C)と、を含み、
重合性化合物(A)及び重合性化合物(B)の合計含有量に占める、重合性化合物(A)の割合は、10質量%~60質量%であり、
重合性化合物(A)は、重合性化合物(A)に60°光沢値T1のポリカーボネート基材を30秒浸漬させた後の、ポリカーボネート基材の60°光沢値をT2とした場合に、T1に対するT2の割合が70%以下である、被覆基材。
【発明の効果】
【0008】
本開示の一実施形態によれば、ポリカーボネート樹脂等の熱可塑性樹脂に対する付着性に優れ、かつ、耐薬品性に優れる硬化膜を形成することが可能な塗料組成物が提供される。
本開示の他の実施形態によれば、ポリカーボネート樹脂等の熱可塑性樹脂に対する付着性に優れ、かつ、耐薬品性に優れる硬化膜を有する被覆基材、被覆基材の製造方法、及び型内被覆成形体の製造方法が提供される。
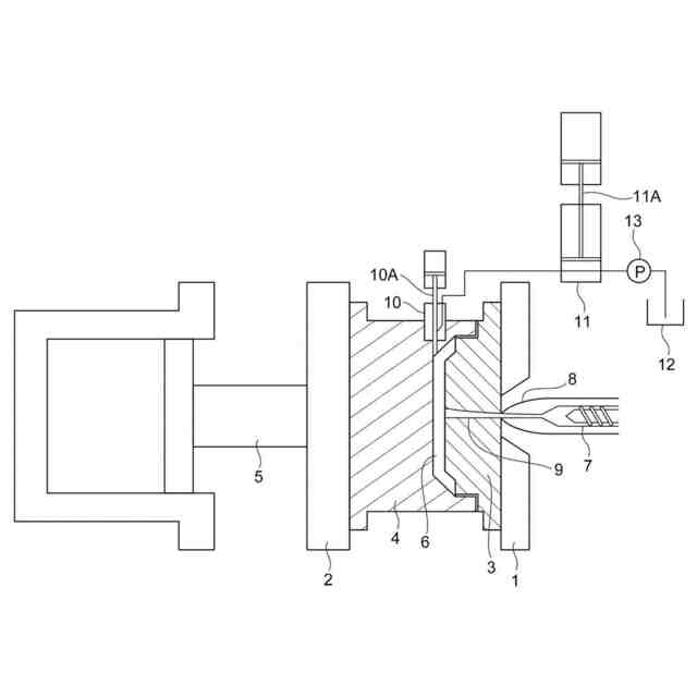
【図面の簡単な説明】
【0009】
射出成形法を用いて型内被覆成形体を製造する方法を説明するための図である。
【発明を実施するための形態】
【0010】
以下において、本開示に係る内容について詳細に説明する。以下に記載する構成要件の説明は、本開示に係る代表的な実施態様に基づいてなされることがあるが、本開示はそのような実施態様に限定されるものではない。
本開示において、「~」を用いて示された数値範囲は、「~」の前後に記載される数値をそれぞれ最小値及び最大値として含む範囲を意味する。本開示に段階的に記載されている数値範囲において、ある数値範囲で記載された上限値又は下限値は、他の段階的な記載の数値範囲の上限値又は下限値に置き換えてもよい。また、本開示に記載されている数値範囲において、ある数値範囲で記載された上限値又は下限値は、実施例に示されている値に置き換えてもよい。
本開示において、2以上の好ましい態様の組み合わせは、より好ましい態様である。
(【0011】以降は省略されています)
この特許をJ-PlatPat(特許庁公式サイト)で参照する
関連特許
大日本塗料株式会社
塗料組成物及び塗装方法
5日前
ベック株式会社
被覆材
3か月前
日本化薬株式会社
インク
10日前
ベック株式会社
被膜形成方法
2か月前
株式会社日本触媒
インクセット
19日前
日本化薬株式会社
インク組成物
10日前
関西ペイント株式会社
塗料組成物
2か月前
株式会社リコー
インクセット
3か月前
ぺんてる株式会社
水性インキ組成物
3か月前
東ソー株式会社
ゴム用接着性改質剤
3か月前
東ソー株式会社
土木用注入薬液組成物
11日前
シヤチハタ株式会社
油性インキ組成物
1か月前
AGC株式会社
液状組成物
2か月前
アイカ工業株式会社
光硬化型圧着組成物
1か月前
大日精化工業株式会社
顔料分散液
28日前
東ソー株式会社
土質安定化注入薬液組成物
1か月前
マクセル株式会社
粘着テープ
2か月前
東ソー株式会社
土質安定化注入薬液組成物
1か月前
ハニー化成株式会社
防反射処理剤
3か月前
ダイキン工業株式会社
耐油剤
2か月前
東洋アルミニウム株式会社
複合顔料
10日前
artience株式会社
粘着剤及び粘着シート
3か月前
アイカ工業株式会社
ポリマー被覆粒子の製造方法
2か月前
ダイキン工業株式会社
組成物
1か月前
ダイキン工業株式会社
組成物
1か月前
ダイキン工業株式会社
耐油剤
2か月前
ユニチカ株式会社
易接着フィルム、および積層体
1か月前
株式会社呉竹
絵具
2か月前
ハニー化成株式会社
親水防汚処理剤
3か月前
artience株式会社
印刷インキおよび印刷物
3か月前
三洋化成工業株式会社
粘着剤主剤及び粘着剤組成物
2か月前
ウォールボンド工業株式会社
壁紙の剥離方法
3か月前
積水化学工業株式会社
仮固定粘着テープ
26日前
artience株式会社
化粧材用プライマー組成物
2か月前
リンテック株式会社
保護フィルム
1か月前
第一三共ヘルスケア株式会社
凍結抑制剤
1か月前
続きを見る
他の特許を見る