TOP
|
特許
|
意匠
|
商標
特許ウォッチ
Twitter
他の特許を見る
公開番号
2025058547
公報種別
公開特許公報(A)
公開日
2025-04-09
出願番号
2023168542
出願日
2023-09-28
発明の名称
ピザ生地用改質剤
出願人
日油株式会社
代理人
弁理士法人ユニアス国際特許事務所
主分類
A21D
2/08 20060101AFI20250402BHJP(ベイキング;生地製造または加工の機械あるいは設備;ベイキングの生地)
要約
【課題】本発明の課題は、再加熱調理によって生じる歯切れ感の低下が抑制され、且つ再加熱調理後に冷めても硬くない焼成ピザ生地が得られるピザ生地用改質剤を提供することである。
【解決手段】上記課題を解決するために、ルテインを含有することを特徴とする、ピザ生地用改質剤を提供する。また、上記課題を解決するために、グルテン及び上記ピザ生地用改質剤を含み、ルテインの含有量が、前記グルテン1000000質量部に対して0.2~20質量部であることを特徴とする、ピザ生地を提供する。本発明のピザ生地用改質剤を、グルテンを含有する穀粉生地に配合することにより、グルテンを改質し、再加熱調理によって生じる歯切れの低下が抑制され、且つ再加熱調理後に冷めても硬くない焼成ピザ生地を得ることができる。
【選択図】なし
特許請求の範囲
【請求項1】
ルテインを含有することを特徴とするピザ生地用改質剤。
続きを表示(約 170 文字)
【請求項2】
グルテン、及び請求項1に記載のピザ生地用改質剤を含み、
前記ルテインの含有量が、前記グルテン1000000質量部に対して0.2~20質量部であることを特徴とする、ピザ生地。
【請求項3】
請求項1記載のピザ生地用改質剤を含むピザ生地または請求項2記載のピザ生地を、焼成してなる焼成ピザ生地。
発明の詳細な説明
【技術分野】
【0001】
本発明は、再加熱調理によって生じる歯切れ感の低下が抑制され、且つ再加熱調理後に冷めても硬くならない焼成ピザ生地が得られるピザ生地用改質剤に関する。
続きを表示(約 2,700 文字)
【背景技術】
【0002】
一般に、ピザは、小麦粉、食塩、イースト、必要に応じて油脂等を含む原料に水を加えて生地を調製し、この生地を発酵させた後、ガス抜きを行い、シート状に圧延したピザ生地の上にピザソースや具材を載せて焼成することにより得られる。ピザには、食感がソフトでパンの様な焼成ピザ生地が特徴のアメリカンタイプのピザと、焼成ピザ生地が薄くクリスビー感の強いイタリアンタイプのピザとがある。特にイタリアンタイプの場合、焼成直後の食感が重要で、ピザ専門店で提供されるのはイタリアンタイプが多い。イタリアンタイプのピザの美味しさは、ピザ生地にトッピングされるピザソースや具材等の風味や食感だけでなく、焼成ピザ生地自体の食感にも大きく左右され、歯切れがよくクリスピーな食感が好ましいとされている。このような歯切れがよくクリスピーな食感のピザを一般家庭で原料の混合から作ることは手間がかかるため、電子レンジやオーブン等で加熱調理するだけで簡単にピザが食べられるように、ピザソースや具材をトッピングして焼成した焼成ピザ生地を冷蔵および/または冷凍をした製品が大量生産され市販されている。これら冷蔵および/または冷凍した焼成ピザ生地は電子レンジ、トースターあるいはオーブン等の加熱装置によって再加熱調理され食事に供されるが、再加熱調理後に歯切れの低下(ヒキのある食感)や冷めたときに硬くなることがあげられ、特に冷凍したクリスピータイプの焼成ピザ生地においてはその現象が顕著である。
再加熱調理後の焼成ピザ生地の歯切れをよくする方法としては、有機酸モノグリセリドのラメラ構造体を含有するシート状食品(特許文献1)、ピザ生地を焼成する際に特定の焼成用網を用いる方法(特許文献2)が開示されている。
一方、再加熱調理後の焼成ピザ生地が冷めても硬くならない方法としては、小麦グルテンより抽出されたグリアジンに富む成分を使用する方法(特許文献3)が開示されている。
【先行技術文献】
【特許文献】
【0003】
特開2013-146208号公報
特開2004-267146号公報
特開平10-66500号公報
【発明の概要】
【発明が解決しようとする課題】
【0004】
しかし特許文献1では、再加熱調理後の歯切れが改善されヒキが低減された焼成ピザ生地が得られるが、再加熱調理後に冷めて硬くなってしまう。特許文献2においても再加熱調理しても、焼成ピザ生地の縁部分が歯切れのよい、クリスピーな食感を有する焼成ピザ生地は得られるが、冷めて時間経過とともに硬くなってしまうことは改善されていない。また特許文献3ではアメリカンタイプの焼成ピザ生地において再加熱調理後、冷めても硬くなりにくいが、望まれる再加熱調理後の歯切れは改善されていない。
したがって本発明の課題は、冷蔵および/または冷凍した後の再加熱調理によって生じる歯切れ感の低下が抑制され、且つ再加熱調理後に冷めても硬くならない焼成ピザ生地が得られるピザ生地用改質剤を提供することである。
【課題を解決するための手段】
【0005】
本発明者らは、カロチノイドであるルテインがグルテンを含有するピザ生地においてグルテンを改質し、再加熱調理によって生じる歯切れ感の低下が抑制され、且つ冷めても硬くない焼成ピザ生地が得られることを見出した。
【0006】
すなわち、本発明は下記[1]~[3]である。
[1]ルテインを含有することを特徴とする、ピザ生地用改質剤。
[2]グルテン、及び、[1]記載のピザ生地用改質剤を含み、
前記ルテインの含有量が、前記グルテン1000000質量部に対して0.2~20質量部であることを特徴とする、ピザ生地。
[3][1]記載のピザ生地用改質剤を含むピザ生地または[2]記載のピザ生地を、焼成してなる焼成ピザ生地。
【発明の効果】
【0007】
本発明によれば、グルテンを含有するピザ生地に配合することにより、グルテンを改質し、再加熱調理によって生じる歯切れ感の低下が抑制され、且つ再加熱調理後に冷めても硬くならない焼成ピザ生地が得られる、ルテインを含有することを特徴とするピザ生地用改質剤を提供することができる。
なお、本発明におけるピザ生地とは焼成前の状態を意味し、焼成ピザ生地とは焼成後の状態を意味する。歯切れとは、焼成ピザ生地を破断するための破断荷重値で評価でき、歯切れが良好とは値が小さいことであり、硬さとは、焼成ピザ生地を圧縮した際の荷重値で評価でき、硬くないとは、その値が小さいことである。歯切れ感、硬さともに、焼成ピザ生地を喫食した際に食感として感じることができる。
【発明を実施するための形態】
【0008】
本発明のピザ生地用改質剤は、ルテインを含有することを特徴とし、グルテンを含有するピザ生地に配合することにより、グルテンを改質し、再加熱調理によって生じる歯切れ感の低下が抑制され、且つ再加熱調理後に冷めても硬くならない焼成ピザ生地が得られる。
以下、本発明のピザ生地用改質剤、ピザ生地について詳細に説明する。
【0009】
[ピザ生地用改質剤]
本発明のピザ生地用改質剤は、ルテインを含有することを特徴とし、ピザ生地用原料として用いるものである。
ルテインはカロチノイド系色素の1種類であり、生体内で網膜の黄斑部に局在することで、目に進入するエネルギーの高い光を吸収し、光によって生じる活性酸素を除去することで光に対する目の保護に有益な成分として知られている。本発明におけるピザ生地用改質剤は、フリー体のルテイン又はエステル体のルテインのうち少なくとも1種を含むものである。ルテインは、グルテンを含有するピザ生地中に含有された際、混合することで、グルテンにルテインが結合してグルテンを改質し、当該ピザ生地の伸展性と弾力性を向上させ、再加熱調理しても歯切れ感が良好な焼成ピザ生地が得られる。またグルテンが改質されることでグルテンの保水効果が高まり、冷めても硬くならない焼成ピザ生地となる。
【0010】
ルテインは、ケール、パセリ、ほうれん草、小松菜、ブロッコリー、レタス、かぼちゃの皮などの植物由来、あるいは鶏卵などの動物由来のものいずれも使用することができるが、ルテイン含有量、風味の観点より植物由来のものが好ましく用いられる。
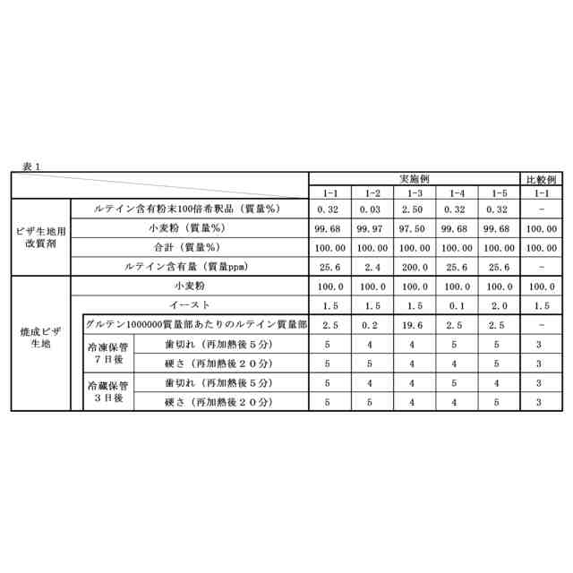
(【0011】以降は省略されています)
この特許をJ-PlatPat(特許庁公式サイト)で参照する
関連特許
日油株式会社
皮膚化粧料
2か月前
日油株式会社
毛髪化粧料
2か月前
日油株式会社
皮膚保湿剤
1か月前
日油株式会社
潤滑油組成物
3日前
日油株式会社
重合性組成物
1か月前
日油株式会社
パック化粧料
1か月前
日油株式会社
導電性組成物
1か月前
日油株式会社
導電性組成物
1か月前
日油株式会社
化粧料用組成物
2か月前
日油株式会社
船舶燃料油組成物
3か月前
日油株式会社
半導体封止材組成物
26日前
日油株式会社
分散剤及び樹脂組成物
1か月前
日油株式会社
製菓用グルテン改質剤
1か月前
日油株式会社
深共晶溶媒及び電解質
1か月前
日油株式会社
カルボン酸チタン組成物
2か月前
日油株式会社
製パン用グルテン改質剤
1か月前
日油株式会社
水中油型日焼け止め化粧料
1か月前
日油株式会社
リン酸ジエステルの製造方法
1か月前
日油株式会社
穀粉生地用改質剤、穀粉生地、及び食品
1か月前
日油株式会社
スルホン酸(メタ)アクリレート組成物
2か月前
日油株式会社
ペルフルオロアシル過酸化物の製造方法。
1か月前
日油株式会社
エステル化用触媒、及びエステルの製造方法
26日前
日油株式会社
無線起爆雷管および無線起爆雷管用アンテナ
1か月前
日油株式会社
イソプロぺニルフェノール共重合体の製造方法
1か月前
国立研究開発法人物質・材料研究機構
樹脂組成物
2か月前
日油株式会社
保護層形成用組成物、保護層、及び保護層の製造方法
1か月前
日油株式会社
共重合体、半導体封止用改質剤及び半導体封止材組成物
1か月前
日油株式会社
重合体、水系塗料用表面調整剤および硬化性樹脂組成物
19日前
学校法人近畿大学
眼表面薬物滞留化剤および該剤を含有する点眼剤
2か月前
日油株式会社
動物油脂風味増強剤、動物油脂含有飲食品、及び動物油脂風味増強方法
2か月前
日油株式会社
無線起爆システム用中継装置および中継装置用アンテナおよび起爆方法
1か月前
日油株式会社
水中油型乳化油脂組成物、および水中油型乳化油脂組成物を含有する食品
1か月前
日油株式会社
製菓用液糖組成物およびその製造方法、ケーキ生地およびその製造方法、ならびにケーキ
1か月前
日油株式会社
接着剤組成物、光溶融型接着剤、光溶融型接着剤を用いた積層体および光溶融型接着剤を用いた製造方法
1か月前
日油株式会社
高純度の2-アミノエチルメタクリレート塩酸塩及び該塩酸塩を構成単位として含む共重合体、並びに、2-アミノエチルメタクリレート塩酸塩の製造方法
1か月前
個人
調理用ガス窯
2か月前
続きを見る
他の特許を見る