TOP
|
特許
|
意匠
|
商標
特許ウォッチ
Twitter
他の特許を見る
公開番号
2024165502
公報種別
公開特許公報(A)
公開日
2024-11-28
出願番号
2023081757
出願日
2023-05-17
発明の名称
アンモニア分解ガス発生装置
出願人
三浦工業株式会社
代理人
弁理士法人酒井国際特許事務所
主分類
C01B
3/04 20060101AFI20241121BHJP(無機化学)
要約
【課題】アンモニア分解ガス発生装置において、ガス設備を複雑化させずにアンモニアのリークを抑制すること。
【解決手段】アンモニア分解ガス発生装置1は、触媒を含み、反応温度下でアンモニアガスを分解して分解ガスを生成する反応器2と、反応器2に導入されるアンモニアガスが流れるアンモニアガス導入ライン3と、反応器2において生成された分解ガスが流れる分解ガス導出ライン4と、アンモニアガスの分解停止時に、アンモニアガス導入ライン3に置換ガスとして水蒸気を供給する蒸気供給部5と、を備える。
【選択図】図1
特許請求の範囲
【請求項1】
触媒を含み、反応温度下でアンモニアガスを分解して分解ガスを生成する反応器と、
前記反応器に導入される前記アンモニアガスが流れるアンモニアガス導入ラインと、
前記反応器において生成された前記分解ガスが流れる分解ガス導出ラインと、
前記アンモニアガスの分解停止時に、前記アンモニアガス導入ラインに置換ガスとして水蒸気を供給する蒸気供給部と、を備える、
アンモニア分解ガス発生装置。
続きを表示(約 390 文字)
【請求項2】
前記分解ガスを前記反応器に導入される前の前記アンモニアガスと熱交換させる分解ガス熱交換器をさらに備え、
前記蒸気供給部は、前記分解ガス熱交換器を通過した前記分解ガスの熱により水蒸気を生成する、
請求項1に記載のアンモニア分解ガス発生装置。
【請求項3】
前記アンモニアガス導入ラインを開閉する第1バルブと、
前記分解ガス導出ラインを開閉する第2バルブと、をさらに備え、
前記第1バルブおよび前記第2バルブは、前記蒸気供給部による水蒸気置換後に、開弁状態から閉弁状態に切り替わる、
請求項1に記載のアンモニア分解ガス発生装置。
【請求項4】
前記分解ガス導出ラインに設けられ、アンモニアを検知するアンモニアセンサをさらに備える、
請求項1に記載のアンモニア分解ガス発生装置。
発明の詳細な説明
【技術分野】
【0001】
本明細書で開示する技術は、アンモニア分解ガス発生装置に関する。
続きを表示(約 1,100 文字)
【背景技術】
【0002】
アンモニアは、水素キャリアや、カーボンフリーな燃料としての用途が提案されている。AXガスは、アンモニアを熱分解によって生成される水素:窒素=1:3の組成のガスである。AXガスは、金属表面処理ガスとして用いられることが知られているが、水素ガス利用設備、水素ガス利用機器において燃料として利用されうる。
【0003】
特許文献1には、触媒が収容された改質器内で、ヒータによりアンモニアガスを900℃に加熱することで、水素と窒素を主成分とする改質ガスに分解する構成が開示されている。
【先行技術文献】
【特許文献】
【0004】
特開2005-145748号公報
【発明の概要】
【発明が解決しようとする課題】
【0005】
アンモニアガスの分解を停止した際に、装置内に存在するアンモニアは分解されずに残留する。アンモニアは人体に毒性を有するため、残留したアンモニアの装置外へのリークを抑制する必要がある。
【0006】
残留したアンモニアのリークを抑制する手段としては、例えば装置内のガス流通空間を置換ガス(窒素ガスや空気など)で置換することが考えられるが、置換ガスの貯留および供給に高圧ボンベを用いるなど、ガス設備が複雑になるという課題がある。アンモニア分解ガス発生装置において、ガス設備を複雑化させずにアンモニアのリークを抑制することが望まれる。
【0007】
本明細書で開示する技術は、アンモニア分解ガス発生装置において、ガス設備を複雑化させずにアンモニアのリークを抑制することを目的とする。
【課題を解決するための手段】
【0008】
本明細書は、アンモニア分解ガス発生装置を開示する。アンモニア分解ガス発生装置は、触媒を含み、反応温度下でアンモニアガスを分解して分解ガスを生成する反応器と、反応器に導入されるアンモニアガスが流れるアンモニアガス導入ラインと、反応器において生成された分解ガスが流れる分解ガス導出ラインと、アンモニアガスの分解停止時に、アンモニアガス導入ラインに置換ガスとして水蒸気を供給する蒸気供給部と、を備える。
【発明の効果】
【0009】
本明細書で開示する技術によれば、アンモニア分解ガス発生装置において、ガス設備を複雑化させずにアンモニアのリークを抑制することができる。
【図面の簡単な説明】
【0010】
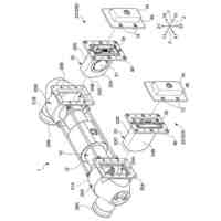
図1は、実施形態に係るアンモニア分解ガス発生装置を模式的に示す図である。
【発明を実施するための形態】
(【0011】以降は省略されています)
この特許をJ-PlatPat(特許庁公式サイト)で参照する
関連特許
三浦工業株式会社
燃焼装置
16日前
三浦工業株式会社
貫流ボイラ
7日前
三浦工業株式会社
ガス化装置
10日前
三浦工業株式会社
汚泥減容方法
22日前
三浦工業株式会社
台数制御装置
21日前
三浦工業株式会社
劣化検出装置
21日前
三浦工業株式会社
燃焼システム
14日前
三浦工業株式会社
水素燃焼ボイラ
1か月前
三浦工業株式会社
水蒸気発生装置
14日前
三浦工業株式会社
ウエスコポンプ
14日前
三浦工業株式会社
汚泥乾燥加熱釜
2日前
三浦工業株式会社
二重管接続構造
15日前
三浦工業株式会社
熱媒供給システム
28日前
三浦工業株式会社
汚泥減容システム
14日前
三浦工業株式会社
水素貯蔵供給装置
10日前
三浦工業株式会社
船舶用発電システム
21日前
三浦工業株式会社
精製水供給システム
2日前
三浦工業株式会社
コンピュータプログラム
3日前
三浦工業株式会社
燃焼装置、アンモニア評価方法
7日前
東京瓦斯株式会社
電力供給システム
14日前
メタウォーター株式会社
焼却システム及び燃焼制御方法
1か月前
メタウォーター株式会社
焼却システム及び熱媒供給制御方法
1か月前
株式会社タクマ
固体炭素化設備
7日前
三菱重工業株式会社
加熱装置
7日前
東ソー株式会社
CHA型ゼオライトの製造方法
17日前
東ソー株式会社
CHA型ゼオライトの製造方法
17日前
日揮触媒化成株式会社
珪酸液およびその製造方法
10日前
株式会社小糸製作所
水分解装置
25日前
株式会社小糸製作所
水素発生装置
25日前
デンカ株式会社
窒化ケイ素粉末
9日前
デンカ株式会社
窒化ケイ素粉末
9日前
株式会社三井E&S
アンモニア改質装置
17日前
三菱ケミカル株式会社
槽の洗浄方法及びシリカ粒子の製造方法
15日前
デンカ株式会社
窒化ケイ素粉末の製造方法
14日前
デンカ株式会社
セラミックス粉末の製造方法
14日前
大阪瓦斯株式会社
酸化物複合体
15日前
続きを見る
他の特許を見る