TOP
|
特許
|
意匠
|
商標
特許ウォッチ
Twitter
他の特許を見る
公開番号
2025178344
公報種別
公開特許公報(A)
公開日
2025-12-05
出願番号
2025154244,2021111658
出願日
2025-09-17,2021-07-05
発明の名称
炭化物処理装置及び炭化物処理方法
出願人
株式会社神鋼環境ソリューション
代理人
弁理士法人R&C
主分類
C10B
53/00 20060101AFI20251128BHJP(石油,ガスまたはコークス工業;一酸化炭素を含有する工業ガス;燃料;潤滑剤;でい炭)
要約
【課題】省エネを実現する炭化物処理装置及び炭化物処理方法を提供する。
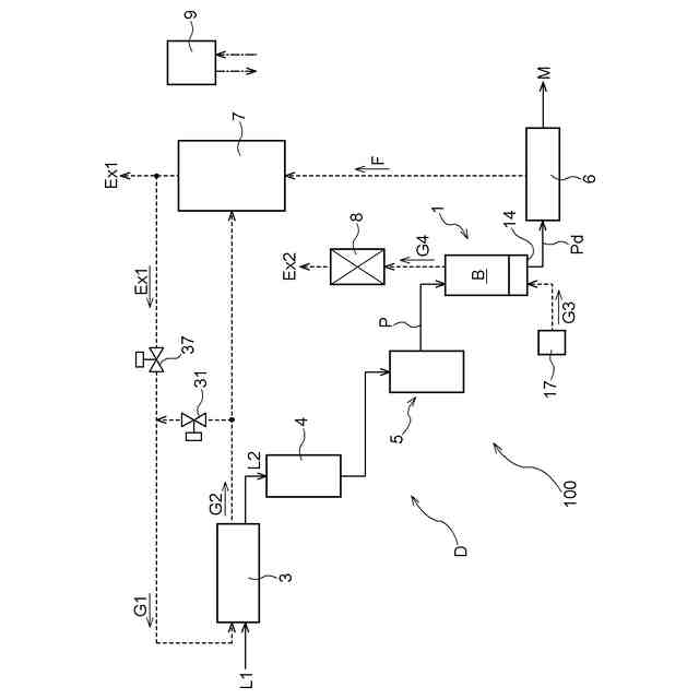
【解決手段】炭化物処理装置100は、予備乾燥された炭化対象物を層状に堆積させた状態で仕上げ乾燥を行い、仕上げ乾燥された炭化対象物を得る乾燥処理部Dと、乾燥処理部Dにおいて仕上げ乾燥された炭化対象物を炭化処理して燃料を製造する炭化処理部6と、を備え、乾燥処理部Dが、炭化対象物の堆積層Bの下部から乾燥用ガスG3を通気する通気部17と、堆積層Bの下部の炭化対象物を炭化処理部6に供給する排出部14と、を有する。
【選択図】図1
特許請求の範囲
【請求項1】
予備乾燥された炭化対象物を層状に堆積させた状態で仕上げ乾燥を行い、仕上げ乾燥された炭化対象物を得る乾燥処理部と、
前記乾燥処理部において仕上げ乾燥された炭化対象物を炭化処理して燃料を製造する炭化処理部と、を備え、
前記乾燥処理部が、
炭化対象物の堆積層の下部から乾燥用ガスを通気する通気部と、
前記堆積層の下部の炭化対象物を前記炭化処理部に供給する排出部と、を有する炭化物処理装置。
続きを表示(約 620 文字)
【請求項2】
前記乾燥処理部に供給される予備乾燥された炭化対象物の含水率が5重量%以上25重量%以下である請求項1に記載の炭化物処理装置。
【請求項3】
前記乾燥処理部が、前記炭化対象物を予備乾燥する予備乾燥機と、前記仕上げ乾燥を行う本乾燥機と、を有する請求項1に記載の炭化物処理装置。
【請求項4】
前記炭化処理部から排出された排気ガスを燃焼させる燃焼部を更に備え、
前記予備乾燥機は、前記燃焼部の燃焼排ガスを熱源として前記炭化対象物を予備乾燥する請求項3に記載の炭化物処理装置。
【請求項5】
前記乾燥処理部から排出された排気ガスを脱臭する脱臭部を更に備え、
前記燃焼部が、前記炭化処理部から排出された排気ガスと前記予備乾燥機から排出された排気ガスとを燃焼させる請求項4に記載の炭化物処理装置。
【請求項6】
予備乾燥された炭化対象物を層状に堆積させた状態で仕上げ乾燥を行い、仕上げ乾燥された炭化対象物を得る乾燥処理ステップと、
前記乾燥処理ステップにおいて仕上げ乾燥された炭化対象物を炭化処理して燃料を製造する炭化処理ステップと、を含み、
前記乾燥処理ステップが、
炭化対象物の堆積層の下部から乾燥用ガスを通気する通気ステップと、
前記堆積層の下部の前記炭化対象物を切り出す切出ステップと、を有する炭化物処理方法。
発明の詳細な説明
【技術分野】
【0001】
本発明は、炭化物処理装置及び炭化物処理方法に関する。
続きを表示(約 1,600 文字)
【背景技術】
【0002】
下水汚泥などの有機性廃棄物(炭化対象物)は、脱水及び乾燥後に加熱炉などで炭化されて、燃料として再利用されている(例えば、特許文献1参照)。
【0003】
特許文献1には、排水処理などで生じた含水バイオマス(有機物含有汚泥、炭化対象物の一例)を炭化してバイオマス炭化物を得るバイオマス炭化物製造システム(炭化物処理装置の一例)が記載されている。このシステムは、下水汚泥等の含水バイオマスを脱水する脱水装置、当該脱水装置で脱水後の含水バイオマスを乾燥させて乾燥バイオマスを生成する乾燥処理部、当該乾燥処理部から供給された乾燥バイオマスを炭化させてバイオマス炭化物を生成する炭化処理部、炭化処理部で発生した熱分解ガスを燃焼させて焼却する熱分解ガス焼却部、及び、運転を制御するための制御装置を備えている。
【先行技術文献】
【特許文献】
【0004】
特開2019-137739号公報
【発明の概要】
【発明が解決しようとする課題】
【0005】
炭化対象物を炭化する際には、炭化対象物に含まれる水分量が少ないほど、炭化に供する熱エネルギーが少なくて済むためシステムが省エネ化される。しかし、従来の炭化物処理装置では、炭化対象物を十分に乾燥させようとすると、炭化対象物が粉化し、また、粉化によりハンドリング性を低下させてしまう問題が生じる場合があった。そのため、従来の炭化物処理装置では、炭化対象物の粉化を抑制しつつ含水率を低減する必要があり、更なる省エネ化の余地があった。
【0006】
本発明は、かかる実状に鑑みて為されたものであって、その目的は、省エネを実現する炭化物処理装置及び炭化物処理方法を提供することにある。
【課題を解決するための手段】
【0007】
上記目的を達成するための本発明に係る炭化物処理装置の特徴構成は、予備乾燥された炭化対象物を層状に堆積させた状態で仕上げ乾燥を行い、仕上げ乾燥された炭化対象物を得る乾燥処理部と、前記乾燥処理部において仕上げ乾燥された炭化対象物を炭化処理して燃料を製造する炭化処理部と、を備え、前記乾燥処理部が、炭化対象物の堆積層の下部から乾燥用ガスを通気する通気部と、前記堆積層の下部の炭化対象物を前記炭化処理部に供給する排出部と、を有する点にある。
【0008】
上記目的を達成するための本発明に係る炭化物処理方法の特徴構成は、予備乾燥された炭化対象物を層状に堆積させた状態で仕上げ乾燥を行い、仕上げ乾燥された炭化対象物を得る乾燥処理ステップと、前記乾燥処理ステップにおいて仕上げ乾燥された炭化対象物を炭化処理して燃料を製造する炭化処理ステップと、を含み、前記乾燥処理ステップが、炭化対象物の堆積層の下部から乾燥用ガスを通気する通気ステップと、前記堆積層の下部の前記炭化対象物を切り出す切出ステップと、を有する点にある。
【0009】
上記各構成によれば、予備乾燥された前記炭化対象物を乾燥処理部で仕上げ乾燥する。このように乾燥を予備乾燥と仕上げ乾燥との二段階で行うことで、炭化対象物の含水率が高い場合にはこれに合わせた乾燥条件とし、炭化対象物の含水率が予備乾燥で予定していたよりも低くなった場合にはこれに合わせた乾燥条件として、炭化対象物の含水率に対して適切な乾燥条件を設定できる。これにより、炭化対象物を十分に乾燥させて、炭化処理で必要な熱エネルギーを削減(省エネを実現)することができる。
【0010】
上記各構成によれば、炭化対象物を層状に堆積させた状態、すなわち、静止層の状態で仕上げ乾燥する。そのため、炭化対象物が運動し、またこの運動により炭化対象物相互に衝突するなどして粉化する不具合を回避できる。これにより、粉化に伴う炭化処理の不具合を防止して、省エネを実現できる。
(【0011】以降は省略されています)
この特許をJ-PlatPat(特許庁公式サイト)で参照する
関連特許
個人
液体化石燃料の改質方法
21日前
合同会社双晶
製炭方法
1か月前
日油株式会社
潤滑油組成物
7日前
株式会社クボタ
竪型の反応炉
15日前
三菱重工業株式会社
炭化炉
2日前
三洋化成工業株式会社
導電剤及び潤滑剤組成物
1か月前
株式会社ニッペコ
潤滑組成物
29日前
ENEOS株式会社
グリース組成物
1か月前
日本製鉄株式会社
コークスの粉化量予測方法
1か月前
株式会社アイシン
潤滑油
今日
出光興産株式会社
ディーゼル燃料油組成物
1日前
株式会社ダイゾー
グリース組成物
1か月前
三菱重工業株式会社
炉壁及びガス化炉並びに炉壁の製造方法
1か月前
旭化成株式会社
炭素数6~8の炭化水素含有留分の製造方法
1か月前
三菱重工業株式会社
燃料製造システム、及び燃料製造方法
1か月前
ENEOS株式会社
炭化水素製造装置
15日前
日本製鉄株式会社
電気炉用炭材および電気炉用炭材の製造方法
7日前
日本製鉄株式会社
煉瓦プレハブブロックの配置構造、配置方法
2日前
ENEOS株式会社
グリース組成物
1か月前
コスモ石油株式会社
ガソリン組成物およびガソリン組成物の製造方法
1か月前
株式会社シーヴイテック
合成燃料製造方法及び合成燃料製造装置
1か月前
コスモ石油株式会社
ガソリン組成物およびガソリン組成物の製造方法
1か月前
日鉄環境株式会社
安水中の懸濁物質及び油分の除去方法、並びに安水用高分子凝集剤
1か月前
株式会社ブリヂストン
熱分解油、エラストマー、ゴム製品、及び樹脂製品
1か月前
株式会社ダイセル
アルミニウム合金製摺動部材用潤滑剤
今日
株式会社ブリヂストン
熱分解油、エラストマー、ゴム製品、及び樹脂製品
1か月前
株式会社ブリヂストン
熱分解油、エラストマー、ゴム製品、及び樹脂製品
1か月前
日鉄エンジニアリング株式会社
コークス乾式消火設備及びそのスローピングフリュー部構造
15日前
日本製鉄株式会社
煉瓦プレハブブロック、及びその製造方法、配置構造、配置方法
2日前
鉄建建設株式会社
ガス化方法及び半炭化燃料材の製造方法
15日前
株式会社デンソー
摺動機構
28日前
株式会社デンソー
摺動機構
28日前
個人
加熱処理装置および高炭化物の製造方法
21日前
日新電機株式会社
油入電気機器用の電気絶縁油基油、これを含有する電気絶縁油及び油入電気機器
1か月前
ENEOS株式会社
冷凍機油及び冷凍機用作動流体組成物
1か月前
株式会社神鋼環境ソリューション
炭化物処理装置及び炭化物処理方法
今日
続きを見る
他の特許を見る