TOP
|
特許
|
意匠
|
商標
特許ウォッチ
Twitter
他の特許を見る
公開番号
2025159202
公報種別
公開特許公報(A)
公開日
2025-10-17
出願番号
2025137504,2022518086
出願日
2025-08-21,2021-04-27
発明の名称
冷凍機油及び冷凍機用作動流体組成物
出願人
ENEOS株式会社
代理人
個人
,
個人
,
個人
,
個人
主分類
C10M
169/04 20060101AFI20251009BHJP(石油,ガスまたはコークス工業;一酸化炭素を含有する工業ガス;燃料;潤滑剤;でい炭)
要約
【課題】すべり速度が比較的高い潤滑領域においても優れた低摩擦特性を有する冷凍機油を提供すること。
【解決手段】本発明の一側面は、潤滑油基油と、不飽和カルボン酸エステルを単量体単位として含む重合体と、を含有し、不飽和カルボン酸エステルが、不飽和カルボン酸と下記一般式(1)で表される炭化水素基を有するアルコールとのエステルを含む、冷凍機油を提供する。
<com:Image com:imageContentCategory="Drawing"> <com:ImageFormatCategory>TIFF</com:ImageFormatCategory> <com:FileName>2025159202000007.tif</com:FileName> <com:HeightMeasure com:measureUnitCode="Mm">17</com:HeightMeasure> <com:WidthMeasure com:measureUnitCode="Mm">149</com:WidthMeasure> </com:Image>
式(1)において、xは5~18の整数を示し、yは3~18の整数を示す。
【選択図】なし
特許請求の範囲
【請求項1】
潤滑油基油と、
不飽和カルボン酸エステルを単量体単位として含む重合体と、を含有し、
前記不飽和カルボン酸エステルが、不飽和カルボン酸と下記一般式(1)で表される炭化水素基を有するアルコールとのエステルEgと、不飽和カルボン酸と炭素数1~18の直鎖アルキル基を有する脂肪族アルコールとのエステルEsと、を含み、
40℃における動粘度が6mm
2
/s以下であり、炭化水素冷媒のみからなる冷媒と共に用いられる、冷凍機油。
TIFF
2025159202000006.tif
17
149
(式(1)において、xは5~18の整数を示し、yは3~18の整数を示す。)
続きを表示(約 410 文字)
【請求項2】
前記潤滑油基油が、40℃における動粘度が6mm
2
/s未満の第1の炭化水素系基油を含む、請求項1に記載の冷凍機油。
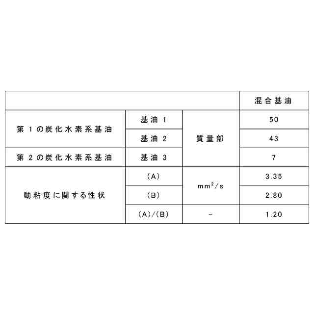
【請求項3】
前記潤滑油基油が、前記第1の炭化水素系基油と、40℃における動粘度が6mm
2
/s以上の第2の炭化水素系基油との混合基油であり、かつ、
前記混合基油の40℃における動粘度を(A)とし、前記第1の炭化水素系基油の40℃における動粘度を(B)としたときに、(A)/(B)が1を超え1.5以下である、請求項2に記載の冷凍機油。
【請求項4】
前記重合体の含有量が、冷凍機油全量基準で5質量%以下である、請求項1~3のいずれか一項に記載の冷凍機油。
【請求項5】
請求項1~4のいずれか一項に記載の冷凍機油と、
炭化水素冷媒のみからなる冷媒と、を含有する冷凍機用作動流体組成物。
発明の詳細な説明
【技術分野】
【0001】
本発明は、冷凍機油及び冷凍機用作動流体組成物に関する。
続きを表示(約 1,500 文字)
【背景技術】
【0002】
冷蔵庫等の冷凍機は、圧縮機、凝縮器、膨張機構(膨張弁、キャピラリ)、蒸発器等を有する冷媒循環システムを備えており、冷媒がこの冷媒循環システム内を循環することで熱交換が行われている。
【0003】
冷凍機用圧縮機は、ロータリー式圧縮機、ピストン・クランク式圧縮機等がある。例えば、ピストン・クランク式圧縮機では、モータの回転運動をコンロッドで往復運動に変換し、当該コンロッドと連結したピストンを往復運動させることで、冷媒を圧縮する。冷凍機油は、圧縮機内に冷媒とともに封入され、例えばコンロッドやピストン等の摺動部材を潤滑する。このような冷凍機油として、例えば下記特許文献1では、比較的低粘度の鉱油と、特定の共重合体とを含む冷凍機油が開示されている。
【先行技術文献】
【特許文献】
【0004】
特開2018-83920号公報
【発明の概要】
【発明が解決しようとする課題】
【0005】
従来の冷凍機油を低粘度化すると、流体潤滑領域における低摩擦化にはある程度有効であるものの、弾性流体潤滑領域及び混合潤滑領域、或いは境界潤滑領域といった低すべり速度領域では、金属間接触機会が増え、かえって摩擦が増加する傾向にある。また、例えば上述した従来の冷凍機油は、高い摩擦係数となる境界潤滑領域における低摩擦化にはある程度有効性が期待されるものの、圧縮機の効率改善には、必ずしも十分ではなかった。特に、本発明者らが着目する、すべり速度低下に伴い急激に摩擦係数が増加し始める、すべり速度の比較的高い潤滑領域(弾性流体潤滑領域又は混合潤滑領域)においては低摩擦化の効果を十分に得ることができず、この点において未だ改善の余地がある。
【0006】
本発明は、このような実情に鑑みてなされたものであり、特に、上記のような、すべり速度が比較的高い潤滑領域においても優れた低摩擦特性を有する冷凍機油を提供することを目的とする。
【課題を解決するための手段】
【0007】
本発明の一側面は、潤滑油基油と、不飽和カルボン酸エステルを単量体単位として含む重合体と、を含有し、不飽和カルボン酸エステルが、不飽和カルボン酸と下記一般式(1)で表される炭化水素基を有するアルコールとのエステルを含む、冷凍機油を提供する。
TIFF
2025159202000001.tif
17
149
式(1)において、xは5~18の整数を示し、yは3~18の整数を示す。
【0008】
不飽和カルボン酸エステルは、不飽和カルボン酸と一般式(1)で表される炭化水素基以外のアルキル基を有するアルコールとのエステルを更に含んでよい。
【0009】
潤滑油基油は、40℃における動粘度が6mm
2
/s未満の第1の炭化水素系基油を含んでいてよい。この場合、潤滑油基油は、第1の炭化水素系基油と、40℃における動粘度が6mm
2
/s以上の第2の炭化水素系基油との混合基油であり、かつ、混合基油の40℃における動粘度を(A)とし、第1の炭化水素系基油の40℃における動粘度を(B)としたときに、(A)/(B)が1を超え1.5以下であってもよい。
【0010】
重合体の含有量は、冷凍機油全量基準で5質量%以下であってよい。
(【0011】以降は省略されています)
この特許をJ-PlatPat(特許庁公式サイト)で参照する
関連特許
ENEOS株式会社
グリース組成物
23日前
ENEOS株式会社
グリース組成物
15日前
ENEOS株式会社
情報処理装置、情報処理方法及びプログラム
1か月前
ENEOS株式会社
情報処理装置、情報処理方法及びプログラム
1か月前
ENEOS株式会社
状態判定装置、状態判定プログラム、及び状態判定システム
1か月前
ENEOS株式会社
状態解析装置、状態解析プログラム、及び状態解析システム
1か月前
ENEOS株式会社
配船計画作成装置、配船計画作成方法、及び配船計画作成プログラム
1か月前
株式会社ブリヂストン
熱分解油、エラストマー、ゴム製品、及び樹脂製品
14日前
株式会社ブリヂストン
熱分解油、エラストマー、ゴム製品、及び樹脂製品
14日前
株式会社ブリヂストン
熱分解油、エラストマー、ゴム製品、及び樹脂製品
14日前
ENEOS株式会社
冷凍機油及び冷凍機用作動流体組成物
1か月前
ENEOS株式会社
カーシェアリング管理システム、カーシェアリング管理方法およびコンピュータプログラム
今日
株式会社Preferred Networks
情報処理装置、情報処理方法、及びプログラム
今日
個人
液体化石燃料の改質方法
5日前
三洋化成工業株式会社
導電剤及び潤滑剤組成物
21日前
株式会社ニッペコ
潤滑組成物
13日前
ENEOS株式会社
グリース組成物
23日前
日本製鉄株式会社
コークスの粉化量予測方法
21日前
旭化成株式会社
炭素数6~8の炭化水素含有留分の製造方法
20日前
三菱重工業株式会社
燃料製造システム、及び燃料製造方法
15日前
ENEOS株式会社
グリース組成物
15日前
株式会社シーヴイテック
合成燃料製造方法及び合成燃料製造装置
15日前
日鉄環境株式会社
安水中の懸濁物質及び油分の除去方法、並びに安水用高分子凝集剤
23日前
株式会社ブリヂストン
熱分解油、エラストマー、ゴム製品、及び樹脂製品
14日前
株式会社ブリヂストン
熱分解油、エラストマー、ゴム製品、及び樹脂製品
14日前
株式会社ブリヂストン
熱分解油、エラストマー、ゴム製品、及び樹脂製品
14日前
株式会社デンソー
摺動機構
12日前
株式会社デンソー
摺動機構
12日前
個人
加熱処理装置および高炭化物の製造方法
5日前
日新電機株式会社
油入電気機器用の電気絶縁油基油、これを含有する電気絶縁油及び油入電気機器
26日前
個人
添加剤、添加剤の製造方法、添加剤含有潤滑油および添加剤含有潤滑油の製造方法。
7日前
株式会社レゾナック
石油系ピッチの製造方法及び石油系ピッチ
28日前
アフトン・ケミカル・コーポレーション
ギア流体及び湿式ブレーキ用潤滑組成物
13日前
ペトロリアム ナショナル ブルハド (ペトロナス)
摩擦及び摩耗低減添加剤
14日前
シェブロン・オロナイト・テクノロジー・ビー.ブイ.
ハイブリッド車用の潤滑油組成物
28日前
アネロテック・インコーポレイテッド
プラスチックの流動床触媒熱分解プロセスにおける触媒及びガスから充填剤を分離する高効率プロセス
1日前
続きを見る
他の特許を見る