TOP
|
特許
|
意匠
|
商標
特許ウォッチ
Twitter
他の特許を見る
公開番号
2025168567
公報種別
公開特許公報(A)
公開日
2025-11-07
出願番号
2025148579,2022568412
出願日
2025-09-08,2021-03-09
発明の名称
連続フロー条件下でのロムスチンのスケールアップ合成
出願人
パーデュー・リサーチ・ファウンデーション
,
PURDUE RESEARCH FOUNDATION
代理人
個人
,
個人
,
個人
,
個人
,
個人
主分類
C07C
273/18 20060101AFI20251030BHJP(有機化学)
要約
【課題】連続フロー条件下でのロムスチンのスケールアップ合成の提供。
【解決手段】本開示は連続フロー製造を介したロムスチンのスケールアップ製造のための方法および装置を提供する。このような連続フロー方法は必要に応じてロムスチンの晶析を含んでもよく、装置は必要に応じてバッチまたは連続フロー設計のいずれかの晶析装置/反応器を含んでもよい。本開示の一態様ではロムスチンの作製方法であって、gram-flow反応器内で連続フローポンプを用いて2-クロロエチルイソシアネートの溶液をシクロヘキシルアミンの溶液で処理して混合溶液を形成することと、連続フローポンプを用いて脱イオン水を混合溶液に添加して液体-有機相溶液を形成することと、溶液から有機相を抽出することと、gram flow反応器内で連続フローポンプを用いて亜硝酸t-ブチルの溶液で処理してロムスチンを形成することとを含む方法が提供される。
【選択図】なし
特許請求の範囲
【請求項1】
本願明細書に記載の発明。
発明の詳細な説明
【技術分野】
【0001】
政府支援
本発明は、米国国立衛生研究所によって授与されたCA023168、米国国防高等研究計画局によって授与されたW911NF-16-2-0020、および米国食品医薬品局によって授与されたFD-U-006738の下で政府の支援を受けてなされた。政府は、本発明における一定の権利を有する。
続きを表示(約 2,300 文字)
【0002】
発明の分野
本開示は、連続フロー条件下で、スケーラブルなサイズでロムスチン薬物を合成する新規な方法を提供する。
【背景技術】
【0003】
背景
広く使用されている抗がん剤であるロムスチンは、クロロエチルカルボニウムイオンおよびカルバミル化中間体をインビボで生成する高度に親油性のアルキル化剤である。これらの求電子性化合物は、DNA上の求核部位を攻撃してアルキル化生成物を形成する。マイトマイシンC、ストレプトニグリン、ブレオマイシン、およびアントラサイクリンなどの他の抗がん剤は、それらの細胞標的と反応するために生体内活性化を必要とするが、ロムスチンは事前活性化を必要としない。グアニンの最も反応性のN
7
位で付加物を形成するアルキル化剤とは異なり、ロムスチンなどのクロロエチル化化合物はO
6
で付加物を形成し、鎖間DNA架橋をもたらす。DNA修復が起こらない場合、この架橋はDNA複製中に二本鎖切断を引き起こし、最終的にアポトーシスを介して細胞死をもたらし得る。
【0004】
ロムスチン、1-(2-クロロエチル)-3-シクロヘキシル-1-ニトロソ-尿素(商品名:CCNU、CeeNU、Gleostine)は、6週間毎に投与される経口抗新生物剤として使用される。これは1960年後半の臨床試験で最初に評価され、原発性および転移性脳腫瘍ならびにホジキンリンパ腫について1976年に米国FDAによって承認された。Bristol-Myers Squibbは、当初、商標名CeeNuでこの薬剤の特許を保有していた。2014年に、Next Source Biotechnology LLC(NSB)が、商標名Gleostineでロムスチンをブランド再生することについてFDAによって承認された。ブランド再生されたGleostineの一用量の平均卸売価格は1,645.68ドルであるが、ジェネリック製剤の価格は203.38ドルである。Gleostineとジェネリック製剤との間の大きな価格の食い違い(800%超)は、患者のアクセスの問題を引き起こして、より低コストのロムスチンの必要性を生み出した。
【0005】
連続フロー合成は、効率的な方法論として報告されており、ここ数十年間、産業と学術の両方の研究機関で調査されてきた。伝統的なバッチ合成プロセスと比較して、フロー反応器は、迅速な混合ならびに温度、化学量論、圧力、および滞留時間などの反応パラメータの正確な制御のために、反応条件および選択性に対するより良好な制御を提供する。熱および物質移動能力の増強もまた、より安全で環境に優しい運転条件を提供する。一般に、連続フロー合成のこれらの態様は、改善された化学反応効率およびより短い反応時間に寄与し、プロセス強化、ならびに生成における改善された品質および一貫性を伴うより容易なスケールアップを可能にする。これらの因子によって動機付けられて、医薬品有効成分の連続フロー合成が最近より魅力的になってきたが、入れ子式に多段階反応を効率的に実行することは、後処理条件、溶媒スイッチ、および流量差から生じる課題のため、依然として難題のままである。さらに、連続フロー条件および分析の最適化には、時間および材料への多大な投資が必要である。
米国特許出願公開第20200115330A1号として現在公開されている第62/746,045号および第16/654,103号において、本発明者らは、連続フロー条件下でロムスチンを生成する新規な方法を開示している。本明細書において、本発明者らは、その内容が、添付書類Aの下で本開示の一部であり、その全体が参照により本明細書にさらに組み込まれる、米国特許出願公開第20200115330A1号として現在公開されている第62/746,045号および第16/654,103号に開示されているプロセスを改善する、連続フロー条件下でロムスチンを生成する新規な方法をさらに記載する。
【先行技術文献】
【特許文献】
【0006】
米国特許出願公開第20200115330A1号明細書
【発明の概要】
【課題を解決するための手段】
【0007】
概要
本開示の一態様では、ロムスチンを作製する方法であって、gram-flow反応器内で連続フローポンプを用いて2-クロロエチルイソシアネートの溶液をシクロヘキシルアミンの溶液で処理して混合溶液を形成することと、連続フローポンプを用いて脱イオン水を混合溶液に添加して液体-有機相溶液を形成することと、溶液から有機相を抽出することと、gram-flow反応器内で連続フローポンプを用いて亜硝酸t-ブチルの溶液で処理してロムスチンを形成することとを含む方法が提供される。
【0008】
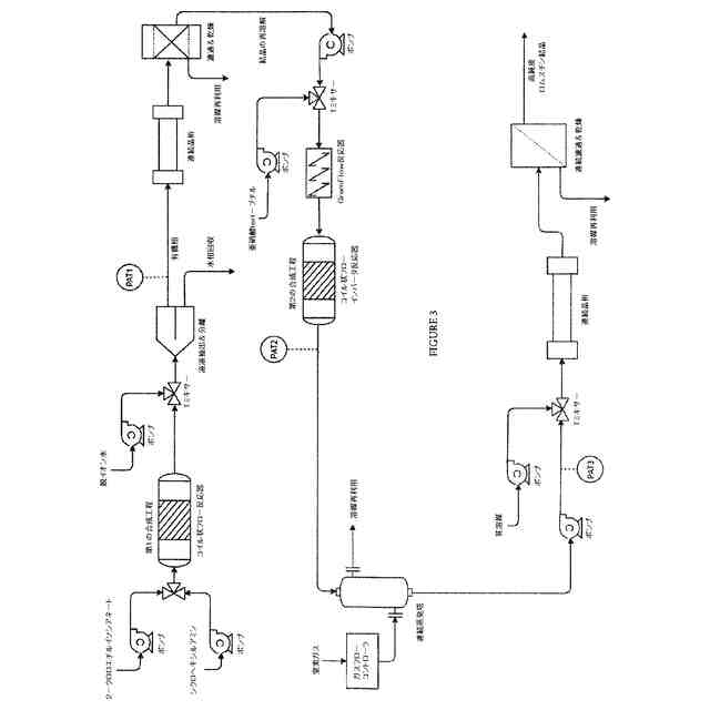
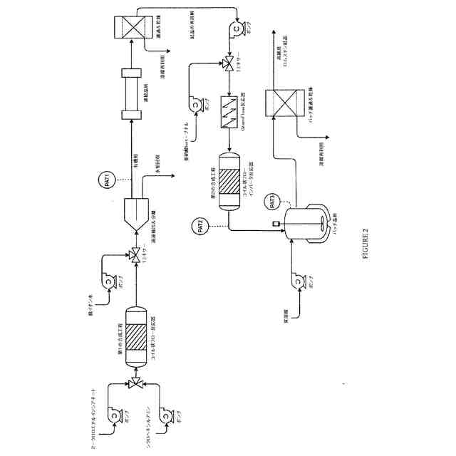
本開示の別の態様では、図2と実質的に同じ装置が提供される。
【0009】
本開示の追加の態様では、図3と実質的に同じ装置が提供される。
【図面の簡単な説明】
【0010】
図1は、ロムスチンを作製および晶析する図を示す。
図2は、ロムスチンを作製および晶析する図を示す。
図3は、ロムスチンを作製および晶析する図を示す。
【発明を実施するための形態】
(【0011】以降は省略されています)
この特許をJ-PlatPat(特許庁公式サイト)で参照する
関連特許
クミアイ化学工業株式会社
多形
11日前
東ソー株式会社
タンパク質の発現方法
1か月前
東ソー株式会社
炭素-窒素結合形成方法
4か月前
株式会社トクヤマ
四塩化炭素の製造方法
4か月前
株式会社トクヤマ
シロキサン類の回収方法
4か月前
株式会社トクヤマ
ビオチン誘導体の製造方法
3か月前
株式会社半導体エネルギー研究所
有機化合物
2か月前
株式会社半導体エネルギー研究所
有機化合物
11日前
栗田工業株式会社
ギ酸の回収方法
1か月前
株式会社トクヤマ
チオラクトン誘導体の製造方法
1か月前
東ソー株式会社
イソシアネート化合物の製造方法
2か月前
株式会社トクヤマ
ホルムアミド化合物の製造方法
2か月前
株式会社トクヤマ
ベンザゼピン化合物の製造方法
3か月前
株式会社コスモス
液状炭化水素の増産方法
3か月前
株式会社コスモス
液状炭化水素の増産方法
3か月前
artience株式会社
四塩基酸無水物の製造方法
4か月前
株式会社トクヤマ
チオファニウム塩誘導体の製造方法
13日前
信越化学工業株式会社
新規化合物
4か月前
日産化学株式会社
ピラゾール化合物及び有害生物防除剤
4か月前
日産化学株式会社
ピラゾール化合物及び有害生物防除剤
3か月前
三菱ケミカル株式会社
アルコールの製造方法
2か月前
国立大学法人東京農工大学
深共晶溶媒
2か月前
本田技研工業株式会社
CO2変換方法
1か月前
株式会社トクヤマ
サフィナミド若しくはその塩の製造方法
4か月前
大阪瓦斯株式会社
メタン製造システム
1か月前
旭化成株式会社
トリオキサンの製造方法
4か月前
株式会社トクヤマ
アシル化ベンゼン誘導体の酸塩の製造方法
2か月前
JNC株式会社
有機ケイ素化合物およびこれを用いた重合体
3か月前
JNC株式会社
有機ケイ素化合物およびこれを用いた重合体
2か月前
東ソー株式会社
免疫グロブリン結合性タンパク質の保存溶液
4か月前
キヤノン株式会社
有機化合物及び有機発光素子
1か月前
東ソー株式会社
免疫グロブリン結合性タンパク質の製造方法
1か月前
個人
IL-17産生誘導能を有する化合物及びその用途
1か月前
キヤノン株式会社
有機金属錯体及び有機発光素子
1か月前
株式会社半導体エネルギー研究所
有機金属錯体、発光デバイス
2か月前
国立大学法人京都大学
抗がん剤
2か月前
続きを見る
他の特許を見る