TOP
|
特許
|
意匠
|
商標
特許ウォッチ
Twitter
他の特許を見る
10個以上の画像は省略されています。
公開番号
2025155034
公報種別
公開特許公報(A)
公開日
2025-10-14
出願番号
2024058349
出願日
2024-03-30
発明の名称
表面被覆切削工具
出願人
三菱マテリアル株式会社
代理人
個人
主分類
B23B
27/14 20060101AFI20251003BHJP(工作機械;他に分類されない金属加工)
要約
【課題】耐久性を向上させた被覆層を有する表面被覆切削工具の提供
【解決手段】上部層は平均厚さが1.0~20.0μmα型Al
2
O
3
層を有し、下部層は平均厚さが1.0~20.0の(Al
X
Ti
1-X
)N(Xの平均値であるX
avg
は、0.40≦X
avg
<0.60)で表されるAlとTiの複合窒化物層を有し、上部層を構成する前記α型Al
2
O
3
結晶粒は、基体表面の法線方向と前記結晶粒の結晶面である{001}面の法線がなす角が0~10度の範囲に存在する結晶粒の面積割合が30%以上であり、下部層を構成する複合窒化物結晶粒はNaCl型面心立方構造を有し、基体表面の法線方向と前記結晶粒の結晶面である{111}面の法線がなす角が0~10度の範囲内に存在する結晶粒の面積割合が30%以上である表面被覆切削工具
【選択図】図1
特許請求の範囲
【請求項1】
基体と該基体の表面に被覆層を有する表面被覆切削工具であって、
前記被覆層は上部層、下部層を含み、
前記上部層は、平均厚さが1.0μm以上、20.0μm以下α型Al
2
O
3
層を有し、
前記下部層は、平均厚さが1.0μm以上、20.0μm以下の式:(Al
X
Ti
1-X
)N(Xの平均値であるX
avg
は、0.40≦X
avg
<0.60)で表される組成のAlとTiの複合窒化物層を有し、
前記被覆層の縦断面に対して電子線後方散乱回折法によって測定した前記上部層を構成するα型Al
2
O
3
結晶粒の結晶方位において、前記基体表面の法線方向と前記結晶粒の結晶面である{001}面の法線がなす角が0~10度の範囲に存在する結晶粒の面積割合が30%以上であり、
前記下部層を構成する複合窒化物結晶粒はNaCl型面心立方構造を有し、
前記縦断面に対して電子線後方散乱回折法によって測定した前記下部層を構成する複合窒化物結晶粒の結晶方位において、基体表面の法線方向と前記結晶粒の結晶面である{111}面の法線がなす角が0~10度の範囲内に存在する結晶粒の面積割合が30%以上である
ことを特徴とする表面被覆切削工具。
続きを表示(約 220 文字)
【請求項2】
前記上部層と前記下部層との間に中間層として、Tiの炭化物層、窒化物層、炭窒化物層、炭酸化物層および炭窒酸化物層のうちの1層以上のTi化合物層からなり、0.1~5.0μmの合計平均厚さを有するTi化合物層を有することを特徴とする請求項1に記載の表面被覆切削工具
【請求項3】
前記Ti化合物層中の層のうち、前記上部層に接する層が炭窒酸化物層であることを特徴する請求項2に記載の表面被覆切削工具。
発明の詳細な説明
【技術分野】
【0001】
本発明は、表面被覆切削工具(以下、被覆工具ということがある)に関するものである。
続きを表示(約 1,700 文字)
【背景技術】
【0002】
炭化タングステン(以下、WCで示す)基超硬合金等の基体の表面に、被覆層を形成した被覆工具が知られており、優れた耐摩耗性を発揮している。
そして、被覆工具の耐久性を向上させるべく、被覆層の改善についての種々の提案がなされている。
【0003】
例えば、特許文献1には、窒化チタンアルミニウムの被覆層を有し、前記窒化チタンアルミニウムの被覆層は結晶構造が立方晶であってアルミニウム含有量が0.3~60.0質量%、塩素含有量が0.01~2質量%である被覆工具が記載され、該被覆工具は被覆層の密着性が高いとされている。
【0004】
また、例えば、特許文献2には、被覆層として、Ti
x
Al
1-x
NおよびTi
y
Al
1-y
N(0≦x<0.5、0.5<y≦1)なる2種類の化合物を、交互に繰り返して積層し、積層体の全体組成として化学量論的にアルミニウムリッチになるものとした被覆工具が記載され、該被覆工具は耐摩耗性に優れ、高速切削や高硬度材料の切削において耐久性を有するとされている。
【0005】
さらに、例えば、特許文献3には、JCPDS記載の格子定数に対し、0.997~1.005倍の格子定数を有し、厚さが0.01~50μmである気相合成法によって基材表面に形成された金属窒化物からなる硬質被膜を有する被覆工具が記載され、該被覆工具は耐摩耗性に優れるとされている。
【先行技術文献】
【特許文献】
【0006】
特開2001-341008号公報
特開平7-97679号公報
特開平11-335813号公報
【発明の概要】
【発明が解決しようとする課題】
【0007】
本発明は、前記事情や前記提案を鑑みてなされたものであって、切削加工において耐久性を向上させた被覆層を有する被覆工具を提供することを目的とする。
【課題を解決するための手段】
【0008】
本発明の実施形態に係る表面被覆切削工具は、
基体と該基体の表面に被覆層を有し、
前記被覆層は上部層、下部層を含み、
前記上部層は、平均厚さが1.0μm以上、20.0μm以下α型Al
2
O
3
層を有し、
前記下部層は、平均厚さが1.0μm以上、20.0μm以下の式:(Al
X
Ti
1-X
)N(Xの平均値であるX
avg
は、0.40≦X
avg
<0.60)で表される組成のAlとTiの複合窒化物層を有し、
前記被覆層の縦断面に対して電子線後方散乱回折法によって測定した前記上部層を構成するα型Al
2
O
3
結晶粒の結晶方位において、前記基体表面の法線方向と前記結晶粒の結晶面である{001}面の法線がなす角が0~10度の範囲に存在する結晶粒の面積割合が30%以上であり、
前記下部層を構成する複合窒化物結晶粒はNaCl型面心立方構造を有し、
前記縦断面に対して電子線後方散乱回折法によって測定した前記下部層を構成する複合窒化物結晶粒の結晶方位において、基体表面の法線方向と前記結晶粒の結晶面である{111}面の法線がなす角が0~10度の範囲内に存在する結晶粒の面積割合が30%以上である。
【0009】
さらに、前記実施形態に係る表面被覆切削工具は、以下の(1)または(1)および(2)の事項を満足してもよい。
【0010】
(1)前記上部層と前記下部層との間に中間層として、Tiの炭化物層、窒化物層、炭窒化物層、炭酸化物層および炭窒酸化物層のうちの1層以上のTi化合物層からなり、0.1~5.0μmの合計平均厚さを有するTi化合物層を有すること。
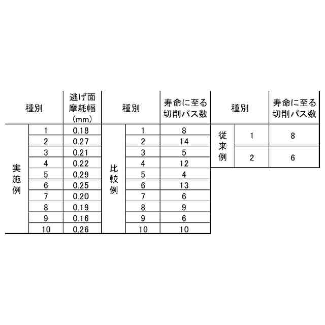
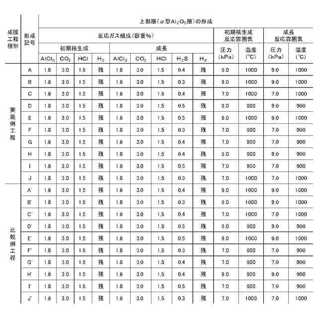
(【0011】以降は省略されています)
この特許をJ-PlatPat(特許庁公式サイト)で参照する
関連特許
個人
フライス盤
2か月前
個人
加工機
6か月前
麗豊実業股フン有限公司
ラクトバチルス・パラカセイNB23菌株及びそれを筋肉量の増加や抗メタボリック症候群に用いる用途
6か月前
株式会社不二越
ドリル
6か月前
日東精工株式会社
ねじ締め機
1か月前
株式会社北川鉄工所
回転装置
5か月前
日東精工株式会社
ねじ締め機
2か月前
日東精工株式会社
ねじ締め機
3か月前
日東精工株式会社
ねじ締め機
6か月前
株式会社ダイヘン
溶接電源装置
4か月前
ダイニチ工業株式会社
配膳治具
22日前
キヤノン電子株式会社
加工装置
19日前
日東精工株式会社
ねじ締め装置
4か月前
株式会社ダイヘン
溶接電源装置
3か月前
株式会社ダイヘン
溶接電源装置
4か月前
日東精工株式会社
ねじ締め装置
2か月前
個人
切削油供給装置
3か月前
日東精工株式会社
ねじ整列トレー
14日前
株式会社FUJI
工作機械
4か月前
株式会社FUJI
工作機械
5か月前
株式会社FUJI
工作機械
1か月前
株式会社FUJI
工作機械
1か月前
株式会社アンド
半田付け方法
6か月前
株式会社アンド
半田付け方法
2か月前
キヤノン電子株式会社
加工システム
3か月前
株式会社アンド
半田付け方法
6か月前
株式会社富田製作所
支持構造
27日前
個人
型枠製造装置のフレーム
1か月前
中国電力株式会社
養生シート
1か月前
睦月電機株式会社
金属表面処理方法
19日前
株式会社ツガミ
工作機械
2か月前
村田機械株式会社
レーザ加工機
6か月前
大見工業株式会社
ドリル
3か月前
村田機械株式会社
レーザ加工機
6か月前
株式会社向洋技研
スタッドの製造方法
21日前
株式会社トヨコー
被膜除去方法
6か月前
続きを見る
他の特許を見る