TOP
|
特許
|
意匠
|
商標
特許ウォッチ
Twitter
他の特許を見る
10個以上の画像は省略されています。
公開番号
2025151368
公報種別
公開特許公報(A)
公開日
2025-10-09
出願番号
2024052754
出願日
2024-03-28
発明の名称
ガラス成形装置及び金型洗浄方法
出願人
芝浦機械株式会社
代理人
弁理士法人酒井国際特許事務所
主分類
C03B
11/00 20060101AFI20251002BHJP(ガラス;鉱物またはスラグウール)
要約
【課題】成形を繰り返しても、装置を停止することなく金型を洗浄することが可能なガラス成形装置及び金型洗浄方法を提供する。
【解決手段】ガラス成形装置は、成形室と、成形室の内部に対向配置されて、所定の形状に成形された上型(固定金型)及び下型(移動金型)と、下型を上型に対して移動可能に支持する下軸(移動軸)と、上型と下型と成形用ガラスとを加熱する赤外線ランプ(加熱手段)と、下型を上型に押し当てる方向に移動させることによって、成形用ガラスを、下型と上型とで加圧して成形するジャッキ(加圧成形手段)と、成形を行っていないときに、成形室の内部にハロゲン系ガスを供給した状態で、上型と下型との間に高周波パルスを印加することによって、上型と下型との間の空間にプラズマを発生させて、プラズマによって上型及び下型を洗浄するRF電源(洗浄手段)と、を備える。
【選択図】図8
特許請求の範囲
【請求項1】
成形室と、
前記成形室の内部に上下に対向配置されて、所定の形状に成形された固定金型及び移動金型と、
前記移動金型を前記固定金型に対して移動可能に支持する移動軸と、
前記固定金型と、前記移動金型と、前記固定金型と前記移動金型との間に載置されたガラス素材と、を加熱する加熱手段と、
前記移動軸を、前記移動金型を前記固定金型に押し当てる方向に移動させることによって、前記ガラス素材を、前記移動金型と前記固定金型とで加圧することによって成形する加圧成形手段と、
前記ガラス素材の成形を行っていないときに、前記成形室の内部にハロゲン系ガスを供給した状態で、前記固定金型と前記移動金型との間に高周波パルスを印加することによって、前記固定金型と前記移動金型との間の空間にプラズマを発生させて、当該プラズマによって前記ハロゲン系ガスから生成されたハロゲンラジカルによって、前記固定金型及び前記移動金型を洗浄する洗浄手段と、を備える、
ガラス成形装置。
続きを表示(約 1,800 文字)
【請求項2】
前記加熱手段は、赤外線ランプからの出射光によって、前記固定金型と、前記移動金型と、前記ガラス素材とを加熱する、
請求項1に記載のガラス成形装置。
【請求項3】
前記プラズマは、容量結合型プラズマ(CCP)である、
請求項1または請求項2に記載のガラス成形装置。
【請求項4】
成形室と、
前記成形室の内部に上下に対向配置されて、所定の形状に成形された固定金型及び移動金型と、
前記移動金型を前記固定金型に対して移動可能に支持する移動軸と、
前記固定金型と、前記移動金型と、を加熱する加熱手段と、
前記移動軸を、前記移動金型を前記固定金型に押し当てる方向に移動させることによって、前記固定金型と前記移動金型との間に載置されたガラス素材を、前記移動金型と前記固定金型とで加圧することによって成形する加圧成形手段と、
前記ガラス素材の成形を行っていないときに、前記成形室の内部にハロゲン系ガスを供給した状態で、前記成形室の周囲に巻回したRFコイルに高周波パルスを印加することによって、前記成形室の内部にプラズマを発生させて、当該プラズマによって前記ハロゲン系ガスから生成されたハロゲンラジカルを用いて、前記固定金型及び前記移動金型を洗浄する洗浄手段と、を備える、
ガラス成形装置。
【請求項5】
前記加熱手段は、誘導加熱によって、前記固定金型と前記移動金型とを加熱する、
請求項4に記載のガラス成形装置。
【請求項6】
成形室と、
前記成形室の内部に上下に対向配置されて、所定の形状に成形された固定金型及び移動金型と、
前記移動金型を前記固定金型に対して移動可能に支持する移動軸と、
前記固定金型と、前記移動金型と、前記固定金型と前記移動金型との間に載置されたガラス素材と、を加熱する加熱手段と、
前記移動軸を、前記移動金型を前記固定金型に押し当てる方向に移動させることによって、前記ガラス素材を、前記移動金型と前記固定金型とで加圧することによって成形する加圧成形手段と、
前記ガラス素材の成形を行っていないときに、前記成形室の内部にハロゲン系ガスを供給する供給路の途中でプラズマを発生させて、当該プラズマによって前記ハロゲン系ガスから生成されたハロゲンラジカルを前記成形室の内部に供給することによって、前記固定金型及び前記移動金型を洗浄する洗浄手段と、を備える、
ガラス成形装置。
【請求項7】
前記プラズマは、誘導結合型プラズマ(ICP)である、
請求項4または請求項6に記載のガラス成形装置。
【請求項8】
前記プラズマは、前記ハロゲン系ガスにマイクロ波を照射することによって発生させる、
請求項6に記載のガラス成形装置。
【請求項9】
前記ハロゲン系ガスは、少なくともNF
3
を含む、
請求項1、請求項4または請求項6に記載のガラス成形装置。
【請求項10】
成形室と、
前記成形室の内部に上下に対向配置されて、所定の形状に成形された固定金型及び移動金型と、
前記移動金型を前記固定金型に対して移動可能に支持する移動軸と、
前記固定金型と、前記移動金型と、前記固定金型と前記移動金型との間に載置されたガラス素材と、を加熱する加熱手段と、
前記移動軸を、前記移動金型を前記固定金型に押し当てる方向に移動させることによって、前記ガラス素材を、前記移動金型と前記固定金型とで加圧することによって成形する加圧成形手段と、
を備えるガラス成形装置において、前記固定金型及び前記移動金型を洗浄する金型洗浄方法であって、
前記ガラス素材の成形を行っていないときに、前記成形室の内部にハロゲン系ガスを供給した状態で、前記固定金型と前記移動金型との間に高周波パルスを印加することによって、前記固定金型と前記移動金型との間の空間にプラズマを発生させて、当該プラズマによって、前記ハロゲン系ガスから生成されたハロゲンラジカルによって前記固定金型及び前記移動金型を洗浄する、
金型洗浄方法。
(【請求項11】以降は省略されています)
発明の詳細な説明
【技術分野】
【0001】
本発明は、対向配置された金型でガラス素材を押圧することによって、非球面ガラスレンズ等の複雑な形状を有するガラス成形品を成形するガラス成形装置及び金型洗浄方法に関する。
続きを表示(約 2,500 文字)
【背景技術】
【0002】
従来、対向配置された固定軸と移動軸とのそれぞれの先端に設置した金型の間にガラス素材を載置して、当該ガラス素材を加熱して移動軸を固定軸方向に押圧することで、ガラス素材を金型に押し当てることによって所定の形状に成形するガラス成形装置が知られている(例えば、特許文献1)。
【先行技術文献】
【特許文献】
【0003】
特開2005-306693号公報
【発明の概要】
【発明が解決しようとする課題】
【0004】
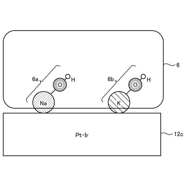
このような従来のガラス成形装置では、成形を繰り返す毎に、金型表面が汚染されることによって離型性が低下し、ガラス素材と金型との融着が発生することがあった(詳しくは後述する(図2参照))。このような融着が大規模になると、成形品の品質が維持できなくなるため、金型を交換する必要があった。そして、金型を交換する際には、ガラス成形装置を停止させなくてはならず、量産を再開する際には、ガラス成形装置を適温になるまでダミー運転しなければならず、生産性の低下を招いていた。これらの理由から、装置を停止せずに前記汚染物を除去することが可能なガラス成形装置の実現が望まれていた。
【0005】
本発明は上記課題に鑑みてなされたものであって、成形を繰り返しても、装置を停止することなく金型を洗浄することが可能なガラス成形装置及び金型洗浄方法を提供することを目的とする。
【課題を解決するための手段】
【0006】
上記した課題を解決し、目的を達成するために、本発明に係るガラス成形装置は、成形室と、前記成形室の内部に上下に対向配置されて、所定の形状に成形された固定金型及び移動金型と、前記移動金型を前記固定金型に対して移動可能に支持する移動軸と、前記固定金型と、前記移動金型と、前記固定金型と前記移動金型との間に載置されたガラス素材と、を加熱する加熱手段と、前記移動軸を、前記移動金型を前記固定金型に押し当てる方向に移動させることによって、前記ガラス素材を、前記移動金型と前記固定金型とで加圧することによって成形する加圧成形手段と、前記ガラス素材の成形を行っていないときに、前記成形室の内部にハロゲン系ガスを供給した状態で、前記固定金型と前記移動金型との間に高周波パルスを印加することによって、前記固定金型と前記移動金型との間の空間にプラズマを発生させて、当該プラズマによって、前記ハロゲン系ガスから生成されたハロゲンラジカルによって前記固定金型及び前記移動金型を洗浄する洗浄手段と、を備えることを特徴とする。
【0007】
また、本発明に係る金型洗浄方法は、成形室と、前記成形室の内部に上下に対向配置されて、所定の形状に成形された固定金型及び移動金型と、前記移動金型を前記固定金型に対して移動可能に支持する移動軸と、前記固定金型と、前記移動金型と、前記固定金型と前記移動金型との間に載置されたガラス素材と、を加熱する加熱手段と、前記移動軸を、前記移動金型を前記固定金型に押し当てる方向に移動させることによって、前記ガラス素材を、前記移動金型と前記固定金型とで加圧することによって成形する加圧成形手段と、を備えるガラス成形装置において、前記固定金型及び前記移動金型を洗浄する金型洗浄方法であって、前記ガラス素材の成形を行っていないときに、前記成形室の内部にハロゲン系ガスを供給した状態で、前記固定金型と前記移動金型との間に高周波パルスを印加することによって、前記固定金型と前記移動金型との間の空間にプラズマを発生させて、当該プラズマによって、前記ハロゲン系ガスから生成されたハロゲンラジカルによって前記固定金型及び前記移動金型を洗浄することを特徴とする。
【発明の効果】
【0008】
本発明に係るガラス成形装置は、成形を繰り返した劣化金型を、最小のダウンタイムで再生できる、という効果を奏する。
【図面の簡単な説明】
【0009】
図1は、ガラス素材の成形で使用される金型構造の一例を示す図である。
図2は、金型とガラス素材との融着が発生するメカニズムを説明する第1の図である。
図3は、ガラスの分子構造を示す図である。
図4は、成形用ガラスの分子構造の一例を示す図である。
図5は、金型とガラス素材との融着が発生するメカニズムを説明する第2の図である。
図6は、ガラス成形装置が備えるガラス成形機能を実現するための概略構造の一例を示す図である。
図7は、ガラス成形装置が備える下型の設置構造の一例を示す図である。
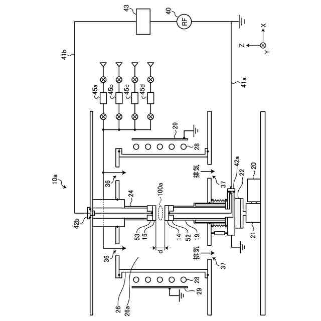
図8は、第1の実施形態のガラス成形装置が備える金型洗浄機能を実現するための概略構造の一例を示す図である。
図9は、ガラス成形装置が備える排気系統の構成の一例を示す図である。
図10は、アルゴンを用いた場合の、プラズマ生成条件の一例を示す図である。
図11は、フッ素ラジカル(F
*
)によって、離型膜の表面が洗浄される様子を説明する図である。
図12は、第2の実施形態のガラス成形装置が備える金型洗浄機能を実現するための概略構造の一例を示す図である。
図13は、第3の実施形態のガラス成形装置が備える金型洗浄機能を実現するための概略構造の一例を示す図である。
図14は、第3の実施形態のガラス成形装置が備えるプラズマ生成ユニットの構造の一例を示す図である。
図15は、第3の実施形態の変形例のガラス成形装置が備えるプラズマ生成ユニットの構造の一例を示す図である。
【発明を実施するための形態】
【0010】
以下に、本開示に係る成形装置の実施形態を図面に基づいて詳細に説明する。なお、この実施形態によりこの発明が限定されるものではない。また、下記実施形態における構成要素には、当業者が置換可能、且つ、容易に想到できるもの、或いは実質的に同一のものが含まれる。
(【0011】以降は省略されています)
この特許をJ-PlatPat(特許庁公式サイト)で参照する
関連特許
日本電気硝子株式会社
封着材料ペースト
11日前
ノリタケ株式会社
ガラス接合材およびその利用
8日前
ノリタケ株式会社
封止用グリーンシート
8日前
AGC株式会社
車両用窓ガラスとその製造方法
16日前
ノリタケ株式会社
ガラス接合材及びその利用
8日前
ノリタケ株式会社
ガラス接合材及びその利用
8日前
日本電気硝子株式会社
ガラス製造装置
16日前
ノリタケ株式会社
組立体の製造方法および組立体
8日前
信越化学工業株式会社
石英ガラス棒およびその製造方法
22日前
日本電気硝子株式会社
ガラス板の製造方法
29日前
日本電気硝子株式会社
ガラス物品の製造方法
10日前
AGC株式会社
積層体及び移動体
9日前
日本電気硝子株式会社
減圧脱泡装置及びガラス製造装置
16日前
芝浦機械株式会社
ガラス成形装置及び金型洗浄方法
16日前
AGC株式会社
合わせガラス
1日前
芝浦機械株式会社
ガラス成形装置及び金型洗浄方法
9日前
日本電気硝子株式会社
ガラス物品の製造方法およびガラス溶融装置
10日前
HOYA株式会社
銀含有偏光ガラスおよび光アイソレータ
15日前
HOYA株式会社
銀含有偏光ガラスおよび光アイソレータ
15日前
AGC株式会社
化学強化結晶化ガラスおよび化学強化用結晶化ガラス
19日前
日本電気硝子株式会社
ガラス原板の製造方法および製品ガラス板の製造方法
2日前
ユニチカ株式会社
ガラス長繊維用サイズ剤及びガラスヤーン
10日前
AGC株式会社
結晶化ガラス
29日前
キヤノン株式会社
繊維集合体、断熱材、および繊維集合体の製造方法
10日前
AGC株式会社
ガラス、ガラス粉末、混合粉、ガラスペースト、及びグリーンシート
8日前
HOYA株式会社
光学ガラス及び光学素子
8日前
AGC株式会社
無アルカリガラス
18日前
HOYA株式会社
光学ガラスおよび光学素子
19日前
HOYA株式会社
光学ガラスおよび光学素子
4日前
AGC株式会社
ガラスおよび化学強化ガラス
4日前
AGC株式会社
化学強化ガラスおよび電子機器筐体
15日前
AGC株式会社
化学強化ガラス物品およびその製造方法
1日前
株式会社テクニスコ
ガラスシートの製造方法およびガラスキャップの製造方法
29日前
AGC株式会社
フツリン酸ガラス及び近赤外線カットフィルタ
15日前
コーニング インコーポレイテッド
ガラスリボンを製造する方法及び装置
23日前
積水化学工業株式会社
合わせガラス用中間膜及び合わせガラス
15日前
続きを見る
他の特許を見る