TOP
|
特許
|
意匠
|
商標
特許ウォッチ
Twitter
他の特許を見る
公開番号
2025147239
公報種別
公開特許公報(A)
公開日
2025-10-07
出願番号
2024047398
出願日
2024-03-25
発明の名称
開口部装置
出願人
三協立山株式会社
代理人
個人
主分類
E06B
7/23 20060101AFI20250930BHJP(戸,窓,シャッタまたはローラブラインド一般;はしご)
要約
【課題】 耐水性に優れた開口部装置の提供。
【解決手段】 下枠1と縦枠2を備え、下枠1は、横タイト材3を長手方向に有し、縦枠2は、縦タイト材4を長手方向に有し、縦タイト材4は、内周側寄りに位置する内周側壁5の先端から外周側にのびるヒレ片6を有し、内周側壁5は内周側に傾斜しており、横タイト材3は、内周側寄りに位置する内周側壁5の先端から外周側にのびるヒレ片6を有し、長手方向端部の内周側面に止水材7が設けてあり、縦タイト材4の下端が止水材7に当接している。
【選択図】 図1
特許請求の範囲
【請求項1】
下枠と縦枠を備え、下枠は、横タイト材を長手方向に有し、縦枠は、縦タイト材を長手方向に有し、縦タイト材は、内周側寄りに位置する内周側壁の先端から外周側にのびるヒレ片を有し、内周側壁は内周側に傾斜しており、横タイト材は、内周側寄りに位置する内周側壁の先端から外周側にのびるヒレ片を有し、長手方向端部の内周側面に止水材が設けてあり、縦タイト材の下端が止水材に当接していることを特徴とする開口部装置。
発明の詳細な説明
【技術分野】
【0001】
本発明は、建物の開口部に設置される開口部装置に関する。
続きを表示(約 2,200 文字)
【背景技術】
【0002】
建物の開口部に設置される玄関ドア等の開口部装置においては、洪水等の際に室内への水の浸入を防ぐために、耐水性の向上が求められている。
【発明の概要】
【発明が解決しようとする課題】
【0003】
本発明は以上に述べた実情に鑑み、耐水性に優れた開口部装置の提供を目的とする。
【課題を解決するための手段】
【0004】
上記の課題を達成するために請求項1記載の発明による開口部装置は、下枠と縦枠を備え、下枠は、横タイト材を長手方向に有し、縦枠は、縦タイト材を長手方向に有し、縦タイト材は、内周側寄りに位置する内周側壁の先端から外周側にのびるヒレ片を有し、内周側壁は内周側に傾斜しており、横タイト材は、内周側寄りに位置する内周側壁の先端から外周側にのびるヒレ片を有し、長手方向端部の内周側面に止水材が設けてあり、縦タイト材の下端が止水材に当接していることを特徴とする。
【発明の効果】
【0005】
請求項1記載の発明による開口部装置は、下枠と縦枠を備え、下枠は、横タイト材を長手方向に有し、縦枠は、縦タイト材を長手方向に有し、縦タイト材は、内周側寄りに位置する内周側壁の先端から外周側にのびるヒレ片を有し、内周側壁は内周側に傾斜しており、横タイト材は、内周側寄りに位置する内周側壁の先端から外周側にのびるヒレ片を有し、長手方向端部の内周側面に止水材が設けてあり、縦タイト材の下端が止水材に当接していることで、縦タイト材のヒレ片の接触面積が大きくなるとともに、縦タイト材の下端と横タイト材との間から水が室内に浸入するのを防止できるので、耐水性が向上する。
【図面の簡単な説明】
【0006】
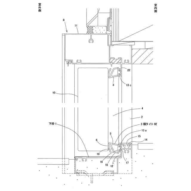
本発明の開口部装置の一実施形態を示す横断面図である。
同開口部装置の縦断面図である。
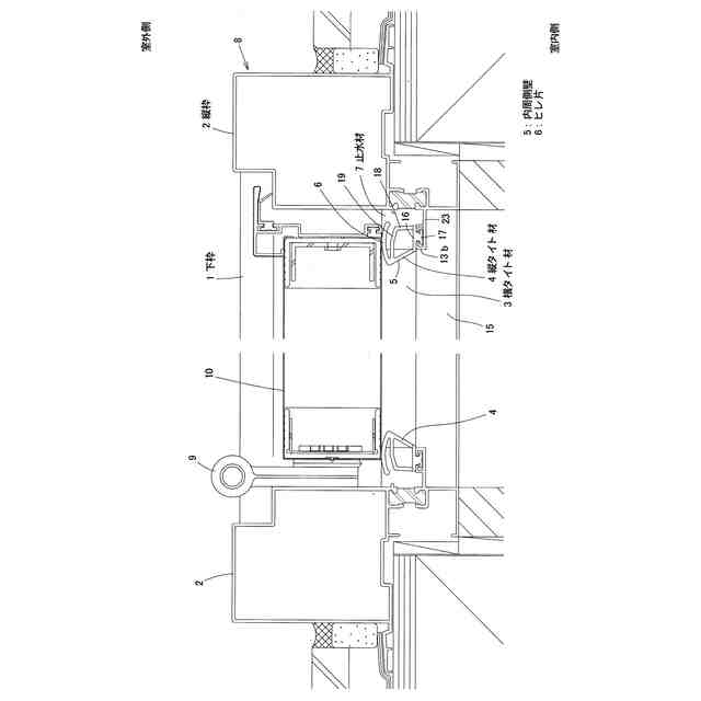
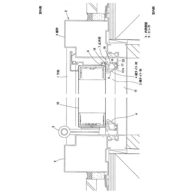
同開口部装置の縦枠と下枠を分離した状態で示す斜視図である。
同開口部装置の縦枠と下枠とのコーナー部の斜視図である。
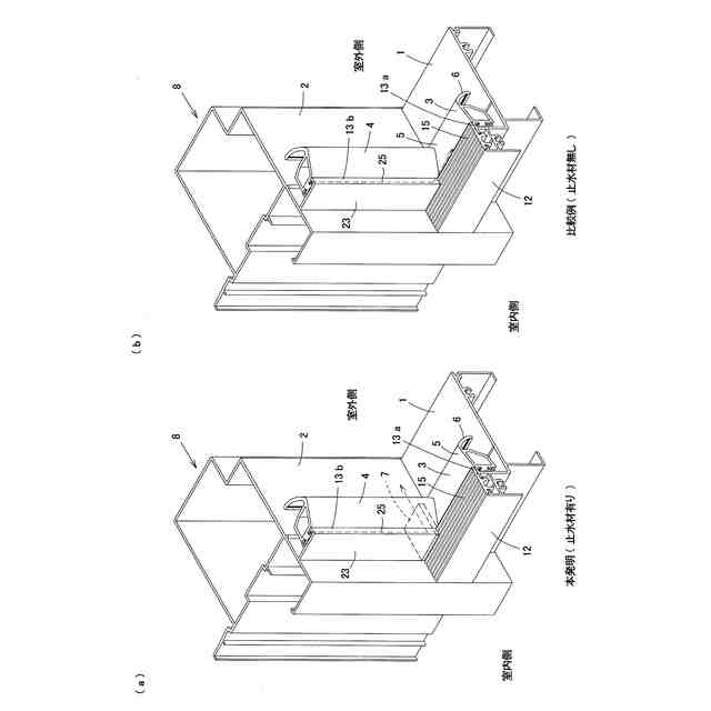
同開口部装置の下枠の長手方向端部の斜視図であって、(a)は止水材を取付ける前の状態、(b)は止水材を取付けた後の状態を示す。
止水材の有無による水の流れ方の違いを対比して示す図であって、(a)は本発明(止水材が有る場合)、(b)は比較例(止水材が無い場合)を示す。
縦タイト材の内周側壁の傾斜の有無による縦タイト材のヒレ片の接触面積の違いを対比して示す図であって、(a)は本発明(内周側壁が内周側に傾斜している場合)、(b)は比較例(内周側壁が傾斜していない場合)を示す。
【発明を実施するための形態】
【0007】
以下、本発明の実施の形態を図面に基づいて説明する。図1~4は、本発明の開口部装置の一実施形態を示している。本建具は、住宅の玄関ドアに適用したものであって、図1,2に示すように、躯体開口部に取付けられる枠8と、枠8内に蝶番9にて室外側に開くように取付けた戸10とを備えている。
【0008】
枠8は、図1,2に示すように、アルミニウム合金の押出形材よりなる上枠11と下枠1と左右の縦枠2,2を枠組みして形成してある。
下枠1は、図2に示すように、戸10の室内側に戸当たり部12が内周側に突出して設けてあり、戸当たり部12の室外側面には略C字型断面のタイト材ホルダー13aが室外側に向けて設けてあり、タイト材ホルダー13aに保持して戸10との隙間を塞ぐ横タイト材3が下枠1の長手方向に沿って設けてある。
戸当たり部12の上面には溝14が長手方向に沿って設けてあり、溝14に保持して樹脂製のくつずり15が取付けてあり、くつずり15でタイト材ホルダー13aの内周側を覆ってある。
【0009】
横タイト材3は、図2に示すように、タイト材ホルダー13aの室外側を覆うベース部16と、ベース部16と一体成形されタイト材ホルダー13に係合する係合部17と、ベース部16の内周側端から室外側にのびる内周側壁5と、内周側壁5の先端から外周側にのび、戸10の室内側面に当接するヒレ片6と、ベース部16の外周側端から室外側にのびる外周側壁18と、外周側壁18及び内周側壁5と接続されて中空部を構成する接続壁19とを有している。内周側壁5とヒレ片6と外周側壁18と接続壁19は、軟質の材料、例えばEPDMスポンジで形成されており、ベース部16と係合部17は、それよりも硬質の材料、例えばEPDMゴムで形成してある。内周側壁5は、室内外方向に対して内周側に11°傾斜している。
【0010】
下枠1は、図5に示すように、長手方向端部においてくつずり15に切欠き20を設け、該切欠き20に入り込ませて、四角形の板状の止水材7を下枠1のタイト材ホルダー13aの内周側面と横タイト材3の内周側壁5の内周側面にまたがって接着して取付けてある。このように止水材7を取付けることで、横タイト材3及びタイト材ホルダー13aの長手方向端部内周側に止水材7の上面7aよりなるフラット面が形成されている。止水材7は、軟質のゴム等で形成してあり、両面テープで接着して取付けてある。
(【0011】以降は省略されています)
この特許をJ-PlatPat(特許庁公式サイト)で参照する
関連特許
三協立山株式会社
構造体
10日前
三協立山株式会社
開口部装置
25日前
三協立山株式会社
水耕栽培装置
23日前
三協立山株式会社
荷物昇降装置
1か月前
三協立山株式会社
バッテリーケース
9日前
三協立山株式会社
Mg合金、Mg合金の製造方法、及び、Mg合金を用いた土木材料及び生体材料
4日前
株式会社ナカオ
作業台
1か月前
株式会社ESP
止水板
2か月前
中国電力株式会社
脚立
2か月前
株式会社ニチベイ
遮蔽装置
2日前
三協立山株式会社
開口部装置
2か月前
三協立山株式会社
開口部装置
2か月前
三協立山株式会社
開口部装置
1か月前
三協立山株式会社
開口部装置
1か月前
三協立山株式会社
開口部装置
25日前
三協立山株式会社
開口部装置
2か月前
ミサワホーム株式会社
水切り材
2か月前
文化シヤッター株式会社
止水装置
24日前
不二サッシ株式会社
引違いサッシ
1か月前
株式会社ニチベイ
縦型ブラインド
2か月前
不二サッシ株式会社
引違いサッシ
24日前
文化シヤッター株式会社
引戸装置
15日前
豊田合成株式会社
調光装置
17日前
株式会社LIXIL
太陽電池ガラス
1か月前
三協立山株式会社
サッシの製造方法
1か月前
株式会社LIXIL
建具
29日前
株式会社LIXIL
建具
1か月前
株式会社LIXIL
建具
1か月前
株式会社LIXIL
建具
1か月前
株式会社LIXIL
建具
1か月前
株式会社LIXIL
建具
1か月前
株式会社LIXIL
建具
1か月前
倉敷紡績株式会社
外構ユニット
23日前
株式会社LIXIL
建具
1か月前
株式会社LIXIL
建具
1か月前
株式会社LIXIL
建具
1か月前
続きを見る
他の特許を見る