TOP
|
特許
|
意匠
|
商標
特許ウォッチ
Twitter
他の特許を見る
10個以上の画像は省略されています。
公開番号
2025146930
公報種別
公開特許公報(A)
公開日
2025-10-03
出願番号
2025125306,2024052392
出願日
2025-07-28,2018-03-23
発明の名称
情報送信装置、方法、プログラム及び記憶媒体
出願人
パイオニア株式会社
代理人
個人
,
個人
主分類
G09B
29/00 20060101AFI20250926BHJP(教育;暗号方法;表示;広告;シール)
要約
【課題】車道にはみ出して自転車又は歩行者が通行する可能性がある場所を好適に特定する。
【解決手段】サーバ装置2は、危険個所情報を含む配信地図DB5を記憶する。危険個所情報は、「危険個所ID」、「所属自転車レーンリンクID」、「危険度」、「範囲」、「絶対位置」、「相対位置」の各要素を含む。「危険度」には、対象の危険個所に対する危険度が曜日及び時間帯ごとに指定される。「相対位置」は、サブ要素「始点ノードからの距離」と、サブ要素「基準位置からの距離」とを有する。「始点ノードからの距離」は、所属する自転車専用レーンの始点ノードからのオブジェクトの自転車専用レーンに沿った距離を指定する項目であり、「基準位置からの距離」は、所定の基準位置からのオブジェクトの自転車専用レーンの幅方向における距離を指定する項目である。
【選択図】図7
特許請求の範囲
【請求項1】
自転車又は歩行者である対象物の進行の障害となる要因が前記対象物の専用道に存在する場合の前記要因の位置の位置情報を、移動体に搭載された検出装置の検出結果に基づき生成する生成手段と、
前記位置情報と、前記要因が専用道において検出されたことを示す特定情報とを、情報処理装置に送信する送信手段と、
を備える情報送信装置。
続きを表示(約 670 文字)
【請求項2】
前記送信手段は、前記特定情報として、前記要因の種別を少なくとも示す情報を、前記情報処理装置に送信する、請求項1に記載の情報送信装置。
【請求項3】
前記送信手段は、前記特定情報として、前記要因が、路面上の障害物、又は、溝若しくは陥没が形成された路面部分であることを少なくとも示す情報を、前記情報処理装置に送信する、請求項2に記載の情報送信装置。
【請求項4】
前記送信手段は、前記特定情報として、前記要因が存在する位置の範囲又は大きさを少なくとも示す情報を、前記情報処理装置に送信する、請求項1~3のいずれか一項に記載の情報送信装置。
【請求項5】
前記専用道は、自転車専用車線であり、
前記特定情報は、前記自転車専用車線の識別情報を示す請求項1~4のいずれか一項に記載の情報送信装置。
【請求項6】
情報送信装置が実行する方法であって、
自転車又は歩行者である対象物の進行の障害となる要因が前記対象物の専用道に存在する場合の前記要因の位置の位置情報を、移動体に搭載された検出装置の検出結果に基づき生成する生成工程と、
前記位置情報と、前記要因が専用道において検出されたことを示す特定情報とを、情報処理装置に送信する送信工程と、
を有する方法。
【請求項7】
請求項6に記載の方法を、コンピュータにより実行させるプログラム。
【請求項8】
請求項7に記載のプログラムを記憶した記憶媒体。
発明の詳細な説明
【技術分野】
【0001】
本発明は、車両等の移動体において利用される地図データに関する。
続きを表示(約 1,900 文字)
【背景技術】
【0002】
従来から、車両に設置されたセンサの出力に基づき地図データを更新する技術が知られている。例えば、特許文献1には、車両等の移動体に設置されたセンサの出力に基づいて部分地図の変化点を検出した場合に、当該変化点に関する変化点情報をサーバ装置に送信する運転支援装置が開示されている。また、非特許文献1には、車両側のセンサが検出したデータをクラウドサーバで収集するためのデータフォーマットに関する仕様が開示されている。
【先行技術文献】
【特許文献】
【0003】
特開2016-156973号公報
【非特許文献】
【0004】
here社ホームページ、Vehicle Sensor Data Cloud Ingestion Interface Specification(v2.0.2),[平成30年2月5日検索]、インターネット<URL:https://lts.cms.here.com/static-cloud-content/Company_Site/2015_06/Vehicle_Sensor_Data_Cloud_Ingestion_Interface_Specification.pdf>
【発明の概要】
【発明が解決しようとする課題】
【0005】
自転車専用レーンにおいて水たまりや落下物などの自転車の走行の障害となる要因が存在する場合には、当該自転車専用レーンを通る自転車はその障害物を避けるために車道にはみ出して通行する場合があり、このような道路区間では、車両は車道にはみ出した自転車を避けて走行する必要がある。従って、このような要因が存在する道路を車両側で予め特定し、当該道路区間を避けて走行したり、事前に運転者に警告したりできるように、車両側で参照可能な情報として用意できると好ましい。
【0006】
本発明は、上記のような課題を解決するためになされたものであり、車道にはみ出して自転車または歩行者が通行する可能性がある場所を好適に特定することを主な目的とする。
【課題を解決するための手段】
【0007】
請求項に記載の発明は、情報送信装置であって、
自転車又は歩行者である対象物の進行の障害となる要因が前記対象物の専用道に存在する場合の前記要因の位置の位置情報を、移動体に搭載された検出装置の検出結果に基づき生成する生成手段と、
前記位置情報と、前記要因が専用道において検出されたことを示す特定情報とを、情報処理装置に送信する送信手段と、
を備える。
【0008】
また、請求項に記載の発明は、
情報送信装置が実行する方法であって、
自転車又は歩行者である対象物の進行の障害となる要因が前記対象物の専用道に存在する場合の前記要因の位置の位置情報を、移動体に搭載された検出装置の検出結果に基づき生成する生成工程と、
前記位置情報と、前記要因が専用道において検出されたことを示す特定情報とを、情報処理装置に送信する送信工程と、
を有する方法である。
【0009】
また、請求項に記載の発明は、上記記載の方法を、コンピュータにより実行させるプログラム、及び当該プログラムを記憶した記憶媒体である。
【図面の簡単な説明】
【0010】
データ収集システムの概略構成である。
端末装置及びサーバ装置のブロック構成を示す。
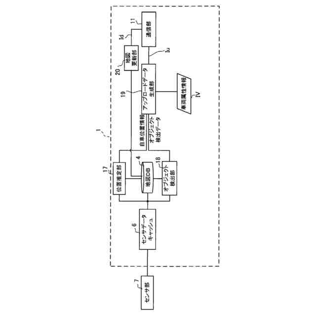
端末装置が実行する処理概要を示したブロック図である。
道路周辺の概略的な俯瞰図を示す。
地図DB及び配信地図DBに共通するデータ構造の一例を示す。
自転車専用レーンに存在するオブジェクトに対応するオブジェクト情報のデータ構造例を示す。
危険個所情報のデータ構造例を示す。
アップロード情報のデータ構造の概要を示す図である。
ヘッダ情報に含まれる「車両メタデータ」のデータ構造を示す。
イベント情報に含まれる「オブジェクト認識イベント」のデータ構造を示す。
自転車専用レーン上に存在するオブジェクトの検出に関するイベント情報を生成する場合の「オフセット位置」のデータ構造の一例を示す。
実施例における処理の概要を示すフローチャートの一例である。
変形例に係るデータ収集システムの概略構成である。
【発明を実施するための形態】
(【0011】以降は省略されています)
この特許をJ-PlatPat(特許庁公式サイト)で参照する
関連特許
パイオニア株式会社
通信装置
10日前
パイオニア株式会社
通信装置
10日前
パイオニア株式会社
情報処理装置
7日前
パイオニア株式会社
情報処理装置
7日前
パイオニア株式会社
情報処理装置
7日前
パイオニア株式会社
情報処理装置
7日前
パイオニア株式会社
情報処理装置
7日前
パイオニア株式会社
情報処理装置
7日前
パイオニア株式会社
情報処理装置
7日前
パイオニア株式会社
情報処理装置
7日前
パイオニア株式会社
ルームミラー装置
7日前
パイオニア株式会社
ルームミラー装置
7日前
パイオニア株式会社
通信装置、ヘルメット
10日前
パイオニア株式会社
検索装置、検索方法、及びプログラム
7日前
パイオニア株式会社
制御装置、制御方法、及びプログラム
7日前
パイオニア株式会社
情報処理装置、情報処理方法、及びプログラム
7日前
パイオニア株式会社
情報処理装置、情報処理方法、及びプログラム
7日前
パイオニア株式会社
車両監視装置、車両監視方法、及びプログラム
7日前
パイオニア株式会社
車両監視装置、車両監視方法、及びプログラム
3日前
パイオニア株式会社
情報処理装置、情報処理方法、プログラム及び記憶媒体
10日前
パイオニア株式会社
情報処理装置、情報処理方法、プログラム及び記憶媒体
10日前
パイオニア株式会社
経路探索装置、経路探索方法、プログラム及び記憶媒体
7日前
パイオニア株式会社
情報処理装置、情報処理方法、プログラム及び記憶媒体
10日前
パイオニア株式会社
経路探索装置、経路探索方法、プログラム及び記憶媒体
7日前
パイオニア株式会社
情報処理装置、情報処理方法、プログラム及び記憶媒体
10日前
パイオニア株式会社
情報処理装置、情報処理方法、プログラム及び記憶媒体
10日前
パイオニア株式会社
経路探索装置、経路探索方法、プログラム及び記憶媒体
7日前
パイオニア株式会社
判定装置
27日前
パイオニア株式会社
入力装置
3日前
パイオニア株式会社
判定装置
1か月前
パイオニア株式会社
取付機構
1か月前
パイオニア株式会社
ライダ装置
25日前
パイオニア株式会社
サーバ装置
1か月前
パイオニア株式会社
状況出力装置
1か月前
パイオニア株式会社
距離算出装置
1か月前
パイオニア株式会社
情報表示装置
1か月前
続きを見る
他の特許を見る