TOP
|
特許
|
意匠
|
商標
特許ウォッチ
Twitter
他の特許を見る
公開番号
2025145399
公報種別
公開特許公報(A)
公開日
2025-10-03
出願番号
2024045559
出願日
2024-03-21
発明の名称
負極形成用転写部材及び負極構造体並びにその製造方法
出願人
キヤノン株式会社
代理人
弁理士法人秀和特許事務所
主分類
H01M
4/04 20060101AFI20250926BHJP(基本的電気素子)
要約
【課題】炭素含有層を有する電極を形成する際の取扱いに対する炭素含有層の密着性が担保され、また被転写材である集電体又は固体電解質層上への炭素含有層の転写性に優れる負極形成用転写部材、該転写部材を用いた負極構造体、電極及び二次電池並びにその製造方法を提供する。
【解決手段】二次電池に適用する負極形成用転写部材であって、前記負極形成用転写部材は、炭素含有層を被転写体に転写するものであり、第1の線膨張係数を有する基板と、導電性を有する炭素の同素体を含み前記第1の線膨張係数との差の絶対値が10.0×10
-6
K
-1
以下である第2の線膨張係数を有する前記炭素含有層と、を含む負極形成用の転写部材。
【選択図】なし
特許請求の範囲
【請求項1】
二次電池に適用する負極形成用転写部材であって、
前記負極形成用転写部材は、炭素含有層を被転写体に転写するものであり、
第1の線膨張係数を有する基板と、
導電性を有する炭素の同素体を含み前記第1の線膨張係数との差の絶対値が10.0×10
-6
K
-1
以下である第2の線膨張係数を有する前記炭素含有層と、を含む負極形成用転写部材。
続きを表示(約 880 文字)
【請求項2】
前記負極形成用転写部材は粘着部を有する基材を含み、
前記基材の熱分解温度は、前記基板の熱分解温度及び前記炭素含有層の熱分解温度より低い、請求項1に記載の負極形成用転写部材。
【請求項3】
前記基板は無機材料で構成される、請求項1または2に記載の負極形成用転写部材。
【請求項4】
前記差の絶対値が5.0×10
-6
K
-1
以下である、請求項1または2に記載の負極形成用転写部材。
【請求項5】
前記炭素含有層は0.01質量%以上30質量%以下のケイ素成分を含む、請求項1または2に記載の負極形成用転写部材。
【請求項6】
前記第1の線膨張係数は、前記基板の板厚方向と交差する面内における線膨張係数に対応し、
前記第2の線膨張係数は、前記炭素含有層の層厚方向と交差する面内における線膨張係数に対応する、請求項1または2に記載の負極形成用転写部材。
【請求項7】
前記第1の線膨張係数は、前記基板の板厚方向と交差する面内の線膨張係数の方位角方向における平均値に対応し、
前記第2の線膨張係数は、前記炭素含有層の層厚方向と交差する面内の線膨張係数の方位角方向における平均値に対応する、請求項1または2に記載の負極形成用転写部材。
【請求項8】
前記第1の線膨張係数及び前記第2の線膨張係数は、25℃以上100℃以下の温度域における温度に対する線膨張変化率の一次の係数に対応する、請求項1または2に記載の負極形成用転写部材。
【請求項9】
二次電池に適用される負極形成用の負極構造体であって、
請求項1または2に記載の負極形成用転写部材と、
前記炭素含有層と接する集電体と、を備える負極構造体。
【請求項10】
前記基板のビッカース硬度は、前記集電体のビッカース硬度より高い、請求項9に記載の負極構造体。
(【請求項11】以降は省略されています)
発明の詳細な説明
【技術分野】
【0001】
本開示は、負極形成用転写部材及び負極構造体並びにその製造方法に関する。
続きを表示(約 1,700 文字)
【背景技術】
【0002】
一般に、二次電池は、電極(正極や負極)及び電解質で構成され、電極間で電解質を介したイオンの移動が生じることで、充電や放電を行う。このような二次電池は、携帯電話を含む小型機器から電気自動車を含む大型機器まで、幅広い用途で使用されている。
【0003】
二次電池に適用される電極を形成するために犠牲層として樹脂基材を有する電極シートを形成する技術が知られている。特許文献1は、活物質粒子が転写基材上にパターン状に配置した転写版を、粘着性を有する樹脂基材に当接することで、樹脂基材上に活物質粒子を含む粒子層が積層された電極シートを作製することを開示している。
【0004】
また、黒鉛を含むペースト状炭素含有液を集電体金属上に塗布し硬化させることで二次電池の負極を作製する技術が知られている。特許文献2は、負極活物質にカーボンブラック、バインダー樹脂、分散剤、N-メチル-2-ピロリドンを添加してスラリーとし、集電体上に塗布して乾燥させることで負極シートを作製する方法を開示している。
【先行技術文献】
【特許文献】
【0005】
特開2019-137061号公報
特開2017-143027号広報
【発明の概要】
【発明が解決しようとする課題】
【0006】
上記電極シートの作製において、黒鉛、HOPG、カーボンブラック、等の導電性を呈する炭素の同素体を含む炭素薄膜を金属シートに堆積することで、電極シートを形成するための転写部材を作製する場合が考えられる。しかしながら、そのような転写部材を用いた場合、炭素薄膜の一部または全部が、把持、搬送、アセンブリ等の電極製造プロセスにおけるハンドリングにおいて金属シートから剥離してしまうことがある。その結果、電極シート形成用の転写部材として扱いにくい場合があることがわかってきた。
【0007】
本開示の少なくとも一の態様によれば、炭素含有層を有する電極を形成する際の取扱いに対する炭素含有層の密着性が担保され、また被転写材である集電体又は固体電解質層上への炭素含有層の転写性に優れる負極形成用転写部材が提供される。また、上記転写部材を用いた負極構造体が提供される。さらに、上記負極形成用転写部材、負極構造体並びにそれらを用いた電極及び二次電池の製造方法が提供される。
【課題を解決するための手段】
【0008】
本開示の少なくとも一つの態様によれば、
二次電池に適用する負極形成用転写部材であって、
前記負極形成用転写部材は、炭素含有層を被転写体に転写するものであり、
第1の線膨張係数を有する基板と、
導電性を有する炭素の同素体を含み前記第1の線膨張係数との差の絶対値が10.0×10
-6
K
-1
以下である第2の線膨張係数を有する前記炭素含有層と、を含む負極形成用転写部材が提供される。
【0009】
また、本開示の少なくとも一つの態様によれば、二次電池に適用される負極形成用の負極構造体であって、上記の負極形成用転写部材と、炭素含有層と接する集電体又は固体電解質層と、を備える負極構造体が提供される。
さらに、本開示の少なくとも一つの態様によれば、上記負極形成用転写部材、上記負極構造体、並びにそれらを用いた電極及び二次電池の製造方法が提供される。
【発明の効果】
【0010】
本開示の少なくとも一つの態様によれば、炭素含有層を有する電極を形成する際の取扱いに対する炭素含有層の密着性が担保され、また被転写材である集電体上への炭素含有層の転写性に優れる負極形成用転写部材が提供される。また、上記転写部材を用いた負極構造体が提供される。さらに、上記負極形成用転写部材、負極構造体並びにそれらを用いた電極及び二次電池の製造方法が提供される。
【図面の簡単な説明】
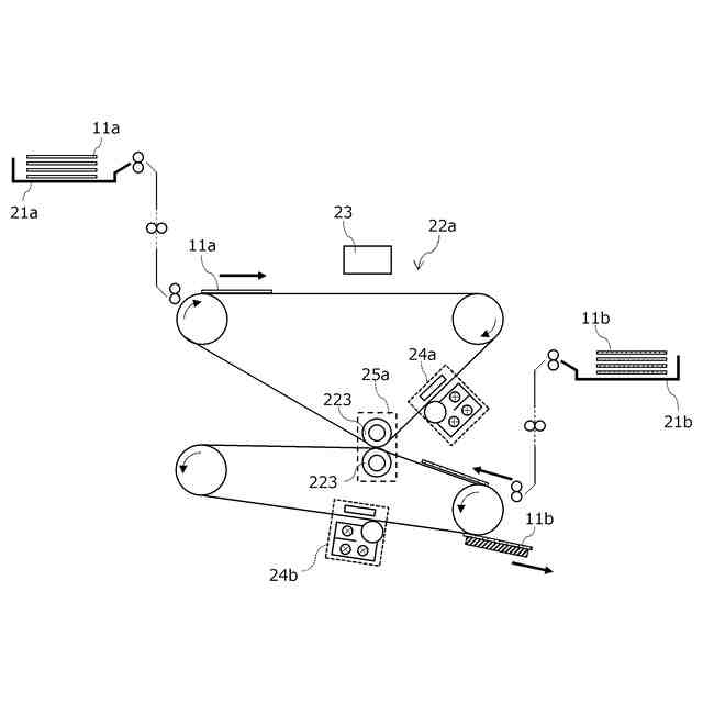
(【0011】以降は省略されています)
この特許をJ-PlatPat(特許庁公式サイト)で参照する
関連特許
キヤノン株式会社
トナー
1日前
キヤノン株式会社
定着装置
24日前
キヤノン株式会社
電子機器
9日前
キヤノン株式会社
撮像装置
29日前
キヤノン株式会社
記録装置
17日前
キヤノン株式会社
収容装置
9日前
キヤノン株式会社
定着装置
9日前
キヤノン株式会社
撮像装置
16日前
キヤノン株式会社
電子機器
3日前
キヤノン株式会社
電子機器
26日前
キヤノン株式会社
記録装置
1日前
キヤノン株式会社
電子機器
9日前
キヤノン株式会社
撮像装置
9日前
キヤノン株式会社
定着装置
15日前
キヤノン株式会社
記録装置
16日前
キヤノン株式会社
撮像装置
15日前
キヤノン株式会社
撮像装置
26日前
キヤノン株式会社
表示装置
8日前
キヤノン株式会社
発光装置
8日前
キヤノン株式会社
電子機器
5日前
キヤノン株式会社
定着装置
24日前
キヤノン株式会社
電子機器
1か月前
キヤノン株式会社
現像装置
1か月前
キヤノン株式会社
電子機器
24日前
キヤノン株式会社
定着装置
24日前
キヤノン株式会社
光学装置
29日前
キヤノン株式会社
撮像装置
1日前
キヤノン株式会社
電子機器
17日前
キヤノン株式会社
撮像装置
17日前
キヤノン株式会社
電子機器
29日前
キヤノン株式会社
現像剤容器
2日前
キヤノン株式会社
半導体装置
3日前
キヤノン株式会社
画像形成装置
24日前
キヤノン株式会社
画像形成装置
3日前
キヤノン株式会社
画像記録装置
17日前
キヤノン株式会社
画像形成装置
5日前
続きを見る
他の特許を見る