TOP
|
特許
|
意匠
|
商標
特許ウォッチ
Twitter
他の特許を見る
10個以上の画像は省略されています。
公開番号
2025144314
公報種別
公開特許公報(A)
公開日
2025-10-02
出願番号
2024044037
出願日
2024-03-19
発明の名称
作業車両用作動油タンク及び作業車両
出願人
株式会社小松製作所
代理人
弁理士法人酒井国際特許事務所
主分類
B60P
1/04 20060101AFI20250925BHJP(車両一般)
要約
【課題】強度を向上するとともに、効率的に組み付け可能な作業車両用作動油タンク及び作業車両を提供すること。
【解決手段】ダンプトラック1に配置された作動油タンク10は、左方に配置された左壁部11と、左壁部11と向かい合い、右方に配置された右壁部12と、後方に配置された後壁部13と、後壁部13と向かい合い、前方に配置された前壁部14と、下方に配置された底部133と、底部133と向かい合い、上方に配置された蓋部141と、作動油タンク10の内側において、左壁部11と後壁部13と右壁部12とに跨って配置された第1リブ31と、作動油タンク10の内側において、左壁部11と後壁部13と右壁部12とに跨って配置された第2リブ32と、を備える。
【選択図】図11
特許請求の範囲
【請求項1】
作業車両に配置された作業車両用作動油タンクであって、
左方に配置された左壁部と、
前記左壁部と向かい合い、右方に配置された右壁部と、
後方に配置された後壁部と、
前記後壁部と向かい合い、前方に配置された前壁部と、
下方に配置された底部と、
前記底部と向かい合い、上方に配置された蓋部と、
前記作業車両用作動油タンクの内側において、前記左壁部と前記後壁部と前記右壁部とに跨って配置された第1リブと、
前記作業車両用作動油タンクの内側において、前記左壁部と前記後壁部と前記右壁部とに跨って配置された第2リブと、
を備える、作業車両用作動油タンク。
続きを表示(約 880 文字)
【請求項2】
前記左壁部と前記後壁部と前記右壁部とには、それぞれ、前記第1リブの凸部が係合する第1溝と、前記第2リブの凸部が係合する第2溝とが配置されている、
請求項1に記載の作業車両用作動油タンク。
【請求項3】
前記第1リブ及び前記第2リブは、平面形状がU字形状である、
請求項1に記載の作業車両用作動油タンク。
【請求項4】
前記第1リブ及び前記第2リブは、それぞれ、前記左壁部に沿って配置された左リブと、前記後壁部に沿って配置された後リブと、前記右壁部に沿って配置された右リブとで形成され、前記後リブの左方の端部に前記左リブの後方の端部が接続され、前記後リブの右方の端部に前記右リブの後方の端部が接続されている、
請求項3に記載の作業車両用作動油タンク。
【請求項5】
前記左壁部及び前記右壁部は、前後方向の幅が上方より下方が狭くなっている、
請求項1に記載の作業車両用作動油タンク。
【請求項6】
前記左壁部及び前記右壁部は、前記後壁部と接合される辺の傾きが、前記作業車両の車体のうち、左方の前輪の前方に位置する壁部の傾きと同じである、
請求項1に記載の作業車両用作動油タンク。
【請求項7】
前記第1リブの前記左リブ及び前記第2リブの前記左リブは、前記左壁部の前記後壁部と接合される辺と直交し、
前記第1リブの前記右リブ及び前記第2リブの前記右リブは、前記右壁部の前記後壁部と接合される辺と直交する
請求項4に記載の作業車両用作動油タンク。
【請求項8】
前記後壁部と前記底部とは曲げ部を介して接続され、
前記前壁部と前記蓋部とは曲げ部を介して接続されている、
請求項1に記載の作業車両用作動油タンク。
【請求項9】
請求項1から8のいずれか一項に記載の作業車両用作動油タンクと、
車体と、
走行装置と、
を備えた、作業車両。
発明の詳細な説明
【技術分野】
【0001】
本開示は、作業車両用作動油タンク及び作業車両に関する。
続きを表示(約 1,400 文字)
【背景技術】
【0002】
タンク本体に形成されたほぞ穴に、補強材のほぞ部を挿入して、タンク本体の内壁面に補強材を取り付けた圧力タンクが知られている(例えば、特許文献1参照)。
【先行技術文献】
【特許文献】
【0003】
特開2017-135762号公報
【発明の概要】
【発明が解決しようとする課題】
【0004】
作業車両であるダンプトラックの作動油タンクは、ダンプトラックの走行による振動、および、作動油タンク内の作動油の自重に耐えうるように補強する必要がある。また、作動油タンクの組み立てを効率的に行うことも望まれる。
【0005】
本発明の態様は、強度を向上するとともに、効率的に組み付け可能な作業車両用作動油タンク及び作業車両を提供することを目的とする。
【課題を解決するための手段】
【0006】
本開示に従えば、作業車両に配置された作業車両用作動油タンクであって、左方に配置された左壁部と、前記左壁部と向かい合い、右方に配置された右壁部と、後方に配置された後壁部と、前記後壁部と向かい合い、前方に配置された前壁部と、下方に配置された底部と、前記底部と向かい合い、上方に配置された蓋部と、前記作業車両用作動油タンクの内側において、前記左壁部と前記後壁部と前記右壁部とに跨って配置された第1リブと、前記作業車両用作動油タンクの内側において、前記左壁部と前記後壁部と前記右壁部とに跨って配置された第2リブと、を備える、作業車両用作動油タンクが提供される。
【0007】
本開示に従えば、上記の作業車両用作動油タンクと、車体と、走行装置と、を備えた、作業車両が提供される。
【発明の効果】
【0008】
本開示によれば、強度を向上するとともに、効率的に組み付け可能な作業車両用作動油タンク及び作業車両を提供することができる。
【図面の簡単な説明】
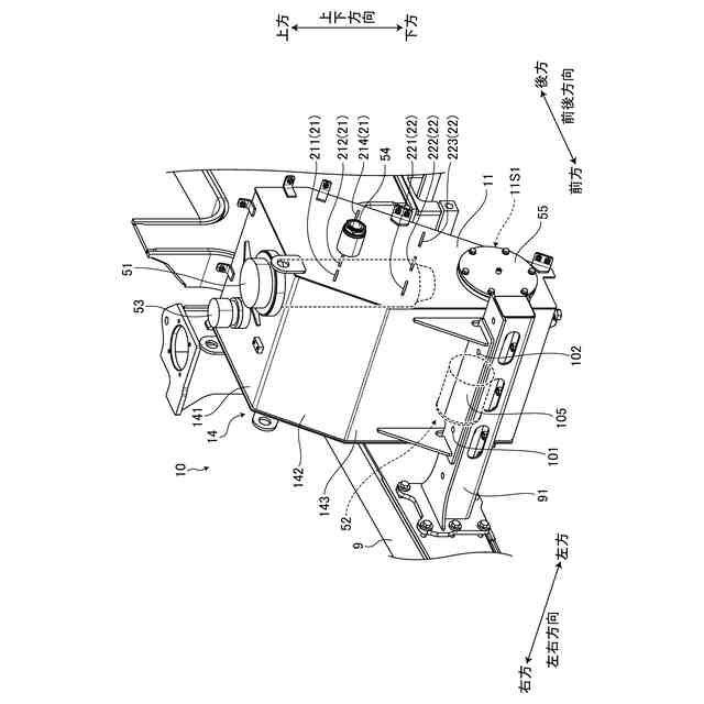
【0009】
図1は、実施形態に係るダンプトラックを左前方から見た概略図である。
図2は、実施形態に係る作動油タンクを左前方から見た斜視図である。
図3は、実施形態に係る作動油タンクを左後方から見た斜視図である。
図4は、実施形態に係る作動油タンクを上方から見た平面図である。
図5は、実施形態に係る作動油タンクの左側の壁部の正面図である。
図6は、実施形態に係る作動油タンクの右側の壁部の正面図である。
図7は、実施形態に係る作動油タンクの後側及び下側の壁部を左前方から見た斜視図である。
図8は、実施形態に係る作動油タンクの前側及び上側の壁部を左後方から見た斜視図である。
図9は、実施形態に係る作動油タンクの第1リブの平面図である。
図10は、実施形態に係る作動油タンクの第2リブの平面図である。
図11は、実施形態に係る作動油タンクの模式的な分解斜視図である。
【発明を実施するための形態】
【0010】
以下、本発明に係る実施形態について図面を参照しながら説明するが、本発明はこれに限定されない。以下で説明する実施形態の構成要素は、適宜組み合わせることができる。また、一部の構成要素を用いない場合もある。
(【0011】以降は省略されています)
この特許をJ-PlatPat(特許庁公式サイト)で参照する
関連特許
株式会社小松製作所
作業機械および方法
1か月前
株式会社小松製作所
作業機械および方法
11日前
株式会社小松製作所
作業機械および方法
1か月前
株式会社小松製作所
作業機械および方法
1か月前
株式会社小松製作所
作業機械および方法
1か月前
株式会社小松製作所
磁気結合型リアクトル
11日前
株式会社小松製作所
評価装置および評価方法
6日前
株式会社小松製作所
制御システムおよび制御方法
11日前
株式会社小松製作所
作業車両および作業車両の制御方法
1か月前
株式会社小松製作所
作業機械および作業機械の制御方法
1か月前
株式会社小松製作所
油圧駆動システムおよび油圧駆動方法
1か月前
株式会社小松製作所
システム、作業機械、および制御方法
1か月前
株式会社小松製作所
作業車両の制御システム及び作業車両
1か月前
株式会社小松製作所
ファン駆動システム及びファン駆動方法
11日前
株式会社小松製作所
作業機械の点検支援システム及び点検支援方法
1か月前
株式会社小松製作所
作業現場の従事者支援システム及び従事者支援方法
11日前
株式会社小松製作所
作業機械の制御システム、および作業機械の制御方法
11日前
株式会社小松製作所
作業機械の制御システム、および作業機械の制御方法
11日前
株式会社小松製作所
トレーニングシステムおよびステージデータの生成方法
11日前
株式会社小松製作所
認証情報表示システム、情報端末、及び認証情報表示方法
1か月前
株式会社小松製作所
作業機械の暖房装置、および作業機械の暖房装置の制御方法
1か月前
株式会社小松製作所
表示制御装置、情報端末、表示制御方法、及び表示制御システム
1か月前
株式会社小松製作所
作業機械、作業機械を含むシステム、および作業機械の制御方法
1か月前
株式会社小松製作所
作業機械を含むシステム、作業機械、および作業機械の自動走行制御方法
1か月前
株式会社小松製作所
作業機械のペイロード算出システムおよび作業機械のペイロード算出方法
12日前
株式会社小松製作所
作業機械の制御システム、作業機械、作業機械の遠隔操作システム、及び作業機械の制御方法
1か月前
株式会社小松製作所
作業機械の制御システム、作業機械、作業機械の遠隔操作システム、及び作業機械の制御方法
1か月前
株式会社小松製作所
作業機械の制御システム、作業機械、作業機械の遠隔操作システム、及び作業機械の制御方法
1か月前
個人
タイヤレバー
3か月前
個人
前輪キャスター
2か月前
個人
上部一体型自動車
1か月前
個人
空間形成装置
19日前
個人
ルーフ付きトライク
3か月前
個人
タイヤ脱落防止構造
2か月前
個人
車両通過構造物
3か月前
日本精機株式会社
表示装置
3か月前
続きを見る
他の特許を見る