TOP
|
特許
|
意匠
|
商標
特許ウォッチ
Twitter
他の特許を見る
公開番号
2025144038
公報種別
公開特許公報(A)
公開日
2025-10-02
出願番号
2024043609
出願日
2024-03-19
発明の名称
自動車用のコントローラ
出願人
トヨタ自動車株式会社
代理人
弁理士法人 快友国際特許事務所
主分類
G06F
11/22 20060101AFI20250925BHJP(計算;計数)
要約
【課題】本明細書は、検査用プログラムを書き込む手間を低減する技術を提供する。
【解決手段】本明細書は、自動車を制御するコントローラを開示する。コントローラは、所定の電気デバイスを含むユニットに組み込まれている。コントローラには、当該コントローラ自身を検査する自己診断プログラムと、自動車を制御するための製品プログラムと、ユニットを検査するためのユニット検査プログラムが書き込まれている。コントローラは、製品プログラムとユニット検査プログラムの起動に先立って自己診断プログラムを起動する。コントローラは、自己診断プログラムの実行を終えると自己診断プログラムを無効化する。コントローラは、電気デバイスが当該コントローラに電気的に接続されたことを検知するとユニット検査プログラムを起動する。コントローラは、ユニット検査プログラムの実行を終えるとユニット検査プログラムを無効化する。
【選択図】図2
特許請求の範囲
【請求項1】
自動車を制御するコントローラであって、車載の所定の電気デバイスを含むユニットに組み込まれているコントローラであり、
前記コントローラ自身を検査する自己診断プログラムと、前記自動車を制御するための製品プログラムと、前記ユニットを検査するためのユニット検査プログラムが書き込まれており、
前記製品プログラムと前記ユニット検査プログラムの起動に先立って前記自己診断プログラムを起動し、当該自己診断プログラムの実行を終えると当該自己診断プログラムを無効化し、
前記電気デバイスが当該コントローラに電気的に接続されたことを検知すると前記ユニット検査プログラムを起動し、当該ユニット検査プログラムの実行を終えると当該ユニット検査プログラムを無効化する、
自動車用のコントローラ。
発明の詳細な説明
【技術分野】
【0001】
本明細書が開示する技術は、自動車用のコントローラに関する。
続きを表示(約 2,100 文字)
【背景技術】
【0002】
コントローラを含んでいる装置の製造工程にて、製品プログラムがコントローラに書き込まれる。本明細書において、製品プログラムとは、当該装置の本来の機能を実現するプログラムを意味する。特許文献1には、製品プログラムの書き込みに先立って検査プログラムを書き込む技術が開示されている。検査プログラムは、装置の製造工程において、製品のコントローラ(あるいは、コントローラに接続されている電気デバイス)が正常であるか否かをチェックするプログラムを意味する。特許文献2には、検査用プログラムと製品プログラムが書き込まれ、コントローラのCPUが検査プログラムを検知すると、その検査プログラムを実行する光ディスク装置が開示されている。
【先行技術文献】
【特許文献】
【0003】
特開2005-011214号公報
特開2007-250146号公報
【発明の概要】
【発明が解決しようとする課題】
【0004】
特許文献1、2に開示された技術は、いずれも、製品が完成してから検査プログラムと製品プログラムが書き込まれる。自動車などの大きな装置では、装置全体(すなわち自動車)が完成する前に、コントローラにプログラムを書き込む必要がある。その場合、従来では、コントローラに接続されるデバイスの検査用のプログラムは、デバイスが接続されてからコントローラに書き込まれていた。コントローラに接続されるデバイスが複数存在する場合には、デバイスが接続される毎にそのデバイスの検査用のプログラムをコントローラに書き込む必要があった。本明細書は、検査用プログラムを書き込む手間を低減する技術を提供する。
【課題を解決するための手段】
【0005】
本明細書は、自動車を制御するコントローラを開示する。コントローラは、所定の電気デバイスを含むユニットに組み込まれている。コントローラには、当該コントローラ自身を検査する自己診断プログラムと、自動車を制御するための製品プログラムと、ユニットを検査するためのユニット検査プログラムが書き込まれている。コントローラは、製品プログラムとユニット検査プログラムの起動に先立って自己診断プログラムを起動する。コントローラは、自己診断プログラムの実行を終えると自己診断プログラムを無効化する。コントローラは、電気デバイスが当該コントローラに電気的に接続されたことを検知するとユニット検査プログラムを起動する。コントローラは、ユニット検査プログラムの実行を終えるとユニット検査プログラムを無効化する。なお、「プログラムを無効化」とは、プログラムを機能しないようにすることを意味する。「無効化」は、「マスクする」と言い換えられることもある。これに対して「プログラムを終了する」とは、電源の停止や車両停止でプログラムが通常終了することを意味する。
【0006】
本明細書が開示するコントローラには、電気デバイスが接続される前に電気デバイスを含むユニットを検査するためのプログラム(ユニット検査プログラム)と製品プログラムが書き込まれており、コントローラは、電気デバイスの接続を検知するとユニット検査プログラムを起動する。別言すれば、電気デバイスの接続の検知が、ユニット検査プログラム起動のトリガになっている。本明細書が開示するコントーラは、製品プログラムと同時にユニット検査プログラムを書き込むことができるので、ユニット検査プログラム単体を書き込む手間を低減することができる。
【0007】
本明細書が開示する技術の詳細とさらなる改良は以下の「発明を実施するための形態」にて説明する。
【図面の簡単な説明】
【0008】
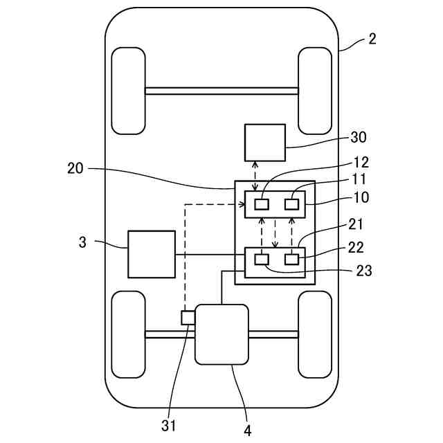
実施例のコントローラ10を含む自動車2のブロック図である。
コントローラ内のプログラムの状態遷移図である。
コントローラにプログラムが書き込まれてから自動車が完成するまでの検査工程のフローチャートである。
コントローラにプログラムが書き込まれてから自動車が完成するまでの検査工程のフローチャートである(図3の続き)。
コントローラにプログラムが書き込まれてから自動車が完成するまでの検査工程のフローチャートである(図4の続き)。
【発明を実施するための形態】
【0009】
図面を参照して実施例のコントローラ10を説明する。コントローラ10は、自動車2に搭載されている。図1に、コントローラ10を含む自動車2のブロック図を示す。自動車2は、電気モータ(モータ4)で走行する電気自動車である。
【0010】
コントローラ10には、中央演算装置(CPU11)と、記憶装置12が含まれている。記憶装置12は、例えば不揮発性メモリであり、書き込まれたプログラムやデータは、電力供給が無くても消えない。
(【0011】以降は省略されています)
この特許をJ-PlatPat(特許庁公式サイト)で参照する
関連特許
トヨタ自動車株式会社
車両
6日前
トヨタ自動車株式会社
電池
6日前
トヨタ自動車株式会社
車両
16日前
トヨタ自動車株式会社
車両
2日前
トヨタ自動車株式会社
車両
2日前
トヨタ自動車株式会社
電動車
2日前
トヨタ自動車株式会社
電動車
16日前
トヨタ自動車株式会社
回転子
17日前
トヨタ自動車株式会社
電解液
2日前
トヨタ自動車株式会社
回転子
2日前
トヨタ自動車株式会社
電動車
2日前
トヨタ自動車株式会社
サーバ
10日前
トヨタ自動車株式会社
電動車
2日前
トヨタ自動車株式会社
モータ
17日前
トヨタ自動車株式会社
ロータ
4日前
トヨタ自動車株式会社
電動車
4日前
トヨタ自動車株式会社
蓄電装置
3日前
トヨタ自動車株式会社
表示装置
18日前
トヨタ自動車株式会社
蓄電装置
2日前
トヨタ自動車株式会社
制御装置
6日前
トヨタ自動車株式会社
加熱装置
16日前
トヨタ自動車株式会社
制御装置
2日前
トヨタ自動車株式会社
蓄電装置
6日前
トヨタ自動車株式会社
蓄電装置
6日前
トヨタ自動車株式会社
蓄電装置
16日前
トヨタ自動車株式会社
制御装置
16日前
トヨタ自動車株式会社
駆動装置
2日前
トヨタ自動車株式会社
育苗装置
3日前
トヨタ自動車株式会社
制御装置
16日前
トヨタ自動車株式会社
蓄電装置
4日前
トヨタ自動車株式会社
制御装置
6日前
トヨタ自動車株式会社
蓄電装置
16日前
トヨタ自動車株式会社
冷却装置
16日前
トヨタ自動車株式会社
給電装置
16日前
トヨタ自動車株式会社
蓄電セル
4日前
トヨタ自動車株式会社
蓄電セル
4日前
続きを見る
他の特許を見る