TOP
|
特許
|
意匠
|
商標
特許ウォッチ
Twitter
他の特許を見る
10個以上の画像は省略されています。
公開番号
2025141663
公報種別
公開特許公報(A)
公開日
2025-09-29
出願番号
2024041691
出願日
2024-03-15
発明の名称
信号認証アダプター
出願人
株式会社コア
代理人
弁理士法人白坂
主分類
G01S
19/37 20100101AFI20250919BHJP(測定;試験)
要約
【課題】衛星信号を認証する機能を備えていない測位器に対して、信号認証機能を付加する信号認証アダプターを提供する。
【解決手段】 信号認証アダプターは、測位器と接続する接続部と、測位器から測位器が受信した衛星信号を受信するI/O部と、I/O部が受信した衛星信号を認証する認証部と、認証部による衛星信号の認証結果を出力する出力部と、を備えることで、測位器が受信した衛星信号が正規の信号であるかを判定することができる。
【選択図】図2
特許請求の範囲
【請求項1】
測位器と接続する接続部と、
前記測位器から前記測位器が受信した衛星信号を受信するI/O部と、
前記I/O部が受信した衛星信号を認証する認証部と、
前記認証部による前記衛星信号の認証結果を出力する出力部と、
を備える信号認証アダプター。
続きを表示(約 690 文字)
【請求項2】
公開鍵を記憶する記憶部を備え、
前記衛星信号は、衛星軌道情報と衛星時計情報とから成るエフェメリスデータのハッシュ値から、前記公開鍵に対応する秘密鍵を用いて生成されたデジタル署名が付された信号であり、
前記認証部は、前記I/O部が受信した衛星信号から前記デジタル署名を抽出し、前記衛星信号に含まれるエフェメリスデータと予め前記記憶部に記憶しておいた前記公開鍵とを用いて、前記デジタル署名を検証することで、前記衛星信号が正規の衛星から送信された信号であるか否かを認証する
ことを特徴とする請求項1に記載の信号認証アダプター。
【請求項3】
前記測位器は、信号認証機能を備えていない第1衛星からの第1衛星信号を用いて測位を行うものであり、
前記信号認証アダプターは、信号認証機能を備える第2衛星からの第2衛星信号を受信する受信部を備え、
前記認証部は、前記第1衛星信号を、前記第2衛星信号に含まれる認証情報を用いて認証する
ことを特徴とする請求項1に記載の信号認証アダプター。
【請求項4】
公開鍵を記憶する記憶部を備え、
前記認証情報は、前記第1衛星信号に含まれるエフェメリスデータのハッシュ値から、前記公開鍵に対応する秘密鍵を用いて生成されたデジタル署名であり、
前記認証部は、前記第1衛星信号と前記秘密鍵に対応する公開鍵とを用いて、前記第2衛星信号に含まれる前記認証情報を検証して、前記第1衛星信号を認証する
ことを特徴とする請求項3に記載の信号認証アダプター。
発明の詳細な説明
【技術分野】
【0001】
本発明は、測位のための衛星信号の認証を行う信号認証アダプターに関する。
続きを表示(約 2,300 文字)
【背景技術】
【0002】
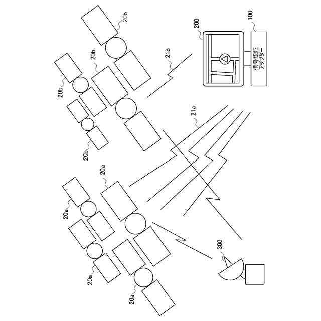
従来、衛星信号からの信号を受けて、測位器の位置を推定する測位技術がある。当該測位技術は、基本的に、4つ以上の衛星の位置と、当該衛星それぞれからの衛星信号が自機に到達するまでに要した時間を用いて、測位器の測位(GNSS)を行う。近年、衛星信号になりすました偽の衛星信号を発信する機器を設置し、測位を行う測位器に偽の衛星信号を受信させることで、偽の位置情報を算出させるスプーフィング攻撃が行われることがある。図9は、測位システムの従来の構成例を示す図である。従来、測位器900は、複数の衛星90a、90b、90c、90dそれぞれから衛星信号(エフェメリスデータを含む)91a、91b、91c、91dを受信し、これらの衛星信号に基づいて測位を行う。ここで、スプーフィング攻撃を行おうとするスプーファー30は、衛星信号と同様の信号31を発信する。スプーファー30は、衛星になりすまして電波を発信する機器である。なお、図9においては、スプーファー30も衛星信号と同様に4つの信号31を発信する例を示しているが、これらの信号は互いに異なる信号である。また、図9において、スプーファー30は1台のみを示しているが、複数台存在してもよく、それぞれで手分けして信号31を発信するようになっていてもよい。ここで、通常スプーファー30は地上に設置され、衛星からの信号よりも信号強度が強い場合には、測位器900は、このスプーファー30からの信号31(及び2つの衛星信号)を用いて自機の位置情報の推定を行ってしまうことがある。この場合には測位器900は正確な位置情報を算出することができない。そこで、特許文献1には、測位を行う車載器が受信した信号が正当な信号であるか否かの認証を行う航法メッセージ認証システムが開示されている。
【先行技術文献】
【特許文献】
【0003】
特許第6427889号
【発明の概要】
【発明が解決しようとする課題】
【0004】
ところで、既存の受信機は、信号認証機能を有していないものも多い。一方で、信号の信頼性という観点において、信号認証機能を有する受信機の普及は避けられない。しかしながら、多くの受信機を利用するユーザにとって、新規に信号認証機能を有する受信機の購入は負担になると考えられる。上記特許文献1に記載の技術を利用すれば、認証機能を付加することに伴う処理負荷を車載器に与えないように、車載器は、受信した衛星信号を通信で外部の認証センタに送信し、認証センタで認証を行い、その結果を車載器が受信して、車載器が受信した衛星信号が正規の衛星信号か否かを認識できる。しかしながら、何らかの事情(例えば、通信障害が発生しているなど)により車載器が認証センタと通信できない場合などには、車載器は受信した衛星信号が正規の衛星信号か否かを認識できなくなるという問題がある。したがって、現行の信号認証機能を有していない受信機でもいつでも衛星信号を認証できるように、新規に信号認証機能を有する受信機を購入するよりも安価に済み、かつ、認証による処理負荷を受信機本体に与えることなく実現できる装置の登場が要望されている。
【0005】
そこで、本発明は、上記問題及び要望に鑑みてなされたものであり、認証機能を持たない測位器であっても、測位が正常か否かを通知することができる信号認証アダプターを提供することを目的とする。
【課題を解決するための手段】
【0006】
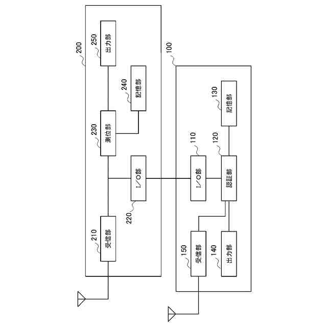
本発明の一実施形態における信号認証アダプターは、測位器と接続する接続部と、測位器から測位器が受信した衛星信号を受信するI/O部と、I/O部が受信した衛星信号を認証する認証部と、認証部による衛星信号の認証結果を出力する出力部と、を備える。
【0007】
また、上記信号認証アダプターにおいて、公開鍵を記憶する記憶部を備え、衛星信号は、衛星軌道情報と衛星時計情報とから成るエフェメリスデータのハッシュ値から公開鍵に対応する秘密鍵を用いて生成されたデジタル署名が付された信号であり、認証部は、I/O部が受信した衛星信号からデジタル署名を抽出し、衛星信号に含まれるエフェメリスデータと予め記憶部に記憶しておいた公開鍵とを用いて、デジタル署名を検証することで、衛星信号が正規の衛星から送信された信号であるか否かを認証することとしてもよい。
【0008】
また、上記信号認証アダプターにおいて、測位器は、信号認証機能を備えていない第1衛星からの第1衛星信号を用いて測位を行うものであり、信号認証アダプターは、信号認証機能を備える第2衛星からの第2衛星信号を受信する受信部を備え、認証部は、第1衛星信号を、第2衛星信号に含まれる認証情報を用いて認証することとしてもよい。
【0009】
また、上記信号認証アダプターにおいて、公開鍵を記憶する記憶部を備え、認証情報は、第1衛星信号に含まれるエフェメリスデータのハッシュ値から、公開鍵に対応する秘密鍵を用いて生成されたデジタル署名であり、認証部は、第1衛星信号と秘密鍵に対応する公開鍵とを用いて、第2衛星信号に含まれる認証情報を検証して、第1衛星信号を認証することとしてもよい。
【発明の効果】
【0010】
本発明の一実施形態における信号認証アダプターは、衛星信号の認証機能のない測位器に対して、衛星信号の認証機能を与えることができる。
【図面の簡単な説明】
(【0011】以降は省略されています)
この特許をJ-PlatPat(特許庁公式サイト)で参照する
関連特許
株式会社コア
信号認証アダプター
2日前
株式会社コアバリュー
EQ(心の知能指数)の測定装置
3か月前
株式会社コア・プログレスイノベーション
申請書作成システム、申請書作成方法及びプログラム
1か月前
株式会社コア
情報処理装置、情報処理方法および情報処理プログラム
2日前
株式会社コアコンセプト・テクノロジー
3次元CADシステム
14日前
個人
計量スプーン
22日前
日本精機株式会社
位置検出装置
今日
日本精機株式会社
位置検出装置
今日
日本精機株式会社
位置検出装置
今日
大和製衡株式会社
組合せ秤
5日前
大和製衡株式会社
組合せ秤
5日前
株式会社ユーシン
操作検出装置
2日前
トヨタ自動車株式会社
検査装置
2日前
トヨタ自動車株式会社
表示装置
14日前
ダイハツ工業株式会社
測定用具
26日前
株式会社東芝
センサ
5日前
株式会社東芝
センサ
5日前
株式会社ヨコオ
コンタクタ
26日前
東レエンジニアリング株式会社
計量装置
2日前
株式会社ナリス化粧品
角層細胞採取用具
12日前
TDK株式会社
磁気センサ
22日前
個人
粘塑性を用いた有限要素法の定式化
14日前
日本碍子株式会社
ガスセンサ
23日前
株式会社熊谷組
RI計測装置
今日
個人
材料特性パラメータの算定方法
22日前
中国電力株式会社
異常箇所検出装置
13日前
TDK株式会社
磁気計測装置
13日前
成田空港給油施設株式会社
保持治具
13日前
三菱マテリアル株式会社
温度センサ
12日前
大同特殊鋼株式会社
超音波探傷方法
22日前
富士電機株式会社
半導体パッケージ
22日前
株式会社関電工
検相器用治具
20日前
三菱マテリアル株式会社
温度センサ
12日前
アンリツ株式会社
物品検査装置
2日前
新潟精機株式会社
溶接用ゲージ
22日前
戸田建設株式会社
測量機
13日前
続きを見る
他の特許を見る