TOP
|
特許
|
意匠
|
商標
特許ウォッチ
Twitter
他の特許を見る
公開番号
2025140375
公報種別
公開特許公報(A)
公開日
2025-09-29
出願番号
2024039735
出願日
2024-03-14
発明の名称
電流検出装置
出願人
Astemo株式会社
代理人
個人
,
個人
主分類
G01R
19/10 20060101AFI20250919BHJP(測定;試験)
要約
【課題】隣接する入力ポートの間でショートが発生しても、2つの検出回路での電流検出が不能になることを抑止できる、電流検出装置を提供する。
【解決手段】本発明に係る電流検出装置によれば、その1つの態様において、隣り合う、第1検出回路4Aの反転入力端子に接続される入力ポートSN1と、第2検出回路4Bの非反転入力端子に接続される入力ポートSP2とが同電位となるように、シャント抵抗器7の上流側電位、下流側電位を各入力ポートSP1,SN1,SP2,SN2に入力する。
【選択図】図1
特許請求の範囲
【請求項1】
インバータ回路の電源側又はグランド側に直列接続されたシャント抵抗器と、
前記シャント抵抗器の両端の電位差を検出する第1検出回路と、
前記シャント抵抗器の両端の電位差を検出する第2検出回路と、
前記シャント抵抗器の上流側電位を前記第1検出回路及び前記第2検出回路に入力する上流入力ラインと、
前記シャント抵抗器の下流側電位を前記第1検出回路及び前記第2検出回路に入力する下流入力ラインと、
を有し、
前記第1検出回路の一対の入力ポートと、前記第2検出回路の一対の入力ポートとが並設され、
隣り合う前記第1検出回路の入力ポートと前記第2検出回路の入力ポートとが同電位となるように、前記上流入力ライン、前記下流入力ラインが各入力ポートに接続されている、
電流検出装置。
続きを表示(約 740 文字)
【請求項2】
請求項1に記載の電流検出装置であって、
前記第1検出回路の一対の入力ポートのうちの反転入力ポートと前記第2検出回路の一対の入力ポートのうちの非反転入力ポートとが隣り合い、
前記第1検出回路の反転入力ポートと前記第2検出回路の非反転入力ポートとが同電位となり、前記第1検出回路の非反転入力ポートと前記第2検出回路の反転入力ポートとが同電位となるように、前記上流入力ライン、前記下流入力ラインを各入力ポートに接続した、
電流検出装置。
【請求項3】
請求項2に記載の電流検出装置であって、
前記第1検出回路の出力と前記第2検出回路の出力との平均に基づき電流を検出する、
電流検出装置。
【請求項4】
請求項1に記載の電流検出装置であって、
前記第1検出回路及び前記第2検出回路に加え、前記シャント抵抗器の両端の電位差を検出する第3検出回路を有し、
前記第1検出回路の一対の入力ポートと、前記第2検出回路の一対の入力ポートと、前記第3検出回路の一対の入力ポートとをこの順で並設し、
前記第1検出回路の反転入力ポートと前記第2検出回路の非反転入力ポートとが隣り合い、前記第2検出回路の反転入力ポートと前記第3検出回路の非反転入力ポートとが隣り合い、
前記第2検出回路の非反転入力ポートが、前記第1検出回路及び前記第3検出回路の反転入力ポートと同電位となり、かつ、前記第2検出回路の反転入力ポートが、前記第1検出回路及び前記第3検出回路の非反転入力ポートと同電位となるように、前記上流入力ライン、前記下流入力ラインが各入力ポートに接続されている、
電流検出装置。
発明の詳細な説明
【技術分野】
【0001】
本発明は、電流検出装置に関する。
続きを表示(約 1,600 文字)
【背景技術】
【0002】
特許文献1の車両搭載機器の制御装置は、車両搭載機器の駆動部を制御する指令信号を演算するCPUと、車両搭載機器の状態量を検出する状態量検出部と、前記CPUと前記状態量検出部の間に設けられ、前記状態量検出部によって検出された前記状態量のアナログ信号である第1信号の振幅を変化させる振幅変化部と、前記CPUに設けられ、前記振幅変化部を通過した前記第1信号と前記状態量検出部によって検出された前記状態量のアナログ信号である第2信号とを比較することにより装置の異常の有無を判断する比較判断を実行する異常判断部と、を有する。
【先行技術文献】
【特許文献】
【0003】
特開2018-095221号公報
【発明の概要】
【発明が解決しようとする課題】
【0004】
ところで、インバータ回路に流れる電流を検出する場合、シャント抵抗器の両端の電位差を複数の検出回路(差動増幅器)で検出することで、電流検出の信頼性を向上させることができる。
ここで、複数の検出回路を備えたIC(Integrated Circuit)を用いる場合、各電流検出回路の一対の入力ポート(ICピン)が並設され、第1検出回路の入力ポートのうちのシャント抵抗器の下流側電位が入力される入力ポートと、第2検出回路の入力ポートのうちのシャント抵抗器の上流側電位が入力される入力ポートとが隣り合うことがあった。
そして、係るICの場合、隣り合う第1検出回路の入力ポートと第2検出回路の入力ポートとの間がショートすると、第1検出回路及び第2検出回路での電流検出が不能になるという課題があった。
【0005】
そこで、本発明の目的は、隣接する入力ポートの間でショートが発生しても、2つの検出回路での電流検出が不能になることを抑止できる、電流検出装置を提供することにある。
【課題を解決するための手段】
【0006】
本発明に係る電流検出装置は、その1つの態様において、隣り合う第1検出回路の入力ポートと第2検出回路の入力ポートとが同電位となるように、シャント抵抗器の上流側電位、下流側電位を各入力ポートに入力するようにした。
【発明の効果】
【0007】
本発明によれば、隣接する入力ポートの間でショートが発生しても、2つの検出回路での電流検出が不能になることを抑止できる。
【図面の簡単な説明】
【0008】
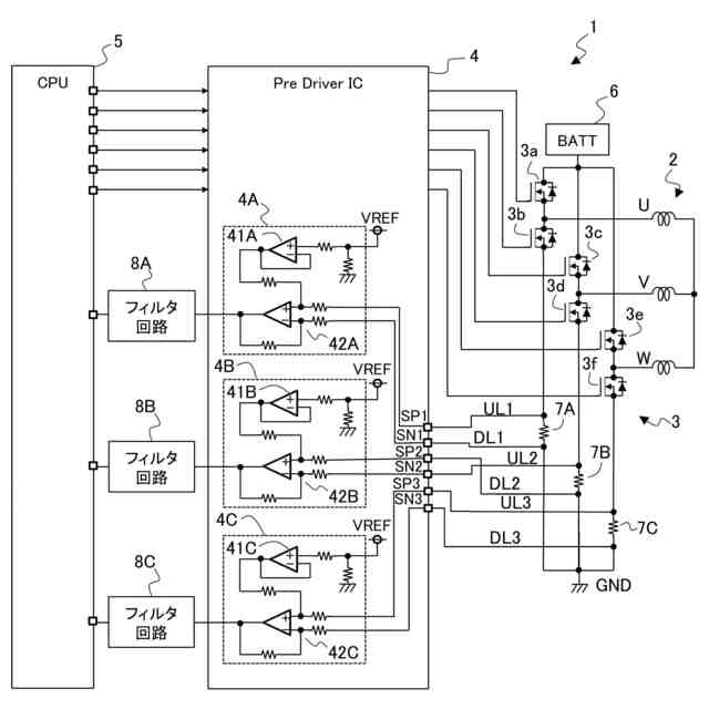
モータ制御システムの第1態様を示す構成図である。
第1態様における検出回路の異常検出処理を示すフローチャートである。
オフセット補正処理を示すフローチャートである。
電圧の制御状態を示す図である。
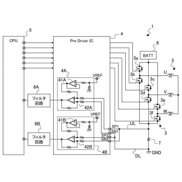
モータ制御システムの第2態様を示す構成図である。
第2態様における検出回路の異常検出処理を示すフローチャートである。
モータ制御システムの第3態様を示す構成図である。
【発明を実施するための形態】
【0009】
以下、本発明に係る電流検出装置の実施形態を、図面に基づいて説明する。
図1は、本発明に係る電流検出装置を含むモータ制御システム1を示す構成図である。
なお、モータ制御システム1は、たとえば、車両に搭載される電動パワーステアリング装置において操舵力を発生するモータの制御に適用される。
【0010】
モータ制御システム1は、モータ2、インバータ回路3、プリドライバIC4、CPU(Central Processing Unit)5を有する。
モータ2は、たとえば3相ブラシレスモータであって、U相コイル、V相コイル及びW相コイルからなる3相巻線組を有する。
(【0011】以降は省略されています)
この特許をJ-PlatPat(特許庁公式サイト)で参照する
関連特許
Astemo株式会社
樹脂筐体
今日
Astemo株式会社
電池監視装置
今日
Astemo株式会社
電動駆動装置
今日
Astemo株式会社
電流検出装置
2日前
Astemo株式会社
電圧検出装置
2日前
Astemo株式会社
緩衝装置、懸架装置
今日
Astemo株式会社
バッテリー充電装置
2日前
Astemo株式会社
支持ユニット、懸架装置
2日前
Astemo株式会社
バンプストッパ、緩衝器
2日前
Astemo株式会社
インジェクタ故障検出装置
2日前
Astemo株式会社
制御装置及び鍵情報秘匿方法
2日前
Astemo株式会社
タスク処理方法および制御装置
2日前
Astemo株式会社
電池監視装置及び電池管理システム
今日
Astemo株式会社
車両制御装置及びセンサデータ処理方法
今日
Astemo株式会社
自動車用電子制御装置およびメモリ管理装置
2日前
Astemo株式会社
車両制御システム
1日前
Astemo株式会社
改善システム、改善方法
6日前
Astemo株式会社
サスペンション制御装置、サスペンション制御方法、およびサスペンション制御プログラム
今日
個人
計量スプーン
22日前
個人
微小振動検出装置
1か月前
株式会社イシダ
X線検査装置
1か月前
日本精機株式会社
位置検出装置
今日
日本精機株式会社
位置検出装置
今日
日本精機株式会社
位置検出装置
今日
大和製衡株式会社
組合せ秤
5日前
大和製衡株式会社
組合せ秤
5日前
トヨタ自動車株式会社
検査装置
2日前
株式会社東芝
センサ
5日前
トヨタ自動車株式会社
表示装置
14日前
アンリツ株式会社
分光器
28日前
ダイハツ工業株式会社
測定用具
26日前
株式会社東芝
センサ
1か月前
アンリツ株式会社
分光器
28日前
株式会社ユーシン
操作検出装置
2日前
株式会社東芝
センサ
5日前
株式会社カワタ
サンプリング装置
1か月前
続きを見る
他の特許を見る