TOP
|
特許
|
意匠
|
商標
特許ウォッチ
Twitter
他の特許を見る
10個以上の画像は省略されています。
公開番号
2025142955
公報種別
公開特許公報(A)
公開日
2025-10-01
出願番号
2024042607
出願日
2024-03-18
発明の名称
緩衝装置、懸架装置
出願人
Astemo株式会社
代理人
個人
主分類
F16F
9/34 20060101AFI20250924BHJP(機械要素または単位;機械または装置の効果的機能を生じ維持するための一般的手段)
要約
【課題】小型化を図ることができる緩衝装置等を提供する。
【解決手段】ロッドに保持されたピストンにより区画された第1室と第2室とを連通する第1連通路上に配置されるとともに、第1室の圧力である第1圧力よりも第2室の圧力である第2圧力が高い場合に第1連通路を開き、第2圧力よりも第1圧力が高い場合に第1連通路を閉じる第1バルブと、ロッドの周囲に形成された、第1室と第2室とを連通する第2連通路上に設けられて、第1圧力よりも第2圧力が高い場合に第2連通路を閉じるとともに第1バルブに対する背圧を生じさせる背圧室の容積を大きくするように弾性変形し、第2圧力よりも第1圧力が高い場合に第2連通路を開く第2バルブと、第2バルブを収容して第2バルブとともに背圧室を形成し、第2バルブの弾性変形を規制する規制部と、第2バルブが着座する部位であって第2バルブとの間をシールする着座部を有するハウジングと、を備える緩衝装置。
【選択図】図2
特許請求の範囲
【請求項1】
ロッドに保持されたピストンにより区画された第1室と第2室とを連通する第1連通路上に配置されるとともに、前記第1室の圧力である第1圧力よりも前記第2室の圧力である第2圧力が高い場合に前記第1連通路を開き、前記第2圧力よりも前記第1圧力が高い場合に前記第1連通路を閉じる第1バルブと、
前記ロッドの周囲に形成された、前記第1室と前記第2室とを連通する第2連通路上に設けられて、前記第1圧力よりも前記第2圧力が高い場合に前記第2連通路を閉じるとともに前記第1バルブに対する背圧を生じさせる背圧室の容積を大きくするように弾性変形し、前記第2圧力よりも前記第1圧力が高い場合に前記第2連通路を開く第2バルブと、
前記第2バルブを収容して前記第2バルブとともに前記背圧室を形成し、前記第2バルブの前記弾性変形を規制する規制部と、前記第2バルブが着座する部位であって前記第2バルブとの間をシールする着座部を有するハウジングと、
を備える緩衝装置。
続きを表示(約 520 文字)
【請求項2】
前記背圧室を区画するとともに、前記ハウジングに対して摺動自在に嵌め込まれる摺動部材をさらに有し、
前記ハウジングは、前記摺動部材との間をシールする摺動シール部を有する、
請求項1に記載の緩衝装置。
【請求項3】
前記ハウジングは、前記摺動部材の摺動を支持する支持部を有する、
請求項2に記載の緩衝装置。
【請求項4】
前記ハウジングは、金属にて成形された本体と、前記本体に焼き付けられて前記着座部を構成するゴムとを有する、
請求項1に記載の緩衝装置。
【請求項5】
前記ハウジングは、前記ロッドが塑性変形されることにより成形された加締め部によって保持されている、
請求項1に記載の緩衝装置。
【請求項6】
前記ハウジングおよび前記第2バルブは、前記ロッドが加締められた加締め部によって保持されている、
請求項1に記載の緩衝装置。
【請求項7】
請求項1から6のいずれか1項に記載の緩衝装置と、
前記緩衝装置の周囲に配置されたコイルスプリングと、
を備える懸架装置。
発明の詳細な説明
【技術分野】
【0001】
本発明は、緩衝装置および懸架装置に関する。
続きを表示(約 2,600 文字)
【背景技術】
【0002】
例えば、特許文献1に記載の圧力緩衝装置は、液体を収容するシリンダに挿入され前記シリンダに対して軸方向に移動可能に設けられるロッドと、前記ロッドに接続するとともに、前記シリンダ内の空間を、液体を収容する第1液室と第2液室とに区画するピストンとを備える。また、特許文献1に記載の圧力緩衝装置は、前記第1液室と前記第2液室との間における液体の流路を形成する流路形成部と、前記流路形成部の前記流路を開閉して減衰力を発生させるバルブ部と、液体が流入する流入部を有し、前記流入部の液体の圧力によって前記バルブ部にて発生させる減衰力を変更する減衰力変更部と、を備える。そして、前記減衰力変更部は、変形または変位することにより前記流入部の液体の圧力を変化させる圧力変化部と、前記圧力変化部を支持する支持部と、加締められた加締め部によって前記支持部を保持し、前記支持部と共に前記流入部を形成する流入形成部と、を有する。また、前記減衰力変更部は、前記流入部に対する液体の流路上に設けられて液体に混入する異物を捕集するフィルタを有するとともに、前記加締め部により前記支持部と共に前記流入形成部に保持されるフィルタ部と、を有する。
【先行技術文献】
【特許文献】
【0003】
特許第6539009号
【発明の概要】
【発明が解決しようとする課題】
【0004】
特許文献1に記載の装置は、小型化を図るという点において改善の余地があった。
本発明は、小型化を図ることができる緩衝装置等を提供することを目的とする。
【課題を解決するための手段】
【0005】
かかる目的のもと完成させた本発明は、ロッドに保持されたピストンにより区画された第1室と第2室とを連通する第1連通路上に配置されるとともに、前記第1室の圧力である第1圧力よりも前記第2室の圧力である第2圧力が高い場合に前記第1連通路を開き、前記第2圧力よりも前記第1圧力が高い場合に前記第1連通路を閉じる第1バルブと、前記ロッドの周囲に形成された、前記第1室と前記第2室とを連通する第2連通路上に設けられて、前記第1圧力よりも前記第2圧力が高い場合に前記第2連通路を閉じるとともに前記第1バルブに対する背圧を生じさせる背圧室の容積を大きくするように弾性変形し、前記第2圧力よりも前記第1圧力が高い場合に前記第2連通路を開く第2バルブと、前記第2バルブを収容して前記第2バルブとともに前記背圧室を形成し、前記第2バルブの前記弾性変形を規制する規制部と、前記第2バルブが着座する部位であって前記第2バルブとの間をシールする着座部を有するハウジングと、を備える緩衝装置である。
【発明の効果】
【0006】
本発明によれば、小型化を図ることができる緩衝装置等を提供することができる。
【図面の簡単な説明】
【0007】
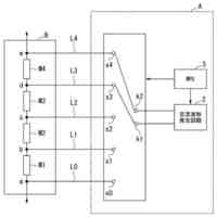
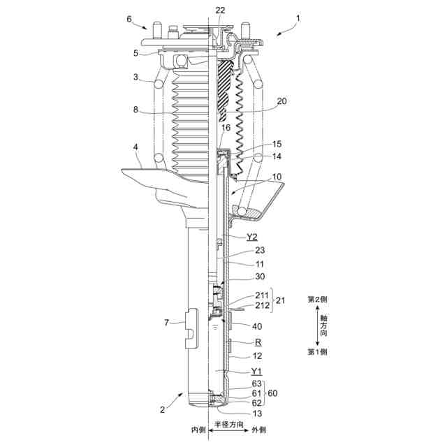
第1実施形態に係る懸架装置の概略構成の一例を示す図である。
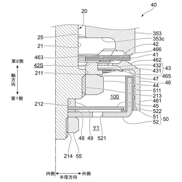
第1実施形態に係るピストン部および減衰力変更部の断面の一例を示す図である。
絞り部材の概略構成の一例を示す図である。
支持バネの概略構成の一例を示す図である。
減衰力変更部の部分断面の一例を示す図である。
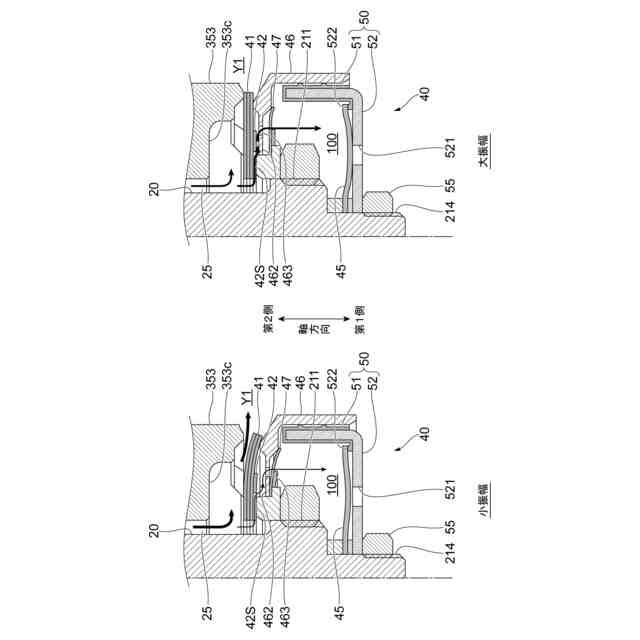
圧縮行程時および伸長行程時におけるピストン部とボトム部の動作説明図である。
伸長行程時における減衰力変更部の動作の一例を示す図である。
圧縮行程時における減衰力変更部の動作の一例を示す図である。
変形例に係るゴム部の一例を示す図である。
変形例に係る保持構造の一例を示す図である。
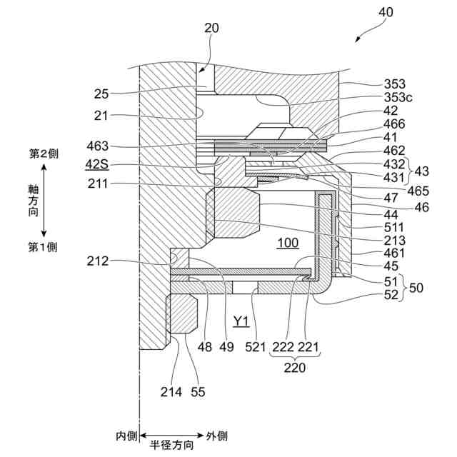
圧力調整室のシールの変形例の一例を示す図である。
変形例に係る第2バルブの一例を示す図である。
第2実施形態に係る緩衝装置の断面の一例を示す図である。
第2実施形態に係るハウジングの変形例に係るハウジングの一例を示す図である。
第3実施形態に係る緩衝装置の断面の一例を示す図である。
第4実施形態に係る緩衝装置の断面の一例を示す図である。
【発明を実施するための形態】
【0008】
以下、添付図面を参照して、本発明の実施形態について詳細に説明する。
<第1実施形態>
図1は、第1実施形態に係る懸架装置1の概略構成の一例を示す図である。
懸架装置1は、乗用自動車等の四輪車に用いられるサスペンションであり、図1に示すように、油圧式の緩衝装置2と、緩衝装置2の外側に配置されたコイルスプリング3とを備える。また、懸架装置1は、コイルスプリング3における、後述するロッド20の軸方向の第1側(図1では下側)の端部を支持する下スプリングシート4と、コイルスプリング3における、ロッド20の軸方向の第2側(図1では上側)の端部を支持する上スプリングシート5とを備える。
【0009】
また、懸架装置1は、懸架装置1を車両に取り付けるための車体側ブラケット6と、懸架装置1を車輪に取り付けるための車輪側ブラケット7と、シリンダ部10およびロッド20の少なくとも一部を覆うダストカバー8とを備える。
以下では、ロッド20の軸方向を、単に「軸方向」と称する場合がある。また、軸方向の第1側(図1では下側)、軸方向の第2側(図1では上側)を、それぞれ、単に「第1側」、「第2側」と称する場合がある。また、軸方向に交差する方向(例えば、直交方向)を、「半径方向」と称する場合がある。半径方向において、シリンダ11の中心線側を単に「内側」と称し、中心線から離れる側を単に「外側」と称する場合がある。
【0010】
以下、緩衝装置2について詳述する。
緩衝装置2は、オイルを収容するシリンダ部10と、第2側の端部がシリンダ部10から突出して設けられるとともに第1側の端部がシリンダ部10内に挿入されるロッド20とを備える。また、緩衝装置2は、ロッド20の第1側の端部に設けられるピストン部30およびピストン部30にて発生する減衰力を調整する減衰力変更部40と、シリンダ部10の第1側の端部に設けられるボトム部60とを備える。
(【0011】以降は省略されています)
この特許をJ-PlatPat(特許庁公式サイト)で参照する
関連特許
Astemo株式会社
樹脂筐体
2日前
Astemo株式会社
半導体装置
8日前
Astemo株式会社
電圧検出装置
4日前
Astemo株式会社
電動駆動装置
2日前
Astemo株式会社
電流検出装置
4日前
Astemo株式会社
電圧検出装置
今日
Astemo株式会社
電池監視装置
2日前
Astemo株式会社
電動モータ装置
1日前
Astemo株式会社
電池管理システム
今日
Astemo株式会社
インバータ制御装置
14日前
Astemo株式会社
緩衝装置、懸架装置
2日前
Astemo株式会社
バッテリー充電装置
4日前
Astemo株式会社
インジェクタ駆動装置
今日
Astemo株式会社
回転電機のロータ構造
今日
Astemo株式会社
支持ユニット、懸架装置
4日前
Astemo株式会社
バンプストッパ、緩衝器
4日前
Astemo株式会社
放電装置及び電力変換装置
1日前
Astemo株式会社
インジェクタ故障検出装置
今日
Astemo株式会社
インジェクタ故障検出装置
4日前
Astemo株式会社
制御装置及び鍵情報秘匿方法
4日前
Astemo株式会社
タスク処理方法および制御装置
4日前
Astemo株式会社
車両制御装置及び車両制御方法
8日前
Astemo株式会社
めっき部材およびその製造方法
15日前
Astemo株式会社
温度検出装置及び電圧検出装置
今日
Astemo株式会社
地絡検出装置及び地絡検出方法
8日前
Astemo株式会社
ナット部材、緩衝装置、加圧工具
1日前
Astemo株式会社
電池監視装置及び電池管理システム
今日
Astemo株式会社
電池監視装置及び電池管理システム
2日前
Astemo株式会社
車両制御装置及びセンサデータ処理方法
2日前
Astemo株式会社
自動車用電子制御装置およびメモリ管理装置
4日前
Astemo株式会社
サーバ装置
14日前
Astemo株式会社
半導体装置
今日
Astemo株式会社
走行支援装置
14日前
Astemo株式会社
被牽引車用制御装置及び被牽引車バッテリ充電率調整システム
今日
Astemo株式会社
車両制御システム
3日前
Astemo株式会社
改善システム、改善方法
8日前
続きを見る
他の特許を見る