TOP
|
特許
|
意匠
|
商標
特許ウォッチ
Twitter
他の特許を見る
10個以上の画像は省略されています。
公開番号
2025140334
公報種別
公開特許公報(A)
公開日
2025-09-29
出願番号
2024039674
出願日
2024-03-14
発明の名称
映像伝送装置、映像伝送方法、プログラム
出願人
日本電気株式会社
代理人
個人
,
個人
,
個人
,
個人
主分類
H04N
19/115 20140101AFI20250919BHJP(電気通信技術)
要約
【課題】映像データの伝送を行う場合において映像データを推論処理に適切に活用する映像伝送装置、映像伝送方法及びプログラムを提供する。
【解決手段】映像処理システムにおいて、映像伝送装置200は、映像を構成するフレーム画像を分割した各分割画像を、分割画像毎にそれぞれ設定された分割画像用のビットレートでそれぞれ符号化する符号化部221と、符号化したフレーム画像を伝送路を介して送信する送信部222と、伝送路の帯域の推定値である推定帯域と、フレーム画像の分割画像毎において所定の推論処理を行った場合における分割画像毎の推論精度と、を取得する取得部223と、備え、上記符号化部221は、伝送路の推定帯域内で送信可能なようにフレーム画像を符号化できるよう、分割画像毎における推論精度に基づいて、分割画像毎に対してそれぞれ符号化の際に用いる分割画像用のビットレートを設定する。
【選択図】図13
特許請求の範囲
【請求項1】
映像を構成するフレーム画像を分割した各分割画像を、分割画像毎にそれぞれ設定された分割画像用のビットレートでそれぞれ符号化する符号化部と、
符号化した前記フレーム画像を、伝送路を介して送信する送信部と、
前記伝送路の帯域の推定値である推定帯域と、前記フレーム画像の前記分割画像毎において所定の推論処理を行った場合における当該分割画像毎の推論精度と、を取得する取得部と、
を備え、
前記符号化部は、前記伝送路の前記推定帯域内で送信可能なように前記フレーム画像を符号化できるよう、前記分割画像毎における前記推論精度に基づいて、前記分割画像毎に対してそれぞれ符号化の際に用いる前記分割画像用のビットレートを設定する、
映像伝送装置。
続きを表示(約 2,000 文字)
【請求項2】
請求項1に記載の映像伝送装置であって、
前記取得部は、複数の異なる値のビットレートでそれぞれ前記フレーム画像全体を符号化した場合におけるビットレート毎かつ前記分割画像毎における推論精度を取得し、
前記符号化部は、ビットレート毎かつ前記分割画像毎における前記推論精度に基づいて、前記分割画像毎に対してそれぞれ前記分割画像用のビットレートを設定する、
映像伝送装置。
【請求項3】
請求項2に記載の映像伝送装置であって、
前記取得部は、前記分割画像毎におけるビットレートの変化に対する前記推論精度の変化を表す関係情報を取得し、
前記符号化部は、前記関係情報に基づいて、前記分割画像毎に対してそれぞれ前記分割画像用のビットレートを設定する、
映像伝送装置。
【請求項4】
請求項3に記載の映像伝送装置であって、
前記符号化部は、前記関係情報に基づいて、ビットレートの変化に対する前記推論精度の変化が小さい前記分割画像よりも、ビットレートの変化に対する前記推論精度の変化が大きい前記分割画像に対して、大きな値の前記分割画像用のビットレートを設定する、
映像伝送装置。
【請求項5】
請求項2に記載の映像伝送装置であって、
前記符号化部は、複数の異なる値のビットレートでそれぞれ前記フレーム画像全体を符号化する第二符号化処理を行い、
前記送信部は、前記第二符号化処理されたビットレート毎の前記フレーム画像をそれぞれ受信装置に送信し、
前記取得部は、前記第二符号化処理されたビットレート毎の前記フレーム画像に対して前記受信装置にて前記分割画像毎に行われた所定の推論処理における推論精度を、前記受信装置から取得する、
映像伝送装置。
【請求項6】
請求項5に記載の映像伝送装置であって、
前記取得部は、前記推定帯域が予め設定された基準により前記フレーム画像の送信における帯域として余裕があるか否かを判定し、
前記符号化部は、前記余裕がある場合に、前記第二符号化処理を行い、前記余裕がない場合に、前記分割画像用のビットレートを設定して当該分割画像用のビットレートで符号化処理を行い、
前記送信部は、前記余裕がある場合に、前記第二符号化処理による前記フレーム画像を前記受信装置に送信し、前記余裕がない場合に、前記分割画像用のビットレートでの符号化処理による前記フレーム画像を前記受信装置に送信する、
映像伝送装置。
【請求項7】
請求項1に記載の映像伝送装置であって、
前記取得部は、前記伝送路を介したデータ送受信時における帯域情報を取得し、当該帯域情報に基づいて前記伝送路の後の帯域の値を推定して前記推定帯域を取得する、
映像伝送装置。
【請求項8】
映像を構成するフレーム画像を分割した各分割画像を、分割画像毎にそれぞれ設定された分割画像用のビットレートでそれぞれ符号化し、
符号化した前記フレーム画像を、伝送路を介して送信する映像伝送方法であって、
前記伝送路の帯域の推定値である推定帯域と、前記フレーム画像の前記分割画像毎において所定の推論処理を行った場合における当該分割画像毎の推論精度と、を取得し、
前記伝送路の前記推定帯域内で送信可能なように前記フレーム画像を符号化できるよう、前記分割画像毎における前記推論精度に基づいて、前記分割画像毎に対してそれぞれ符号化の際に用いる前記分割画像用のビットレートを設定する、
映像伝送方法。
【請求項9】
請求項8に記載の映像伝送方法であって、
複数の異なる値のビットレートでそれぞれ前記フレーム画像全体を符号化した場合におけるビットレート毎かつ前記分割画像毎における推論精度を取得し、
ビットレート毎かつ前記分割画像毎における前記推論精度に基づいて、前記分割画像毎に対してそれぞれ前記分割画像用のビットレートを設定する、
映像伝送方法。
【請求項10】
映像を構成するフレーム画像を分割した各分割画像を、分割画像毎にそれぞれ設定された分割画像用のビットレートでそれぞれ符号化し、
符号化した前記フレーム画像を、伝送路を介して送信する映像伝送方法であって、
前記伝送路の帯域の推定値である推定帯域と、前記フレーム画像の前記分割画像毎において所定の推論処理を行った場合における当該分割画像毎の推論精度と、を取得し、
前記伝送路の前記推定帯域内で送信可能なように前記フレーム画像を符号化できるよう、前記分割画像毎における前記推論精度に基づいて、前記分割画像毎に対してそれぞれ符号化の際に用いる前記分割画像用のビットレートを設定する、
処理をコンピュータに実行させるプログラム。
発明の詳細な説明
【技術分野】
【0001】
本開示は、映像伝送装置、映像伝送方法、プログラムに関する。
続きを表示(約 2,700 文字)
【背景技術】
【0002】
映像データからAI(Artificial Intelligence)にて推論する目的で、AIを搭載した装置に映像データを伝送することが行われている。このとき、映像データの伝送コストを削減するために、符号化の際に圧縮して映像データの符号量を削減することが行われる。例えば、特許文献1には、画像に対する所定の推論結果を用いて、画像内の領域毎に低圧縮や高圧縮で符号化する技術が提案されている。
【先行技術文献】
【特許文献】
【0003】
国際公開2022/079791号
【発明の概要】
【発明が解決しようとする課題】
【0004】
しかしながら、映像データを伝送する際に、伝送路の状況によっては推論に適した符号量の映像データを伝送することができないこともあり、適切な推論を行うことができない場合が生じうる。つまり、映像データの伝送を行う場合において、かかる映像データを推論処理に適切に活用することができない場合が生じる、という問題がある。
【0005】
このため、本開示の目的は、上述した課題である、映像データの伝送を行う場合において、映像データを推論処理に適切に活用することができない場合が生じる、という問題を解決することにある。
【課題を解決するための手段】
【0006】
本開示の一形態である映像伝送装置は、
映像を構成するフレーム画像を分割した各分割画像を、分割画像毎にそれぞれ設定された分割画像用のビットレートでそれぞれ符号化する符号化部と、
符号化した前記フレーム画像を、伝送路を介して送信する送信部と、
前記伝送路の帯域の推定値である推定帯域と、前記フレーム画像の前記分割画像毎において所定の推論処理を行った場合における当該分割画像毎の推論精度と、を取得する取得部と、
を備え、
前記符号化部は、前記伝送路の前記推定帯域内で送信可能なように前記フレーム画像を符号化できるよう、前記分割画像毎における前記推論精度に基づいて、前記分割画像毎に対してそれぞれ符号化の際に用いる前記分割画像用のビットレートを設定する、
という構成をとる。
また、本開示の一形態である映像伝送方法は、
映像を構成するフレーム画像を分割した各分割画像を、分割画像毎にそれぞれ設定された分割画像用のビットレートでそれぞれ符号化し、
符号化した前記フレーム画像を、伝送路を介して送信する映像伝送方法であって、
前記伝送路の帯域の推定値である推定帯域と、前記フレーム画像の前記分割画像毎において所定の推論処理を行った場合における当該分割画像毎の推論精度と、を取得し、
前記伝送路の前記推定帯域内で送信可能なように前記フレーム画像を符号化できるよう、前記分割画像毎における前記推論精度に基づいて、前記分割画像毎に対してそれぞれ符号化の際に用いる前記分割画像用のビットレートを設定する、
という構成をとる。
また、本開示の一形態である映像伝送方法は、
映像を構成するフレーム画像を分割した各分割画像を、分割画像毎にそれぞれ設定された分割画像用のビットレートでそれぞれ符号化し、
符号化した前記フレーム画像を、伝送路を介して送信する映像伝送方法であって、
前記伝送路の帯域の推定値である推定帯域と、前記フレーム画像の前記分割画像毎において所定の推論処理を行った場合における当該分割画像毎の推論精度と、を取得し、
前記伝送路の前記推定帯域内で送信可能なように前記フレーム画像を符号化できるよう、前記分割画像毎における前記推論精度に基づいて、前記分割画像毎に対してそれぞれ符号化の際に用いる前記分割画像用のビットレートを設定する、
処理をコンピュータに実行させる、
という構成をとる。
【発明の効果】
【0007】
本開示は、以上のように構成されることにより、映像データの伝送を行う場合において、映像データを推論処理に適切に活用することができる。
【図面の簡単な説明】
【0008】
本開示における映像処理システムの構成を示すブロック図である。
本開示における映像処理システムの画像処理の様子を示す図である。
本開示における映像処理システムの画像処理の様子を示す図である。
本開示における映像処理システムの画像処理の様子を示す図である。
本開示における映像処理システムの画像処理の様子を示す図である。
本開示における映像処理システムの処理動作を示すフローチャートである。
本開示における映像処理システムの処理動作を示すフローチャートである。
本開示における映像処理システムの処理動作を示すフローチャートである。
本開示における映像処理システムの処理動作を示すフローチャートである。
本開示における映像処理システムの処理動作を示すフローチャートである。
本開示における映像処理システムの処理動作を示すフローチャートである。
本開示における映像伝送装置のハードウェア構成を示すブロック図である。
本開示にかかる映像伝送装置の構成を示すブロック図である。
【発明を実施するための形態】
【0009】
<第1の実施形態>
本開示の第1の実施形態について、図面を参照して説明する。なお、図面はいずれの実施形態においても関連しうる。
【0010】
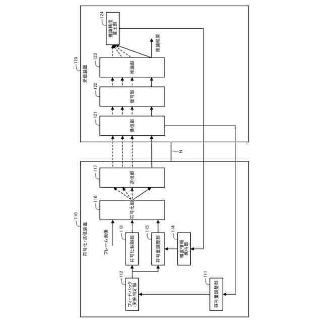
本実施形態における映像処理システムは、一例として、監視カメラの映像をもとに人物検出を行い、不審人物を発見することに使用される。そして、映像処理システムは、映像データを符号化して伝送路にて送信する符号化・送信装置110と、当該符号化・送信装置110と伝送路Nで接続され、符号化されて伝送路を介して送信された映像データを受信して不審人物を発見するといった推論処理を行う受信装置120と、を備えて構成される。但し、本開示における映像処理システムは、いかなる目的で使用されてもよく、いかなる映像データを符号化して送信してもよく、かかる映像データを用いていかなる推論処理を行うものであってもよい。
(【0011】以降は省略されています)
この特許をJ-PlatPat(特許庁公式サイト)で参照する
関連特許
日本電気株式会社
分析装置
9日前
日本電気株式会社
マルチバンドバラン
27日前
日本電気株式会社
受信器および通信装置
今日
日本電気株式会社
量子回路装置と制御方法
9日前
日本電気株式会社
送信装置および通信装置
5日前
日本電気株式会社
通信装置および通信方法
5日前
日本電気株式会社
検知装置および検知方法
9日前
日本電気株式会社
量子回路装置と制御方法
9日前
日本電気株式会社
光伝送システムおよび方法
1日前
日本電気株式会社
分析方法および分析システム
6日前
日本電気株式会社
端末装置および無線通信方法
20日前
日本電気株式会社
機器冷却装置及びその冷却方法
21日前
日本電気株式会社
演算処理装置および演算処理方法
1日前
日本電気株式会社
兆候検知装置および兆候検知方法
1日前
日本電気株式会社
共振器及びそれを備えた導波回路
7日前
日本電気株式会社
プログラム、算出装置、及び方法
21日前
日本電気株式会社
システム及びマイグレーション方法
9日前
日本電気株式会社
ピーク抑圧装置及びピーク抑圧方法
19日前
日本電気株式会社
放送用システムおよび字幕作成方法
1日前
日本電気株式会社
推定装置、推定方法及びプログラム
12日前
日本電気株式会社
推定装置、推定方法及びプログラム
12日前
日本電気株式会社
ソーナー装置、通信方法、プログラム
1日前
日本電気株式会社
画像管理システムおよび画像管理方法
7日前
日本電気株式会社
波長可変レーザ装置及びその構成方法
5日前
日本電気株式会社
処理装置、処理方法、及びプログラム
9日前
日本電気株式会社
推定装置、推定方法、及び、記録媒体
6日前
日本電気株式会社
予測システム、予測方法及びプログラム
12日前
日本電気株式会社
注文端末、注文受付方法及びプログラム
5日前
日本電気株式会社
通信装置、通信方法及び通信プログラム
6日前
日本電気株式会社
判別装置、判別方法、およびプログラム
1日前
日本電気株式会社
通信システム及びパケット順序補正方法
20日前
日本電気株式会社
管理システム、管理方法及びプログラム
19日前
日本電気株式会社
情報処理システム、処理方法、プログラム
9日前
日本電気株式会社
情報処理装置、情報処理方法、プログラム
7日前
日本電気株式会社
画像選択装置、画像選択方法及び記憶媒体
7日前
日本電気株式会社
処理システム、処理方法およびプログラム
12日前
続きを見る
他の特許を見る