TOP
|
特許
|
意匠
|
商標
特許ウォッチ
Twitter
他の特許を見る
公開番号
2025140070
公報種別
公開特許公報(A)
公開日
2025-09-29
出願番号
2024039236
出願日
2024-03-13
発明の名称
2,5-ジホルミルフランの製造方法
出願人
群栄化学工業株式会社
代理人
弁理士法人大谷特許事務所
主分類
C07D
307/46 20060101AFI20250919BHJP(有機化学)
要約
【課題】バナジウム化合物等の特殊な触媒を用いなくても、糖類からDFFをワンポットで容易に製造できるDFFの製造方法を提供する。
【解決手段】スルホキシド化合物及びハロゲン化物塩の存在下、糖類を加熱し、前記糖類を反応させて2,5-ジホルミルフランを生成させる加熱工程を有する、2,5-ジホルミルフランの製造方法。
【選択図】なし
特許請求の範囲
【請求項1】
スルホキシド化合物及びハロゲン化物塩の存在下、糖類を加熱し、前記糖類を反応させて2,5-ジホルミルフランを生成させる加熱工程を有する、2,5-ジホルミルフランの製造方法。
続きを表示(約 690 文字)
【請求項2】
前記ハロゲン化物塩は、アルカリ金属イオン及びアルカリ土類金属イオンの少なくとも1種とハロゲン化物イオンとの塩である、請求項1に記載の2,5-ジホルミルフランの製造方法。
【請求項3】
前記加熱工程において、更に酸触媒の存在下、前記糖類を加熱し、前記糖類を反応させて2,5-ジホルミルフランを生成させる、請求項1又は2に記載の2,5-ジホルミルフランの製造方法。
【請求項4】
前記酸触媒は、ルイス酸及びブレンステッド酸からなる群から選択される少なくとも1種である、請求項3に記載の2,5-ジホルミルフランの製造方法。
【請求項5】
前記加熱工程における加熱温度は80~180℃である、請求項1又は2に記載の2,5-ジホルミルフランの製造方法。
【請求項6】
前記加熱工程は、第1加熱工程と、前記第1加熱工程よりも高温である第2加熱工程と、を有する、請求項1又は2に記載の2,5-ジホルミルフランの製造方法。
【請求項7】
前記第1加熱工程を、更に第1の酸触媒の存在下で実施する、請求項6に記載の2,5-ジホルミルフランの製造方法。
【請求項8】
前記第1加熱工程の途中から前記第2加熱工程の途中までの期間に、第2の酸触媒を添加する、請求項7に記載の2,5-ジホルミルフランの製造方法。
【請求項9】
前記糖類は、フルクトース骨格及びグルコース骨格から選択される少なくとも1種を有する糖である、請求項1又は2に記載の2,5-ジホルミルフランの製造方法。
発明の詳細な説明
【技術分野】
【0001】
本発明は、2,5-ジホルミルフランの製造方法に関する。
続きを表示(約 2,900 文字)
【背景技術】
【0002】
2,5-ジホルミルフラン(以下、DFFとも称す。)は、樹脂、医薬品、及び香料等の原材料や中間体として有用である。DFFは、天然に存在するバイオマス由来の糖類から製造できる、汎用性の高い中間体である。
【0003】
特許文献1には、アルカリ金属塩及びアルカリ土類金属塩の一種類以上の塩の存在下、バイオマス由来の炭水化物を含有する原料を、有機液体と水の混合液体を媒体として水熱処理することにより、5-ヒドロキシメチル-2-フルフラールを含有する反応液を得る水熱工程と、前記反応液の有機液体層から水を除去して5-ヒドロキシメチル-2-フルフラールを含有する粗生成物を得る水除去工程と、前記粗生成物中の5-ヒドロキシメチル-2-フルフラールを酸化して2,5-ジホルミルフランを得る酸化工程と、を有する2,5-ジホルミルフランの合成方法が開示されている。
【0004】
特許文献2には、
a)炭水化物源を溶媒と組合せる工程、
b)工程(a)の反応混合物を、2,5-ヒドロキシメチルフルフラールが生成するのに充分な温度で加熱する工程、
c)工程(b)の反応混合物に、酸化剤及び触媒量のバナジウム化合物を添加する工程
、及び
d)工程(c)の反応混合物を、2,5-ジホルミルフランが生成するのに充分な温度で加熱する工程
を含んでなり、工程(b)、(c)または(d)の後に追加の溶媒を添加しない2,5-ジホルミルフランの製造方法が開示されている。
【先行技術文献】
【特許文献】
【0005】
特開2020-143046号公報
特表2005-506984号公報
【発明の概要】
【発明が解決しようとする課題】
【0006】
特許文献1に記載の合成方法では、糖類を脱水反応させて5-ヒドロキシメチル-2-フルフラール(以下、HMFとも称す。)を製造した後、HMFを含有する粗生成物を単離し、次いで当該脱水反応時とは異なる溶剤を用いてHMFを酸化反応させてDFFを製造している。そのため、HMFの製造工程とDFFの製造工程という2つの工程を必要として煩雑である。また、HMFの製造工程後に、HMFを含有する粗生成物を単離したり溶剤を置換させたりする処理が必要になり、手間及び費用を要する。
特許文献2に記載の製造方法では、炭水化物源を脱水反応させてHMFを製造する工程と、HMFを酸化反応させてDFFを製造する工程とをワンポットで実施している。しかしながら、特許文献2に記載の製造方法では、高価なバナジウム触媒を用いてDFFを製造しており、また、特許文献2の実施例に記載されているとおり、特殊なバナジウム触媒を調製する必要がある。
本発明は、バナジウム化合物等の特殊な触媒を用いなくても、糖類からDFFをワンポットで容易に製造できるDFFの製造方法を提供することを課題とする。
【課題を解決するための手段】
【0007】
上記課題を解決すべく鋭意検討した結果、本発明者らは下記本発明を想到し、当該課題を解決できることを見出した。
すなわち、本発明は下記のとおりである。
【0008】
[1]スルホキシド化合物及びハロゲン化物塩の存在下、糖類を加熱し、前記糖類を反応させて2,5-ジホルミルフランを生成させる加熱工程を有する、2,5-ジホルミルフランの製造方法。
[2]前記ハロゲン化物塩は、アルカリ金属イオン及びアルカリ土類金属イオンの少なくとも1種とハロゲン化物イオンとの塩である、上記[1]に記載の2,5-ジホルミルフランの製造方法。
[3]前記加熱工程において、更に酸触媒の存在下、前記糖類を加熱し、前記糖類を反応させて2,5-ジホルミルフランを生成させる、上記[1]又は[2]に記載の2,5-ジホルミルフランの製造方法。
[4]前記酸触媒は、ルイス酸及びブレンステッド酸からなる群から選択される1種又は2種以上である、上記[3]に記載の2,5-ジホルミルフランの製造方法。
[5]前記加熱工程における加熱温度は80~180℃である、上記[1]~[4]のいずれかに記載の2,5-ジホルミルフランの製造方法。
[6]前記加熱工程は、第1加熱工程と、前記第1加熱工程よりも高温である第2加熱工程と、を有する、上記[1]~[5]のいずれかに記載の2,5-ジホルミルフランの製造方法。
[7]前記第1加熱工程を、更に第1の酸触媒の存在下で実施する、上記[6]に記載の2,5-ジホルミルフランの製造方法。
[8]前記第1加熱工程の途中から前記第2加熱工程の途中までの期間に、第2の酸触媒を添加する、上記[7]に記載の2,5-ジホルミルフランの製造方法。
[9]前記糖類は、フルクトース骨格及びグルコース骨格から選択される少なくとも1種を有する糖である、上記[1]~[8]のいずれかに記載の2,5-ジホルミルフランの製造方法。
【発明を実施するための形態】
【0009】
以下、本発明の実施態様の一例に基づいて説明する。ただし、以下に示す実施態様は、本発明の技術思想を具体化するための例示であって、本発明は以下の記載に限定されない。
本明細書において、実施態様の好ましい形態を示すが、個々の好ましい形態を2つ以上組み合わせたものもまた、好ましい形態である。数値範囲で示した事項について、いくつかの数値範囲がある場合、それらの下限値と上限値とを選択的に組み合わせて好ましい形態とすることができる。また、「XX~YY」との数値範囲の記載がある場合、「XX以上YY以下」を意味する。
本明細書において、ワンポットとは、糖類を反応させてDFFを生成させるまでの間、HMFの単離操作を行わないことを意味する。なお、本明細書において、DFFの生成後にHMFの単離操作を行う場合であっても、ワンポットに該当する。
【0010】
本実施の形態に係る2,5-ジホルミルフランの製造方法は、スルホキシド化合物及びハロゲン化物塩の存在下、糖類を加熱し、前記糖類を反応させて2,5-ジホルミルフランを生成させる加熱工程を有する、2,5-ジホルミルフランの製造方法である。
本実施の形態に係る2,5-ジホルミルフランの製造方法によれば、バナジウム化合物等の特殊な触媒を用いなくても、糖類からDFFをワンポットで簡易に製造できる。スルホキシド化合物とハロゲン化物塩を使用することにより、ハロゲン化物イオンがスルホキシド化合物の活性を向上させ糖類の脱水反応によるHMFの生成に留まらずHMFの酸化反応によるDFFの生成までもが生じる。
なお、当該加熱工程の後に、後述する、抽出工程、洗浄工程、脱水工程、及び結晶の回収・精製工程を実施してもよい。
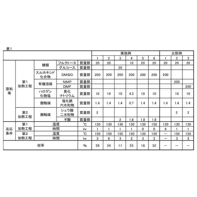
(【0011】以降は省略されています)
この特許をJ-PlatPat(特許庁公式サイト)で参照する
関連特許
東ソー株式会社
タンパク質の発現方法
27日前
株式会社トクヤマ
四塩化炭素の製造方法
3か月前
東ソー株式会社
炭素-窒素結合形成方法
3か月前
株式会社トクヤマ
シロキサン類の回収方法
3か月前
株式会社半導体エネルギー研究所
有機化合物
2か月前
株式会社トクヤマ
ビオチン誘導体の製造方法
2か月前
栗田工業株式会社
ギ酸の回収方法
9日前
東ソー株式会社
イソシアネート化合物の製造方法
1か月前
株式会社コスモス
液状炭化水素の増産方法
2か月前
株式会社トクヤマ
ホルムアミド化合物の製造方法
1か月前
株式会社トクヤマ
ベンザゼピン化合物の製造方法
2か月前
株式会社トクヤマ
チオラクトン誘導体の製造方法
17日前
株式会社コスモス
液状炭化水素の増産方法
2か月前
artience株式会社
四塩基酸無水物の製造方法
3か月前
信越化学工業株式会社
新規化合物
3か月前
日産化学株式会社
ピラゾール化合物及び有害生物防除剤
3か月前
日産化学株式会社
ピラゾール化合物及び有害生物防除剤
2か月前
大阪瓦斯株式会社
メタン製造システム
13日前
三菱ケミカル株式会社
アルコールの製造方法
1か月前
株式会社トクヤマ
サフィナミド若しくはその塩の製造方法
3か月前
本田技研工業株式会社
CO2変換方法
13日前
国立大学法人東京農工大学
深共晶溶媒
2か月前
東ソー株式会社
免疫グロブリン結合性タンパク質の製造方法
27日前
株式会社トクヤマ
アシル化ベンゼン誘導体の酸塩の製造方法
1か月前
キヤノン株式会社
有機化合物及び有機発光素子
17日前
東ソー株式会社
免疫グロブリン結合性タンパク質の保存溶液
3か月前
旭化成株式会社
トリオキサンの製造方法
3か月前
JNC株式会社
有機ケイ素化合物およびこれを用いた重合体
2か月前
JNC株式会社
有機ケイ素化合物およびこれを用いた重合体
1か月前
株式会社半導体エネルギー研究所
有機金属錯体、発光デバイス
2か月前
個人
IL-17産生誘導能を有する化合物及びその用途
14日前
キヤノン株式会社
有機金属錯体及び有機発光素子
13日前
国立大学法人京都大学
抗がん剤
1か月前
デンカ株式会社
有機酸又はその塩の製造方法
1か月前
公立大学法人大阪
カルボン酸化合物の製造方法
3か月前
株式会社半導体エネルギー研究所
有機化合物、および発光デバイス
3か月前
続きを見る
他の特許を見る