TOP
|
特許
|
意匠
|
商標
特許ウォッチ
Twitter
他の特許を見る
10個以上の画像は省略されています。
公開番号
2025139822
公報種別
公開特許公報(A)
公開日
2025-09-29
出願番号
2024038867
出願日
2024-03-13
発明の名称
FETの駆動回路、保護装置及び蓄電装置
出願人
株式会社GSユアサ
代理人
弁理士法人暁合同特許事務所
主分類
H03K
17/0812 20060101AFI20250919BHJP(基本電子回路)
要約
【課題】FETのスイッチング時間TSを短くして、ASO領域を拡大することにより、FETの部品故障を抑制する。
【解決手段】
FETQ20の駆動回路であって、前記FETQ20のゲートGに駆動電圧を印加するゲート回路160と、前記FETQ20のゲートソース間に接続されたゲートソース抵抗R20と、前記ゲートソース抵抗R20に並列に接続され、少なくとも前記ゲートソース抵抗R20よりも抵抗値の小さい放電回路170と、を備える。前記放電回路170は、前記駆動電圧の遮断に伴い導通して前記FETQ20のゲートソース間の電荷を放電し、電荷放電後、非導通に切り換わる。
【選択図】図4
特許請求の範囲
【請求項1】
FETの駆動回路であって、
前記FETのゲートに駆動電圧を印加するゲート回路と、
前記FETのゲートソース間に接続されたゲートソース抵抗と、
前記ゲートソース抵抗に並列に接続され、少なくとも前記ゲートソース抵抗よりも抵抗値の小さい放電回路と、を備え、
前記放電回路は、前記駆動電圧の遮断に伴い導通して前記FETのゲートソース間の電荷を放電し、電荷放電後、非導通に切り換わる、駆動回路。
続きを表示(約 300 文字)
【請求項2】
請求項1に記載の駆動回路であって、
前記放電回路を導通開始時点から遅延時間経過後に非導通に切り換える遅延回路を備える、駆動回路。
【請求項3】
請求項2に記載の駆動回路であって、
前記遅延時間は、前記FETのゲートソース間の電荷の放電時間よりも長い、駆動回路。
【請求項4】
蓄電装置の保護装置であって、
前記蓄電装置の電流を遮断するFETと、
請求項1から請求項3のいずれか一項に記載の駆動回路と、を備えた、保護装置。
【請求項5】
蓄電素子と、請求項4に記載の保護装置とを備える蓄電装置。
発明の詳細な説明
【技術分野】
【0001】
本発明は、FETの応答性を向上させる技術に関する。
続きを表示(約 1,500 文字)
【背景技術】
【0002】
蓄電装置の保護装置の1つに電流遮断装置がある。電流遮断装置には、リレーやFETを用いることができる。電流遮断装置に、FETを用いた文献として、特許文献1がある。
【先行技術文献】
【特許文献】
【0003】
特開2021-166454号公報
【発明の概要】
【発明が解決しようとする課題】
【0004】
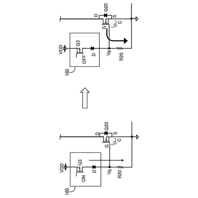
図1は、ゲート回路160の一例である。ゲート回路160は、FETQ20のゲートGを駆動する回路であり、図1の例では、スイッチQ3とダイオードDから構成されている。スイッチQ3をONすると、Vgsが閾値以上の正電圧となり、FETQ20はONする。R20はゲートソース抵抗である。R20を数Mオーム程度の高抵抗とすることで、ON中の消費電流を低減することが出来る。
【0005】
FETQ20をONからOFFに切り換えるためには、Vgを遮断すると共に、ゲートソース間の寄生容量Cの電荷を放電してVgsを閾値以下の電圧に下げる必要がある。しかし、R20を高抵抗とした場合、電荷の放電に時間がかかり、スイッチングに時間を要する。
【0006】
図2は、FETQ20のスイッチング時間TSと熱損失Wの関係を示している。スイッチング時間TSが長いと、熱損失(スイッチングロス)Wが大きくなる。その結果、図3AのA部に示すようにASO領域(安全動作領域:Area of Safety Operation)を逸脱し、FET故障に繋がる可能性がある。FETQ20の故障を回避するには、FETQ20の並列数を増やして、1つ当たりのドレイン電流を下げ、ASO領域から逸脱しないようにすることが考えられる。
【0007】
FETQ20のスイッチング時間TSを短くして、ASO領域を拡大することにより、並列数を増やすことなく、FETQ20の部品故障を抑制することを課題とする。
【課題を解決するための手段】
【0008】
FETの駆動回路は、前記FETのゲートに駆動電圧を印加するゲート回路と、前記FETのゲートソース間に接続されたゲートソース抵抗と、前記ゲートソース抵抗に並列に接続された放電回路と、を備える。前記放電回路は、前記駆動電圧の遮断に伴い導通して前記FETのゲートソース間の電荷を放電し、電荷放電後、非導通に切り換わる。
【発明の効果】
【0009】
本発明は、FETのスイッチング時間を短くしてASO領域を拡大することにより、並列数を増やすことなく、FETの部品故障を抑制することが出来る。
【図面の簡単な説明】
【0010】
FETのゲート回路
FETのスイッチング時間と熱損失の関係を示す図
ASO特性を示す図
ASO特性を示す図
FETの駆動回路
FETのスイッチング時間と熱損失の関係を示す図
自動二輪車の側面図
自動二輪車のバッテリ回りのブロック図
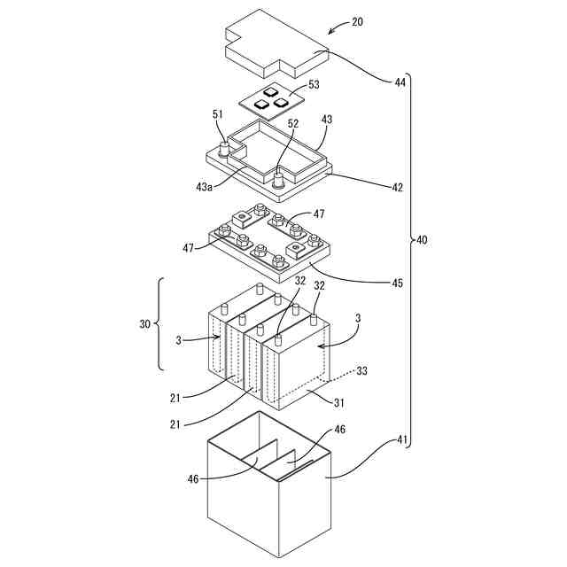
バッテリの分解斜視図
バッテリの回路図
バッテリの回路図
バッテリの回路図
監視IC、遅延回路の出力、各スイッチの動作をまとめた図表
バッテリの回路図
バッテリの回路図
監視IC、遅延回路の出力、各スイッチの動作をまとめた図表
バッテリの回路図
【発明を実施するための形態】
(【0011】以降は省略されています)
この特許をJ-PlatPat(特許庁公式サイト)で参照する
関連特許
株式会社GSユアサ
蓄電装置
2日前
株式会社GSユアサ
温度保護装置及び蓄電装置
6日前
株式会社GSユアサ
保護装置、蓄電装置、及び保護方法
12日前
株式会社GSユアサ
FETの駆動回路、保護装置及び蓄電装置
2日前
株式会社GSユアサ
全固体蓄電素子及び全固体蓄電素子の製造方法
今日
株式会社GSユアサ
コンバータ、パワーコンディショナ及び蓄電システム
2日前
株式会社GSユアサ
コンバータシステム、コンバータシステムの制御方法及び無停電電源システム
2日前
株式会社GSユアサ
硫化物固体電解質及び全固体電池
6日前
株式会社GSユアサ
情報処理方法、オークションシステム、情報処理装置、及び、コンピュータプログラム
2日前
株式会社GSユアサ
電力変換器、充電装置、車両、電源装置、力率改善回路、DC-DCコンバータおよびインバータ
今日
株式会社GSユアサ
充放電システム、及び、充放電システムの制御方法
2日前
エイブリック株式会社
電圧検出器
1か月前
株式会社大真空
圧電振動デバイス
2か月前
日本電波工業株式会社
圧電デバイス
1か月前
台灣晶技股ふん有限公司
共振器
4か月前
太陽誘電株式会社
マルチプレクサ
3か月前
太陽誘電株式会社
弾性波デバイス
3か月前
ローム株式会社
オペアンプ
1か月前
ローム株式会社
オペアンプ
1か月前
株式会社トーキン
ノイズフィルタ
28日前
ローム株式会社
オペアンプ
1か月前
株式会社村田製作所
増幅回路
1か月前
株式会社半導体エネルギー研究所
駆動回路
2日前
個人
誤り訂正装置及び誤り訂正方法
1か月前
三菱電機株式会社
半導体装置
1か月前
株式会社大真空
恒温槽型圧電発振器
1か月前
ローム株式会社
オペアンプ回路
1か月前
ローム株式会社
オペアンプ回路
1か月前
ローム株式会社
半導体スイッチ
3か月前
株式会社村田製作所
高周波回路
1か月前
ローム株式会社
オペアンプ回路
1か月前
ローム株式会社
半導体スイッチ
3か月前
ローム株式会社
半導体集積回路
1か月前
ローム株式会社
オシレータ回路
2か月前
ローム株式会社
半導体集積回路
1か月前
ローム株式会社
半導体集積回路
2か月前
続きを見る
他の特許を見る