TOP
|
特許
|
意匠
|
商標
特許ウォッチ
Twitter
他の特許を見る
公開番号
2025116719
公報種別
公開特許公報(A)
公開日
2025-08-08
出願番号
2024011316
出願日
2024-01-29
発明の名称
オペアンプ
出願人
ローム株式会社
代理人
個人
,
個人
主分類
H03F
3/45 20060101AFI20250801BHJP(基本電子回路)
要約
【課題】大電流を出力可能なオペアンプを提供する。
【解決手段】第1電流源CS1は、電源ライン302と接続される。第1トランジスタM1は、ゲートが入力端子INと接続され、ソースが接地ライン304と接続される。第2電流源CS2は、第1トランジスタM1のドレインである第1ノードN1と接地ラインの間に接続される。アシスト電流生成回路330は、中間信号Vmが低いほど大きくなるアシスト電流Ibを生成する。カレントミラー回路350は、アシスト電流Ibを折り返し、出力端子OUTに供給する。
【選択図】図2
特許請求の範囲
【請求項1】
入力段および出力段を有するオペアンプであって、
前記出力段は、
前記入力段からの中間信号を受ける入力端子と、
出力端子と、
電源ラインと、
接地ラインと、
前記電源ラインと接続された第1電流源と、
ゲートが前記入力端子と接続され、ソースが前記接地ラインと接続されたNチャンネルの第1トランジスタと、
前記第1トランジスタのドレインである第1ノードと前記接地ラインの間に接続された第2電流源と、
前記第1ノードと前記出力端子の間に接続され、前記第1ノードの電圧をクランプする第1クランプ回路と、
前記第1電流源と前記出力端子の間に接続され、前記第1電流源との接続ノードの電圧をクランプする第2クランプ回路と、
前記中間信号が低いほど大きくなるアシスト電流を生成するアシスト電流生成回路と、
前記アシスト電流生成回路の出力ノードである第2ノードと前記接地ラインの間に接続された第3電流源と、
前記第2ノードの電圧をクランプする第3クランプ回路と、
前記第2ノードに流れる電流を折り返すカレントミラー回路と、
前記カレントミラー回路の出力ノードと前記出力端子の間に接続され、前記カレントミラー回路の出力ノードの電圧をクランプする第4クランプ回路と、
を備える、オペアンプ。
続きを表示(約 1,800 文字)
【請求項2】
前記アシスト電流生成回路は、
ゲートが前記入力端子と接続され、ソースが前記接地ラインと接続されたNチャンネルの第2トランジスタと、
前記第2トランジスタのドレインの電圧をクランプする第5クランプ回路と、
前記電源ラインと接続された第4電流源と、
前記第4電流源の出力ノードの電圧をクランプする第6クランプ回路と、
ゲートが前記第2トランジスタのドレインと接続され、ソースが前記電源ラインと接続されたNチャンネルの第3トランジスタと、
を含み、前記第3トランジスタに流れる電流が、前記アシスト電流である、請求項1に記載のオペアンプ。
【請求項3】
前記第1クランプ回路および第3クランプ回路はそれぞれ、ゲートにバイアス電圧が印加された高耐圧NMOSトランジスタを含む、請求項1または2に記載のオペアンプ。
【請求項4】
前記第2クランプ回路および第4クランプ回路はそれぞれ、ゲートにバイアス電圧が印加された高耐圧PMOSトランジスタを含む、請求項1または2に記載のオペアンプ。
【請求項5】
前記第5クランプ回路は、ゲートにバイアス電圧が印加された高耐圧NMOSトランジスタを含み、
前記第6クランプ回路は、ゲートにバイアス電圧が印加された高耐圧PMOSトランジスタを含む、請求項2に記載のオペアンプ。
【請求項6】
入力段および出力段を有するオペアンプであって、
前記出力段は、
前記入力段からの中間信号を受ける入力端子と、
出力端子と、
電源ラインと、
接地ラインと、
前記接地ラインと接続された第1電流源と、
ゲートが前記入力端子と接続され、ソースが前記電源ラインと接続されたPチャンネルの第1トランジスタと、
前記第1トランジスタのドレインである第1ノードと前記電源ラインの間に接続された第2電流源と、
前記第1ノードと前記出力端子の間に接続され、前記第1ノードの電圧をクランプする第1クランプ回路と、
前記第1電流源と前記出力端子の間に接続され、前記第1電流源との接続ノードの電圧をクランプする第2クランプ回路と、
前記中間信号が高いほど大きくなるアシスト電流を生成するアシスト電流生成回路と、
前記アシスト電流生成回路の出力ノードである第2ノードと前記接地ラインの間に接続された第3電流源と、
前記第2ノードの電圧をクランプする第3クランプ回路と、
前記第2ノードに流れる電流を折り返すカレントミラー回路と、
前記カレントミラー回路の出力ノードと前記出力端子の間に接続され、前記カレントミラー回路の出力ノードの電圧をクランプする第4クランプ回路と、
を備える、オペアンプ。
【請求項7】
前記アシスト電流生成回路は、
ゲートが前記入力端子と接続され、ソースが前記電源ラインと接続されたPチャンネルの第2トランジスタと、
前記第2トランジスタのドレインの電圧をクランプする第5クランプ回路と、
前記接地ラインと接続された第4電流源と、
前記第4電流源の出力ノードの電圧をクランプする第6クランプ回路と、
ゲートが前記第2トランジスタのドレインと接続され、ソースが前記電源ラインと接続されたPチャンネルの第3トランジスタと、
を含み、前記第3トランジスタに流れる電流が、前記アシスト電流である、請求項6に記載のオペアンプ。
【請求項8】
前記第1クランプ回路および第3クランプ回路はそれぞれ、ゲートにバイアス電圧が印加された高耐圧NMOSトランジスタを含む、請求項6または7に記載のオペアンプ。
【請求項9】
前記第2クランプ回路および第4クランプ回路はそれぞれ、ゲートにバイアス電圧が印加された高耐圧PMOSトランジスタを含む、請求項6または7に記載のオペアンプ。
【請求項10】
前記第5クランプ回路は、ゲートにバイアス電圧が印加された高耐圧NMOSトランジスタを含み、
前記第6クランプ回路は、ゲートにバイアス電圧が印加された高耐圧PMOSトランジスタを含む、請求項7に記載のオペアンプ。
(【請求項11】以降は省略されています)
発明の詳細な説明
【技術分野】
【0001】
本開示は、オペアンプに関する。
続きを表示(約 2,500 文字)
【背景技術】
【0002】
2つの入力電圧の差を増幅するために、オペアンプ(差動増幅器)が利用される。オペアンプの出力段の出力トランジスタのサイズは、想定される最大出力電流に応じて設計される。最大出力電流が大きなオペアンプは、大きなバイアス電流が必要となるため、消費電流が大きくなる。
【先行技術文献】
【特許文献】
【0003】
特開2023-95124号公報
【0004】
[概要]
本開示は係る状況においてなされたものであり、そのある態様の例示的な目的のひとつは、大電流を出力可能なオペアンプの提供にある。
【0005】
本開示のある態様は、入力段および出力段を有するオペアンプに関する。出力段は、入力段からの中間信号を受ける入力端子と、出力端子と、電源ラインと、接地ラインと、電源ラインと接続された第1電流源と、ゲートが入力端子と接続され、ソースが接地ラインと接続されたNチャンネルの第1トランジスタと、第1トランジスタのドレインである第1ノードと接地ラインの間に接続された第2電流源と、第1ノードと出力端子の間に接続され、第1ノードの電圧をクランプする第1クランプ回路と、第1電流源と出力端子の間に接続され、第1電流源との接続ノードの電圧をクランプする第2クランプ回路と、中間信号が低いほど大きくなるアシスト電流を生成するアシスト電流生成回路と、アシスト電流生成回路の出力ノードである第2ノードと接地ラインの間に接続された第3電流源と、第2ノードの電圧をクランプする第3クランプ回路と、第2ノードに流れる電流を折り返すカレントミラー回路と、カレントミラー回路の出力ノードと出力端子の間に接続され、カレントミラー回路の出力ノードの電圧をクランプする第4クランプ回路と、を備える。
【0006】
本開示の別の態様もまた、オペアンプである。このオペアンプの出力段は、入力段からの中間信号を受ける入力端子と、出力端子と、電源ラインと、接地ラインと、接地ラインと接続された第1電流源と、ゲートが入力端子と接続され、ソースが電源ラインと接続されたPチャンネルの第1トランジスタと、第1トランジスタのドレインである第1ノードと電源ラインの間に接続された第2電流源と、第1ノードと出力端子の間に接続され、第1ノードの電圧をクランプする第1クランプ回路と、第1電流源と出力端子の間に接続され、第1電流源との接続ノードの電圧をクランプする第2クランプ回路と、中間信号が高いほど大きくなるアシスト電流を生成するアシスト電流生成回路と、アシスト電流生成回路の出力ノードである第2ノードと接地ラインの間に接続された第3電流源と、第2ノードの電圧をクランプする第3クランプ回路と、第2ノードに流れる電流を折り返すカレントミラー回路と、カレントミラー回路の出力ノードと出力端子の間に接続され、カレントミラー回路の出力ノードの電圧をクランプする第4クランプ回路と、を備える。
【0007】
なお、以上の構成要素を任意に組み合わせたもの、構成要素や表現を、方法、装置、システムなどの間で相互に置換したものもまた、本発明あるいは本開示の態様として有効である。さらに、この項目(課題を解決するための手段)の記載は、本発明の欠くべからざるすべての特徴を説明するものではなく、したがって、記載されるこれらの特徴のサブコンビネーションも、本発明たり得る。
【図面の簡単な説明】
【0008】
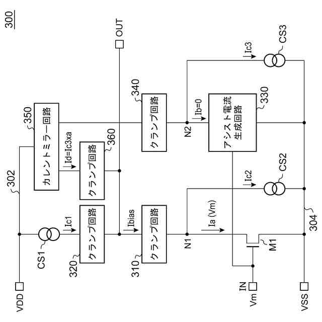
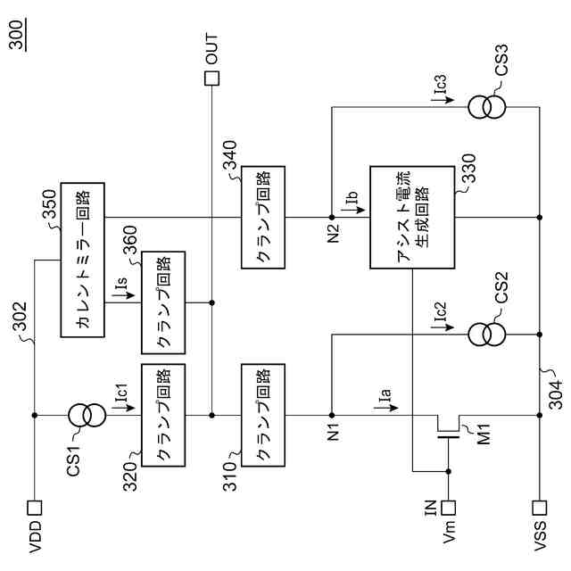
図1は、オペアンプの回路図である。
図2は、実施形態に係る出力段の回路図である。
図3は、軽負荷状態の出力段の動作を説明する回路図である。
図4は、重負荷状態の出力段の動作を説明する回路図である。
図5は、一実施例に係る出力段の回路図である。
図6は、変形例に係る出力段の回路図である。
図7は、一実施例に係る出力段の回路図である。
【0009】
[詳細な説明]
(実施形態の概要)
本開示のいくつかの例示的な実施形態の概要を説明する。この概要は、後述する詳細な説明の前置きとして、実施形態の基本的な理解を目的として、1つまたは複数の実施形態のいくつかの概念を簡略化して説明するものであり、発明あるいは開示の広さを限定するものではない。この概要は、考えられるすべての実施形態の包括的な概要ではなく、すべての実施形態の重要な要素を特定することも、一部またはすべての態様の範囲を線引きすることも意図していない。便宜上、「一実施形態」は、本明細書に開示するひとつの実施形態(実施例や変形例)または複数の実施形態(実施例や変形例)を指すものとして用いる場合がある。
【0010】
一実施形態に係るオペアンプは、入力段および出力段を有する。出力段は、入力段からの中間信号を受ける入力端子と、出力端子と、電源ラインと、接地ラインと、電源ラインと接続された第1電流源と、ゲートが入力端子と接続され、ソースが接地ラインと接続されたNチャンネルの第1トランジスタと、第1トランジスタのドレインである第1ノードと接地ラインの間に接続された第2電流源と、第1ノードと出力端子の間に接続され、第1ノードの電圧をクランプする第1クランプ回路と、第1電流源と出力端子の間に接続され、第1電流源との接続ノードの電圧をクランプする第2クランプ回路と、中間信号が低いほど大きくなるアシスト電流を生成するアシスト電流生成回路と、アシスト電流生成回路の出力ノードである第2ノードと接地ラインの間に接続された第3電流源と、第2ノードの電圧をクランプする第3クランプ回路と、第2ノードに流れる電流を折り返すカレントミラー回路と、カレントミラー回路の出力ノードと出力端子の間に接続され、カレントミラー回路の出力ノードの電圧をクランプする第4クランプ回路と、を備える。
(【0011】以降は省略されています)
この特許をJ-PlatPat(特許庁公式サイト)で参照する
関連特許
ローム株式会社
光センサ
1か月前
ローム株式会社
半導体装置
1か月前
ローム株式会社
半導体装置
10日前
ローム株式会社
半導体装置
1か月前
ローム株式会社
半導体装置
1か月前
ローム株式会社
半導体装置
1か月前
ローム株式会社
半導体装置
1か月前
ローム株式会社
抵抗チップ
1か月前
ローム株式会社
半導体装置
1か月前
ローム株式会社
半導体装置
1か月前
ローム株式会社
半導体装置
23日前
ローム株式会社
半導体装置
23日前
ローム株式会社
半導体装置
23日前
ローム株式会社
半導体装置
18日前
ローム株式会社
半導体装置
18日前
ローム株式会社
半導体装置
2日前
ローム株式会社
半導体装置
2日前
ローム株式会社
半導体装置
2日前
ローム株式会社
電源制御装置
18日前
ローム株式会社
信号伝達装置
18日前
ローム株式会社
半導体集積回路
3日前
ローム株式会社
定電圧生成回路
2日前
ローム株式会社
半導体集積回路
2日前
ローム株式会社
半導体集積回路
1か月前
ローム株式会社
定電圧生成回路
2日前
ローム株式会社
半導体パッケージ
1か月前
ローム株式会社
半導体メモリ装置
25日前
ローム株式会社
自己診断システム
1か月前
ローム株式会社
半導体モジュール
11日前
ローム株式会社
窒化物半導体装置
1か月前
ローム株式会社
モータドライバ回路
18日前
ローム株式会社
比較回路、半導体装置
2日前
ローム株式会社
サーマルプリントヘッド
2日前
ローム株式会社
逐次比較型AD変換回路
10日前
ローム株式会社
半導体装置およびシステム
10日前
ローム株式会社
半導体装置、電子機器、車両
1か月前
続きを見る
他の特許を見る