TOP
|
特許
|
意匠
|
商標
特許ウォッチ
Twitter
他の特許を見る
10個以上の画像は省略されています。
公開番号
2025123754
公報種別
公開特許公報(A)
公開日
2025-08-25
出願番号
2024019406
出願日
2024-02-13
発明の名称
クラッシュボックス
出願人
豊田鉄工株式会社
代理人
弁理士法人岡田国際特許事務所
主分類
B60R
19/34 20060101AFI20250818BHJP(車両一般)
要約
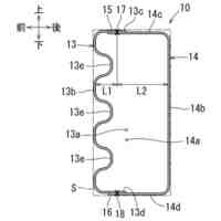
【課題】複数の結合部材を接合して結合された筒体を備えたクラッシュボックスにおいて、一つの結合部材内に別の結合部材を嵌合して複数個の筒体を一体に構成し、嵌合により当接する部位を接合することにより、筒体が複数個重なった構造で、接合部が筒体の外周側に突出しないコンパクトなクラッシュボックスを構成可能とする。
【解決手段】断面U字形状で、U字形状の底部、及び底部の両側から立ち上がる一対の立壁部を備える結合部材11、12を同じ向きで重ね、結合部材11の一対の立壁部11Bの対向面側を雌型とし結合部材12の底部12A側を雄型として嵌合し、互いに面接触した各結合部材11、12の立壁部同士を結合した第1の筒体14と、結合部材12における一対の立壁部12Bの対向面間に結合部材13を、その底部13Aを蓋体として嵌合し、互いに面接触した両結合部材12、13の立壁部同士を結合した第2の筒体15と、を備える。
【選択図】図3
特許請求の範囲
【請求項1】
断面U字形状で、そのU字形状の底部、及びその底部の両側から立ち上がる一対の立壁部を備える結合部材を少なくとも2個同じ向きで重ね、一つの結合部材の一対の立壁部の対向面側を雌型とし別の結合部材の底部側を雄型として嵌合し、互いに面接触した前記各結合部材の立壁部同士を接合部として結合して構成される少なくとも一つの第1の筒体と、
前記第1の筒体を構成する前記結合部材のうちの一つにおける一対の立壁部の対向面間に更に別の断面U字形状の結合部材を、その底部を蓋体として嵌合し、互いに面接触した前記両結合部材の立壁部同士を接合部として結合して構成されるもう一つの筒体である第2の筒体と、を備え、
前記各筒体は、その軸方向に入力される衝突荷重を受けて座屈変形して衝突エネルギを吸収する
クラッシュボックス。
続きを表示(約 1,000 文字)
【請求項2】
請求項1において、
前記第1の筒体を形成する前記結合部材の雌型に対する雄型の嵌合を部分的に留めるべく、前記接合部は前記各結合部材の前記各立壁部の一部のみとされ、前記各立壁部の残部は前記接合部で互いに結合されて前記第1の筒体及び前記第2の筒体の壁部を成す
クラッシュボックス。
【請求項3】
請求項2において、
前記第1の筒体を形成する前記結合部材のうち嵌合時に雄型となる側の前記各立壁部は、雌型となる前記結合部材との嵌合深さを所定深さに規制する段差部を備え、
該段差部は、前記雄型の結合部材の底部及び底部から立ち上がり始め部分の前記各立壁部の嵌合幅を前記所定深さに渡って縮小して形成され、前記段差部の嵌合幅の縮小量は、前記段差部に前記雌型の結合部材の前記各立壁部の先端部を受け入れるべく、前記雌型の結合部材の前記各立壁部の先端部の板厚と同等とされている
クラッシュボックス。
【請求項4】
請求項1~3のいずれかにおいて、
前記各筒体の軸方向端部には、バンパリインフォースメント及びサイドメンバの少なくともいずれか一方に結合するための締結部を一体に備える
クラッシュボックス。
【請求項5】
請求項4において、
バンパリインフォースメントは、ハット断面形状部材を有し、そのハット断面形状部材の天板部をクラッシュボックス側に向けて配置されており、
バンパリインフォースメントに固定される前記締結部は、前記ハット断面形状部材の一対の縦壁部を上下方向から挟持する一対のフランジ部を備え、
該一対のフランジ部を前記ハット断面形状部材の前記一対の縦壁部に締結固定した状態で、前記天板部が前記各筒体の軸方向端部に対向されている
クラッシュボックス。
【請求項6】
請求項1~3のいずれかにおいて、
前記結合部材は、前記底部を部分的に折り曲げて折曲部が形成され、該折曲部により前記筒体の軸方向に延びる稜線が複数本形成されている
クラッシュボックス。
【請求項7】
請求項6において、
前記稜線は、前記筒体の衝突荷重入力部からの距離が離れるほど本数を多くされている
クラッシュボックス。
発明の詳細な説明
【技術分野】
【0001】
本発明は、クラッシュボックスに関する。
続きを表示(約 1,800 文字)
【背景技術】
【0002】
クラッシュボックスは、車体のフレーム先端に配置され、車両衝突時に変形して衝突エネルギを吸収する。特許文献1のクラッシュボックスは、ハット断面形状の半割体2個を向い合せに結合して構成された閉断面構造の筒体により構成されている。2個の半割体の結合は、それぞれのハット断面形状の半割体のフランジ部を接合することにより行われている。
【0003】
特許文献2のクラッシュボックスは、断面U字形状の結合体2個を向い合せに結合して構成された閉断面構造の筒体により構成されている。各結合体の結合は、向い合せとされた各結合体の開放先端部同士をアーク溶接にて接合することにより行われている。
【先行技術文献】
【特許文献】
【0004】
特開2011-111036号公報
特開2006-123887号公報
【発明の概要】
【発明が解決しようとする課題】
【0005】
特許文献1のクラッシュボックスでは、接合部となる半割体のフランジ部がクラッシュボックスとなる筒体の外周側の両側に突出するため、クラッシュボックスを車体のフレーム先端に搭載する際のクラッシュボックスの搭載スペースがフランジ部の分だけ大きく必要となる問題がある。また、特許文献2のクラッシュボックスでは、筒体が一つのみのため、衝突時のエネルギ吸収量を大きくするためには筒体の板厚を厚くするなどの対応が必要で、クラッシュボックスとしての質量が増加し、質量当たりのエネルギ吸収量であるEA効率が低下する問題がある。
【0006】
本発明の課題は、複数の結合部材を接合して結合された筒体を備えたクラッシュボックスにおいて、一つの結合部材内に別の結合部材を嵌合して複数個の筒体を一体に構成し、嵌合により当接する部位を接合することにある。それにより、筒体が複数個重なった構造でEA効率がよく、接合部が筒体の外周側に突出しないコンパクトなクラッシュボックスを構成可能とする。
【課題を解決するための手段】
【0007】
本発明の第1発明のクラッシュボックスは、断面U字形状で、そのU字形状の底部、及びその底部の両側から立ち上がる一対の立壁部を備える結合部材を少なくとも2個同じ向きで重ね、一つの結合部材の一対の立壁部の対向面側を雌型とし別の結合部材の底部側を雄型として嵌合し、互いに面接触した前記各結合部材の立壁部同士を接合部として結合して構成される少なくとも一つの第1の筒体と、前記第1の筒体を構成する前記結合部材のうちの一つにおける一対の立壁部の対向面間に更に別の断面U字形状の結合部材を、その底部を蓋体として嵌合し、互いに面接触した前記両結合部材の立壁部同士を接合部として結合して構成されるもう一つの筒体である第2の筒体と、を備え、前記各筒体は、その軸方向に入力される衝突荷重を受けて座屈変形して衝突エネルギを吸収する。
【0008】
本発明の第2発明は、上記第1発明において、前記第1の筒体を形成する前記結合部材の雌型に対する雄型の嵌合を部分的に留めるべく、前記接合部は前記各結合部材の前記各立壁部の一部のみとされ、前記各立壁部の残部は前記接合部で互いに結合されて前記第1の筒体及び前記第2の筒体の壁部を成す。
【0009】
本発明の第3発明は、上記第2発明において、前記第1の筒体を形成する前記結合部材のうち嵌合時に雄型となる側の前記各立壁部は、雌型となる前記結合部材との嵌合深さを所定深さに規制する段差部を備え、該段差部は、前記雄型の結合部材の底部及び底部から立ち上がり始め部分の前記各立壁部の嵌合幅を前記所定深さに渡って縮小して形成され、前記段差部の嵌合幅の縮小量は、前記段差部に前記雌型の結合部材の前記各立壁部の先端部を受け入れるべく、前記雌型の結合部材の前記各立壁部の先端部の板厚と同等とされている。
【0010】
本発明の第4発明は、上記第1~第3発明のいずれかにおいて、前記各筒体の軸方向端部には、バンパリインフォースメント及びサイドメンバの少なくともいずれか一方に結合するための締結部を一体に備える。
(【0011】以降は省略されています)
この特許をJ-PlatPat(特許庁公式サイト)で参照する
関連特許
豊田鉄工株式会社
車両用カバー
2か月前
豊田鉄工株式会社
車両用強度部材
1か月前
ダイハツ工業株式会社
小型電動車両
1か月前
ダイハツ工業株式会社
小型電動車両
1か月前
ダイハツ工業株式会社
小型電動車両
1か月前
個人
タイヤレバー
3か月前
個人
前輪キャスター
2か月前
個人
上部一体型自動車
1か月前
個人
ホイルのボルト締結
4か月前
個人
タイヤ脱落防止構造
2か月前
個人
空間形成装置
19日前
個人
ルーフ付きトライク
3か月前
日本精機株式会社
照明装置
14日前
日本精機株式会社
表示装置
3か月前
日本精機株式会社
表示装置
3か月前
日本精機株式会社
表示装置
3か月前
個人
車両通過構造物
3か月前
日本精機株式会社
表示装置
3か月前
個人
マスタシリンダ
1か月前
個人
乗合路線バスの客室装置
4か月前
個人
常設収納型サンバイザー
25日前
株式会社ニフコ
保持装置
4か月前
株式会社豊田自動織機
産業車両
14日前
株式会社豊田自動織機
産業車両
3か月前
株式会社ニフコ
収納装置
2か月前
日本精機株式会社
車室演出装置
2か月前
日本精機株式会社
車載表示装置
27日前
個人
円湾曲ホイール及び球体輪
4か月前
株式会社ニフコ
照明装置
3か月前
個人
音声ガイド、音声サービス
3か月前
個人
回転窓ワイパー装置
19日前
日本精機株式会社
画像投映装置
1か月前
日本精機株式会社
車載表示装置
22日前
日本精機株式会社
車載表示装置
20日前
日本精機株式会社
車載表示装置
2か月前
個人
車載小物入れ兼雨傘収納具
4か月前
続きを見る
他の特許を見る