TOP
|
特許
|
意匠
|
商標
特許ウォッチ
Twitter
他の特許を見る
10個以上の画像は省略されています。
公開番号
2025112745
公報種別
公開特許公報(A)
公開日
2025-08-01
出願番号
2024007175
出願日
2024-01-22
発明の名称
ネットワーク測定システム、及びネットワーク測定方法
出願人
アンリツ株式会社
代理人
弁理士法人有我国際特許事務所
主分類
H04L
7/00 20060101AFI20250725BHJP(電気通信技術)
要約
【課題】通信ネットワークの片方向遅延測定区間の一端側の機器が共通の時計として例えばUTCに同期した時刻情報を取得困難な環境下でも、片方向遅延測定区間の片方向遅延を正確に測定可能なネットワーク測定システム、及びネットワーク測定方法を提供する。
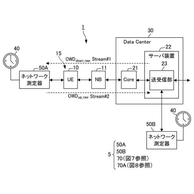
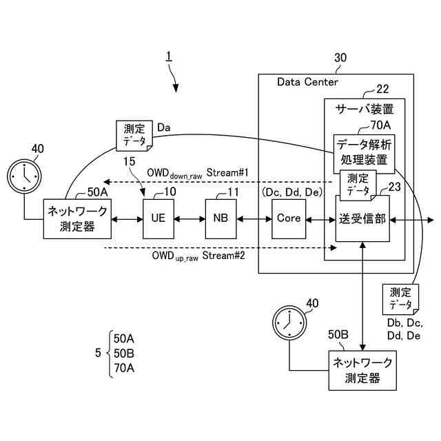
【解決手段】ネットワーク測定システム5は、それぞれがGNSS受信機能を有する第1のネットワーク測定器50A、第2のネットワーク測定器50Bを有し、第1のネットワーク測定器50AがUE10に接続され、第2のネットワーク測定器50Bがデータセンタ30の外部に配置されてサーバ装置22に接続された状態で双方によりUE10とサーバ装置22間の片方向遅延を測定する。これに合わせて、第2のネットワーク測定器50Bがサーバ装置22との間で片方向遅延測定及び往復遅延測定を同時実行し、該片方向遅延測定及び往復遅延測定の結果に基づき、サーバ装置22のタイムエラーを推定する。
【選択図】図1
特許請求の範囲
【請求項1】
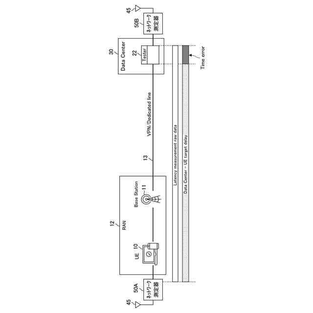
ネットワークに接続されるサーバ装置(22)と端末(10)を接続する縁端との片方向遅延を測定するネットワーク測定システムであって、
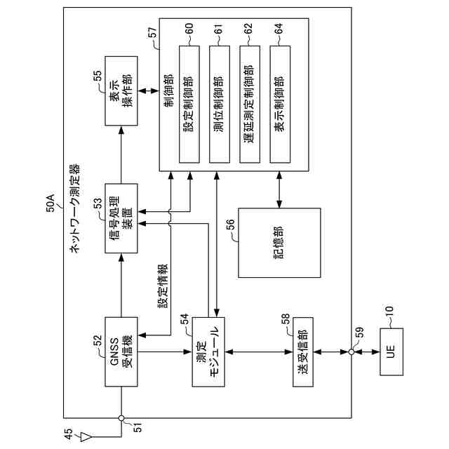
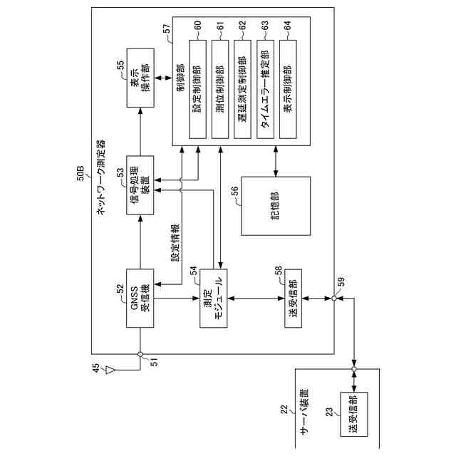
前記サーバ装置と前記端末のそれぞれが共通の時計として時刻情報を取得する取得手段(52)を備え、前記端末に接続されるか、または前記データセンタの外部に配置されたうえで前記サーバ装置に接続され、前記サーバ装置の時計(28)から得られる時刻情報の影響を受ける環境下で、前記端末と前記サーバ装置との間の片方向遅延測定区間での片方向遅延(OWD
up
、OWD
down
)を測定する第1のネットワーク測定器(50A)、及び第2のネットワーク測定器(50B)を有し、
前記第1のネットワーク測定器、及び前記第2のネットワーク測定器は、
前記サーバ装置に接続された状態での前記片方向遅延測定区間での片方向遅延測定に合わせて、前記サーバ装置との間で時刻誤差測定用の遅延測定信号に基づく片方向遅延測定、及び往復遅延測定を並行して実施する遅延測定制御手段(62)と、
前記遅延測定制御手段による前記片方向遅延測定、及び前記往復遅延測定の測定結果(OWD
te-down
、OWD
te-up
、及びTWD
te
)に基づき、前記取得手段が取得した前記共通の時計の時刻情報と前記時計から得た時刻情報との時刻誤差が反映された前記サーバ装置のタイムエラー(T
err
)を推定するタイムエラー推定手段(63)と、
をさらに有することを特徴とするネットワーク測定システム。
続きを表示(約 1,400 文字)
【請求項2】
前記共通の時計は、協定世界時(UTC)であることを特徴とする請求項1に記載のネットワーク測定システム。
【請求項3】
前記ネットワークとして、所定の通信方式のコアネットワークと、前記サーバ装置は前記コアネットワークに接続されるとともに、データセンタ(30)内に配置され、前記端末が前記コアネットワークにアクセスするためのアクセスネットワークとを有する通信ネットワーク(1)を対象とし、前記端末と前記サーバ装置間のデータ伝送に係る片方向遅延を測定することを特徴とする請求項1または2に記載のネットワーク測定システム。
【請求項4】
前記アクセスネットワークは、前記端末を通信可能に収容する基地局(11)を有し、
前記基地局と前記端末とは、有線、または無線により接続されていることを特徴とする請求項3に記載のネットワーク測定システム。
【請求項5】
前記コアネットワークは、プライベート5G、ローカル5G、5Gコアネットワークのいずれか一つにより構成されることを特徴とする請求項3に記載のネットワーク測定システム。
【請求項6】
前記第1のネットワーク測定器、及び前記第2のネットワーク測定器は、所定の通信規格に適合する送受信部(58)を有し、前記通信ネットワークを介して前記端末、または前記サーバ装置に接続されることを特徴とする請求項3に記載のネットワーク測定システム。
【請求項7】
前記遅延測定制御手段は、予め設定した期間、予め設定した時間間隔で、前記片方向遅延測定区間での片方向遅延測定を実施するとともに、
前記期間の片方向遅延測定値の平均値を片方向遅延測定結果として出力することを特徴とする請求項1または2に記載のネットワーク測定システム。
【請求項8】
前記遅延測定制御手段は、前記平均値が予め設定した閾値を超えた場合、前記片方向遅延測定結果の出力を行わないように制御することを特徴とする請求項7に記載のネットワーク測定システム。
【請求項9】
前記第1のネットワーク測定器、及び前記第2のネットワーク測定器と通信可能に配置されるデータ解析処理装置(70、70A)をさらに有し、
前記データ解析処理装置は、
前記第1のネットワーク測定器による前記サーバ装置から前記端末への下り片方向遅延測定結果(OWD
down
)と、前記第2のネットワーク測定器による前記端末から前記サーバ装置への上り片方向遅延測定結果(OWD
up
)、及び前記サーバ装置の前記タイムエラー推定結果(TWD
te
)と、を収集する収集手段(71)と、
前記収集手段が収集した前記下り片方向遅延測定結果、前記上り片方向遅延測定結果、及び前記サーバ装置の前記タイムエラー推定結果を解析し、前記サーバ装置の前記タイムエラー推定結果に基づき前記下り片方向遅延測定結果、及び前記上り片方向遅延測定結果を補正する片方向遅延補正手段(72)と、を有することを特徴とする請求項1または2に記載のネットワーク測定システム。
【請求項10】
前記データ解析処理装置(70A)は、前記通信ネットワークを構成する前記サーバ装置内に設けられることを特徴とする請求項9に記載のネットワーク測定システム。
(【請求項11】以降は省略されています)
発明の詳細な説明
【技術分野】
【0001】
本発明は、通信ネットワークの所望の区間を対象に片方向遅延測定を行うネットワーク測定システム、及びネットワーク測定方法に関する。
続きを表示(約 1,700 文字)
【背景技術】
【0002】
ネットワーク測定システムにおいては、通信ネットワークの測定機能として、所望の区間での片方向遅延量(One Way Delay:OWD)を測定するOWD測定機能、パケット TE(Packet Time Error)を測定するタイムエラー測定(推定)機能等を備えたものがある。
【0003】
ネットワーク測定システムで通信ネットワークの片方向遅延測定を行うためには、例えば、パケット伝送の送信側と受信側等、所望の位置にネットワーク測定機能を有する複数の筐体を配置し、各筐体で共通の時計を共有する必要がある。
【0004】
共通の時計を用いる運用を可能とするネットワーク測定装置の一例として、GNSS(Global Navigation Satellite System:衛星測位システム)衛星から取得した基準時刻情報に時刻同期して動作する5Gネットワークを測定対象とし、所望の試験場所に逐次移動して各試験場所の複数の基地局のいずれかに接続した後、GNSS衛星からの受信信号情報に基づき当該試験場所での測位を開始し、GNSS衛星との時刻同期を図ったうえで5Gネットワークの性能を測定する可搬型の装置が従来から知られている(例えば、特許文献1参照)。
【先行技術文献】
【特許文献】
【0005】
特開2023-37994号公報
【発明の概要】
【発明が解決しようとする課題】
【0006】
特許文献1に記載の従来のネットワーク測定装置は、可搬型のもので構成され、試験場所に移動するごとに、GNSSアンテナ並びに受信位置を調整し、GNSS衛星からの受信信号情報が確実に得られるようになってから(確実に時刻同期が得られた後に)測定を開始するようになっている。
【0007】
一方、複数の筐体を通信ネットワークの各位置に配置して片方向遅延測定を行うシステム構成にあっては、各筐体で前提となる時計を共通にする方法の一例として、GNSS受信機を用いることで、例えば、協定世界時(Coordinated Universal Time:UTC)を取得して共通の時計として用いる方法がある。
【0008】
しかしながら、上述したシステム構成の場合、必ずしもすべての環境でGNSSからの信号を取得できるとは限らない。例えば、通信ネットワークにおける片方向遅延区間の一端側の機器(例えば、ユーザ端末)が屋外にあってその一端側の機器に対応する位置ではGNSS衛星からの時刻情報が取得可能であるにも拘らず、片方向遅延区間の他端側の機器(例えば、サーバ装置)がデータセンサー内に設けられていて、その他端側の機器に対応する位置でのGNSS衛星からの時刻情報の取得が困難な環境も考えられる。このような環境においては、片方向遅延区間の両端の各機器に対応して筐体をそれぞれ配置したとしても、データセンタ内に配置された機器側で共通の時計として、例えばUTCの取得は行えず、双方の機器で共通した時計を共有することができない結果、片方向遅延測定の精度が低下することを免れなかった。
【0009】
このように、従来のネットワーク測定システムにおいては、通信ネットワークの片方向遅延測定区間の一端側の機器がGNSS衛星からの時刻情報等、所謂、UTCに同期した時刻情報を取得困難な環境下において、高精度の片方向遅延測定を行うことは困難であった。
【0010】
本発明は、前述のような事情に鑑みてなされたものであり、通信ネットワークの片方向遅延測定区間の一端側の機器が、例えばUTCに同期した時刻情報を取得困難な環境下でも、片方向遅延測定区間の片方向遅延を正確に測定可能なネットワーク測定システム、及びネットワーク測定方法を提供することを目的とする。
【課題を解決するための手段】
(【0011】以降は省略されています)
この特許をJ-PlatPat(特許庁公式サイト)で参照する
関連特許
アンリツ株式会社
分光器
1か月前
アンリツ株式会社
分光器
1か月前
アンリツ株式会社
計量装置
1日前
アンリツ株式会社
検査装置
4日前
アンリツ株式会社
測定システム
今日
アンリツ株式会社
物品検査装置
8日前
アンリツ株式会社
物品検査装置
8日前
アンリツ株式会社
物品検査装置
7日前
アンリツ株式会社
物品検査装置
4日前
アンリツ株式会社
X線管及びX線検査装置
2日前
アンリツ株式会社
異物検査装置及び異物検査方法
22日前
アンリツ株式会社
予知保全装置及び予知保全方法
今日
アンリツ株式会社
誤り率測定装置及び信号検出方法
4日前
アンリツ株式会社
真空管、X線管及びX線検査装置
2日前
アンリツ株式会社
ADC校正装置およびADC校正方法
4日前
アンリツ株式会社
分光測定装置及びこれを備えた物品検査装置
7日前
アンリツ株式会社
分光測定装置及びこれを備えた物品検査装置
14日前
アンリツ株式会社
分光測定装置及びこれを備えた物品検査装置
14日前
アンリツ株式会社
ハイブリッド回路とそれを備えるバトラーマトリクス
4日前
アンリツ株式会社
伝送線路の交差構造とそれを備えるバトラーマトリクス
4日前
個人
店内配信予約システム
2か月前
WHISMR合同会社
収音装置
22日前
サクサ株式会社
中継装置
2か月前
キヤノン株式会社
撮像装置
1か月前
キヤノン株式会社
電子機器
2か月前
アイホン株式会社
電気機器
16日前
キヤノン株式会社
撮像装置
3か月前
株式会社リコー
画像形成装置
1か月前
日本精機株式会社
画像投映システム
2か月前
ヤマハ株式会社
信号処理装置
3か月前
株式会社リコー
画像形成装置
1か月前
キヤノン電子株式会社
モバイル装置
2か月前
電気興業株式会社
無線中継器
3か月前
キヤノン電子株式会社
画像読取装置
23日前
株式会社リコー
画像形成装置
1か月前
個人
ワイヤレスイヤホン対応耳掛け
14日前
続きを見る
他の特許を見る