TOP
|
特許
|
意匠
|
商標
特許ウォッチ
Twitter
他の特許を見る
公開番号
2025058759
公報種別
公開特許公報(A)
公開日
2025-04-09
出願番号
2023168894
出願日
2023-09-28
発明の名称
作業機械
出願人
日立建機株式会社
代理人
弁理士法人サンネクスト国際特許事務所
主分類
E02F
9/00 20060101AFI20250402BHJP(水工;基礎;土砂の移送)
要約
【課題】作業機械の運転終了時に、運転者に対し、パージ処理が実行されていることを、より確実に認識させることができる作業機械を提供することができる。
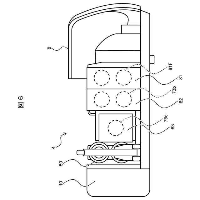
【解決手段】自機の左右方向の一方、かつ、前方に設けられた運転室8と、動力源となる電動モータ23に供給される電力を生成する燃料電池21と、燃料電池21を冷却する燃料電池用冷却システム70と、備え、燃料電池用冷却システム70は、自機の左右方向の一方、かつ、運転室8の後ろに配置されていることを特徴とする作業機械。
【選択図】図4
特許請求の範囲
【請求項1】
自機の左右方向の一方、かつ、前方に設けられた運転室と、
動力源となる電動モータに供給される電力を生成する燃料電池と、
前記燃料電池を冷却する第1の冷却装置と、を備え
前記第1の冷却装置は、自機の左右方向の一方、かつ、前記運転室の後ろに配置されていることを特徴とする作業機械。
続きを表示(約 980 文字)
【請求項2】
前記第1の冷却装置は、前記運転室に隣接して配置されていることを特徴とする請求項1記載の作業機械。
【請求項3】
前記第1の冷却装置は、第1の熱交換器と前記第1の熱交換器と対面して配置されて前記第1の熱交換器に冷却風を送風する複数の第1の冷却ファンとを有し、
前記複数の第1の冷却ファンは、自機の側面に沿って配置されていることを特徴とする請求項2記載の作業機械。
【請求項4】
自機の後端には、カウンタウエイトが設けられており、
前記第1の冷却装置は、第1の熱交換器と前記第1の熱交換器と対面して配置されて前記第1の熱交換器に冷却風を送風する第1の冷却ファンとを有し、
前記第1の冷却ファンは、自機の前後方向において、前記運転室と前記カウンタウエイトとの間に配置されていることを特徴とする請求項1記載の作業機械。
【請求項5】
前記電動モータを冷却させる第2の冷却装置をさらに備え、
前記第1の冷却装置は、第1の熱交換器と前記第1の熱交換器と対面して配置されて前記第1の熱交換器に冷却風を送風する第1の冷却ファンとを有し、
前記第2の冷却装置は、第2の熱交換器と前記第2の熱交換器と対面して配置されて前記第2の熱交換器に冷却風を送風する第2の冷却ファンとを有し、
前記第1の冷却ファンは、自機の左右方向の一方に配置されると共に、自機の前記左右方向の一方の側面側から外気を取り込み、
前記第2の冷却ファンは、自機の左右方向の他方、かつ、前記第1の冷却ファンと対向して配置されると共に、自機の前記左右方向の他方の側面側から外気を取り込むことを特徴とする請求項1記載の作業機械。
【請求項6】
自機の後端には、カウンタウエイトが設けられており、
前記カウンタウエイトには、前記第1の冷却ファンおよび前記第2の冷却ファンにより取り込まれた外気を排出するための開口が設けられていることを特徴とする請求項5記載の作業機械。
【請求項7】
前記燃料電池のパージ処理が実行されているときの前記第1の冷却ファンの駆動は、前記燃料電池から発生する発電電力により駆動されることを特徴とする請求項3記載の作業機械。
発明の詳細な説明
【技術分野】
【0001】
本発明は、作業機械に関する。本発明は、特に燃料電池を備え、燃料電池により発生する電力により駆動する作業機械に関する。
続きを表示(約 2,900 文字)
【背景技術】
【0002】
昨今、環境に配慮する観点から、燃料電池が搭載された作業機械が用いられつつある。一般に燃料電池は、水素のイオン化を促進するために燃料電池の内部を加湿状態としておくことが必要である。また、発電の際に水を生成するため、排水経路に水分が残留することがある。しかしながら、これらの残留水分は,氷点下などの低温環境下において凍結してしまうおそれがあり、システム停止時には残留水分を除去する必要がある。
【0003】
特許文献1には、建設機械について開示されている。この建設機械は、本体部と、該本体部を走行する走行装置との間に設けられ、本体部を旋回する第1旋回部と、本体部に接続された作業装置と、第1旋回部とは異なる第2旋回部により旋回可能な収容部と、を備える。収容部は、水素を貯蔵する水素タンクと水素タンクから供給される水素により発電を行う燃料電池とを収容し、本体部には、作業装置を駆動する油圧装置が配置されている。
特許文献2には、電力を出力する電源システムについて開示されている。電源システムは、プロトン伝導性を有する電解質層と、該電解質層に接合される水素透過性金属層とを備える燃料電池と、燃料電池のアノード側に、水素を含有する燃料ガスを供給する燃料ガス供給部と、を備える。また、電源システムは、燃料電池のアノード側に、水素を含有しないパージガスを供給するパージガス供給部と、燃料電池における発電の停止後に、パージガス供給部を駆動して、燃料電池内の燃料ガスを、パージガスによって置き換えるパージ制御部とを備える。
【先行技術文献】
【特許文献】
【0004】
特開2022-180565号公報
国際公開第2005/043663号
【発明の概要】
【発明が解決しようとする課題】
【0005】
燃料電池が搭載された作業機械では、燃料電池の停止の際に、燃料電池の内部や排水経路の残留水分を除去するパージ処理を行い、低温環境下における凍結防止を行う必要がある。
パージ処理は、作業機械の運転終了時、すなわちキーオフ後に実施されるものであるが、停止処理の一部として必要に応じて実行される。一方、作業機械では、バッテリの消耗防止、盗難防止、車体メンテナンスの安全性向上等を目的とし、バッテリからの電力の供給ラインを手動で遮断して、システム電源供給源を遮断する場面が存在する。
しかしながら、運転者が作業終了後にパージ処理が実行されていることに気付かず、システム電源供給源を遮断してしまうと、パージ処理が中断され、燃料電池内部や排出経路に残留水分が残ってしまうことがある。この場合、低温環境下では凍結により、以降の燃料電池の起動性を損なうおそれがある。
本発明は、作業機械の運転終了時に、運転者に対し、パージ処理が実行されていることを、より確実に認識させることができる作業機械を提供することを目的とする。
【課題を解決するための手段】
【0006】
上記の課題を解決するため本発明は、自機の左右方向の一方、かつ、前方に設けられた運転室と、動力源となる電動モータに供給される電力を生成する燃料電池と、燃料電池を冷却する第1の冷却装置と、備え、第1の冷却装置は、自機の左右方向の一方、かつ、運転室の後ろに配置されていることを特徴とする作業機械である。この場合、作業機械の運転終了時に、運転者に対し、パージ処理が実行されていることを、より確実に認識させることができる作業機械を提供することができる。
【0007】
ここで、第1の冷却装置は、運転室に隣接して配置するようにできる。この場合、運転者に電動ファンや電動水ポンプの作動音を認識させやすくすることができる。
また、第1の冷却装置は、第1の熱交換器と第1の熱交換器と対面して配置されて第1の熱交換器に冷却風を送風する複数の第1の冷却ファンとを有し、複数の第1の冷却ファンは、自機の側面に沿って配置されるようにできる。この場合、外気を取り込みやすくなる。また、第1の冷却ファンが複数になっても、それぞれの第1の冷却ファンで外気を取り込むことができる。
またさらに、自機の後端には、カウンタウエイトが設けられており、第1の冷却装置は、第1の熱交換器と第1の熱交換器と対面して配置されて第1の熱交換器に冷却風を送風する第1の冷却ファンとを有し、第1の冷却ファンは、自機の前後方向において、運転室とカウンタウエイトとの間に配置されるようにできる。この場合、第1の冷却ファンの作動音が運転者に聞こえやすくなる。
また、電動モータを冷却させる第2の冷却装置をさらに備え、第1の冷却装置は、第1の熱交換器と第1の熱交換器と対面して配置されて第1の熱交換器に冷却風を送風する第1の冷却ファンとを有し、第2の冷却装置は、第2の熱交換器と第2の熱交換器と対面して配置されて第2の熱交換器に冷却風を送風する第2の冷却ファンとを有し、第1の冷却ファンは、自機の左右方向の一方に配置されると共に、自機の左右方向の一方の側面側から外気を取り込み、第2の冷却ファンは、自機の左右方向の他方、かつ、第1の冷却ファンと対向して配置されると共に、自機の左右方向の他方の側面側から外気を取り込むようにできる。この場合、冷却性能を悪化させるリサーキュレーションを抑制することができる。
そして、自機の後端には、カウンタウエイトが設けられており、カウンタウエイトには、第1の冷却ファンおよび第2の冷却ファンにより取り込まれた外気を排出するための開口が設けられるようにできる。この場合、自機の後方から熱風を排出しやすくなる。
さらに、燃料電池のパージ処理が実行されているときの、第1の冷却ファンの駆動は、燃料電池から発生する発電電力により駆動されるようにできる。この場合、燃料電池の排熱により、燃料電池内部や接続配管に残留する水分を車外へ排出することができる。
【発明の効果】
【0008】
本発明によれば、作業機械の運転終了時に、運転者に対し、パージ処理が実行されていることを、より確実に認識させることができる作業機械を提供することができる。
【図面の簡単な説明】
【0009】
本実施の形態における作業機械の全体構成について示した図である。
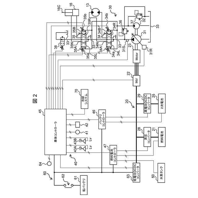
油圧ショベルのシステム構成について示した図である。
本実施の形態の作業機械の燃料電池用冷却システムの説明図である。
本実施形態の油圧ショベルの旋回体の上面図である。
本実施形態の油圧ショベルの旋回体の左側面図である。
本実施形態の油圧ショベルの旋回体の右側面図である。
【発明を実施するための形態】
【0010】
以下、添付図面を参照し、本発明の実施の形態について、詳細に説明する。
(【0011】以降は省略されています)
この特許をJ-PlatPat(特許庁公式サイト)で参照する
関連特許
日立建機株式会社
建設機械
1か月前
日立建機株式会社
作業車両
1か月前
日立建機株式会社
建設機械
1か月前
日立建機株式会社
作業機械
1か月前
日立建機株式会社
転圧機械
1か月前
日立建機株式会社
作業車両
1か月前
日立建機株式会社
作業機械
1か月前
日立建機株式会社
作業機械
1か月前
日立建機株式会社
建設機械
2日前
日立建機株式会社
変速装置
1か月前
日立建機株式会社
作業機械
1か月前
日立建機株式会社
作業機械
1か月前
日立建機株式会社
作業機械
1か月前
日立建機株式会社
作業車両
1か月前
日立建機株式会社
作業機械
1か月前
日立建機株式会社
作業機械
28日前
日立建機株式会社
作業機械
29日前
日立建機株式会社
建設機械
29日前
日立建機株式会社
作業機械
1か月前
日立建機株式会社
作業機械
1か月前
日立建機株式会社
ポンプ装置
1か月前
日立建機株式会社
施工管理装置
1か月前
日立建機株式会社
運用管理装置
1か月前
日立建機株式会社
映像記録装置
1か月前
日立建機株式会社
ダンプトラック
1か月前
日立建機株式会社
電動式作業機械
1か月前
日立建機株式会社
ダンプトラック
28日前
日立建機株式会社
ホイールローダ
1か月前
日立建機株式会社
ホイールローダ
1か月前
日立建機株式会社
作業支援システム
1か月前
日立建機株式会社
電力管理システム
今日
日立建機株式会社
遠隔制御システム
1か月前
日立建機株式会社
コントロールバルブ
1か月前
日立建機株式会社
建設発生土の管理システム
1か月前
日立建機株式会社
可変容量型斜板式液圧回転機
1か月前
日立建機株式会社
作業機械用情報入力システム
1か月前
続きを見る
他の特許を見る