TOP
|
特許
|
意匠
|
商標
特許ウォッチ
Twitter
他の特許を見る
10個以上の画像は省略されています。
公開番号
2025057796
公報種別
公開特許公報(A)
公開日
2025-04-09
出願番号
2023167547
出願日
2023-09-28
発明の名称
電解水生成装置
出願人
パナソニックIPマネジメント株式会社
代理人
個人
,
個人
,
個人
主分類
C02F
1/461 20230101AFI20250402BHJP(水,廃水,下水または汚泥の処理)
要約
【課題】本発明は、電解水を使い切る前に電解水を事前に生成することによって、電解水を使い切って補充するまでの間の電解水を使用できない時間を短くする技術を提供する。
【解決手段】そしてこの目的を達成するために本発明は、電解槽部30内の塩化物イオンを含んだ水を電解手段60によって電気分解し、電解水を生成した後に、給水手段10から電解槽部30内に所定量の水を供給することによって電解槽部30内の電解水を希釈しながら送水槽部40に供給し、取水手段70によって送水槽部40に貯留した電解水を取水できる状態にすると共に、電解槽部30内の塩化物イオンを含んだ水を電解手段60によって電気分解できる。
【選択図】 図1
特許請求の範囲
【請求項1】
給水手段と、
前記給水手段から供給された水を貯水する電解槽部と、
前記電解槽部内に塩化物イオンを供給可能な塩化物イオン供給手段と、
前記電解槽部内の前記塩化物イオンを有する水を電気分解して電解水を生成する電解手段と、
前記電解槽部内の前記電解水が供給される送水槽部と、
前記送水槽部に貯留した前記電解水を取水可能な取水手段と、
を有し、
前記電解槽部内の前記塩化物イオンを含んだ水を前記電解手段によって電気分解し、電解水を生成した後に、前記給水手段から前記電解槽部内に所定量の水を供給することによって前記電解槽部内の前記電解水を希釈しながら前記送水槽部に供給し、前記取水手段によって前記送水槽部に貯留した前記電解水を取水できる状態にすると共に、
前記電解槽部内の前記塩化物イオンを含んだ水を前記電解手段によって電気分解できることを特徴とする電解水生成装置。
続きを表示(約 1,900 文字)
【請求項2】
前記電解手段は、少なくとも一対の電極板を有し、
前記電解槽部と前記送水槽部とは分離壁を隔てて一体的に設けられ、
前記分離壁の高さは、前記電解槽部と前記送水槽部の上端より低く、前記電極板の上端より高く位置し、
前記電解槽部内の前記塩化物イオンを含んだ水を前記電解手段によって電気分解し、電解水を生成した後に、前記給水手段から前記電解槽部に所定量の水を供給し、前記電解槽部の水位が前記分離壁を越え、前記電解水の一部が前記送水槽部に供給されることを特徴とする請求項1に記載の電解水生成装置。
【請求項3】
前記送水槽部の水位を検知する水位検知手段と、
前記給水手段と、前記塩化物イオン供給手段と、前記電解手段と、前記取水手段と、を制御する制御手段と、を有し、
前記制御手段は、前記電解手段によって前記電解槽部内の前記塩化物イオンを含んだ水を所定時間電気分解し、電解水を生成した後に、前記水位検知手段が前記電解槽部内の水位より低い電解水送水水位以下になったことを検知すると、
前記電解槽部内の前記電解水の一部が前記送水槽部に流れ込むように、前記給水手段によって前記電解槽部に所定量の水を供給し、前記取水手段によって前記送水槽部に貯留した電解水を取水できる状態にすると共に、
前記塩化物イオン供給手段によって前記電解槽部内に所定量の前記塩化物イオンを供給し、前記電解手段によって前記電解槽部内の前記塩化物イオンを含んだ水を所定時間電気分解することを特徴とする請求項2に記載の電解水生成装置。
【請求項4】
前記制御手段は、前記電解手段によって前記電解槽部内の前記塩化物イオンを含んだ水を所定時間電気分解し、電解水を生成した後に、前記水位検知手段が前記電解槽部内の水位より低い前記電解水送水水位以下になったことを検知すると、
前記電解槽部内の前記電解水の一部が前記送水槽部に流れ込むように、前記給水手段によって前記電解槽部に所定量の水を供給し、その際の前記送水槽部内の水位を、前記電解水送水水位より高く、前記分離壁の高さより低い水位である電解水定常水位とし、
前記塩化物イオン供給手段によって前記電解槽部内に所定量の前記塩化物イオンを供給し、前記電解手段によって前記電解槽部内の前記塩化物イオンを含んだ水を所定時間電気分解することを特徴とする請求項3に記載の電解水生成装置。
【請求項5】
前記制御手段は、前記電解手段によって前記電解槽部内の前記塩化物イオンを含んだ水を
所定時間電気分解し、電解水を生成した後に、前記水位検知手段が前記電解槽部内の水位より低い前記電解水送水水位以下になったことを検知すると、
前記電解槽部内の前記電解水の一部が前記送水槽部に流れ込むように、前記給水手段によって前記電解槽部に所定量の水を供給し、その際の前記送水槽部内の水位を、前記電解水送水水位より高く、前記分離壁の高さ以下の水位である電解水定常水位とし、
前記取水手段によって前記送水槽部に貯留した前記電解水を取水し、前記水位検知手段が前記送水槽部内の水位が前記電解水定常水位より低く前記電解水送水水位より高い電解水生成水位になったことを検知すると、
前記塩化物イオン供給手段によって前記電解槽部内に所定量の前記塩化物イオンを供給し、前記電解手段によって前記電解槽部内の前記塩化物イオンを含んだ水を所定時間電気分解することを特徴とする請求項3に記載の電解水生成装置。
【請求項6】
前記制御手段は、前記電解手段によって前記電解槽部内の前記塩化物イオンを含んだ水を所定時間電気分解し、電解水を生成した後に、前記水位検知手段が前記分離壁の高さより低い前記電解水送水水位以下になったことを検知すると、
前記電解槽部内の前記電解水の一部が前記送水槽部に流れ込むように、前記給水手段によって前記電解槽部に所定量の水を供給し、その際の前記送水槽部内の水位を、前記分離壁の高さより高く、前記電解槽部と前記送水槽部の上端より低い水位である電解水定常水位とし、
前記取水手段によって前記送水槽部に貯留した前記電解水を取水し、前記水位検知手段が前記送水槽部内の水位が前記分離壁の高さ以下で前記電解水送水水位より高い電解水生成水位になったことを検知すると、
前記塩化物イオン供給手段によって前記電解槽部内に所定量の前記塩化物イオンを供給し、前記電解手段によって前記電解槽部内の前記塩化物イオンを含んだ水を所定時間電気分解することを特徴とする請求項3に記載の電解水生成装置。
発明の詳細な説明
【技術分野】
【0001】
本発明は、水に通電することにより生成した電解水を吐出することでキッチンのシンクなど水回りの細菌、真菌、ウイルス、ぬめり汚れ、臭い発生を抑制する電解水生成装置に関するものである。
続きを表示(約 1,800 文字)
【背景技術】
【0002】
キッチン等の水回りを衛生的に保つための装置として、電解水を生成し吐水することで、水回りで繁殖する細菌、真菌を除菌する電解水生成装置が知られている。従来の電解水生成装置は、貯水槽に塩化物イオン等の原料を添加し電解することで高濃度の電解水を安定的に生成し、電解水使用後に貯水槽内に水道水と原料を貯水槽に添加し、電解水を生成して補充する。その中でも電解水の補充を適切なタイミングで行うことで、使用者が使用中に電解水の利用ができなくなることを防ぐ除菌水生成装置が知られている。
【先行技術文献】
【特許文献】
【0003】
特許第6331006号公報
【発明の概要】
【発明が解決しようとする課題】
【0004】
従来、このような電解水生成装置は、一つの貯水槽で、電解水を作成し、電解水を貯水しているため、電解水量が低下して補充する際に再度水や原料を補充して電解する必要があり、次の電解水を生成するまで時間を要し、その間使用者が電解水を利用できないという課題を有していた。
【0005】
本発明はこのような課題を鑑みてなされたものであり、その目的は、2つの貯水槽を有し、一方の貯水槽で電解水を生成し、他方の貯水槽に電解水を貯水し、電解水を使い切る前に電解水を事前に生成することによって、電解水を使い切って補充するまでの間の電解水を使用できない時間を短くし、安定した濃度の電解水を吐出可能な電解水生成装置を提供することにある。
【課題を解決するための手段】
【0006】
そして、この目的を達成するために、本発明に係る電解水生成装置は、給水手段と、前記給水手段から供給された水を貯水する電解槽部と、前記電解槽部内に塩化物イオンを供給可能な塩化物イオン供給手段と、前記電解槽部内の前記塩化物イオンを有する水を電気分解して電解水を生成する電解手段と、前記電解槽部内の前記電解水が供給される送水槽部と、前記送水槽部に貯留した前記電解水を取水可能な取水手段と、を有し、前記電解槽部内の前記塩化物イオンを含んだ水を前記電解手段によって電気分解し、電解水を生成した後に、前記給水手段から前記電解槽部内に所定量の水を供給することによって前記電解槽部内の前記電解水を希釈しながら前記送水槽部に供給し、前記取水手段によって前記送水槽部に貯留した前記電解水を取水できる状態にすると共に、前記電解槽部内の前記塩化物イオンを含んだ水を前記電解手段によって電気分解できることを特徴としたものであり、これにより所期の目的を達成するものである。
【発明の効果】
【0007】
以上のように本発明は、送水槽部に貯留した電解水を使い切る前に電解槽部で電解水を事前に生成することによって、送水槽部に貯留した電解水を使い切って電解水を使用できない時間を短くする電解水生成装置を提供することができる。
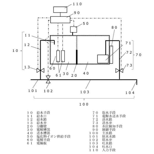
【図面の簡単な説明】
【0008】
電解水生成装置1の構成を模式的に示す図
同電解水生成装置の構成を示すブロック図
同電解水生成装置の運転開始時の電解水生成フローを示す図
同電解水生成装置の電解水吐出フローを示す図
同電解水生成装置の補充電解水生成フローを示す図
同電解水定常水位時の電解槽部と送水槽部の水位の状態を模式的に示した図
実施の形態2、3に関わる電解水生成装置の補充電解水生成フローを示す図
実施の形態2に関わる電解水定常水位時の電解槽部と送水槽部の水位の状態を模式的に示した図
実施の形態3に関わる電解水定常水位時の電解槽部と送水槽部の水位の状態を模式的に示した図
【発明を実施するための形態】
【0009】
(実施の形態1)
以下、本発明の実施の形態1の電解水生成装置1の構成について説明する。図1は電解水生成装置1の構成を模式的に示した図である。
【0010】
電解水生成装置1は、水道水等の原水から電解水を生成する。電解水生成装置1は、給水手段10と、電解槽部30と、送水槽部40と、塩化物イオン供給手段50と、電解手段60と、取水手段70と、水位検知手段80と、制御手段90と、操作部110を有し、水道水等の源水は、筒状の水路である主水路100内を流れる。
(【0011】以降は省略されています)
この特許をJ-PlatPat(特許庁公式サイト)で参照する
関連特許
株式会社げんき
液体活性化装置
20日前
株式会社ウィズアクア
水質浄化装置
1か月前
三浦工業株式会社
汚泥乾燥加熱釜
1か月前
株式会社ライトアース
水循環式水質浄化システム
27日前
三浦工業株式会社
精製水供給システム
1か月前
栗田工業株式会社
電気イオン濃縮装置
1か月前
名古屋メッキ工業株式会社
溶存金属析出装置
1か月前
スタンレー電気株式会社
流体除菌装置
25日前
栗田工業株式会社
逆浸透膜装置の運転方法
20日前
オルガノ株式会社
UV照射装置
19日前
栗田工業株式会社
超純水製造装置の制御方法
1か月前
WOTA株式会社
液性判定システム及び液性判定方法
1か月前
栗田工業株式会社
電気脱イオン装置の運転方法
1か月前
有限会社フリーウェー
浄水装置
19日前
ジヤトコ株式会社
排水回収システム
4日前
個人
海水の塩分除去装置と淡水製造方法
5日前
株式会社ヘルスカンパニー
浴用剤の使用方法
1か月前
竹鶴油業株式会社
残渣処理プラント及び成形物の製造方法
19日前
有限会社エコルネサンス・エンテック
環境負荷の低減化を図る方法
1か月前
株式会社医道メディカル
水素及び水素溶解エクソソーム液発生装置
18日前
三菱化工機株式会社
電界ろ過装置及び電界ろ過装置のろ材の製造方法
12日前
王子ホールディングス株式会社
排水処理方法
28日前
株式会社セルマップ
油吸着用の吸着体、及び油吸着用の吸着体の製造方法
28日前
栗田工業株式会社
水・蒸気サイクル中の有機系溶存物質の除去方法
26日前
キヤノン株式会社
液体中に溶存するガスの回収システム
18日前
公立大学法人 富山県立大学
アンモニア含有水の処理装置
1か月前
荏原実業株式会社
防臭システム、防臭装置及び防臭方法
17日前
ガス・ウォーター株式会社
海水淡水化・塩分製造プラント
1か月前
株式会社ササクラ
被処理液の膜処理方法および装置
4日前
メタウォーター株式会社
消化システム及び配管設置方法
17日前
オルガノ株式会社
水処理システム
4日前
メタウォーター株式会社
消化システム及び加熱制御方法
17日前
メタウォーター株式会社
消化システム及び加熱制御方法
18日前
株式会社東芝
スカム発生抑制システム及びスカム発生抑制方法
17日前
メタウォーター株式会社
消化システム及び加熱制御方法
17日前
メタウォーター株式会社
消化システム及び加熱制御方法
17日前
続きを見る
他の特許を見る