TOP
|
特許
|
意匠
|
商標
特許ウォッチ
Twitter
他の特許を見る
10個以上の画像は省略されています。
公開番号
2025175128
公報種別
公開特許公報(A)
公開日
2025-11-28
出願番号
2025157582,2023196315
出願日
2025-09-23,2023-11-17
発明の名称
ひょう害軽減用の車両カバー
出願人
株式会社ソーアップ
代理人
個人
主分類
B60J
11/04 20060101AFI20251120BHJP(車両一般)
要約
【課題】本発明は、ひょう害を効果的に軽減する簡易なひょう害軽減用の車両カバーを提供することを目的とする。
【解決手段】本発明に係るひょう害軽減用の車両カバーは、車両のひょう害から保護したい部分にハーフカバーを被せ、その後、通常の車両カバーで覆う様式のひょう害軽減用の車両カバーであって、前記ハーフカバーは、少なくとも車両ルーフを覆う部分は、気泡緩衝材から形成されている。前記気泡緩衝材は、2層構造の気泡緩衝材を複数枚重ねた構造
とする。
【選択図】図2
特許請求の範囲
【請求項1】
車両のひょう害から保護したい部分にハーフカバーを被せ、その上を通常の車両カバーで覆う様式のひょう害軽減用の車両カバーにおいて、
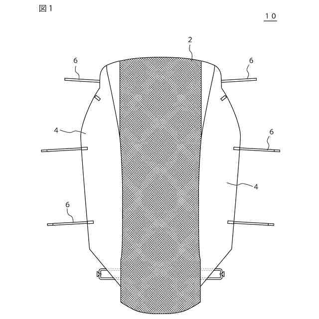
前記ハーフカバーは、少なくとも車両ルーフを覆う車両幅方向の中央部分と、車両幅方向両側のその他の部分から形成され、該中央部分と該その他の部分は夫々縫製されて一体となっており、
前記中央部分は、フィルム表面にのみ直径10mmの気泡の粒が形成された2層構造の気泡緩衝材を2枚重ねた構造であり、
前記その他の部分は、難燃性不織布で形成されている
、ひょう害軽減用の車両カバー。
続きを表示(約 120 文字)
【請求項2】
請求項1に記載のひょう害軽減用の車両カバーにおいて、
前記中央部分は、更に、車両ボンネット、トランクリッド、フロントガラス、及びリアガラスからなる群から選択された1又は2以上を覆っている、ひょう害軽減用の車両カバー。
発明の詳細な説明
【技術分野】
【0001】
本発明は、ひょう害軽減用の車両カバーに関する。更に具体的には、車両のひょう害から保護したい部分にハーフカバーを被せ、その後、通常の車両カバーで覆う様式の車両カバーに関する。
続きを表示(約 1,400 文字)
【背景技術】
【0002】
ひょう(雹)は、一般に、積乱雲から降る直径5mm以上の球状や塊状の氷の粒をいう
。したがって、我々が想像している以上に硬いモノが空から降ってくる。走行中又は野外駐車中の車両にひょうが降り注いだ場合、車両ボディが傷つくおそれがある。
【先行技術文献】
【特許文献】
【0003】
特表2023-518289「車両用の防雹保護システムおよび付随する防雹保護シート」
特開平6-211266「接着性表面保護フィルムとしてのα-オレフィンおよび不飽和、極性コモノマーからのコモノマーの使用法」
実用新案登録第3110076号「屋外駐車車両窓ガラス等の保護及び簡易除雪の為のマグネット帯付車体カバー」
実用新案登録第3111152号「屋外駐車車両窓ガラス等の保護及び簡易除雪等の為の吸着帯付カバー」
【発明の概要】
【発明が解決しようとする課題】
【0004】
ひょうから車両を防護する技術に関する先行技術文献を調査したところ、上記の特許文献1~4が検出された。これら特許文献1~4を精査したところ、本願発明の特徴である、ひょう害からの保護用のハーフカバー、空気緩衝材(エアキャップ)の利用、並びに有効な防ひょう効果が得られるシート枚数等に関する発明は開示されていない。
【0005】
運転中又は屋外駐車中にひょうに降られた場合、車両ボディに凹みができる等のダメージを負うと、「ひょう害車」となる。ひょう害車の多くは、ボンネットやルーフ、トランクリッドなど外装部にひょうが衝突したことによって凹みができてしまった車である。ひょう害車は、走行性能には影響はない代わり、その損傷故に市場価値は大幅に下がってしまう。更に、ひょう害車は、凹みが車両ボディ全面に及ぶので、凹みの修理に手間がかかり、且つ高価な修理となる。
【0006】
従って、ひょう害を効果的に軽減する車両カバーの実現が望まれている。そこで、本発明は、ひょう害を効果的に軽減する簡易なひょう害軽減用の車両カバーを提供することを目的とする。
【課題を解決するための手段】
【0007】
本発明に係るひょう害軽減用の車両カバーは、一面において、車両のひょう害から保護したい部分にハーフカバーを被せ、その後、通常の車両カバーで覆う様式のひょう害軽減用の車両カバーであって、前記ハーフカバーは、少なくとも車両ルーフを覆う部分は、気泡緩衝材から形成されている。
【0008】
更に、上記ひょう害軽減用の車両カバーは、前記気泡緩衝材は、更に、車両ボンネット、トランクリッド、フロントガラス、及びリアガラスからなる群から選択された1又は2
以上を覆っていてもよい。
【0009】
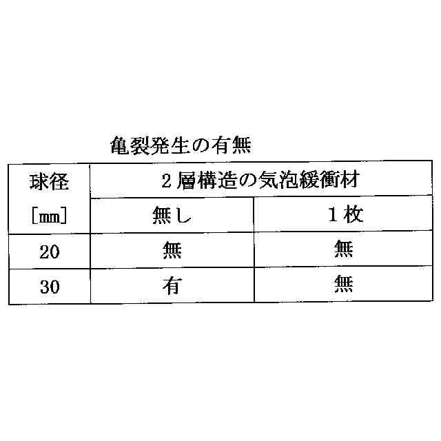
更に、上記ひょう害軽減用の車両カバーは、前記気泡緩衝材は、2層構造の気泡緩衝材
を複数枚重ねた構造としてもよい。
【0010】
更に、上記ひょう害軽減用の車両カバーは、前記ハーフカバーの内、前記気泡緩衝材以外の部分は、難燃性不織布で形成されていてもよい。
【図面の簡単な説明】
(【0011】以降は省略されています)
特許ウォッチbot のツイートを見る
この特許をJ-PlatPat(特許庁公式サイト)で参照する
関連特許
個人
タイヤレバー
4か月前
個人
前輪キャスター
3か月前
個人
上部一体型自動車
1か月前
個人
空間形成装置
1か月前
個人
タイヤ脱落防止構造
3か月前
個人
ホイルのボルト締結
5か月前
個人
ルーフ付きトライク
3か月前
日本精機株式会社
表示装置
3か月前
日本精機株式会社
表示装置
4か月前
日本精機株式会社
表示装置
4か月前
日本精機株式会社
表示装置
4か月前
個人
車両通過構造物
4か月前
日本精機株式会社
照明装置
27日前
個人
マスタシリンダ
2か月前
個人
車両用スリップ防止装置
5か月前
個人
アクセルのソフトウェア
5か月前
個人
乗合路線バスの客室装置
4か月前
個人
常設収納型サンバイザー
1か月前
株式会社ニフコ
照明装置
3か月前
株式会社ニフコ
収納装置
2か月前
日本精機株式会社
車載表示装置
5か月前
日本精機株式会社
車載表示装置
1か月前
株式会社ニフコ
保持装置
5か月前
日本精機株式会社
車載表示装置
2か月前
日本精機株式会社
車載表示装置
1か月前
日本精機株式会社
車載表示装置
1か月前
日本精機株式会社
画像投映装置
1か月前
個人
円湾曲ホイール及び球体輪
4か月前
個人
音声ガイド、音声サービス
4か月前
株式会社豊田自動織機
産業車両
27日前
個人
回転窓ワイパー装置
1か月前
個人
車載小物入れ兼雨傘収納具
5か月前
株式会社豊田自動織機
産業車両
3か月前
日本精機株式会社
車室演出装置
3か月前
極東開発工業株式会社
車両
4か月前
井関農機株式会社
作業車両
2か月前
続きを見る
他の特許を見る