TOP
|
特許
|
意匠
|
商標
特許ウォッチ
Twitter
他の特許を見る
公開番号
2025174103
公報種別
公開特許公報(A)
公開日
2025-11-28
出願番号
2024080167
出願日
2024-05-16
発明の名称
1液型金属接着用熱硬化性液状樹脂組成物
出願人
三菱ガス化学ネクスト株式会社
代理人
弁理士法人大谷特許事務所
主分類
C09J
175/14 20060101AFI20251120BHJP(染料;ペイント;つや出し剤;天然樹脂;接着剤;他に分類されない組成物;他に分類されない材料の応用)
要約
【課題】常温で1液で使用することができ、加熱後の硬化が速く、低粘度であり、硬化物の柔軟性と接着強度に優れる1液型金属接着用熱硬化性液状樹脂組成物を提供する。
【解決手段】ウレタン(メタ)アクリレート(A)、リン酸エステル(B)及び熱分解型有機過酸化物(C)を含有し、前記ウレタン(メタ)アクリレート(A)が、2個以上のイソシアネート基を有する化合物(a)を由来とする構造単位、ヒドロキシ基を有する(メタ)アクリレート(b)を由来とする構造単位、及び数平均分子量1500~3500のポリアルキレングリコール(c)を由来とする構造単位を有し、前記ウレタン(メタ)アクリレート(A)のアクリル当量が1000~4000g/eqである、1液型金属接着用熱硬化性液状樹脂組成物。
【選択図】なし
特許請求の範囲
【請求項1】
ウレタン(メタ)アクリレート(A)、リン酸エステル(B)及び熱分解型有機過酸化物(C)を含有し、
前記ウレタン(メタ)アクリレート(A)が、2個以上のイソシアネート基を有する化合物(a)を由来とする構造単位、ヒドロキシ基を有する(メタ)アクリレート(b)を由来とする構造単位、及び数平均分子量1500~3500のポリアルキレングリコール(c)を由来とする構造単位を有し、前記ウレタン(メタ)アクリレート(A)のアクリル当量が1000~4000g/eqである、1液型金属接着用熱硬化性液状樹脂組成物。
続きを表示(約 500 文字)
【請求項2】
更に重合性単量体(D)を含有する、請求項1に記載の1液型金属接着用熱硬化性液状樹脂組成物。
【請求項3】
前記ウレタン(メタ)アクリレート(A)に対する重合性単量体(D)の含有量が、1~40質量%である、請求項2に記載の1液型金属接着用熱硬化性液状樹脂組成物。
【請求項4】
前記熱分解型有機過酸化物(C)の10時間半減期温度が45~130℃である、請求項1に記載の1液型金属接着用熱硬化性液状樹脂組成物。
【請求項5】
前記リン酸エステル(B)が、エチレン性不飽和基含有リン酸エステルである、請求項1に記載の1液型金属接着用熱硬化性液状樹脂組成物。
【請求項6】
前記リン酸エステル(B)が、酸性リン酸エステルである、請求項1に記載の1液型金属接着用熱硬化性液状樹脂組成物。
【請求項7】
前記重合性単量体(D)が、ヒドロキシアルキル(メタ)アクリレート及びポリアルキレングリコールジ(メタ)アクリレートからなる群より選ばれる少なくとも1つである、請求項2に記載の1液型金属接着用熱硬化性液状樹脂組成物。
発明の詳細な説明
【技術分野】
【0001】
本発明は、1液型金属接着用熱硬化性液状樹脂組成物に関する。
続きを表示(約 3,300 文字)
【背景技術】
【0002】
金属用の接着剤として、エポキシ樹脂系接着剤が広く用いられている。エポキシ樹脂系接着剤は、耐熱性・耐水性・耐久性に優れているという特徴がある。
たとえば、特許文献1には、低温において短時間で硬化可能で、硬化物が耐熱性に優れ、高温高湿条件に於いても良好な接着機能を維持できる接着剤として、エポキシ基含有アルコキシケイ素化合物を、塩基性触媒の存在下で縮合させて得られるエポキシ樹脂、2つ以上のエポキシ基を有するエポキシ樹脂、イミダゾール化合物、フェノール性水酸基を有する化合物を含有する加熱硬化型エポキシ樹脂組成物が開示されている。
【0003】
金属用接着剤の要求は年々増え、接着剤の速硬化や薄膜基材への適用もその一つである。
たとえば、特許文献2には、金属箔の接着不良である凹凸やボイド等の発生なく、接着強度に優れた樹脂組成物として、β-ジケトン化合物、エポキシビニルエステル樹脂、ラジカル重合性不飽和単量体及び重合開始剤を必須成分として含有することを特徴とするエポキシビニルエステル樹脂組成物が開示されている。
【先行技術文献】
【特許文献】
【0004】
特開2006-199851号公報
特開2003-105039号公報
【発明の概要】
【発明が解決しようとする課題】
【0005】
従来の接着剤では、薄膜金属基材への適用が可能で、十分に速い硬化速度を満たすものはない。特に薄膜基材へ使用するためには、粘度も低い接着剤が望まれ、接着後の硬化膜の柔軟性も要求される。
一方で、生産性、作業性の面から、1液で常温、つまり室温で保存し、使用することができる接着剤が望まれているが、硬化速度等の性能との両立は困難であった。そのため、上記性能を満たす金属用接着剤が求められていた。
そこで、本発明の課題は、常温で1液で使用することができ、加熱後の硬化が速く、低粘度であり、硬化物の柔軟性と接着強度に優れる1液型金属接着用熱硬化性液状樹脂組成物を提供することである。
【課題を解決するための手段】
【0006】
本発明者らは、特定のウレタン(メタ)アクリレート、リン酸エステル及び熱分解型有機過酸化物を含有する樹脂組成物が上記課題を解決できることを見出した。
すなわち本発明は、下記に関する。
[1]ウレタン(メタ)アクリレート(A)、リン酸エステル(B)及び熱分解型有機過酸化物(C)を含有し、前記ウレタン(メタ)アクリレート(A)が、2個以上のイソシアネート基を有する化合物(a)を由来とする構造単位、ヒドロキシ基を有する(メタ)アクリレート(b)を由来とする構造単位、及び数平均分子量1500~3500のポリアルキレングリコール(c)を由来とする構造単位を有し、前記ウレタン(メタ)アクリレート(A)のアクリル当量が1000~4000g/eqである、1液型金属接着用熱硬化性液状樹脂組成物。
[2]更に重合性単量体(D)を含有する、上記[1]に記載の1液型金属接着用熱硬化性液状樹脂組成物。
[3]前記ウレタン(メタ)アクリレート(A)に対する重合性単量体(D)の含有量が、1~40質量%である、上記[2]に記載の1液型金属接着用熱硬化性液状樹脂組成物。
[4]前記熱分解型有機過酸化物(C)の10時間半減期温度が45~130℃である、
上記[1]~[3]のいずれか1つに記載の1液型金属接着用熱硬化性液状樹脂組成物。
[5]前記リン酸エステル(B)が、エチレン性不飽和基含有リン酸エステルである、上記[1]~[4]のいずれか1つに記載の1液型金属接着用熱硬化性液状樹脂組成物。
[6]前記リン酸エステル(B)が、酸性リン酸エステルである、上記[1]~[5]のいずれか1つに記載の1液型金属接着用熱硬化性液状樹脂組成物。
[7]前記重合性単量体(D)が、ヒドロキシアルキル(メタ)アクリレート及びポリアルキレングリコールジ(メタ)アクリレートからなる群より選ばれる少なくとも1つである、上記[2]~[6]に記載の1液型金属接着用熱硬化性液状樹脂組成物。
【発明の効果】
【0007】
本発明によれば、常温で1液で使用することができ、加熱後の硬化が速く、低粘度であり、硬化物の柔軟性と接着強度に優れる1液型金属接着用熱硬化性液状樹脂組成物を提供することができる。
【発明を実施するための形態】
【0008】
本発明の1液型金属接着用熱硬化性液状樹脂組成物は、ウレタン(メタ)アクリレート(A)、リン酸エステル(B)及び熱分解型有機過酸化物(C)を含有し、前記ウレタン(メタ)アクリレート(A)が、2個以上のイソシアネート基を有する化合物(a)を由来とする構造単位、ヒドロキシ基を有する(メタ)アクリレート(b)を由来とする構造単位、及び数平均分子量1500~3500のポリアルキレングリコール(c)を由来とする構造単位を有し、前記ウレタン(メタ)アクリレート(A)のアクリル当量が1000~4000g/eqである。
本発明の1液型金属接着用熱硬化性液状樹脂組成物は、常温で1液で使用することができ、加熱後の硬化が速く、低粘度であり、硬化物の柔軟性と接着強度に優れるため、生産性に優れ、金属接着時に薄膜化が可能である。
【0009】
本発明の1液型金属接着用熱硬化性液状樹脂組成物が、前記構成を有することで、常温で1液で使用することができ、加熱後の硬化が速く、低粘度であり、硬化物の柔軟性と接着強度に優れる理由は定かではないが、次のように考えられる。
本発明の1液型金属接着用熱硬化性液状樹脂組成物には、熱分解型の有機過酸化物とウレタン(メタ)アクリレートを含むため、常温では1液で使用することができ、加熱後には迅速に硬化できるものと考えられる。また、ウレタン(メタ)アクリレートのアクリル当量が1000~4000g/eqであるため、樹脂組成物は低粘度でありながら、硬化物は柔軟となるものと考えられる。また、本発明の1液型金属接着用熱硬化性液状樹脂組成物は、リン酸エステルを含むため、金属との密着性や接着後の強度に優れ、金属接着用の樹脂組成物として有用であると考えられる。
【0010】
[ウレタン(メタ)アクリレート(A)]
本発明の1液型金属接着用熱硬化性液状樹脂組成物は、2個以上のイソシアネート基を有する化合物(a)を由来とする構造単位、エチレン性不飽和基含有モノアルコール化合物(b)を由来とする構造単位、及び数平均分子量1500~3500のポリアルキレングリコール(c)を由来とする構造単位を有し、アクリル当量が1000~4000g/eqであるウレタン(メタ)アクリレート(A)を含有する。
つまり、ウレタン(メタ)アクリレート(A)は、2個以上のイソシアネート基を有する化合物(a)を由来とする構造単位、エチレン性不飽和基含有モノアルコール化合物(b)を由来とする構造単位、及び数平均分子量1500~3500のポリアルキレングリコール(c)を由来とする構造単位を有し、アクリル当量が1000~4000g/eqである。
本発明において、「(メタ)アクリレート」とは、「アクリレート」及び「メタクリレート」からなる群より選ばれる少なくとも1つのことをいい、「(メタ)アクリロイル基」とは、「アクリロイル基」及び「メタクリロイル基」からなる群より選ばれる少なくとも1つのことをいい、「(メタ)アクリル酸」とは、「アクリル酸」及び「メタクリル酸」からなる群より選ばれる少なくとも1つのことをいう。
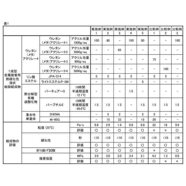
(【0011】以降は省略されています)
この特許をJ-PlatPat(特許庁公式サイト)で参照する
関連特許
日本化薬株式会社
インク
2か月前
日本化薬株式会社
インク
23日前
ベック株式会社
水性被覆材
1か月前
ベック株式会社
被膜形成方法
1か月前
日本化薬株式会社
インクセット
23日前
日本化薬株式会社
インク組成物
2か月前
日本化薬株式会社
前処理組成物
1か月前
個人
絵具及び絵具セット
1か月前
出光興産株式会社
構造体
23日前
日本製紙株式会社
圧着紙
1か月前
株式会社日本触媒
インクセット
2か月前
メック株式会社
表面処理剤
1か月前
株式会社KRI
潜熱蓄熱材組成物
1か月前
個人
滑り止め分散剤組成物
1か月前
東ソー株式会社
印刷インキ組成物
1か月前
東亞合成株式会社
プライマー組成物
1か月前
シヤチハタ株式会社
油性インキ組成物
3か月前
株式会社グッドネス
保冷パック
26日前
東ソー株式会社
土木用注入薬液組成物
2か月前
日澱化學株式会社
ホットメルト接着剤
1か月前
株式会社共和
粘着テープ
3日前
アイカ工業株式会社
ホットメルト組成物
1か月前
大日精化工業株式会社
顔料分散液
2か月前
アイカ工業株式会社
光硬化型圧着組成物
3か月前
東ソー株式会社
土質安定化注入薬液組成物
2か月前
マクセル株式会社
粘着テープ
26日前
デンカ株式会社
蛍光体
1か月前
東ソー株式会社
土質安定化注入薬液組成物
2か月前
リンテック株式会社
粘着シート
1か月前
大日本印刷株式会社
積層シート
1か月前
日本化薬株式会社
インク組成物及び捺染方法
1か月前
ダイキン工業株式会社
撥剤
1か月前
artience株式会社
水性フレキソインキ
1か月前
ダイキン工業株式会社
組成物
3か月前
ダイキン工業株式会社
組成物
3か月前
株式会社ネオス
フッ素系樹脂粒子用分散剤
25日前
続きを見る
他の特許を見る