TOP
|
特許
|
意匠
|
商標
特許ウォッチ
Twitter
他の特許を見る
10個以上の画像は省略されています。
公開番号
2025165084
公報種別
公開特許公報(A)
公開日
2025-11-04
出願番号
2024068962
出願日
2024-04-22
発明の名称
レバー装置
出願人
多摩川精機株式会社
代理人
個人
,
個人
,
個人
,
個人
主分類
G05G
5/05 20060101AFI20251027BHJP(制御;調整)
要約
【課題】レバー部材を安定して中立位置に保持することができる、レバー装置を提供する。
【解決手段】レバー装置1は、基台部20と、基台部20に設けられ、少なくとも直交する2軸方向への移動が可能に支持されたレバー部材30と、レバー部材30の移動量に対応して回転する可動磁石部材50と、基台部20に設けられた固定磁石部材60とを備え、可動磁石部材50と、固定磁石部材60とは、磁気相互作用によりレバー部材30を中立位置に付勢するため、レバー部材30を安定して中立位置に保持することができる。
【選択図】図3
特許請求の範囲
【請求項1】
基台部(20)と、
前記基台部(20)に設けられ、少なくとも直交する2軸方向への移動が可能に支持されたレバー部材(30)と、
前記レバー部材(30)の移動量に対応して回転する可動磁石部材(50)と、
前記基台部(20)に設けられた固定磁石部材(60)と
を備え、
前記可動磁石部材(50)と、前記固定磁石部材(60)とは、磁気相互作用により前記レバー部材(30)を中立位置に付勢するレバー装置。
続きを表示(約 430 文字)
【請求項2】
前記固定磁石部材(60)は中空部(62)を有し、
前記可動磁石部材(50)は、前記固定磁石部材(60)の前記中空部(62)に設けられている、請求項1に記載のレバー装置。
【請求項3】
前記可動磁石部材(50a)は中空部(52)を有し、
前記固定磁石部材(60a)は、前記可動磁石部材(50a)の前記中空部(52)に設けられている、請求項1に記載のレバー装置。
【請求項4】
前記可動磁石部材(50)は、回転方向に沿って少なくとも1組の磁極を有し、
前記固定磁石部材(60)は、前記可動磁石部材(50)の回転方向に沿って、前記可動磁石部材(50)の磁極と同数の組の磁極を有する、請求項1~3のいずれか一項に記載のレバー装置。
【請求項5】
前記可動磁石部材(50)及び前記固定磁石部材(60)は、永久磁石である、請求項1~3のいずれか一項に記載のレバー装置。
発明の詳細な説明
【技術分野】
【0001】
この発明は、レバー装置に関する。
続きを表示(約 1,900 文字)
【背景技術】
【0002】
従来のレバー装置の構成として、特許文献1に記載されているものが知られている。この特許文献1に記載のレバー装置は、操縦装置用のレバー装置であり、レバー部材と、レバー部材を傾けることができるように支持するリンクである支持部と、支持部に設けられたばね部とを有している。そして、ばね部がリンク部に弾性力を加えることで、レバー部材から手を離したときに、レバー部材が中立位置に保持される。
【先行技術文献】
【特許文献】
【0003】
実開平5-11263号公報
【発明の概要】
【発明が解決しようとする課題】
【0004】
しかしながら、特許文献1に記載のレバー部材では、ばね部の弾性力によりレバー部材を中立位置に保持しているため、ばね部のばね定数のばらつきや、ばね部の経年劣化等によるばね定数の変動により、支持部に付与される弾性力が不安定となり、レバー部材が中立位置に保持されないという問題点があった。
【0005】
この発明は、このような問題を解決するためになされたものであり、レバー部材を安定して中立位置に保持することができる、レバー装置を提供することを目的とする。
【課題を解決するための手段】
【0006】
上記の課題を解決するために、本発明に係るレバー装置は、基台部と、基台部に設けられ、少なくとも直交する2軸方向への移動が可能に支持されたレバー部材と、レバー部材の移動量に対応して回転する可動磁石部材と、基台部に設けられた固定磁石部材とを備え、可動磁石部材と、固定磁石部材とは、磁気相互作用によりレバー部材を中立位置に付勢する。
【0007】
また、固定磁石部材は中空部を有し、可動磁石部材は、固定磁石部材の中空部に設けられていてもよい。
また、可動磁石部材は中空部を有し、固定磁石部材は、可動磁石部材の中空部に設けられていてもよい。
また、可動磁石部材は、回転方向に沿って少なくとも1組の磁極を有し、固定磁石部材は、可動磁石部材の回転方向に沿って、可動磁石部材の磁極と同数の組の磁極を有してもよい。
また、可動磁石部材及び固定磁石部材は、永久磁石であってもよい。
【発明の効果】
【0008】
この発明に係るレバー装置は、レバー部材の移動量に対応して回転する可動磁石部材と、基台部に設けられた固定磁石部材とを備え、可動磁石部材と、固定磁石部材とは、磁気相互作用によりレバー部材を中立位置に付勢するため、レバー部材を安定して中立位置に保持することができる。
【図面の簡単な説明】
【0009】
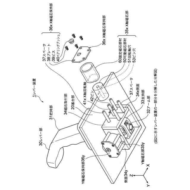
本実施の形態1に係るレバー装置の斜視概略図である。
図1に示すレバー装置1を下側から見た斜視概略図である。
図2に示すレバー装置1の一部分を分解した分解図である。
図2に示すレバー装置のA-A’線断面図である。
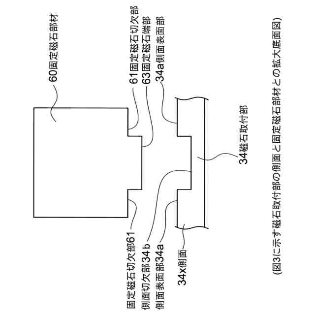
図3に示す固定磁石部材を、磁石取付部側から見た側面図である。
図3に示す側面と固定磁石部材との拡大底面図である。
実施の形態1に係る可動磁石部材及び固定磁石部材の第1の位置関係を示す概略図である。
実施の形態1に係る可動磁石部材の磁極と固定磁石部材の磁極との第2の位置関係を示す概略図である。
実施の形態2に係る可動磁石部材の磁極と固定磁石部材の磁極との位置関係を示す概略図である。
【発明を実施するための形態】
【0010】
実施の形態1.
以下、本発明の実施の形態1に係るレバー装置を添付図面に基づいて説明する。図1は、本実施の形態1に係るレバー装置の斜視概略図である。レバー装置1は、航空機の操縦桿に用いられる装置であって、航空機の操縦席付近に設けられた基台部20と、操縦者が、航空機の操縦操作入力を行うためのレバー部材30とを有している。レバー部材30は、操縦者が把持するための把持部31と、基台部20に形成された角穴21を貫通して、把持部31とは逆側に延びるアーム部32とを有している。アーム部32は、航空機の翼部に設けられた図示しない補助翼や昇降舵等に機械部品等を介して接続されている。操縦者が把持部31を把持してレバー部材30を傾けることでアーム部32が移動し、アーム部32に接続されている、補助翼や昇降舵等の動翼が動作する。
(【0011】以降は省略されています)
この特許をJ-PlatPat(特許庁公式サイト)で参照する
関連特許
多摩川精機株式会社
角度検出信号処理装置
6日前
多摩川精機株式会社
角度検出信号処理装置
1日前
多摩川精機株式会社
角度伝達カップリング
27日前
日本精工株式会社
回転センサ一体型軸受
14日前
多摩川精機株式会社
音叉型角速度センサ、その電気機械漏れ調整方法、電気機械漏れ調整システム、および慣性計測装置
今日
個人
生産早送り装置
3か月前
株式会社豊田自動織機
産業車両
3か月前
株式会社カネカ
製造システム
3か月前
オムロン株式会社
スレーブ装置
2か月前
株式会社熊谷組
障害物の検出方法
1か月前
ローム株式会社
基準電圧源
2か月前
愛知製鋼株式会社
車両用システム
3か月前
株式会社クボタ
作業車
1か月前
株式会社クボタ
作業車
6日前
新電元工業株式会社
作業用ロボット
1か月前
豊田合成株式会社
機器制御装置
2か月前
ローム株式会社
半導体集積回路
7日前
株式会社アサヒエンタープライズ
調整弁
22日前
株式会社ダイフク
搬送設備
3か月前
株式会社ダイフク
搬送設備
2か月前
株式会社ダイフク
物品搬送設備
1か月前
エイブリック株式会社
電流補償回路及び半導体装置
1か月前
トヨタ自動車株式会社
制御装置
2か月前
株式会社ダイフク
物品搬送設備
14日前
カヤバ株式会社
減圧弁
2か月前
キヤノン株式会社
配送システム
3か月前
トヨタ自動車株式会社
クラッチペダル
3か月前
株式会社ダイフク
物品搬送設備
2か月前
村田機械株式会社
搬送車システム
1か月前
株式会社TMEIC
安全性診断装置
2か月前
ルネサスエレクトロニクス株式会社
半導体装置
3か月前
日野自動車株式会社
自動運転装置
1か月前
株式会社CAOS
移動体の制御システム
2か月前
愛知製鋼株式会社
マーカシステム及び制御方法
3か月前
RFルーカス株式会社
自動棚卸ロボット
1日前
株式会社アマダ
工作機械制御装置
1か月前
続きを見る
他の特許を見る