TOP
|
特許
|
意匠
|
商標
特許ウォッチ
Twitter
他の特許を見る
公開番号
2025159635
公報種別
公開特許公報(A)
公開日
2025-10-21
出願番号
2024062360
出願日
2024-04-08
発明の名称
エンジンのリユース可否判定方法
出願人
トヨタ自動車株式会社
代理人
弁理士法人酒井国際特許事務所
主分類
G01M
15/04 20060101AFI20251014BHJP(測定;試験)
要約
【課題】簡易的な方法でエンジン部品の再使用可否を判定可能なエンジンのリユース可否判定方法を提供すること。
【解決手段】本発明に係るエンジンのリユース可否判定方法は、エンジン部品の再使用可否を判定する判定ステップを含み、判定ステップは、余寿命データ及び走行履歴データがない場合、EGRバルブへのデポジットの堆積量とEGRクーラー、インジェクタ、及びスロットルへの煤の堆積量及び異物固着量とからエンジン部品の再使用の可否を判定する。
【選択図】図1
特許請求の範囲
【請求項1】
エンジンの再使用可否を判定する判定ステップを含み、
前記判定ステップは、余寿命データ及び走行履歴データがない場合、EGRバルブへのデポジットの堆積量とEGRクーラー、インジェクタ、及びスロットルへの煤の堆積量及び異物固着量とからエンジンの再使用の可否を判定する、
エンジンのリユース可否判定方法。
発明の詳細な説明
【技術分野】
【0001】
本発明は、エンジンのリユース可否判定方法に関する。
続きを表示(約 1,200 文字)
【背景技術】
【0002】
特許文献1には、パワートレイン部品の運転状態に関する情報を記憶し、その情報に基づいてパワートレイン部品の再使用可能な程度の評価値である再使用評価値を算出する自動車部品再使用システムが記載されている。
【先行技術文献】
【特許文献】
【0003】
特開2004-240534号公報
【発明の概要】
【発明が解決しようとする課題】
【0004】
特許文献1に記載のシステムでは、劣化データが存在しない部品については再使用可能な程度を評価することができない。このため、簡易的な方法で車両部品の再使用の可否を判定可能なシステムの提供が期待されていた。
【0005】
本発明は、上記課題に鑑みてなされたものであって、その目的は、簡易的な方法でエンジン部品の再使用可否を判定可能なエンジンのリユース可否判定方法を提供することにある。
【課題を解決するための手段】
【0006】
本発明に係るエンジンのリユース可否判定方法は、エンジン部品の再使用可否を判定する判定ステップを含み、前記判定ステップは、余寿命データ及び走行履歴データがない場合、EGRバルブへのデポジットの堆積量とEGRクーラー、インジェクタ、及びスロットルへの煤の堆積量及び異物固着量とからエンジン部品の再使用の可否を判定する。
【発明の効果】
【0007】
本発明に係るエンジンのリユース可否判定方法によれば、簡易的な方法でエンジン部品の再使用可否を判定することができる。
【図面の簡単な説明】
【0008】
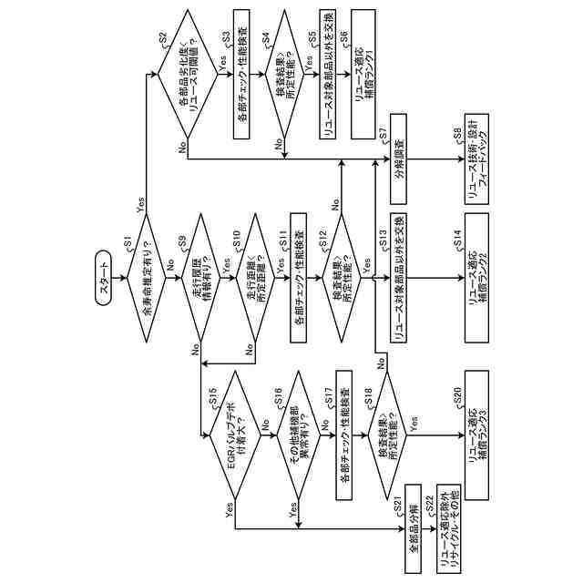
図1は、本発明の一実施形態であるエンジンのリユース可否判定方法の流れを示すフローチャートである。
【発明を実施するための形態】
【0009】
以下、図面を参照して、本発明の一実施形態であるエンジンのリユース可否判定方法について詳しく説明する。
【0010】
図1は、本発明の一実施形態であるエンジンのリユース可否判定方法の流れを示すフローチャートである。図1に示すように、本発明の一実施形態であるエンジンのリユース可否判定方法では、まず、エンジンの余寿命の推定データがあるか否かを判別する(ステップS1)。判別の結果、余寿命の推定データがある場合(ステップS1:Yes)、エンジンの各部品の劣化度がリユース可能な閾値未満であるか否かを判別する(ステップS2)。判別の結果、各部品の劣化度がリユース可能な閾値未満である場合(ステップS2:Yes)、エンジンの各部のチェック及び性能検査を行い(ステップS3)、性能が所定性能より高いか否かを判別する(ステップS4)。
(【0011】以降は省略されています)
この特許をJ-PlatPat(特許庁公式サイト)で参照する
関連特許
トヨタ自動車株式会社
電池
13日前
トヨタ自動車株式会社
車両
18日前
トヨタ自動車株式会社
電池
4日前
トヨタ自動車株式会社
車両
12日前
トヨタ自動車株式会社
車両
11日前
トヨタ自動車株式会社
椅子
7日前
トヨタ自動車株式会社
車体
今日
トヨタ自動車株式会社
方法
7日前
トヨタ自動車株式会社
車両
4日前
トヨタ自動車株式会社
車両
18日前
トヨタ自動車株式会社
車両
6日前
トヨタ自動車株式会社
電池
14日前
トヨタ自動車株式会社
方法
7日前
トヨタ自動車株式会社
ケース
13日前
トヨタ自動車株式会社
電動車
18日前
トヨタ自動車株式会社
電動車
18日前
トヨタ自動車株式会社
電磁弁
7日前
トヨタ自動車株式会社
電動車
7日前
トヨタ自動車株式会社
加熱器
11日前
トヨタ自動車株式会社
電動車
14日前
トヨタ自動車株式会社
モータ
5日前
トヨタ自動車株式会社
飛行体
4日前
トヨタ自動車株式会社
固定子
12日前
トヨタ自動車株式会社
電解液
18日前
トヨタ自動車株式会社
電動車
18日前
トヨタ自動車株式会社
回転子
18日前
トヨタ自動車株式会社
車載装置
11日前
トヨタ自動車株式会社
電動車両
18日前
トヨタ自動車株式会社
育苗装置
19日前
トヨタ自動車株式会社
蓄電装置
13日前
トヨタ自動車株式会社
制御装置
18日前
トヨタ自動車株式会社
充電設備
4日前
トヨタ自動車株式会社
蓄電装置
11日前
トヨタ自動車株式会社
蓄電セル
18日前
トヨタ自動車株式会社
電動車両
5日前
トヨタ自動車株式会社
判定装置
7日前
続きを見る
他の特許を見る