TOP
|
特許
|
意匠
|
商標
特許ウォッチ
Twitter
他の特許を見る
10個以上の画像は省略されています。
公開番号
2025154675
公報種別
公開特許公報(A)
公開日
2025-10-10
出願番号
2024057800
出願日
2024-03-29
発明の名称
工作機械、工作機械の制御方法、及びコンピュータプログラム
出願人
ブラザー工業株式会社
代理人
個人
,
個人
主分類
B23Q
11/10 20060101AFI20251002BHJP(工作機械;他に分類されない金属加工)
要約
【課題】ランニングコストの低減が図れる工作機械、工作機械の制御方法、及びコンピュータプログラムを提供する。
【解決手段】本開示に係る工作機械は、一のバルブ(CTSバルブ41)が開閉する一の流路(第一流路27)と、他のバルブ(洗浄バルブ42)が開閉する他の流路(第二流路28)と、クーラントを貯留する貯液槽(クリーン槽24)と、該貯液槽から前記一の流路及び前記他の流路へ前記クーラントを圧送するポンプ(CTSポンプ25)と、該ポンプのオンオフを制御する制御部とを備え、該制御部は、前記一のバルブが開く場合に前記ポンプをオンにし、前記一のバルブが開いており前記他のバルブが閉じている状態で、前記一のバルブが閉じた場合、該一のバルブが閉じたときからの経過時間を計時し、該経過時間が所定時間以上か否かを判定し、前記経過時間が前記所定時間以上の場合、前記ポンプをオフにする処理を実行することを特徴とする。
【選択図】図2
特許請求の範囲
【請求項1】
一のバルブが開閉する一の流路と、
他のバルブが開閉する他の流路と、
クーラントを貯留する貯液槽と、
該貯液槽から前記一の流路及び前記他の流路へ前記クーラントを圧送するポンプと、
該ポンプのオンオフを制御する制御部と
を備え、
該制御部は、
前記一のバルブが開く場合に前記ポンプをオンにし、
前記一のバルブが開いており前記他のバルブが閉じている状態で、前記一のバルブが閉じた場合、該一のバルブが閉じたときからの経過時間を計時し、
該経過時間が所定時間以上か否かを判定し、
前記経過時間が前記所定時間以上の場合、前記ポンプをオフにする
処理を実行することを特徴とする工作機械。
続きを表示(約 990 文字)
【請求項2】
工具を保持するホルダを着脱可能に装着する主軸と、
該主軸に装着した前記ホルダに向く洗浄ノズルと
を更に備え、
前記工具は噴出口を有し、
前記一の流路の前記一のバルブよりも下流側の部分に前記工具を接続可能にしてあり、
前記他の流路の前記他のバルブよりも下流側の部分に前記洗浄ノズルを接続してあることを特徴とする請求項1に記載の工作機械。
【請求項3】
前記制御部は、
前記ポンプがオンであり、前記他のバルブが開いている場合、前記経過時間が前記所定時間以上であっても前記ポンプをオフにせず、前記他のバルブが閉じたときに前記ポンプをオフにする
処理を実行することを特徴とする請求項1又は2に記載の工作機械。
【請求項4】
一のバルブが開閉する一の流路と、
他のバルブが開閉する他の流路と、
クーラントを貯留する貯液槽と、
該貯液槽から前記一の流路及び前記他の流路へ前記クーラントを圧送するポンプと
を備える工作機械の前記ポンプのオンオフを制御する方法であって、
前記一のバルブが開く場合に前記ポンプをオンにし、
前記一のバルブが開いており前記他のバルブが閉じている状態で、前記一のバルブが閉じた場合、前記一のバルブが閉じたときからの経過時間を計時し、
該経過時間が所定時間以上か否かを判定し、
前記経過時間が前記所定時間以上の場合、前記ポンプをオフにすることを特徴とする工作機械の制御方法。
【請求項5】
一のバルブが開閉する一の流路と、他のバルブが開閉する他の流路と、クーラントを貯留する貯液槽と、該貯液槽から前記一の流路及び前記他の流路へ前記クーラントを圧送するポンプとを備える工作機械の前記一のバルブが開く場合に前記ポンプをオンにし、
前記一のバルブが開いており前記他のバルブが閉じている状態で、前記一のバルブが閉じた場合、前記一のバルブが閉じたときからの経過時間を計時し、
該経過時間が所定時間以上か否かを判定し、
前記経過時間が前記所定時間以上の場合、前記ポンプをオフにする
処理をコンピュータに実行させることを特徴とするコンピュータプログラム。
発明の詳細な説明
【技術分野】
【0001】
本開示は工作機械、工作機械の制御方法、及びコンピュータプログラムに関する。
続きを表示(約 1,700 文字)
【背景技術】
【0002】
従来、工作機械はクーラントを用いて工具及びワーク等の冷却又は洗浄等を行なう。
工作機械において、一つのポンプが二つの流路を通して二つのノズルへクーラントを圧送することがある。二つの流路の内、一の流路を一のバルブが開閉し、他の流路を他のバルブが開閉する。二つのバルブの内、一のバルブが開き、他のバルブが閉じることにより、クーラントは一の流路のノズルから噴出し、他の流路のノズルからは噴出しない。
この種の工作機械を、例えば特許文献1が開示している。
【先行技術文献】
【特許文献】
【0003】
特開2014-161992号公報
【発明の概要】
【発明が解決しようとする課題】
【0004】
一般に、ポンプのオン時にはポンプを駆動するモータに大電流が流れるので、短時間にポンプをオンオフすることは消費電力の増大を招く。また、ポンプをオンオフする為に頻繁にスイッチを切り換える必要があるので、スイッチの消耗が激しい。
以上の結果、工作機械のランニングコストが増大する。
【0005】
本開示の目的は、ランニングコストの低減が図れる工作機械、工作機械の制御方法、及びコンピュータプログラムを提供することにある。
【課題を解決するための手段】
【0006】
本開示に係る工作機械は、一のバルブが開閉する一の流路と、他のバルブが開閉する他の流路と、クーラントを貯留する貯液槽と、該貯液槽から前記一の流路及び前記他の流路へ前記クーラントを圧送するポンプと、該ポンプのオンオフを制御する制御部とを備え、該制御部は、前記一のバルブが開く場合に前記ポンプをオンにし、前記一のバルブが開いており前記他のバルブが閉じている状態で、前記一のバルブが閉じた場合、該一のバルブが閉じたときからの経過時間を計時し、該経過時間が所定時間以上か否かを判定し、前記経過時間が前記所定時間以上の場合、前記ポンプをオフにする処理を実行することを特徴とする。
【0007】
本開示にあっては、貯液槽がクーラントを貯留する。ポンプは貯液槽から一の流路及び他の流路へクーラントを圧送する。
一のバルブは一の流路を開閉し、他のバルブは他の流路を開閉する。以下では、一の流路の、一のバルブよりも下流の部分に一のノズルが接続してあり、他の流路の、他のバルブよりも下流の部分に他のノズルが接続してある場合を説明する。
【0008】
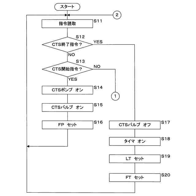
制御部は、一のバルブが開く場合にポンプをオンにする。一のバルブが開いており、他のバルブが閉じている場合、ポンプがクーラントを圧送することにより、クーラントは一の流路を通って一のノズルから噴出するが、他のノズルからは噴出しない。この状態で、一のバルブが閉じた場合、制御部は一のバルブが閉じたときからの経過時間を計時する。
制御部は経過時間が所定時間以上か否かを判定し、所定時間以上の場合、ポンプをオフにする。つまり、制御部は一のバルブが閉じた場合に同時的にポンプをオフにすることなく、所定時間が経過してからポンプをオフにする。
【0009】
所定時間が経過するまでの間に新たに他のノズルが(又は再び一のノズルが)開いたとしても、ポンプはオンのままなので、ポンプをオフからオンに切り替える必要がない。この結果、短時間にポンプをオンオフすることがないので、ポンプのオンオフに伴う大きなエネルギー消費が抑制できる。また、ポンプをオンオフする為に頻繁にスイッチを切り換える必要がない。
以上の結果、ランニングコストの低減が図れる。
【0010】
本開示に係る工作機械は、工具を保持するホルダを着脱可能に装着する主軸と、該主軸に装着した前記ホルダに向く洗浄ノズルとを更に備え、前記工具は噴出口を有し、前記一の流路の前記一のバルブよりも下流側の部分に前記工具を接続可能にしてあり、前記他の流路の前記他のバルブよりも下流側の部分に前記洗浄ノズルを接続してあることを特徴とする。
(【0011】以降は省略されています)
この特許をJ-PlatPat(特許庁公式サイト)で参照する
関連特許
個人
タップ
5か月前
個人
フライス盤
1か月前
個人
加工機
5か月前
麗豊実業股フン有限公司
ラクトバチルス・パラカセイNB23菌株及びそれを筋肉量の増加や抗メタボリック症候群に用いる用途
4か月前
日東精工株式会社
ねじ締め機
4か月前
日東精工株式会社
ねじ締め機
5日前
日東精工株式会社
ねじ締め機
1か月前
株式会社不二越
ドリル
5か月前
株式会社北川鉄工所
回転装置
4か月前
日東精工株式会社
ねじ締め機
1か月前
株式会社ダイヘン
溶接電源装置
2か月前
株式会社ダイヘン
溶接電源装置
2か月前
日東精工株式会社
ねじ締め装置
25日前
日東精工株式会社
ねじ締め装置
3か月前
株式会社ダイヘン
溶接電源装置
2か月前
株式会社FUJI
工作機械
11日前
株式会社FUJI
工作機械
3か月前
株式会社FUJI
工作機械
3か月前
株式会社FUJI
工作機械
4日前
個人
切削油供給装置
1か月前
キヤノン電子株式会社
加工システム
2か月前
株式会社アンド
半田付け方法
5か月前
株式会社アンド
半田付け方法
5か月前
個人
型枠製造装置のフレーム
15日前
株式会社アンド
半田付け方法
1か月前
村田機械株式会社
レーザ加工機
4か月前
村田機械株式会社
レーザ加工機
4か月前
大見工業株式会社
ドリル
2か月前
株式会社ツガミ
工作機械
1か月前
株式会社トヨコー
被膜除去方法
4か月前
株式会社不二越
ブローチ盤
25日前
トヨタ自動車株式会社
溶接ヘッド
4か月前
津田駒工業株式会社
センタリングバイス
1か月前
株式会社ダイヘン
溶接装置
3か月前
ビアメカニクス株式会社
レーザ加工装置
5日前
ビアメカニクス株式会社
レーザ加工装置
5日前
続きを見る
他の特許を見る