TOP
|
特許
|
意匠
|
商標
特許ウォッチ
Twitter
他の特許を見る
公開番号
2025154127
公報種別
公開特許公報(A)
公開日
2025-10-10
出願番号
2024056958
出願日
2024-03-29
発明の名称
水蒸気発生装置
出願人
三浦工業株式会社
代理人
個人
,
個人
主分類
F22B
1/18 20060101AFI20251002BHJP(蒸気発生)
要約
【課題】水素と酸素の激しい燃焼反応を抑制するために、高圧の水蒸気を安定的に供給できる水蒸気発生装置を提供する。
【解決手段】水蒸気発生装置は、水蒸気使用部に水蒸気を供給する装置であり、水素及び酸素を噴出するバーナと、前記バーナから噴出した水素と酸素を燃焼し、燃焼生成物として第1水蒸気を生成する燃焼室と、第2水蒸気を生成する第2水蒸気生成部と、酸素及び水素の少なくともいずれかと、前記第2水蒸気とを混合する第2水蒸気混合部と、を備え、前記第2水蒸気とともに、酸素と水素とを燃焼する。
【選択図】図1
特許請求の範囲
【請求項1】
水蒸気使用部に水蒸気を供給する水蒸気発生装置であって、
水素及び酸素を噴出するバーナと、
前記バーナから噴出した水素と酸素を燃焼し、燃焼生成物として第1水蒸気を生成する燃焼室と、
第2水蒸気を生成する第2水蒸気生成部と、
酸素及び水素の少なくともいずれかと、前記第2水蒸気とを混合する第2水蒸気混合部と、
を備え、
前記第2水蒸気とともに、酸素と水素とを燃焼する水蒸気発生装置。
続きを表示(約 1,400 文字)
【請求項2】
前記第2水蒸気生成部は、前記燃焼室に面して配置され、前記第2水蒸気混合部の圧力よりも高圧である前記第2水蒸気を生成する、
請求項1に記載の水蒸気発生装置。
【請求項3】
前記第2水蒸気生成部は、前記第1水蒸気からの熱回収により、前記第2水蒸気混合部の圧力より高圧である前記第2水蒸気を生成する、
請求項1に記載の水蒸気発生装置。
【請求項4】
酸素及び水素の少なくともいずれかと、不活性ガスとを混合する不活性ガス混合部と、
前記不活性ガス混合部に前記不活性ガスを供給する不活性ガス供給ラインと、
前記不活性ガス供給ラインの不活性ガス流量を調整する不活性ガス流量調整部と、
前記不活性ガス混合部への前記不活性ガスの供給の要否を判定する不活性ガス供給判定部と、
前記水蒸気発生装置の運転を制御する制御部と、
を備え、
前記制御部は、前記不活性ガス供給判定部により前記不活性ガスの供給が必要であると判定された場合、前記不活性ガス混合部に前記不活性ガスを供給する不活性ガス混合制御部を備える、
請求項1に記載の水蒸気発生装置。
【請求項5】
前記第1水蒸気に水を添加する水添加部と、
前記水添加部から供給される水を気化させて第3水蒸気を生成させる気化室と、
前記第1水蒸気、前記第2水蒸気、前記第3水蒸気の少なくともいずれかを水蒸気使用部に供給する水蒸気供給ラインと、
前記気化室に上流側が接続されるパージラインと、
を備え、
前記不活性ガス混合制御部は、前記第2水蒸気に替えて前記不活性ガスが前記不活性ガス混合部に供給される場合、前記パージラインから前記不活性ガスが混合された水蒸気を系外に排出する制御を行う、
請求項4に記載の水蒸気発生装置。
【請求項6】
前記第1水蒸気に水を添加する水添加部と、
前記水添加部から供給される水を気化させて第3水蒸気を生成させる気化室と、
前記第1水蒸気、前記第2水蒸気、前記第3水蒸気の少なくともいずれかを水蒸気使用部に供給する水蒸気供給ラインと、
前記第2水蒸気生成部の圧力を検出する第2水蒸気生成部圧力検出部と、
前記水蒸気発生装置の運転を制御する制御部と、
を備え、
前記制御部は、前記第2水蒸気生成部圧力検出部の検出結果が所定圧力を超える場合に前記第2水蒸気を前記水蒸気使用部へ供給する第2水蒸気供給制御部を備える、
請求項1に記載の水蒸気発生装置。
【請求項7】
前記第2水蒸気混合部で混合された一部の前記第2水蒸気を含む前記第1水蒸気から熱回収する第1水蒸気熱交換部と、
前記第2水蒸気を水蒸気使用部に供給する第2水蒸気供給ラインと、
前記第2水蒸気生成部の圧力を検出する第2水蒸気生成部圧力検出部と、
前記水蒸気発生装置の運転を制御する制御部と、
を備え、
前記制御部は、前記第2水蒸気生成部圧力検出部の検出結果が所定圧力を超える場合に前記第2水蒸気を前記水蒸気使用部へ供給する第2水蒸気供給制御部を備える、
請求項1に記載の水蒸気発生装置。
発明の詳細な説明
【技術分野】
【0001】
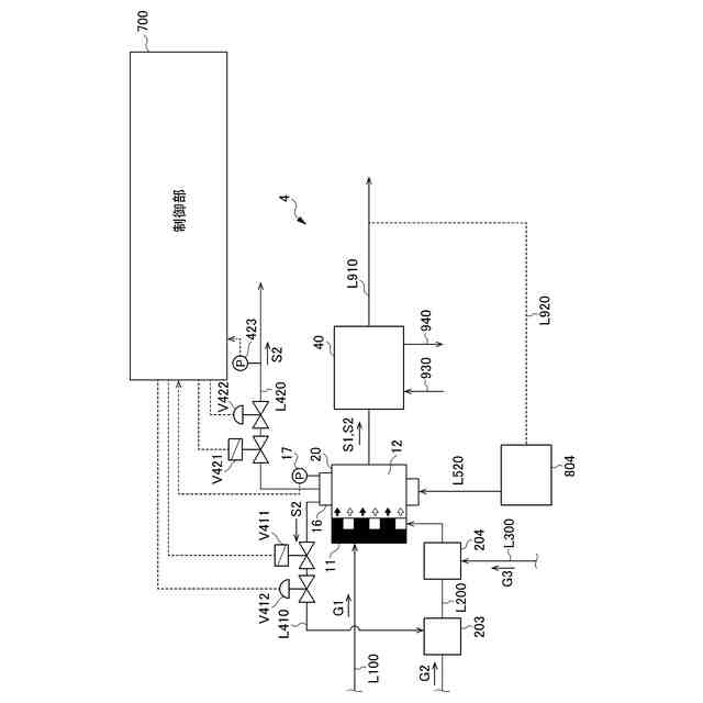
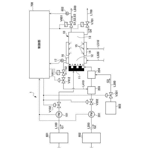
本発明は、水蒸気発生装置に関する。
続きを表示(約 1,500 文字)
【背景技術】
【0002】
従来、水蒸気を発生させるための装置として、ボイラが広く知られている。一般的なボイラは、燃料の燃焼により発生した熱によって水を加熱して水蒸気を発生させるものであり、燃焼時に二酸化炭素を発生する燃料ガス(例えば、LNGやLPG)を利用するものが多い。
近年、環境負荷の観点から、燃焼時に二酸化炭素が発生しない燃料ガスとして、水素が注目されている。また、水素と酸素(純酸素)とを燃焼させ、燃焼生成物として発生した水蒸気を利用する水蒸気発生装置が考案されている(例えば、特許文献1参照)。
【先行技術文献】
【特許文献】
【0003】
特開2020-24068号公報
【発明の概要】
【発明が解決しようとする課題】
【0004】
一般的に、水素と酸素(純酸素)との燃焼反応は、激しく、取り扱いが困難であり、機器への負担等も大きい。上記特許文献1に記載の水蒸気の生成装置では、圧力容器の中で水素と酸素を燃焼させ、燃焼で生じた第1水蒸気に圧力容器の中で水を添加して発生する第2水蒸気を、酸素に混合させて燃焼反応を穏やかなものとしている。このため、酸素に混合される第2水蒸気は、圧力容器よりも高圧に加圧されることが必要になる。しかし、特許文献1には、第2水蒸気を加圧する手段に関して記載されていない。
【0005】
水蒸気を酸素に混合させる場合には、十分な混合を行えるように、水蒸気を所定の圧力とする必要がある。しかし、水蒸気(例えば、特許文献1の第1水蒸気と第2水蒸気)を用いる場合には、すでに高い温度及び圧力を有しているため、それを所定の圧力とするためにさらに昇圧することは、取り扱いが困難である上に、耐熱性の昇圧装置等が必要となって水蒸気発生装置の構成が複雑になり、装置コストも上昇する。
また、水蒸気を使用する機器等の運転状況は、水蒸気を使用する機器が配置される生産ライン等によって様々であり、水蒸気発生装置は、水蒸気の使用状況に合わせた運転が行われる。そのため、酸素に混合される水蒸気は、燃焼量の変動に応じて安定的に供給されることが必要となる。
したがって、水素と酸素の激しい燃焼反応を抑制するために、高圧の水蒸気を安定的に供給できる装置、さらには、水蒸気発生装置の運転状態に応じて安定的に供給できる装置が望まれている。
【0006】
本発明は、水素と酸素の激しい燃焼反応を抑制するために、高圧の水蒸気を安定的に供給できる水蒸気発生装置を提供することを目的とする。
【課題を解決するための手段】
【0007】
本発明は、以下のような解決手段により、前記課題を解決する。
【0008】
本発明の水蒸気発生装置は、水蒸気使用部に水蒸気を供給する水蒸気発生装置であって、水素及び酸素を噴出するバーナと、前記バーナから噴出した水素と酸素を燃焼し、燃焼生成物として第1水蒸気を生成する燃焼室と、第2水蒸気を生成する第2水蒸気生成部と、酸素及び水素の少なくともいずれかと、前記第2水蒸気とを混合する第2水蒸気混合部と、を備え、前記第2水蒸気とともに、酸素と水素とを燃焼する。
【0009】
前記第2水蒸気生成部は、前記燃焼室に面して配置され、前記第2水蒸気混合部の圧力よりも高圧である前記第2水蒸気を生成することが好ましい。
【0010】
前記第2水蒸気生成部は、前記第1水蒸気からの熱回収により、前記第2水蒸気混合部の圧力より高圧である前記第2水蒸気を生成することが好ましい。
(【0011】以降は省略されています)
この特許をJ-PlatPat(特許庁公式サイト)で参照する
関連特許
三浦工業株式会社
台数制御装置
1か月前
三浦工業株式会社
ボイラ
4か月前
三浦工業株式会社
水蒸気発生装置
29日前
三菱重工業株式会社
ボイラ壁
15日前
日精オーバル株式会社
蒸気発生装置
1か月前
三浦工業株式会社
管理装置
4か月前
三浦工業株式会社
貫流ボイラ
22日前
株式会社ミヤワキ
蒸気プラント
2か月前
栗田工業株式会社
ボイラ水処理装置および処理方法
4か月前
三浦工業株式会社
蒸気発生装置
4か月前
三浦工業株式会社
ボイラ水の水質評価用試料水の調製装置
7か月前
三菱重工業株式会社
蒸気生成システム及び蒸気生成方法
1か月前
三菱重工業株式会社
伝熱管の検査装置および方法
6か月前
神鋼検査サービス株式会社
スケール除去ユニット
1か月前
三浦工業株式会社
水素ボイラシステムの制御装置
4か月前
株式会社ヒラカワ
ボイラからの排ガスの温度制御方法
4か月前
中国電力株式会社
吊下パネルの修繕方法及び吊下管整列用具
2日前
JFEエンジニアリング株式会社
排熱回収ボイラ及びその給水バイパス制御方法
15日前
丸高工業株式会社
加熱装置の制御方法及び加熱装置
5か月前
株式会社東芝
蒸気発生装置
7か月前
日本特殊陶業株式会社
蒸発器および蒸発器を備えるホットモジュール
6か月前
三菱重工業株式会社
プラント制御装置、プラント制御方法、及び、プラント制御プログラム
6か月前
東京電力ホールディングス株式会社
蒸気タービンプラント
2か月前
シェンチェン ウッディー ベイプス テクノロジー カンパニー,リミテッド
アトマイザー
5か月前
三菱重工業株式会社
熱電併給用蒸気生成システム及び熱電併給システム並びに熱電併給用蒸気生成方法
29日前
JFEエンジニアリング株式会社
過熱装置および過熱装置による過熱蒸気温度の制御方法
4か月前
三菱重工業株式会社
ボイラ制御装置、ボイラ、発電プラント、ボイラ制御方法およびボイラ制御プログラム
2か月前
DOWAテクノエンジ株式会社
熱伸縮吸収用エキスパンション構造
5か月前
三菱重工業株式会社
ボイラの制御装置、これを備えたボイラシステム、ボイラの制御方法及びボイラの制御プログラム
1か月前
トクデン株式会社
過熱水蒸気生成装置、及び、過熱水蒸気生成装置に用いられる導体管の製造方法
5か月前
株式会社サーモテック
温度調節システム
1日前
三菱重工業株式会社
CO2回収装置用蒸気生成システム及びこれを備えたCO2回収装置並びにCO2回収装置用蒸気生成方法
29日前
ASTRA FOOD PLAN株式会社
過熱水蒸気発生装置
4か月前
ジーイー・ベルノバ・テクノロジー・ゲーエムベーハー
熱回収蒸気発生器用の入口ダクトシステム
1か月前
ゼネラル エレクトリック テクノロジー ゲゼルシャフト ミット ベシュレンクテル ハフツング
複合サイクル発電所の水・蒸気系統を運転前に洗浄する方法、及びこの方法のために構成された複合サイクル発電所
3か月前
株式会社野村総合研究所
情報処理システム、情報処理方法およびコンピュータプログラム
7か月前
続きを見る
他の特許を見る