TOP
|
特許
|
意匠
|
商標
特許ウォッチ
Twitter
他の特許を見る
公開番号
2025171647
公報種別
公開特許公報(A)
公開日
2025-11-20
出願番号
2024077203
出願日
2024-05-10
発明の名称
電極式ボイラ
出願人
三浦工業株式会社
代理人
弁理士法人酒井国際特許事務所
主分類
F22B
1/30 20060101AFI20251113BHJP(蒸気発生)
要約
【課題】電極の腐食を抑制すること。
【解決手段】電極式ボイラ1は、水管2と、水管2の内側に配置される少なくとも一対の電極6と、水管2の上部に接続される給水ライン8と、を備える。
【選択図】図1
特許請求の範囲
【請求項1】
水管と、
前記水管の内側に配置される少なくとも一対の電極と、
前記水管の上部に接続される給水ラインと、を備える、
電極式ボイラ。
続きを表示(約 400 文字)
【請求項2】
前記水管は、複数配置され、
前記給水ラインは、複数の前記水管のそれぞれの上部に接続される、
請求項1に記載の電極式ボイラ。
【請求項3】
複数の前記水管のそれぞれの下端部と連通する下部管寄せと、
複数の前記水管のそれぞれの上端部と連通する上部管寄せと、
前記上部管寄せからの蒸気を気水分離するセパレータと、
前記セパレータと前記下部管寄せとを接続する降水ラインと、を備える、
請求項2に記載の電極式ボイラ。
【請求項4】
前記電極は、3つ配置され、
3つの前記電極のそれぞれの周囲に配置される中性電極管を備え、
3つの中性電極管のそれぞれは相互に連結され、
前記給水ラインからの水は、前記中性電極管の上端部から前記電極の周囲に供給される、
請求項1に記載の電極式ボイラ。
発明の詳細な説明
【技術分野】
【0001】
本明細書で開示する技術は、電極式ボイラに関する。
続きを表示(約 1,200 文字)
【背景技術】
【0002】
ボイラに係る技術分野において、特許文献1に開示されているような電極式ボイラが知られている。電極式ボイラにおいては、水に浸漬された一対の電極の間に電圧が入力されることにより、水に電流が流れる。水に電流が流れると、水の電気抵抗によりジュール熱が発生する。ジュール熱で水が温度上昇することにより蒸気が生成される。
【先行技術文献】
【特許文献】
【0003】
中国特許出願公開第107238068号明細書
【発明の概要】
【発明が解決しようとする課題】
【0004】
電極式ボイラにおいて、電極が水管の内側に配置される場合、水管に供給された水は、水管の上部において蒸発する。水の蒸発に伴い水管の上部において水が濃縮される可能性がある。水管の上部において水が濃縮され、水に溶解している電解物質の濃度が高くなると、電極の上部が腐食する可能性が高くなる。
【0005】
本明細書で開示する技術は、電極の腐食を抑制することを目的とする。
【課題を解決するための手段】
【0006】
本明細書は、電極式ボイラを開示する。電極式ボイラは、水管と、水管の内側に配置される少なくとも一対の電極と、水管の上部に接続される給水ラインと、を備える。
【発明の効果】
【0007】
本明細書で開示する技術によれば、電極の腐食が抑制される。
【図面の簡単な説明】
【0008】
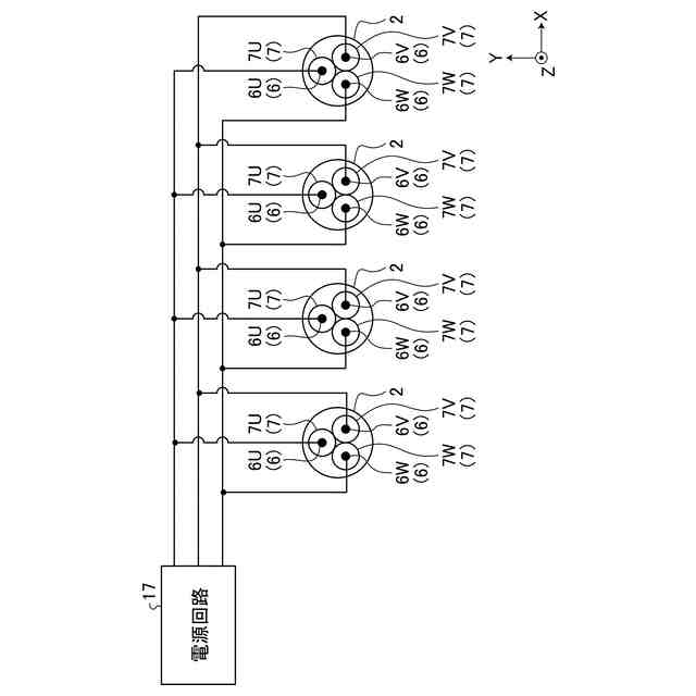
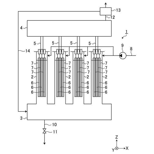
図1は、実施形態に係る電極式ボイラを模式的に示す正面図である。
図2は、実施形態に係る電極式ボイラを模式的に示す横断面図である。
図3は、実施形態に係る電極式ボイラの一部を模式的に示す横断面図である。
図4は、実施形態に係る電極及び中性電極管を模式的に示す斜視図である。
図5は、実施形態に係る電極式ボイラの一部を模式的に示す縦断面図である。
【発明を実施するための形態】
【0009】
以下、実施形態について図面を参照しながら説明する。実施形態においては、3次元直交座標系を規定し、3次元直交座標系を参照しながら各部の位置関係について説明する。水平面内のX軸と平行な方向をX軸方向とする。X軸に直交する水平面内のY軸と平行な方向をY軸方向とする。水平面に直交するZ軸と平行な方向をZ軸方向とする。Z軸方向は、上下方向である。+Z側は上側であり、-Z側は下側である。
【0010】
[電極式ボイラ]
図1は、実施形態に係る電極式ボイラ1を模式的に示す正面図である。図2は、実施形態に係る電極式ボイラ1を模式的に示す横断面図である。図3は、実施形態に係る電極式ボイラ1の一部を模式的に示す横断面図である。
(【0011】以降は省略されています)
この特許をJ-PlatPat(特許庁公式サイト)で参照する
関連特許
他の特許を見る