TOP
|
特許
|
意匠
|
商標
特許ウォッチ
Twitter
他の特許を見る
公開番号
2025152375
公報種別
公開特許公報(A)
公開日
2025-10-09
出願番号
2024054239
出願日
2024-03-28
発明の名称
ワイヤハーネス、及び接続構造体
出願人
株式会社オートネットワーク技術研究所
,
住友電装株式会社
,
住友電気工業株式会社
代理人
弁理士法人グランダム特許事務所
主分類
B60R
16/02 20060101AFI20251002BHJP(車両一般)
要約
【課題】コネクタの接続作業を簡素化しやすい技術を提供する。
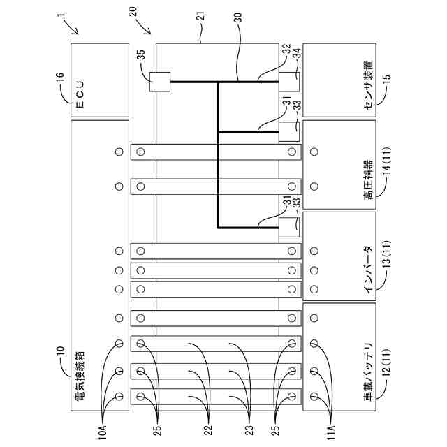
【解決手段】ワイヤハーネス30は、第1電線31と、第2電線32と、共通コネクタ35と、を有する。第1電線31は、インターロックコネクタ33をECU16に接続する。第2電線32は、車載バッテリ12の電圧値を示す検知信号をECU16に送信する。共通コネクタ35は、第1電線31及び第2電線32をECU16に接続する。
【選択図】図1
特許請求の範囲
【請求項1】
インターロックコネクタをECUに接続する第1電線と、
車載バッテリの電圧値を示す検知信号を前記ECUに送信する第2電線と、
前記第1電線及び前記第2電線を前記ECUに接続する共通コネクタと、を有する
ワイヤハーネス。
続きを表示(約 420 文字)
【請求項2】
請求項1に記載のワイヤハーネスと、
前記ワイヤハーネスが各接続対象と接続可能な位置に固定される基材と、を備える
接続構造体。
【請求項3】
前記インターロックコネクタが接続方向に変位可能な状態で前記インターロックコネクタを仮保持する仮保持部を備える
請求項2に記載の接続構造体。
【請求項4】
車両に搭載される電気接続箱に複数の車載装置を接続する接続構造体であって、
前記基材に固定される複数の配線部を有し、
前記複数の配線部は、前記電気接続箱に前記各車載装置を接続する
請求項2又は請求項3に記載の接続構造体。
【請求項5】
前記車載装置は、前記車載バッテリを含み、
前記電気接続箱に前記車載バッテリを接続する前記配線部は、平面視において前記基材における端に寄せて配置される
請求項4に記載の接続構造体。
発明の詳細な説明
【技術分野】
【0001】
本開示は、ワイヤハーネス、及び接続構造体に関する。
続きを表示(約 900 文字)
【背景技術】
【0002】
特許文献1には、インターロックコネクタをECUに接続するワイヤハーネスが開示されている。
【先行技術文献】
【特許文献】
【0003】
特開2013-138570号公報
【発明の概要】
【発明が解決しようとする課題】
【0004】
車載バッテリの電圧値を示す検知信号を送信する電線を、上記ワイヤハーネスとは別にECUに接続する場合、コネクタの接続作業が増加しやすいという問題がある。
【0005】
本開示は、コネクタの接続作業を簡素化しやすい技術を提供することを目的とする。
【課題を解決するための手段】
【0006】
本開示のワイヤハーネスは、
インターロックコネクタをECUに接続する第1電線と、
車載バッテリの電圧値を示す検知信号を前記ECUに送信する第2電線と、
前記第1電線及び前記第2電線を前記ECUに接続する共通コネクタと、を有する。
【0007】
本開示の接続構造体は、
本開示のワイヤハーネスと、
前記ワイヤハーネスが各接続対象と接続可能な位置に固定される基材と、を備える。
【発明の効果】
【0008】
本開示の技術によれば、コネクタの接続作業を簡素化しやすい。
【図面の簡単な説明】
【0009】
図1は、第1実施形態の接続構造体が接続対象に接続される前の状態を示す平面図である。
図2は、第1実施形態の接続構造体が接続対象に接続された状態を示す平面図である。
図3は、インターロックコネクタが仮保持部に仮保持されている状態を示す説明図である。
図4は、インターロックコネクタが接続対象に接続された状態を示す説明図である。
【発明を実施するための形態】
【0010】
[本開示の実施形態の説明]
最初に本開示の実施態様を列記して説明する。
(【0011】以降は省略されています)
この特許をJ-PlatPat(特許庁公式サイト)で参照する
関連特許
個人
カーテント
4か月前
個人
タイヤレバー
2か月前
個人
前輪キャスター
1か月前
個人
車窓用防虫網戸
5か月前
個人
上部一体型自動車
9日前
個人
車輪清掃装置
4か月前
個人
ルーフ付きトライク
2か月前
個人
タイヤ脱落防止構造
1か月前
個人
ホイルのボルト締結
3か月前
個人
マスタシリンダ
16日前
個人
キャンピングトライク
3か月前
井関農機株式会社
作業車両
4か月前
個人
車両通過構造物
2か月前
日本精機株式会社
表示装置
1か月前
日本精機株式会社
表示装置
2か月前
井関農機株式会社
作業車両
4か月前
日本精機株式会社
表示装置
2か月前
日本精機株式会社
表示装置
2か月前
個人
乗合路線バスの客室装置
2か月前
個人
ワイパーゴム性能保持具
4か月前
個人
車両用スリップ防止装置
3か月前
個人
アクセルのソフトウェア
3か月前
個人
キャンピングトレーラー
3か月前
株式会社ニフコ
収納装置
1か月前
株式会社豊田自動織機
産業車両
2か月前
日本精機株式会社
車載表示装置
3か月前
日本精機株式会社
車載表示装置
24日前
株式会社ニフコ
保持装置
3か月前
日本精機株式会社
画像投映装置
5日前
個人
音声ガイド、音声サービス
2か月前
個人
円湾曲ホイール及び球体輪
2か月前
日本精機株式会社
車室演出装置
1か月前
個人
車載小物入れ兼雨傘収納具
3か月前
株式会社ニフコ
照明装置
1か月前
井関農機株式会社
収穫作業車両
5か月前
株式会社クラベ
ヒータユニット
5か月前
続きを見る
他の特許を見る