TOP
|
特許
|
意匠
|
商標
特許ウォッチ
Twitter
他の特許を見る
10個以上の画像は省略されています。
公開番号
2025146873
公報種別
公開特許公報(A)
公開日
2025-10-03
出願番号
2025122647,2025086369
出願日
2025-07-22,2016-06-16
発明の名称
コンテンツ保護処理方法
出願人
マクセル株式会社
代理人
弁理士法人筒井国際特許事務所
主分類
H04N
21/835 20110101AFI20250926BHJP(電気通信技術)
要約
【課題】より付加価値の高い機能を実行可能なデジタル放送受信機を提供する。
【解決手段】デジタル放送のコンテンツ保護に関する制御情報に基づいて、制御部は、第1の映像出力処理状態においては、放送受信部で受信したコンテンツの映像の画素数または放送受信部で受信したコンテンツの映像を画素数変換部で画素数変換した映像の画素数に応じてコンテンツ保護処理の切り替えを行い、第2の映像出力処理状態、コピー処理状態、およびムーブ処理状態のいずれにおいても、蓄積部で蓄積したコンテンツの映像の画素数または蓄積部で蓄積したコンテンツの映像を画素数変換部で画素数変換した映像の画素数に応じてコンテンツ保護処理の切り替えを行い、蓄積処理状態においては、コンテンツの映像の画素数に応じたコンテンツ保護処理の切り替えを行わない、放送受信装置100、を用いる。
【選択図】図8A
特許請求の範囲
【請求項1】
放送局側から放送番組コンテンツを伝送し、放送受信装置で前記放送番組コンテンツを受信する伝送システムの前記放送受信装置におけるコンテンツ保護処理方法であって、
前記放送番組コンテンツを受信する受信ステップと、
前記受信ステップで受信した前記放送番組コンテンツを蓄積する蓄積ステップと、
前記蓄積ステップで蓄積した前記放送番組コンテンツを外部機器へ出力する出力ステップと、
前記蓄積ステップで蓄積した前記放送番組コンテンツを外部機器にコピーするコピー処理ステップと、
前記蓄積ステップで蓄積した前記放送番組コンテンツを外部機器にムーブするムーブ処理ステップと、を備え、
前記蓄積ステップでは、前記受信ステップで受信した前記放送番組コンテンツが前記伝送システムにおいて所定複数回数コピー可の保護が指定されて伝送されたコンテンツであるときには、前記放送番組コンテンツについて前記コピー処理ステップで9回のコピーと前記ムーブ処理ステップで1回のムーブ処理が可能な状態かつ前記放送受信装置のみで再生可能となるように暗号化するコンテンツ保護処理を行った状態で、前記放送番組コンテンツを蓄積するものであり、
前記コピー処理ステップでは、前記蓄積ステップで蓄積した前記放送番組コンテンツを前記外部機器にコピーする場合には、DTCP2によるコンテンツ保護を行い、DTCP2のムーブ処理機能を用いてコピーすることが可能であり、
前記放送番組コンテンツが所定複数回数コピー可の保護が指定された状態で前記放送局側から放送信号により伝送されたコンテンツについて、前記蓄積ステップで蓄積した前記放送番組コンテンツを前記ムーブ処理ステップでムーブする場合のコンテンツ保護処理には、DTCP-IPによるコンテンツ保護処理とDTCP2によるコンテンツ保護処理との異なる複数レベルのコンテンツ保護処理があり、
前記蓄積ステップにおける蓄積は、前記放送受信装置に備えられるイーサネットに対応したハードウェアで構成されるIPインタフェースを介して当該IPインタフェースの出力先にある蓄積部において行うことが可能であり、
前記出力ステップにおいて、前記放送番組コンテンツを前記外部機器へ出力する際の保護処理は、DTCP2またはHDCPによるコンテンツ保護を行うことが可能であり、
前記蓄積ステップでの前記IPインタフェースの出力先にある前記蓄積部への前記放送受信装置のみで再生可能となるように暗号化を施した状態での前記放送番組コンテンツの蓄積と、前記蓄積ステップでの前記IPインタフェースの出力先にある前記蓄積部に前記放送受信装置のみで再生可能となるように暗号化を施した状態で蓄積した前記放送番組コンテンツについての前記出力ステップでの前記IPインタフェースを介した前記外部機器への出力と、前記コピー処理ステップでの前記IPインタフェースを介した前記外部機器へのコピーと、前記ムーブ処理ステップでの前記IPインタフェースを介した前記外部機器へのムーブとをイーサネットに対応したハードウェアで構成される同一のIPインタフェースを介して行うことが可能であり、
前記蓄積ステップで前記IPインタフェースの出力先にある前記蓄積部に前記放送受信装置のみで再生可能となるように暗号化を施した状態で蓄積した前記放送番組コンテンツについての前記出力ステップでの前記IPインタフェースを介した前記外部機器への出力および前記コピー処理ステップでの前記IPインタフェースを介した前記外部機器へのコピーおよび前記ムーブ処理ステップでの前記IPインタフェースを介した前記外部機器へのムーブの制御状態は、前記外部機器のIPアドレスが前記放送受信装置のIPアドレスと同一のサブネット内にあるときの前記蓄積ステップで前記IPインタフェースの出力先にある前記蓄積部に前記放送受信装置のみで再生可能となるように暗号化を施した状態で蓄積した前記放送番組コンテンツについての前記出力ステップでの前記外部機器への出力および前記コピー処理ステップでの前記外部機器へのコピーおよび前記ムーブ処理ステップでの前記外部機器へのムーブが可能か禁止かの制御状態と、前記外部機器のIPアドレスが前記放送受信装置のIPアドレスと同一のサブネット内にないときの前記蓄積ステップで前記IPインタフェースの出力先にある前記蓄積部に前記放送受信装置のみで再生可能となるように暗号化を施した状態で蓄積した前記放送番組コンテンツについての前記出力ステップでの前記外部機器への出力および前記コピー処理ステップでの前記外部機器へのコピーおよび前記ムーブ処理ステップでの前記外部機器へのムーブが可能か禁止かの制御状態とで異ならせるものであり、
前記放送番組コンテンツが所定複数回数コピー可の保護が指定された状態で前記放送局側から前記放送信号により伝送され、前記蓄積ステップで蓄積されたコンテンツについて、前記ムーブ処理ステップにおけるコンテンツ保護処理について前記異なる複数レベルのコンテンツ保護処理を行うときでも、当該ムーブ処理ステップにおいて前記異なる複数レベルのコンテンツ保護処理の対象となるコンテンツについての前記蓄積ステップにおけるコンテンツ保護処理においては、異なる複数レベルのコンテンツ保護処理の必要が無く共通のコンテンツ保護処理を行うことが可能であり、
前記伝送システムにおいて1世代のみコピー可の保護が指定されて伝送され、前記受信ステップで受信され、前記蓄積ステップで蓄積された前記放送番組コンテンツを、前記外部機器へムーブする際には、ムーブした前記放送番組コンテンツは前記放送受信装置において再生不能化される、
コンテンツ保護処理方法。
発明の詳細な説明
【技術分野】
【0001】
本発明は、コンテンツ保護処理方法に関する。
続きを表示(約 5,600 文字)
【背景技術】
【0002】
デジタル放送サービスの拡張機能の1つに、放送波でデジタルデータを送信し、天気予報やニュース、おすすめ番組等の各種情報を表示するデータ放送がある。データ放送を受信可能なテレビ受信機は既に多数市販されており、また、データ放送受信に関する技術も下記特許文献1をはじめ多数が公表されている。
【先行技術文献】
【特許文献】
【0003】
特開2001-186486号公報
【発明の概要】
【発明が解決しようとする課題】
【0004】
近年のコンテンツ配信に関する環境変化に対して、テレビ受信機も様々な機能拡張を求められている。特にインターネット等のブロードバンドネットワーク環境を利用したコンテンツや連携アプリケーションの配信に対する要求、および、映像コンテンツの高解像度化/高精細化に対する要求、等が多い。しかしながら、現行のテレビ受信機が備えるデータ放送受信機能等のみの流用、あるいは、前記データ放送受信機能等の機能拡張のみでは、前記要求に応え得る高付加価値のテレビ受信機を提供することは難しい。
【0005】
本発明の目的は、より付加価値の高い機能を実行可能なコンテンツ保護処理方法を提供することである。
【課題を解決するための手段】
【0006】
前記課題を解決するための手段として、特許請求の範囲に記載の技術を用いる。
【0007】
一例を挙げるならば、放送局側から放送番組コンテンツを伝送し、放送受信装置で前記放送番組コンテンツを受信する伝送システムの前記放送受信装置におけるコンテンツ保護処理方法であって、前記放送番組コンテンツを受信する受信ステップと、前記受信ステップで受信した前記放送番組コンテンツを蓄積する蓄積ステップと、前記蓄積ステップで蓄積した前記放送番組コンテンツを外部機器へ出力する出力ステップと、前記蓄積ステップで蓄積した前記放送番組コンテンツを外部機器にコピーするコピー処理ステップと、前記蓄積ステップで蓄積した前記放送番組コンテンツを外部機器にムーブするムーブ処理ステップと、を備え、前記蓄積ステップでは、前記受信ステップで受信した前記放送番組コンテンツが前記伝送システムにおいて所定複数回数コピー可の保護が指定されて伝送されたコンテンツであるときには、前記放送番組コンテンツについて前記コピー処理ステップで9回のコピーと前記ムーブ処理ステップで1回のムーブ処理が可能な状態かつ前記放送受信装置のみで再生可能となるように暗号化するコンテンツ保護処理を行った状態で、前記放送番組コンテンツを蓄積するものであり、前記コピー処理ステップでは、前記蓄積ステップで蓄積した前記放送番組コンテンツを前記外部機器にコピーする場合には、DTCP2によるコンテンツ保護を行い、DTCP2のムーブ処理機能を用いてコピーすることが可能であり、前記放送番組コンテンツが所定複数回数コピー可の保護が指定された状態で前記放送局側から放送信号により伝送されたコンテンツについて、前記蓄積ステップで蓄積した前記放送番組コンテンツを前記ムーブ処理ステップでムーブする場合のコンテンツ保護処理には、DTCP-IPによるコンテンツ保護処理とDTCP2によるコンテンツ保護処理との異なる複数レベルのコンテンツ保護処理があり、前記蓄積ステップにおける蓄積は、前記放送受信装置に備えられるイーサネットに対応したハードウェアで構成されるIPインタフェースを介して当該IPインタフェースの出力先にある蓄積部において行うことが可能であり、前記出力ステップにおいて、前記放送番組コンテンツを前記外部機器へ出力する際の保護処理は、DTCP2またはHDCPによるコンテンツ保護を行うことが可能であり、前記蓄積ステップでの前記IPインタフェースの出力先にある前記蓄積部への前記放送受信装置のみで再生可能となるように暗号化を施した状態での前記放送番組コンテンツの蓄積と、前記蓄積ステップでの前記IPインタフェースの出力先にある前記蓄積部に前記放送受信装置のみで再生可能となるように暗号化を施した状態で蓄積した前記放送番組コンテンツについての前記出力ステップでの前記IPインタフェースを介した前記外部機器への出力と、前記コピー処理ステップでの前記IPインタフェースを介した前記外部機器へのコピーと、前記ムーブ処理ステップでの前記IPインタフェースを介した前記外部機器へのムーブとをイーサネットに対応したハードウェアで構成される同一のIPインタフェースを介して行うことが可能であり、前記蓄積ステップで前記IPインタフェースの出力先にある前記蓄積部に前記放送受信装置のみで再生可能となるように暗号化を施した状態で蓄積した前記放送番組コンテンツについての前記出力ステップでの前記IPインタフェースを介した前記外部機器への出力および前記コピー処理ステップでの前記IPインタフェースを介した前記外部機器へのコピーおよび前記ムーブ処理ステップでの前記IPインタフェースを介した前記外部機器へのムーブの制御状態は、前記外部機器のIPアドレスが前記放送受信装置のIPアドレスと同一のサブネット内にあるときの前記蓄積ステップで前記IPインタフェースの出力先にある前記蓄積部に前記放送受信装置のみで再生可能となるように暗号化を施した状態で蓄積した前記放送番組コンテンツについての前記出力ステップでの前記外部機器への出力および前記コピー処理ステップでの前記外部機器へのコピーおよび前記ムーブ処理ステップでの前記外部機器へのムーブが可能か禁止かの制御状態と、前記外部機器のIPアドレスが前記放送受信装置のIPアドレスと同一のサブネット内にないときの前記蓄積ステップで前記IPインタフェースの出力先にある前記蓄積部に前記放送受信装置のみで再生可能となるように暗号化を施した状態で蓄積した前記放送番組コンテンツについての前記出力ステップでの前記外部機器への出力および前記コピー処理ステップでの前記外部機器へのコピーおよび前記ムーブ処理ステップでの前記外部機器へのムーブが可能か禁止かの制御状態とで異ならせるものであり、前記放送番組コンテンツが所定複数回数コピー可の保護が指定された状態で前記放送局側から前記放送信号により伝送され、前記蓄積ステップで蓄積されたコンテンツについて、前記ムーブ処理ステップにおけるコンテンツ保護処理について前記異なる複数レベルのコンテンツ保護処理を行うときでも、当該ムーブ処理ステップにおいて前記異なる複数レベルのコンテンツ保護処理の対象となるコンテンツについての前記蓄積ステップにおけるコンテンツ保護処理においては、異なる複数レベルのコンテンツ保護処理の必要が無く共通のコンテンツ保護処理を行うことが可能であり、前記伝送システムにおいて1世代のみコピー可の保護が指定されて伝送され、前記受信ステップで受信され、前記蓄積ステップで蓄積された前記放送番組コンテンツを、前記外部機器へムーブする際には、ムーブした前記放送番組コンテンツは前記放送受信装置において再生不能化される、コンテンツ保護処理方法を用いる。
【発明の効果】
【0008】
本発明の技術を用いることにより、より付加価値の高い機能を実行可能なコンテンツ保護処理方法を提供することができる。
【図面の簡単な説明】
【0009】
実施例1に係る放送受信装置を含む放送通信システムの構成図である。
MMTにおける符号化信号の構成要素の説明図である。
MMTにおけるMPUの構成図である。
MMTにおけるMMTPパケットの構成図である。
MMTを用いる放送システムのプロトコルスタックの概念図である。
放送システムで用いる制御情報の階層構成図である。
放送システムのTLV-SIで使用されるテーブルの一覧である。
放送システムのTLV-SIで使用される記述子の一覧である。
放送システムのMMT-SIで使用されるメッセージの一覧である。
放送システムのMMT-SIで使用されるテーブルの一覧である。
放送システムのMMT-SIで使用される記述子の一覧(1)である。
放送システムのMMT-SIで使用される記述子の一覧(2)である。
放送システムのMMT-SIで使用される記述子の一覧(3)である。
放送システムのコンポーネントと各テーブルの関係を示す図である。
放送システムのMPTのデータ構造を示す図である。
放送システムのロケーション情報のデータ構造を示す図である。
放送システムのMPUタイムスタンプ記述子のデータ構造を示す図である。
放送システムのMH-EITのデータ構造を示す図である。
放送システムのイベントパッケージ記述子のデータ構造を示す図である。
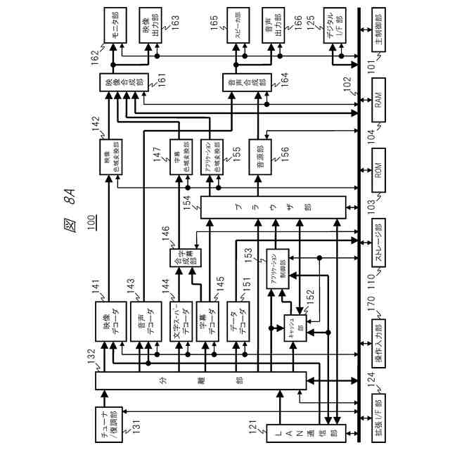
実施例1に係る放送受信装置のブロック図である。
実施例1に係る放送受信装置の提示機能の論理的プレーン構造の構成図である。
実施例1に係る放送受信装置のソフトウェア構成図である。
実施例1に係る放送局サーバのブロック図である。
実施例1に係るサービス事業者サーバのブロック図である。
実施例1に係る携帯情報端末のブロック図である。
実施例1に係る携帯情報端末のソフトウェア構成図である。
実施例1に係る放送受信装置のクロック同期/提示同期のシステム構成図である。
放送システムのNTP形式のデータ構造を示す図である。
放送システムのMH-TOTのデータ構造を示す図である。
放送システムのJST_timeパラメータのフォーマットを示す図である。
放送システムのTMCC拡張情報領域の時刻情報のデータ構造を示す図である。
実施例1に係る放送受信装置のMJDからの現在日付の算出方法を示す図である。
実施例1に係る放送受信装置のチャンネルスキャン時の動作シーケンス図である。
放送システムのTLV-NITのデータ構造を示す図である。
放送システムの衛星分配システム記述子のデータ構造を示す図である。
放送システムのサービスリスト記述子のデータ構造を示す図である。
放送システムのAMTのデータ構造を示す図である。
実施例1に係る放送受信装置の選局時の動作シーケンス図である。
放送システムのPLTによる各パッケージのMPTの参照を説明する概念図である。
放送システムのPLTのデータ構造を示す図である。
実施例1に係る放送受信装置を制御可能なリモコンの外観図である。
放送システムのリモートコントロールキー記述子のデータ構造を示す図である。
マルチ編成チャンネルの選局処理を説明する図である。
マルチビュー対応番組のアングル選択処理を説明する図である。
放送システムのLCTのデータ構造を示す図である。
放送システムのMPU提示領域指定記述子のデータ構造を示す図である。
LCTに基づくレイアウト番号へのレイアウトの割当を示す図である。
LCTに基づくレイアウト番号へのレイアウトの割当を示す図である。
LCTに基づくレイアウト番号へのレイアウトの割当を示す図である。
LCTに基づくレイアウト番号へのレイアウトの割当を示す図である。
LCTに基づく画面レイアウト制御の例外処理を説明する図である。
LCTに基づく画面レイアウト制御の例外処理を説明する図である。
放送システムの映像コンポーネント記述子のデータ構造を示す図である。
映像コンポーネント記述子の映像信号アスペクト比の意味を説明する図である。
実施例1に係る放送受信装置のアスペクト比変換処理を説明する図である。
実施例1に係る放送受信装置のアスペクト比変換処理を説明する図である。
実施例1に係る放送受信装置のEPG画面の画面表示図である。
実施例1に係る放送受信装置のEPG画面の画面表示図である。
実施例1に係る放送受信装置のEPG画面の画面表示図である。
実施例1に係る放送受信装置の緊急警報放送表示時の画面表示図である。
放送システムのコンテンツコピー制御記述子のデータ構造を示す図である。
コンテンツコピー制御記述子のコピー制御情報の意味を示す図である。
放送システムのコンテンツ利用制御記述子のデータ構造を示す図である。
実施例2に係る放送受信装置のブロック図である。
放送サービス切り替え時の現在時刻表示の不整合を説明する図である。
実施例2に係る現在時刻情報参照元の選択制御の動作を説明する図である。
実施例2に係る現在時刻情報の更新処理の動作シーケンス図である。
実施例2に係る放送受信装置のEPG画面の画面表示図である。
実施例2に係る放送受信装置のEPG画面の画面表示図である。
実施例3に係るコンテンツ保護処理を説明する図である。
実施例4に係るコンテンツ保護処理を説明する図である。
【発明を実施するための形態】
【0010】
以下、本発明の実施形態の例を、図面を用いて説明する。
(【0011】以降は省略されています)
この特許をJ-PlatPat(特許庁公式サイト)で参照する
関連特許
個人
店内配信予約システム
2か月前
サクサ株式会社
中継装置
2か月前
WHISMR合同会社
収音装置
24日前
アイホン株式会社
電気機器
18日前
キヤノン株式会社
電子機器
2か月前
キヤノン株式会社
撮像装置
3か月前
キヤノン株式会社
撮像装置
1か月前
日本精機株式会社
画像投映システム
3か月前
株式会社リコー
画像形成装置
1か月前
キヤノン電子株式会社
モバイル装置
2か月前
株式会社リコー
画像形成装置
1か月前
株式会社リコー
画像形成装置
1か月前
ヤマハ株式会社
信号処理装置
3か月前
個人
ワイヤレスイヤホン対応耳掛け
16日前
キヤノン電子株式会社
画像読取装置
25日前
ブラザー工業株式会社
読取装置
1か月前
キヤノン株式会社
撮像システム
18日前
株式会社ニコン
撮像装置
2か月前
キヤノン電子株式会社
シート材搬送装置
1か月前
大日本印刷株式会社
写真撮影装置
17日前
有限会社フィデリックス
マイクロフォン
2日前
株式会社JVCケンウッド
通信システム
2日前
DXO株式会社
情報処理システム
2か月前
パテントフレア株式会社
水中電波通信法
2か月前
株式会社松平商会
携帯機器カバー
27日前
沖電気工業株式会社
画像形成装置
6日前
国立大学法人電気通信大学
小型光学装置
1か月前
株式会社小糸製作所
画像照射装置
1か月前
パテントフレア株式会社
超高速電波通信
1か月前
日本無線株式会社
無線通信システム
1か月前
日本無線株式会社
無線通信システム
27日前
株式会社リコー
画像形成装置
1か月前
株式会社JVCケンウッド
スピーカ
25日前
日本無線株式会社
無線通信システム
1か月前
テックス通信株式会社
電話システム
3か月前
株式会社大林組
監視システム
1か月前
続きを見る
他の特許を見る