TOP
|
特許
|
意匠
|
商標
特許ウォッチ
Twitter
他の特許を見る
公開番号
2025146681
公報種別
公開特許公報(A)
公開日
2025-10-03
出願番号
2025016081
出願日
2025-02-03
発明の名称
空気冷却装置、空気冷却方法及び空気分離システム
出願人
JFEスチール株式会社
代理人
弁理士法人銀座マロニエ特許事務所
主分類
F25J
3/04 20060101AFI20250926BHJP(冷凍または冷却;加熱と冷凍との組み合わせシステム;ヒートポンプシステム;氷の製造または貯蔵;気体の液化または固体化)
要約
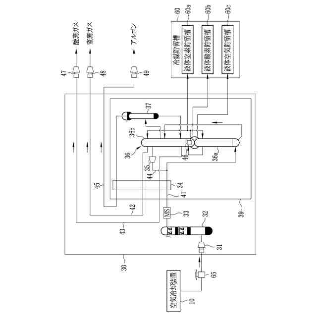
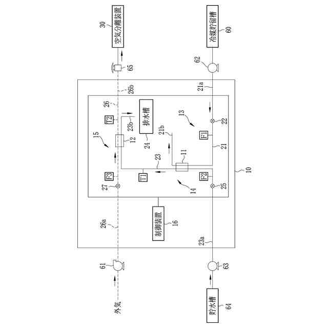
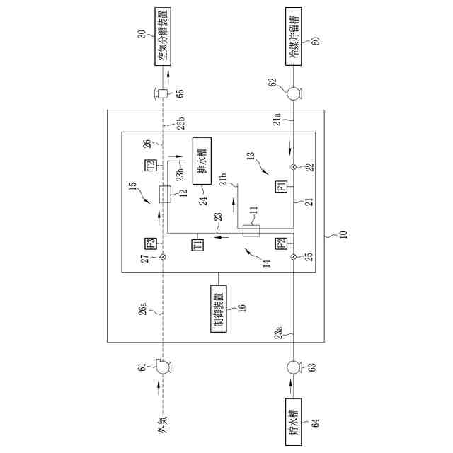
【課題】簡易な設備構成により空気圧縮機に供給する空気の温度を低下させる。
【解決手段】本発明の空気冷却装置10は、液体窒素、液体酸素及び液体空気のいずれかからなる第1の冷媒と、水からなる第2の冷媒と、の間で熱交換を行い、第2の冷媒を冷却する第1熱交換器11と、冷却された第2の冷媒と、空気との間で熱交換を行い、空気を冷却する第2熱交換器12と、第1の冷媒を第1熱交換器11に流すとともに、第1熱交換器11において第2の冷媒との間で熱交換を行った第1の冷媒を第1熱交換器11の下流側で外部に放散する冷温冷媒供給系統13と、第2の冷媒を第1熱交換器11、第2熱交換器12の順に流すとともに、第2熱交換器において空気との熱交換を行った第2の冷媒を第2の熱交換器の下流側で排水槽に排出する中間冷媒供給系統14と、空気を第2熱交換器12に供給する空気供給系統15と、を有することを特徴としている。
【選択図】 図2
特許請求の範囲
【請求項1】
液体窒素、液体酸素及び液体空気のいずれかからなる第1の冷媒と、水からなる第2の冷媒と、の間で熱交換を行い、前記第2の冷媒を冷却する第1熱交換器と、
冷却された前記第2の冷媒と空気との間で熱交換を行い、前記空気を冷却する第2熱交換器と、
前記第1の冷媒を前記第1熱交換器に流すとともに、前記第1熱交換器において前記第2の冷媒との間で熱交換を行った前記第1の冷媒を前記第1熱交換器の下流側で外部に放散する第1供給系統と、
前記第2の冷媒を前記第1熱交換器、前記第2熱交換器の順に流すとともに、前記第2熱交換器において前記空気との熱交換を行った前記第2の冷媒を前記第2の熱交換器の下流側で排水槽に排出する第2供給系統と、
前記空気を前記第2熱交換器に供給する第3供給系統と、
を備えることを特徴とする空気冷却装置。
続きを表示(約 1,300 文字)
【請求項2】
前記第1供給系統は、前記第1の冷媒を前記第1熱交換器に向けて送出する送出ポンプに前記第1熱交換器の上流側で接続され、
前記第1供給系統は、前記第1熱交換器により熱交換された第1の冷媒を外部に放散する放散部を前記第1熱交換器の下流側に有することを特徴とする請求項1に記載の空気冷却装置。
【請求項3】
前記第2供給系統は、地下水、海水および工業用水の少なくともいずれかの水を取水する取水ポンプに前記第1熱交換器の上流側で接続され、
前記第2供給系統は、前記第2熱交換器により熱交換された第2の冷媒を排水槽に排出する排出部を前記第2熱交換器の下流側に有することを特徴とする請求項1に記載の空気冷却装置。
【請求項4】
前記第3供給系統は、外気を吸引する吸引ブロアに前記第2熱交換器の上流側で接続されるとともに、当該第2熱交換器により熱交換された前記空気を圧縮する空気圧縮機に前記第2熱交換器の下流側で接続されることを特徴とする請求項1に記載の空気冷却装置。
【請求項5】
空気を冷却する方法であって、
液体窒素、液体酸素及び液体空気のいずれかからなる第1の冷媒と、水からなる第2の冷媒との間の熱交換を第1熱交換器で行い、前記第2の冷媒を冷却する第1熱交換工程と、
前記第1熱交換工程により冷却された前記第2の冷媒と、前記空気との間の熱交換を前記第1熱交換器とは異なる第2熱交換器で行い、前記空気を冷却する第2熱交換工程と、
を有することを特徴とする空気冷却方法。
【請求項6】
空気を冷却する空気冷却装置と、当該空気冷却装置により冷却された空気を用いて、酸素及び窒素を精留分離する空気分離装置と、を備える空気分離システムにおいて、
前記空気冷却装置により冷却された前記空気を圧縮するとともに、圧縮された空気を前記空気分離装置に送り込む圧縮機と、
前記空気分離装置により生成される液体窒素、液体酸素及び液体空気のいずれかからなる第1の冷媒を、前記空気冷却装置に送出する送出ポンプと、
を備え、
前記空気冷却装置は、
前記第1の冷媒と、水からなる第2の冷媒と、の間で熱交換を行い、前記第2の冷媒を冷却する第1熱交換器と、
冷却された前記第2の冷媒と、前記空気冷却装置に取り込まれた空気との間で熱交換を行い、前記空気冷却装置に取り込まれた空気を冷却する第2熱交換器と、
前記第1の冷媒を前記第1熱交換器に流すとともに、前記第1熱交換器において前記第2の冷媒との間で熱交換を行った前記第1の冷媒を前記第1熱交換器の下流側で外部に放散する第1供給系統と、
前記第2の冷媒を、前記第1熱交換器、前記第2熱交換器の順に流すとともに、前記第2熱交換器において前記空気との熱交換を行った前記第2の冷媒を前記第2の熱交換器の下流側で排水槽に排出する第2供給系統と、
前記空気冷却装置に取り込まれた空気を前記第2熱交換器に供給する第3供給系統と、
を有することを特徴とする空気分離システム。
発明の詳細な説明
【技術分野】
【0001】
本発明は、空気冷却装置、空気冷却方法及び空気分離システムに関する。
続きを表示(約 2,300 文字)
【背景技術】
【0002】
工業用プラントで使用される空気分離装置やガスタービン発電機には、空気を圧縮する空気圧縮機が広く用いられている。空気分離装置では、空気を液化するために空気圧縮機が用いられている。また、ガスタービン発電機では、燃焼器に供給する空気を高圧にするために空気圧縮機が用いられている。ところで、空気圧縮機は、取り込む空気の温度が高くなると、その運転効率が悪くなることがわかっている。特に、空気の温度が高い夏季では、空気の温度が低い冬季に比べて、空気圧縮機の運転効率が2~10%程度低下する場合もある。したがって、従来から、空気圧縮機の運転効率の低下を抑制するために、空気圧縮機に供給される空気の温度を低下させる技術が種々提案されている。
【0003】
例えば、特許文献1は、外部から取り込まれた空気を、所定温度の循環水を用いて冷却して、空気圧縮機に供給することを開示している。また、特許文献2は、液化天然ガス(以下、LNGと称する場合がある)との熱交換により冷却された中間冷媒を用いて燃焼用空気を冷却してガスタービンに供給することを開示している。さらに、特許文献3は、LNGにより冷却された混合アルコールを用いて除湿空気を冷却することを開示している。
【先行技術文献】
【特許文献】
【0004】
特開2003-207267号公報
特開2015-155689号公報
特開2001-116198号公報
【発明の概要】
【発明が解決しようとする課題】
【0005】
ところで、特許文献1は、12~13℃程度に冷却された循環水を冷媒として、取り込まれた空気を冷却する技術を開示しているが、10℃以上の冷媒を用いる場合には、空気を効率的に冷却させることが難しいという問題がある。特に、工業プラントに設置される空気分離装置やガスタービン発電機のように大量の空気が必要とされる場合や、夏季など外気の温度が高い場合には、冷却空気の供給量が不足する虞がある。
【0006】
また、特許文献2は、液化天然ガスが有する冷熱を利用して空気を冷却する際に、LNGの冷熱を中間冷媒に熱交換し、冷却された中間冷媒を用いて空気を冷却することを開示するものである。特許文献2に開示される技術は、LNGの極低温の流体を用いて空気との熱交換を直接行うものではない。したがって、空気に含まれる水分が霜として熱交換器に付着して、当該空気の冷却が阻害されることが防止される。しかしながら、中間冷媒として使用されるハイドロクロロフロロカーボン(HCFC)や、ハイドロフロロカーボン(HFC)やパーフロロカーボン(PFC)は、いわゆるフロンである。これらフロンは、強力な温室効果ガスであり、これらの大気への放散は環境を悪化させる。したがって、これらを冷温冷媒として使用する場合には、これらを循環させながら使用する必要があり、また、配管系統の保守管理を厳格に行う必要がある。その結果、装置が大型化するとともに、設備コストが高くなるという問題がある。
【0007】
また、特許文献3は、混合アルコールを液体冷媒として使用する場合、空気を零下100℃以下まで冷却できること、また、アルコール水を液体冷媒として使用する場合、空気を零下30℃程度まで冷却できることを開示している。しかしながら、混合アルコールを液体冷媒として使用する設備、特に、冷却された空気の供給先が高温雰囲気に曝される設備では、火災のリスクを考慮して、液体冷媒と空気との熱交換を行う位置を、高温雰囲気となる領域から離れて配置する必要がある。その結果、装置が大型化するとともに、設備コストが高くなるという問題がある。
【0008】
また、液体冷媒にアルコール水を用いる設備では、火災のリスクは低減するものの、アルコール水が外部に流出したときにアルコール成分が蒸発して火災が発生するリスクが生じる。したがって、アルコール水が外部に流出しないように、当該アルコール水を循環使用するための循環経路が必要となる。その結果、装置が大型化するとともに、設備コストが高くなるという問題がある。
【0009】
本発明は、上記課題に鑑みてなされたものであり、簡易な設備構成により空気圧縮機に供給する空気の温度を低下させることが可能な空気冷却装置、空気冷却方法を提供することを目的としている。また、本発明は、空気圧縮機に供給される空気の温度が安定して低い温度に維持されることにより、電力原単位に優れた空気分離システムを提供することにある。
【課題を解決するための手段】
【0010】
一の観点による空気冷却装置は、液体窒素、液体酸素及び液体空気のいずれかからなる第1の冷媒と、水からなる第2の冷媒と、の間で熱交換を行い、第2の冷媒を冷却する第1熱交換器と、冷却された第2の冷媒と空気との間で熱交換を行い、空気を冷却する第2熱交換器と、第1の冷媒を第1熱交換器に流すとともに、第1熱交換器において第2の冷媒との間で熱交換を行った第1の冷媒を第1熱交換器の下流側で外部に放散する第1供給系統と、第2の冷媒を第1熱交換器、第2熱交換器の順に流すとともに、第2熱交換器において空気との熱交換を行った第2の冷媒を第2の熱交換器の下流側で排水槽に排出する第2供給系統と、空気を第2熱交換器に供給する第3供給系統と、を備えることを特徴としている。
(【0011】以降は省略されています)
この特許をJ-PlatPat(特許庁公式サイト)で参照する
関連特許
JFEスチール株式会社
レーザー溶接方法及び装置
今日
タニコー株式会社
貯水槽
1か月前
株式会社コロナ
空気調和装置
2か月前
株式会社コロナ
ヒートポンプ装置
1か月前
アクア株式会社
冷蔵庫
1か月前
アクア株式会社
冷蔵庫
2か月前
ホシザキ株式会社
製氷機
12日前
個人
ヒートポンプ型空気調和機
18日前
富士電機株式会社
冷却装置
1か月前
富士電機株式会社
冷却装置
11日前
ホシザキ株式会社
冷凍装置
2か月前
株式会社ツインバード
スターリング機関
1か月前
富士電機株式会社
冷却装置
1か月前
個人
液体窒素凝縮による冷凍サイクル
1か月前
シャープ株式会社
冷却庫
2か月前
シャープ株式会社
冷蔵庫
2か月前
シャープ株式会社
冷却庫
2か月前
シャープ株式会社
冷却庫
2か月前
富士電機株式会社
冷却システム
27日前
富士ベンダーサービス株式会社
保管庫
20日前
シャープ株式会社
冷蔵庫
2か月前
シャープ株式会社
冷蔵庫
1か月前
三菱重工冷熱株式会社
低温冷水供給装置
18日前
シャープ株式会社
冷却装置
1か月前
シャープ株式会社
冷却装置
2か月前
シャープ株式会社
冷却装置
2か月前
シャープ株式会社
冷却装置
2か月前
株式会社ゼロカラ
冷凍装置
1か月前
株式会社前川製作所
冷凍機
2か月前
アクア株式会社
冷蔵庫
5日前
FrostiX株式会社
急速冷凍装置
1か月前
シャープ株式会社
冷蔵庫
18日前
シャープ株式会社
冷蔵庫
26日前
工機ホールディングス株式会社
冷蔵庫
2か月前
ホシザキ株式会社
液体凍結装置
1か月前
島田工業株式会社
製氷装置及び製氷方法
5日前
続きを見る
他の特許を見る