TOP
|
特許
|
意匠
|
商標
特許ウォッチ
Twitter
他の特許を見る
公開番号
2025145923
公報種別
公開特許公報(A)
公開日
2025-10-03
出願番号
2024046436
出願日
2024-03-22
発明の名称
異常診断システム
出願人
大阪瓦斯株式会社
代理人
弁理士法人R&C
主分類
H01M
8/04 20160101AFI20250926BHJP(基本的電気素子)
要約
【課題】燃料ガスのリークという異常を診断し、その異常を解消できる異常診断システムを提供する。
【解決手段】異常診断システムであって、燃料電池装置は、燃焼触媒部の温度を検出する触媒温度測定器を備え、異常診断装置は、触媒温度測定器が測定する温度が所定の温度上昇状態にあり且つ設定温度以上であるという燃焼触媒高温条件が満たされると共にセルスタックでの燃料利用率が第1設定値以上である場合、第1設定値を下限として燃料利用率を低下させる燃料利用率低下処理を燃料電池装置に行わせ、燃焼触媒高温条件が満たされると共に燃料利用率が第1設定値未満である場合、内側容器の内側空間の内部の温度を上昇させる昇温処理を燃料電池装置に行わせる。
【選択図】図3
特許請求の範囲
【請求項1】
施設に設置される燃料電池装置と、前記燃料電池装置から情報通信回線を介して受信した情報に基づいて前記燃料電池装置で発生する異常の内容を診断する異常診断装置とを備える異常診断システムであって、
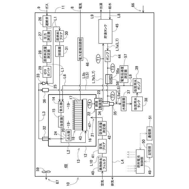
前記燃料電池装置は、外側容器、及び、当該外側容器の内部の外側容器内空間に設けられる内側容器を有するホットモジュールを備え、前記ホットモジュールは、前記内側容器の内部の内側空間に、供給される改質用水を気化させる気化器、原燃料を前記気化器から供給される水蒸気を用いて水蒸気改質して燃料ガスを生成する改質器、前記改質器で生成された前記燃料ガスを用いて発電する複数の燃料電池セルを有するセルスタック、及び、前記セルスタックから排出されるオフガスを燃焼する燃焼部を有し、前記内側容器には外部から前記内側空間への空気の供給に用いられる給気口と、前記燃焼部での燃焼により発生したガスを含む排出ガスを前記内側空間から外部へ排気するために用いられる排気口とが設けられ、前記排気口には、前記排出ガスに含まれる燃料成分を触媒燃焼させる燃焼触媒部が設けられ、
前記燃料電池装置は、前記燃焼触媒部の温度を検出する触媒温度測定器を備え、
前記異常診断装置は、前記触媒温度測定器が測定する温度が所定の温度上昇状態にあり且つ設定温度以上であるという燃焼触媒高温条件が満たされると共に前記セルスタックでの燃料利用率が第1設定値以上である場合、前記第1設定値を下限として前記燃料利用率を低下させる燃料利用率低下処理を前記燃料電池装置に行わせ、前記燃焼触媒高温条件が満たされると共に前記燃料利用率が前記第1設定値未満である場合、前記内側容器の前記内側空間の内部の温度を上昇させる昇温処理を前記燃料電池装置に行わせる異常診断システム。
続きを表示(約 260 文字)
【請求項2】
前記第1設定値は、前記セルスタックで通常の発電動作を行わせる場合に取り得る前記燃料利用率の最低値である請求項1に記載の異常診断システム。
【請求項3】
前記昇温処理は、前記燃料利用率を前記第1設定値未満の第2設定値に変更する処理である請求項1に記載の異常診断システム。
【請求項4】
前記異常診断装置は、前記昇温処理が行われた後に前記燃焼触媒高温条件が満たされる場合、前記ホットモジュールの故障であると判定する請求項1~3の何れか一項に記載の異常診断システム。
発明の詳細な説明
【技術分野】
【0001】
本発明は、異常診断システムに関する。
続きを表示(約 2,700 文字)
【背景技術】
【0002】
特許文献1(特開2017-112045号公報)の燃料電池システムは、燃料ガスを供給するマニホールドと、マニホールドから燃料ガスの供給を受けるセルスタックとを備えている。セルスタックは、長手方向に延びる楕円形の筒状の複数のセルが、マニホールドに対して長手方向が突出するように、かつ、平行に立設して構成されている。セルは、マニホールドからの燃料ガスの供給と、空気の供給とを受けて電気化学反応によって発電を行う。
【0003】
特許文献1では、マニホールドに設けられた挿入口にセルの長手方向の一端が挿入されて接合され、シール部材で封止される。また、隣接するセルの一端同士もシール部材によって封止されている。特許文献1のシール部材は、表層部の緻密部と、緻密部の下部の多孔質部と、その他の部分とから構成されている。多孔質部の下端はシール部材の下端にまで達している。このようなシール部材の構成により、シール部材内部の熱収縮による応力を緩和することができ、シール部材の表層部にまでシール部材の剥離が進むことを抑制できる。よって、セルとマニホールドとの接合部分、セル間の接合部分などのシール部材が設けられた箇所におけるシール部材の剥離を抑制できる。
【先行技術文献】
【特許文献】
【0004】
特開2017-112045号公報
【発明の概要】
【発明が解決しようとする課題】
【0005】
しかし、接合部分のシール部材に急激な温度変化が生じた場合や、運搬及び地震等の振動により許容値以上の応力が接合部分のシール部材に係った場合等には、シール部材に破損が生じる可能性がある。そうすると、破損部分から燃料ガス等がリークする。現状では、そのような燃料ガスのリークという異常を診断し、そのような破損部分の修復を行うようなシステムはない。
【0006】
本発明は、上記の課題に鑑みてなされたものであり、その目的は、燃料ガスのリークという異常を診断し、その異常を解消できる異常診断システムを提供する点にある。
【課題を解決するための手段】
【0007】
上記目的を達成するための本発明に係る異常診断システムの特徴構成は、施設に設置される燃料電池装置と、前記燃料電池装置から情報通信回線を介して受信した情報に基づいて前記燃料電池装置で発生する異常の内容を診断する異常診断装置とを備える異常診断システムであって、
前記燃料電池装置は、外側容器、及び、当該外側容器の内部の外側容器内空間に設けられる内側容器を有するホットモジュールを備え、前記ホットモジュールは、前記内側容器の内部の内側空間に、供給される改質用水を気化させる気化器、原燃料を前記気化器から供給される水蒸気を用いて水蒸気改質して燃料ガスを生成する改質器、前記改質器で生成された前記燃料ガスを用いて発電する複数の燃料電池セルを有するセルスタック、及び、前記セルスタックから排出されるオフガスを燃焼する燃焼部を有し、前記内側容器には外部から前記内側空間への空気の供給に用いられる給気口と、前記燃焼部での燃焼により発生したガスを含む排出ガスを前記内側空間から外部へ排気するために用いられる排気口とが設けられ、前記排気口には、前記排出ガスに含まれる燃料成分を触媒燃焼させる燃焼触媒部が設けられ、
前記燃料電池装置は、前記燃焼触媒部の温度を検出する触媒温度測定器を備え、
前記異常診断装置は、前記触媒温度測定器が測定する温度が所定の温度上昇状態にあり且つ設定温度以上であるという燃焼触媒高温条件が満たされると共に前記セルスタックでの燃料利用率が第1設定値以上である場合、前記第1設定値を下限として前記燃料利用率を低下させる燃料利用率低下処理を前記燃料電池装置に行わせ、前記燃焼触媒高温条件が満たされると共に前記燃料利用率が前記第1設定値未満である場合、前記内側容器の前記内側空間の内部の温度を上昇させる昇温処理を前記燃料電池装置に行わせる点にある。
ここで、前記第1設定値は、前記セルスタックで通常の発電動作を行わせる場合に取り得る前記燃料利用率の最低値であってもよい。
また、前記昇温処理は、前記燃料利用率を前記第1設定値未満の第2設定値に変更する処理であってもよい。
【0008】
上記特徴構成によれば、異常診断装置は、触媒温度測定器が測定する温度が所定の温度上昇状態にあり且つ設定温度以上であるという燃焼触媒高温条件が満たされると共にセルスタックでの燃料利用率が第1設定値以上である場合、第1設定値を下限として燃料利用率を低下させる燃料利用率低下処理を燃料電池装置に行わせる。つまり、燃料電池装置で燃料利用率低下処理が行われることで、燃焼部で燃焼されるオフガスの単位時間当たりの流量も増加する。このように、燃焼部での内側容器の内部に存在するオフガスの燃焼が活性化されることで、内側容器の外部へと排出される排出ガスに含まれる燃料成分の量が減少し、燃焼触媒部の温度が低下することを期待できる。
また、異常診断装置は、燃焼触媒高温条件が満たされると共に燃料利用率が第1設定値未満である場合、内側容器の内側空間の内部の温度を上昇させる昇温処理を燃料電池装置に行わせる。例えば、昇温処理は、燃料利用率を第1設定値未満の第2設定値に変更する処理である。燃料利用率を第1設定値未満の第2設定値に変更することで、燃焼部で燃焼されるオフガスの単位時間当たりの流量も増加し、燃焼部での内側容器の内部に存在するオフガスの燃焼が活性化されることで、内側容器の内側空間の内部の温度が上昇する。そして、内側容器の内部に設けられているシール部材が溶融して、その損傷部分が自己修復されることが期待される。
従って、燃料ガスのリークという異常を診断し、その異常を解消できる異常診断システムを提供できる。
【0009】
本発明に係る異常診断システムの別の特徴構成は、前記異常診断装置は、前記昇温処理が行われた後に前記燃焼触媒高温条件が満たされる場合、前記ホットモジュールの故障であると判定する点にある。
【0010】
上記特徴構成によれば、異常診断装置は、昇温処理が行われた後に燃焼触媒高温条件が満たされる場合、ホットモジュールの故障であると判定できる。
【図面の簡単な説明】
(【0011】以降は省略されています)
この特許をJ-PlatPat(特許庁公式サイト)で参照する
関連特許
大阪瓦斯株式会社
継手
9日前
大阪瓦斯株式会社
燃焼装置
1か月前
大阪瓦斯株式会社
給湯装置
1か月前
大阪瓦斯株式会社
探査装置
1か月前
大阪瓦斯株式会社
ガスコンロ
1か月前
大阪瓦斯株式会社
フライヤー
1か月前
大阪瓦斯株式会社
ガスコンロ
25日前
大阪瓦斯株式会社
撥水性塗料
1か月前
大阪瓦斯株式会社
蓄電制御装置
1か月前
大阪瓦斯株式会社
ガラス複合体
1か月前
大阪瓦斯株式会社
高耐熱組成物
1か月前
大阪瓦斯株式会社
ガラス複合体
1か月前
大阪瓦斯株式会社
酸化物複合体
1か月前
大阪瓦斯株式会社
管理システム
1か月前
大阪瓦斯株式会社
動作制御装置
1か月前
大阪瓦斯株式会社
警報システム
1か月前
大阪瓦斯株式会社
音声出力装置
1か月前
大阪瓦斯株式会社
警報システム
1か月前
大阪瓦斯株式会社
制御システム
1か月前
大阪瓦斯株式会社
蓄電制御装置
1か月前
大阪瓦斯株式会社
熱供給システム
1か月前
大阪瓦斯株式会社
蓄電池管理装置
1か月前
大阪瓦斯株式会社
充放電中継装置
15日前
大阪瓦斯株式会社
充放電中継装置
15日前
大阪瓦斯株式会社
異常診断システム
1か月前
大阪瓦斯株式会社
燃料電池システム
1日前
大阪瓦斯株式会社
燃料電池システム
1か月前
大阪瓦斯株式会社
燃料電池システム
1か月前
大阪瓦斯株式会社
燃焼制御システム
1か月前
大阪瓦斯株式会社
熱電併給システム
1か月前
大阪瓦斯株式会社
燃料電池システム
1か月前
大阪瓦斯株式会社
燃料電池システム
1か月前
大阪瓦斯株式会社
バイオマス系樹脂
1か月前
大阪瓦斯株式会社
燃料電池システム
1か月前
大阪瓦斯株式会社
燃料電池システム
1か月前
大阪瓦斯株式会社
異常診断システム
1か月前
続きを見る
他の特許を見る