TOP
|
特許
|
意匠
|
商標
特許ウォッチ
Twitter
他の特許を見る
10個以上の画像は省略されています。
公開番号
2025145248
公報種別
公開特許公報(A)
公開日
2025-10-03
出願番号
2024045331
出願日
2024-03-21
発明の名称
半導体装置およびその製造方法
出願人
株式会社デンソー
代理人
個人
,
個人
主分類
H01L
23/48 20060101AFI20250926BHJP(基本的電気素子)
要約
【課題】絶縁不良が生じるのを抑制できる半導体装置を提供すること。
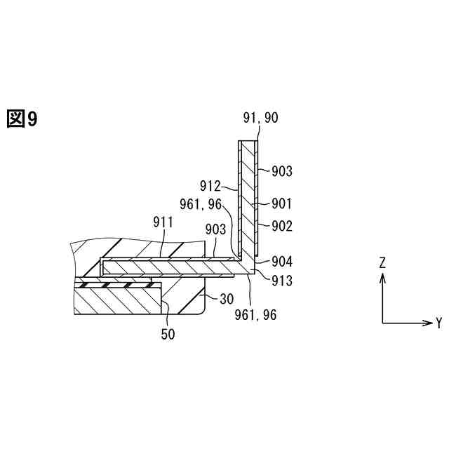
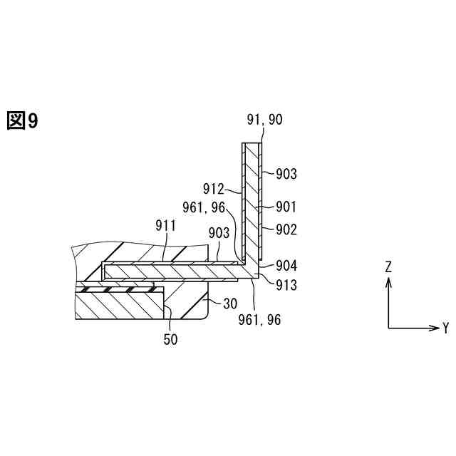
【解決手段】半導体装置は、半導体素子、封止体30、P端子91を含む外部接続端子90を備える。P端子91は、半導体素子に電気的に接続された部分を含み、封止体30に覆われた被覆部911と、封止体30の外に突出する突出部912を有する。外部接続端子90は、表面にめっき膜902が設けられためっき領域903と、めっき膜902が設けられていない非めっき領域904を有する。突出部912は屈曲部913を含んでおり、非めっき領域904は屈曲部913の表面の少なくとも一部を含む。
【選択図】図9
特許請求の範囲
【請求項1】
半導体素子(40)と、
前記半導体素子を封止する封止体(30)と、
前記半導体素子に電気的に接続された部分を含み、前記封止体に覆われた被覆部(911,921,931)と、前記封止体の外に突出する突出部(912,922,932)と、を有する外部接続端子(90)と、
を備え、
前記外部接続端子は、表面にめっき膜(902)が設けられためっき領域(903)と、前記めっき膜が設けられていない非めっき領域(904)と、を有し、
前記突出部は、屈曲部(913,923,933)を含み、
前記非めっき領域は、前記屈曲部の表面の少なくとも一部を含む、半導体装置。
続きを表示(約 1,300 文字)
【請求項2】
前記非めっき領域は、前記屈曲部における前記外部接続端子の板面を含む、請求項1に記載の半導体装置。
【請求項3】
前記非めっき領域は、前記屈曲部における前記外部接続端子の側面を含む、請求項1または請求項2に記載の半導体装置。
【請求項4】
前記非めっき領域は、前記めっき膜を除去した除去領域であり、
前記外部接続端子は、前記めっき膜の除去痕であるレーザ痕(961)を有する、請求項2に記載の半導体装置。
【請求項5】
前記非めっき領域は、前記めっき膜を除去した除去領域であり、
前記外部接続端子は、前記めっき膜の除去痕であるタイバー痕(962)を有する、請求項3に記載の半導体装置。
【請求項6】
前記外部接続端子は、第1端子(92)と、所定方向において前記第1端子と並んで配置された第2端子(93)と、を含み、
前記封止体において前記第1端子および前記第2端子が突出する面から前記屈曲部までの長さが、前記第1端子と前記第2端子とで異なる、請求項5に記載の半導体装置。
【請求項7】
めっきを施して外部接続端子(90)の表面にめっき膜(902)を形成し、
前記めっき膜を形成した前記外部接続端子と半導体素子(40)とを電気的に接続し、
前記外部接続端子および前記半導体素子を封止する封止体(30)を形成し、
前記外部接続端子において前記封止体から突出する部分に曲げ加工を施して屈曲部(913,923,933)を形成し、
前記屈曲部を形成する前に、前記外部接続端子において前記屈曲部に相当する部分の少なくとも一部の前記めっき膜を除去する、半導体装置の製造方法。
【請求項8】
前記屈曲部を形成する前に、前記外部接続端子の板面(905,906)において前記屈曲部に相当する部分にレーザを照射して、前記めっき膜を除去する、請求項7に記載の半導体装置の製造方法。
【請求項9】
前記屈曲部に相当する部分に連なるようにタイバー(972,973)を設けたリードフレーム(97)を準備して、前記外部接続端子を含む前記リードフレームの表面に前記めっき膜を形成し、
前記屈曲部を形成する前に、前記タイバーをカットすることで、前記外部接続端子の側面(907)において前記屈曲部に相当する部分の前記めっき膜を除去する、請求項7または請求項8に記載の半導体装置の製造方法。
【請求項10】
めっきを施して外部接続端子(90)の表面にめっき膜(902)を形成し、
前記めっき膜を形成した前記外部接続端子と半導体素子(40)とを電気的に接続し、
前記外部接続端子および前記半導体素子を封止する封止体(30)を形成し、
前記外部接続端子において前記封止体から突出する部分に曲げ加工を施して屈曲部(913,923,933)を形成し、
前記めっき膜を形成するときに、前記外部接続端子において前記屈曲部に相当する部分の少なくとも一部に前記めっき膜が形成されないように部分めっきを施す、半導体装置の製造方法。
発明の詳細な説明
【技術分野】
【0001】
この明細書における開示は、半導体装置およびその製造方法に関する。
続きを表示(約 1,600 文字)
【背景技術】
【0002】
特許文献1は、半導体素子、半導体素子に電気的に接続された端子、封止樹脂を備える電力半導体装置およびその製造方法を開示している。先行技術文献の記載内容は、この明細書における技術的要素の説明として、参照により援用される。
【先行技術文献】
【特許文献】
【0003】
特開2023-33569号公報
【発明の概要】
【発明が解決しようとする課題】
【0004】
特許文献1では、端子を含むリードフレームのタイバーをカットした後に端子にめっきを施し、めっき後の端子を折り曲げる。このため、端子を折り曲げるときにめっきが剥がれ、これにより絶縁不良が生じる虞がある。上述の観点において、または言及されていない他の観点において、半導体装置およびその製造方法にはさらなる改良が求められている。
【0005】
本開示の目的のひとつは、絶縁不良が生じるのを抑制できる半導体装置およびその製造方法を提供することである。
【課題を解決するための手段】
【0006】
開示のひとつの態様である半導体装置は、
半導体素子(40)と、
半導体素子を封止する封止体(30)と、
半導体素子に電気的に接続された部分を含み、封止体に覆われた被覆部(911,921,931)と、封止体の外に突出する突出部(912,922,932)と、を有する外部接続端子(90)と、
を備え、
外部接続端子は、表面にめっき膜(902)が設けられためっき領域(903)と、めっき膜が設けられていない非めっき領域(904)と、を有し、
突出部は、屈曲部(913,923,933)を含み、
非めっき領域は、屈曲部の表面の少なくとも一部を含む。
【0007】
開示の半導体装置によれば、屈曲部の表面の少なくとも一部を非めっき領域とする。つまり、屈曲部の表面の少なくとも一部にめっき膜を設けない。これにより、屈曲部を形成するときに、たとえばめっき膜の剥がれが生じるのを抑制することができる。したがって、絶縁不良が生じるのを抑制することができる。
【0008】
開示の他のひとつの態様である半導体装置の製造方法は、
めっきを施して外部接続端子(90)の表面にめっき膜(902)を形成し、
めっき膜を形成した外部接続端子と半導体素子(40)とを電気的に接続し、
外部接続端子および半導体素子を封止する封止体(30)を形成し、
外部接続端子において封止体から突出する部分に曲げ加工を施して屈曲部(913,923,933)を形成し、
屈曲部を形成する前に、外部接続端子において屈曲部に相当する部分の少なくとも一部のめっき膜を除去する。
【0009】
開示の半導体装置の製造方法によれば、外部接続端子において屈曲部に相当する部分の少なくとも一部のめっき膜を除去してから、曲げ加工を施して屈曲部を形成する。これにより、屈曲部を形成するときに、たとえばめっき膜の剥がれが生じるのを抑制することができる。したがって、絶縁不良が生じるのを抑制することができる。
【0010】
開示の他のひとつの態様である半導体装置の製造方法は、
めっきを施して外部接続端子(90)の表面にめっき膜(902)を形成し、
めっき膜を形成した外部接続端子と半導体素子(40)とを電気的に接続し、
外部接続端子および半導体素子を封止する封止体(30)を形成し、
外部接続端子において封止体から突出する部分に曲げ加工を施して屈曲部(913,923,933)を形成し、
めっき膜を形成するときに、外部接続端子において屈曲部に相当する部分の少なくとも一部にめっき膜が形成されないように部分めっきを施す。
(【0011】以降は省略されています)
この特許をJ-PlatPat(特許庁公式サイト)で参照する
関連特許
株式会社デンソー
接合体
15日前
株式会社デンソー
車載器
1日前
株式会社デンソーエレクトロニクス
発音装置
5日前
株式会社デンソー
平滑回路
25日前
株式会社デンソー
電子装置
5日前
株式会社デンソー
ステータ
16日前
株式会社デンソー
ステータ
16日前
株式会社デンソー
太陽電池
17日前
株式会社デンソー
駆動装置
1か月前
株式会社デンソーエレクトロニクス
発音装置
23日前
株式会社デンソー
測距装置
1か月前
株式会社デンソー
ステータ
1日前
株式会社デンソー
ねじ部材
1日前
株式会社デンソー
光学部材
26日前
株式会社デンソー
通信装置
1か月前
株式会社デンソー
電子装置
1か月前
株式会社デンソー
書込装置
1か月前
株式会社デンソー
ステータ
1日前
株式会社デンソー
レーダ装置
5日前
株式会社デンソー
半導体装置
1日前
株式会社デンソー
回転体装置
29日前
株式会社デンソー
ガスセンサ
1か月前
株式会社デンソー
センサ素子
1か月前
株式会社デンソー
中継システム
1か月前
株式会社デンソー
フィルタ回路
9日前
株式会社デンソー
電子制御装置
1日前
株式会社デンソー
光位相変調器
15日前
株式会社デンソー
温度検出装置
29日前
株式会社デンソー
電気化学セル
5日前
株式会社デンソー
電子制御装置
29日前
株式会社デンソー
制御システム
8日前
株式会社デンソーエアクール
換気空調装置
2日前
株式会社デンソーウェーブ
光学読取装置
17日前
株式会社デンソー
電圧変換回路
16日前
株式会社デンソー
電力変換装置
1か月前
株式会社デンソー
小型電動車両
17日前
続きを見る
他の特許を見る