TOP
|
特許
|
意匠
|
商標
特許ウォッチ
Twitter
他の特許を見る
10個以上の画像は省略されています。
公開番号
2025144853
公報種別
公開特許公報(A)
公開日
2025-10-03
出願番号
2024044739
出願日
2024-03-21
発明の名称
車両のエアサスペンション装置
出願人
日産自動車株式会社
代理人
個人
,
個人
主分類
B60G
11/27 20060101AFI20250926BHJP(車両一般)
要約
【課題】従来のエアサスペンション装置では、車両の走行中に、異物が蛇腹状カバーの内部空間に浸入する恐れがあった。
【解決手段】車両の上下方向に伸縮可能な中空の緩衝体1と、膨張収縮可能な中空の圧力バッグ2と、緩衝体1及び圧力バッグ2の内部同士を相互に連通させる配管3とを備えたエアサスペンション装置とし、緩衝体1、圧力バッグ2及び配管3の内部を密閉空間にすることで、車両の走行時における異物の侵入や冠水時における水の浸入を防止する。
【選択図】図1
特許請求の範囲
【請求項1】
車両の上下方向に伸縮可能な中空の緩衝体と、
膨張収縮可能な中空の圧力バッグと、
前記緩衝体及び前記圧力バッグの内部同士を相互に連通させる配管とを備えたことを特徴とする車両のエアサスペンション装置。
続きを表示(約 600 文字)
【請求項2】
前記圧力バッグが、車両のフレームを形成する中空のサイドメンバ内に収容してあることを特徴とする請求項1に記載の車両のエアサスペンション装置。
【請求項3】
前記圧力バッグが、前記サイドメンバの内面に固定する固定部と、前記固定部に保持されて膨張収縮可能な可動部とを備えていることを特徴とする請求項2に記載の車両のエアサスペンション装置。
【請求項4】
前記圧力バッグの可動部が、前記サイドメンバの長手方向に膨張収縮することを特徴とする請求項3に記載の車両のエアサスペンション装置。
【請求項5】
前記サイドメンバが、前記圧力バッグの通過が可能な開口部を有し、
前記圧力バッグが、前記開口部を閉塞する蓋部材を備えていることを特徴とする請求項2に記載の車両のエアサスペンション装置。
【請求項6】
前記サイドメンバの前記開口部が、車幅方向において車両外側の面に形成してあることを特徴とする請求項5に記載の車両のサスペンション装置。
【請求項7】
前記緩衝体が、車幅方向において前記サイドメンバの車両内側及び車両外側のいずれか一方側に配置してあり、
前記サイドメンバの前記開口部が、車幅方向において前記緩衝体の配置と同じ側の面に形成してあることを特徴とする請求項5に記載の車両のサスペンション装置。
発明の詳細な説明
【技術分野】
【0001】
本発明は、車両の懸架装置に用いられるエアサスペンション装置に関するものである。
続きを表示(約 1,600 文字)
【背景技術】
【0002】
従来における車両のエアサスペンション装置としては、例えば、特許文献1に記載されたものがある。特許文献1には、車両の車輪と車体との間に設けるエアサスペンション装置が記載されている。このエアサスペンション装置は、ショックアブソーバと、ショックアブソーバの外周に設けられたエアスプリングと、エアスプリングの外側を覆う伸縮可能な蛇腹状カバーと、蛇腹状カバーを固定する保持部材とを備えている。
【0003】
上記のエアサスペンション装置において、保持部材には切欠が形成してある。この切欠は、保持部材の組付け時には、被取付部との干渉を回避し、装置作動時には、蛇腹状カバーの伸縮に伴う内外の空気の流通を許容する流通用開口として機能するものである。
【先行技術文献】
【特許文献】
【0004】
特開2004-034871号公報
【発明の概要】
【発明が解決しようとする課題】
【0005】
しかしながら、上記した従来のエアサスペンション装置では、蛇腹状カバーの内部空間が切欠によって大気に開放されているため、車両の走行中に、水、砂、小石、アスファルトのピッチやタール等の異物が切欠から蛇腹状カバーの内部空間に浸入する恐れがあると共に、車両が冠水した際には水が浸入してしまう恐れがあった。
【0006】
本発明は、上記従来の状況に鑑みてなされたもので、車両の走行時における異物の侵入や冠水時における水の浸入を防止することができる車両のエアサスペンション装置を提供することを目的としている。
【課題を解決するための手段】
【0007】
本発明に係わる車両のエアサスペンション装置は、車両の上下方向に伸縮可能な中空の緩衝体と、膨張収縮可能な中空の圧力バッグと、前記緩衝体及び前記圧力バッグの内部同士を相互に連通させる配管とを備えたことを特徴としている。
【発明の効果】
【0008】
本発明に係わる車両のサスペンション装置は、上記構成を採用したことにより、緩衝体、圧力バッグ及び配管の夫々の内部同士が相互に連通した密閉空間になり、本来の緩衝機能を良好に維持しつつ、車両の走行時における異物の侵入や冠水時における水の浸入を防止することができる。
【図面の簡単な説明】
【0009】
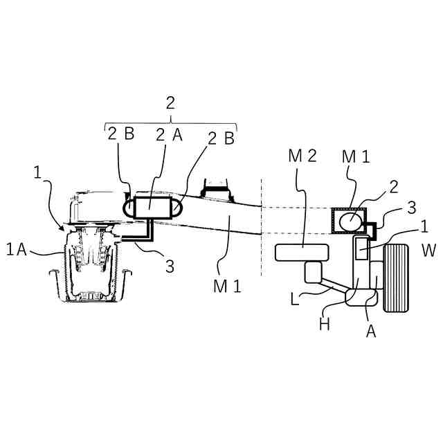
エアサスペンション装置の第1実施形態の要部を示す断面説明図である。
エアサスペンション装置の第2実施形態を示す断面説明図である。
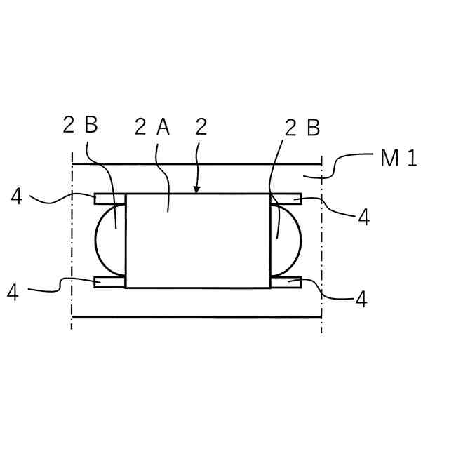
図2中の圧力バッグを拡大した説明図である。
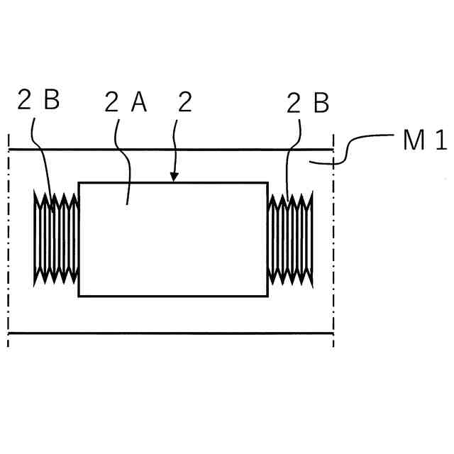
圧力バッグの他の例を示す説明図である。
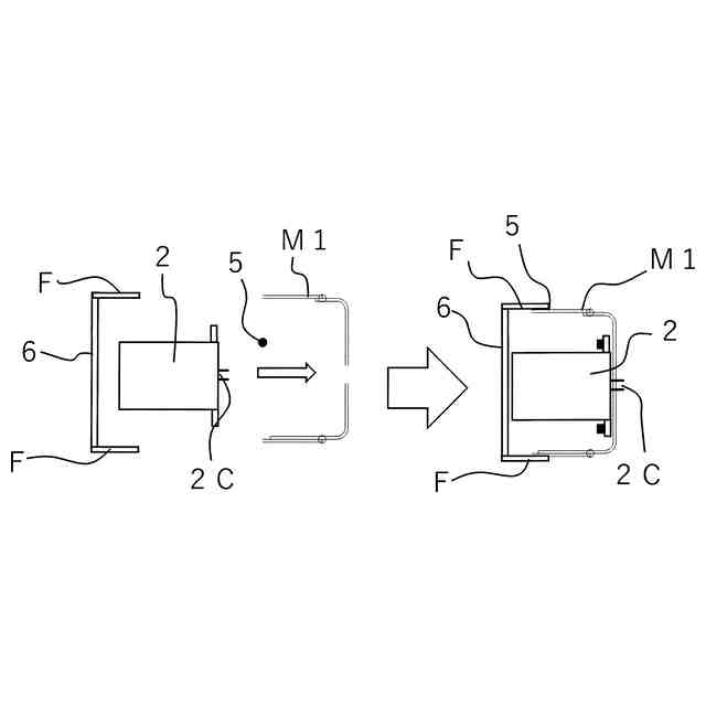
エアサスペンション装置の第3実施形態における組立て前後の状態を左右に示す説明図である。
図5に示すエアサスペンション装置を車両外側から見た側面図である。
エアサスペンション装置の第4実施形態における組立て前後の状態を左右に示す説明図である。
図7に示すエアサスペンション装置を車両外側から見た側面図である。
エアサスペンション装置の第5実施形態における組立て前後の状態を左右に示す説明図である。
図9に示すエアサスペンション装置を車両外側から見た側面図である。
【発明を実施するための形態】
【0010】
<第1実施形態>
図1に要部を示すエアサスペンション装置は、車両の車体と車輪の間に配置してあり、基本構成として、車両の上下方向に伸縮可能な中空の緩衝体1と、膨張収縮可能な中空の圧力バッグ2と、緩衝体1及び圧力バッグ2の内部同士を相互に連通させる配管3とを備えている。
(【0011】以降は省略されています)
この特許をJ-PlatPat(特許庁公式サイト)で参照する
関連特許
日産自動車株式会社
内燃機関
9日前
日産自動車株式会社
ステータ
10日前
日産自動車株式会社
伝動部材
10日前
日産自動車株式会社
内燃機関
9日前
日産自動車株式会社
ターボ過給機付き内燃機関
9日前
日産自動車株式会社
画像処理方法及び画像処理装置
2日前
日産自動車株式会社
製品検査方法及び製品検査装置
11日前
日産自動車株式会社
配車管理装置及び配車管理方法
5日前
日産自動車株式会社
配車管理装置及び配車管理方法
5日前
日産自動車株式会社
故障判定方法及び故障判定装置
9日前
日産自動車株式会社
打ち抜き金型用薄鋼帯搬送装置
9日前
日産自動車株式会社
車両のエアサスペンション装置
9日前
日産自動車株式会社
画像表示方法及び画像表示装置
2日前
住友理工株式会社
筒型防振装置
4日前
日産自動車株式会社
電池パック及び電池パックの製造方法
10日前
日産自動車株式会社
内燃機関の回転数表示方法および装置
9日前
日産自動車株式会社
車両監視方法、及び車両監視システム
5日前
日産自動車株式会社
充放電制御方法及び充放電制御システム
3日前
日産自動車株式会社
充放電制御方法及び充放電制御システム
11日前
日産自動車株式会社
経路選出装置、経路選出方法及びプログラム
11日前
日産自動車株式会社
経路選出装置、経路選出方法及びプログラム
11日前
日産自動車株式会社
駐車支援方法、駐車支援装置及びコンピュータプログラム
2日前
日産自動車株式会社
車両用表示装置の検査方法、検査装置および検査プログラム
4日前
日産自動車株式会社
金属粉末形成方法
17日前
TOPPANエッジ株式会社
駐車管理システム、駐車管理方法および情報処理装置
13日前
個人
タイヤレバー
2か月前
個人
前輪キャスター
1か月前
個人
上部一体型自動車
9日前
個人
ホイルのボルト締結
3か月前
個人
タイヤ脱落防止構造
1か月前
個人
ルーフ付きトライク
2か月前
日本精機株式会社
表示装置
1か月前
個人
マスタシリンダ
16日前
個人
車両通過構造物
2か月前
日本精機株式会社
表示装置
2か月前
日本精機株式会社
表示装置
2か月前
続きを見る
他の特許を見る