TOP
|
特許
|
意匠
|
商標
特許ウォッチ
Twitter
他の特許を見る
公開番号
2025143697
公報種別
公開特許公報(A)
公開日
2025-10-02
出願番号
2024043062
出願日
2024-03-19
発明の名称
水冷インタークーラシステム
出願人
三菱自動車工業株式会社
代理人
ケー・ティー・アンド・エス弁理士法人
主分類
B60K
11/04 20060101AFI20250925BHJP(車両一般)
要約
【課題】水冷インタークーラを流れる冷却水を冷却する冷却水回路上に配置されたラジエタを効率的に冷却可能な水冷インタークーラシステムを提供する。
【解決手段】水冷インタークーラシステムは、車両前方に設けられるエンジンルームと、前記エンジンルームに搭載される内燃機関と、前記内燃機関の過給機によって圧縮された空気を冷却する水冷インタークーラと、前記水冷インタークーラに流れる冷却水と空気との間で熱交換するラジエタと、前記ラジエタの前記車両の前方側に配置され、内部の空気が前記ラジエタを前方から後方に通過するチャンバと、を備え、前記チャンバは、前記エンジンルームからの空気を取り込み可能な第1開口部と、前記車両の外部の空気を取り込み可能な第2開口部と、を有する。
【選択図】 図2
特許請求の範囲
【請求項1】
車両前方に設けられるエンジンルームと、
前記エンジンルームに搭載される内燃機関と、
前記内燃機関の過給機によって圧縮された空気を冷却する水冷インタークーラと、
前記水冷インタークーラに流れる冷却水と空気との間で熱交換するラジエタと、
前記ラジエタの前記車両の前方側に配置され、内部の空気が前記ラジエタを前方から後方に通過するチャンバと、
を備え、
前記チャンバは、前記エンジンルームからの空気を取り込み可能な第1開口部と、前記車両の外部の空気を取り込み可能な第2開口部と、を有する、
水冷インタークーラシステム。
続きを表示(約 720 文字)
【請求項2】
前記チャンバから前記エンジンルームに延び、前記エンジンルームからの空気を取り込む第1ダクトと、
前記チャンバから前記車両の外部に向けて延び、前記車両の外部の空気を取り込む第2ダクトと、
をさらに備え、
前記第1ダクトが前記チャンバの上部から前記車両の後方に向けて延び、
前記第2ダクトが前記チャンバの前側から前方に延びる、
請求項1に記載の水冷インタークーラシステム。
【請求項3】
前記第1ダクトに第1バルブが設けられ、
前記第2ダクトに第2バルブが設けられ、
前記内燃機関の始動時は、前記第1バルブと前記第2バルブを閉じた状態とする、
請求項2に記載の水冷インタークーラシステム。
【請求項4】
前記チャンバ内の温度が前記エンジンルーム内の温度よりも低い場合、
前記第1バルブを開する、
請求項3に記載の水冷インタークーラシステム。
【請求項5】
前記車両を走行させるモータと、
前記モータと、前記内燃機関を用いて走行するパラレルモードと、
をさらに備え、
前記パラレルモードの場合、前記第1バルブを閉じ、前記第2バルブを開する、
請求項3に記載の水冷インタークーラシステム。
【請求項6】
前記車両の外部の機器に電力を供給する外部給電装置をさらに備え、
前記外部給電装置が作動中に前記内燃機関を作動させる場合、前記第1バルブを開し、前記第2バルブを開する、
請求項3または4に記載の水冷インタークーラシステム。
発明の詳細な説明
【技術分野】
【0001】
本開示は、水冷インタークーラシステムに関する。
続きを表示(約 1,700 文字)
【背景技術】
【0002】
従来、エンジンを冷却する冷却水回路とは別に、エンジンの吸気通路に設けられた水冷インタークーラを冷却する冷却水回路を備えた水冷インタークーラシステムが知られている(例えば特許文献1参照)。特許文献1の水冷インタークーラシステムは、エンジンを冷却する冷却水の冷却水回路と別に、水冷インタークーラを流れる冷却水を冷却する冷却水回路が配置されている。それぞれの冷却水回路は、冷却水と空気との間で熱交換するラジエタをそれぞれ有する。
【先行技術文献】
【特許文献】
【0003】
特開2019-78269号公報
【発明の概要】
【発明が解決しようとする課題】
【0004】
特許文献1は、水冷インタークーラのラジエタを効率的に冷却するための水冷インタークーラシステムは開示していない。
【0005】
本開示の課題は、水冷インタークーラを流れる冷却水を冷却する冷却水回路上に配置されたラジエタを効率的に冷却可能な水冷インタークーラシステムを提供することにある。
【課題を解決するための手段】
【0006】
本開示に係る水冷インタークーラシステムは、車両前方に設けられるエンジンルームと、前記エンジンルームに搭載される内燃機関と、前記内燃機関の過給機によって圧縮された空気を冷却する水冷インタークーラと、前記水冷インタークーラに流れる冷却水と空気との間で熱交換するラジエタと、前記ラジエタの前記車両の前方側に配置され、内部の空気が前記ラジエタを前方から後方に通過するチャンバと、を備え、前記チャンバは、前記エンジンルームからの空気を取り込み可能な第1開口部と、前記車両の外部の空気を取り込み可能な第2開口部と、を有する。
【発明の効果】
【0007】
この水冷インタークーラシステムによれば、エンジンルームからの空気と外気とをチャンバ内で混ぜ合わせることができる。これによって、この水冷インタークーラシステムは、ラジエタを冷却するための最適な温度の空気を作り出せる。この結果、水冷インタークーラを流れる冷却水を冷却する冷却水回路上に配置されたラジエタを効率的に冷却できる。
【図面の簡単な説明】
【0008】
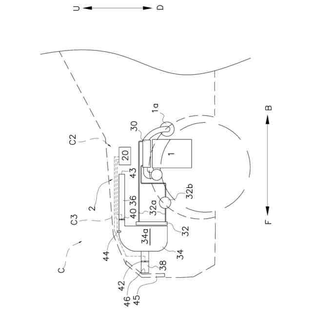
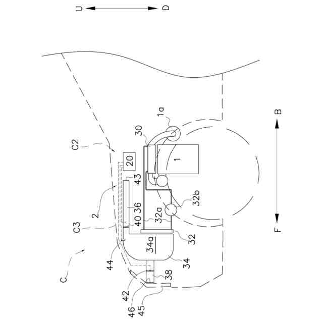
本開示の実施形態による車両の制御システムのシステム図。
本開示の実施形態による水冷インタークーラシステムのシステム図。
本開示の実施形態による制御装置が実行する制御手順を示すフローチャート。
【発明を実施するための形態】
【0009】
以下、本開示の実施形態について、図面を参照しながら説明する。図面において車両を基準に、車両の前側をF、後側をB、右側をR、左側をL、上側をU、および下側をDと記す。なお、以下明細書において、左右方向は、車幅方向と記す。
【0010】
図1および図2に示すように、車両Cは、エンジン(内燃機関の一例)1と、水冷インタークーラシステム2(図2参照)と、モータ(FrM)3と、発電機(GEN)4と、と、駆動用電池(BT)6と、トランスアクスル8と、モータ3および発電機4を制御するインバータ12と、車両Cのユーザが操作するアクセルペダル14と、外部電源に接続可能な充電器16と、例えば家電などの外部機器に電力を供給可能な給電装置(外部給電装置)18と、車両制御装置(制御装置の一例)20と、エンジン1を制御するエンジン制御装置22と、燃料タンク(Fuel TANK)24と、を備える。このほか、車両Cは、例えばユーザが充電を指示する充電ボタン(図示なし)などを備えてもよい。本実施形態の車両Cは、充電器16によって外部電源からの電力を駆動用電池6に蓄電可能な外部充電、および、給電装置18によって駆動用電池6からの電力を外部機器に供給可能な外部給電を備えるプラグインハイブリッド車両(PHEV:Plug-in Hybrid Electric Vehicle)である。
(【0011】以降は省略されています)
この特許をJ-PlatPat(特許庁公式サイト)で参照する
関連特許
個人
カーテント
4か月前
個人
タイヤレバー
2か月前
個人
前輪キャスター
1か月前
個人
上部一体型自動車
7日前
個人
車輪清掃装置
4か月前
個人
ホイルのボルト締結
3か月前
個人
タイヤ脱落防止構造
1か月前
個人
ルーフ付きトライク
2か月前
日本精機株式会社
表示装置
2か月前
個人
マスタシリンダ
14日前
井関農機株式会社
作業車両
4か月前
個人
車両通過構造物
2か月前
井関農機株式会社
作業車両
4か月前
日本精機株式会社
表示装置
1か月前
日本精機株式会社
表示装置
2か月前
日本精機株式会社
表示装置
2か月前
個人
キャンピングトライク
3か月前
個人
アクセルのソフトウェア
3か月前
個人
ワイパーゴム性能保持具
4か月前
個人
乗合路線バスの客室装置
2か月前
個人
キャンピングトレーラー
3か月前
個人
車両用スリップ防止装置
3か月前
個人
音声ガイド、音声サービス
2か月前
株式会社ニフコ
収納装置
1か月前
日本精機株式会社
車室演出装置
1か月前
株式会社ニフコ
照明装置
1か月前
個人
円湾曲ホイール及び球体輪
2か月前
株式会社ニフコ
保持装置
3か月前
株式会社豊田自動織機
産業車両
2か月前
日本精機株式会社
車載表示装置
3か月前
日本精機株式会社
車載表示装置
22日前
個人
車載小物入れ兼雨傘収納具
3か月前
日本精機株式会社
画像投映装置
3日前
日本精機株式会社
車両用投影装置
4か月前
井関農機株式会社
作業車両
3か月前
株式会社SUBARU
車両
1日前
続きを見る
他の特許を見る