TOP
|
特許
|
意匠
|
商標
特許ウォッチ
Twitter
他の特許を見る
公開番号
2025142705
公報種別
公開特許公報(A)
公開日
2025-10-01
出願番号
2024042216
出願日
2024-03-18
発明の名称
シート
出願人
トヨタ紡織株式会社
代理人
名古屋国際弁理士法人
主分類
B60N
2/12 20060101AFI20250924BHJP(車両一般)
要約
【課題】 シートの質量及び製造原価の上昇等の点に鑑みたシートの一例を開示する。
【解決手段】 シートは第1連結パイプ13と一体的に回転する第1前側リンク71A、71Bと、一端側が第1前側リンク71A、71Bの他端側に回転可能に連結され、他端側が可動レール9Aに回転可能に連結された第2前側リンク72A、72Bであって、それらの連結箇所の回転中心軸線がシート幅方向と平行な第2前側リンク72A、72Bと、第1前側リンク71A、71Bと第2前側リンク72A、72Bとのなす角を変更する力を発生させるアクチュエータ74とを備える。これにより、当該シートでは、シートクッションの前端側に2本の連結パイプを必要としない。したがって、シートの質量及び製造原価の上昇が抑制され得る。
【選択図】 図4
特許請求の範囲
【請求項1】
シートクッションの前端側が当該シートクッションの後端側に比べて高い位置となる安楽姿勢と当該安楽姿勢に比べて前記前端側の位置と前記後端側との高低差が小さい通常姿勢との間で、前記シートクッションを変位させることが可能なシートにおいて、
クッションフレームの一部を構成する第1サイドフレームであって、シート幅方向一端側に配置され、シート前後方向に延びる第1サイドフレームと、
前記クッションフレームの一部を構成する第2サイドフレームであって、シート幅方向他端側に配置され、シート前後方向に延びる第2サイドフレームと、
シート幅方向に延びて前記第1サイドフレームの前端側及び前記第2サイドフレームの前端側それぞれに対して回転可能に連結された連結体であって、前記クッションフレームの一部を構成するとともに、回転中心軸線がシート幅方向と平行な連結体と、
前記クッションフレームの後端側に直接的又は間接的に回転可能に連結された後端側連結部を有するベース部材であって、当該後端側連結部の回転中心軸線がシート幅方向と平行なベース部材と、
一端側が前記連結体に固定された第1前側リンクであって、当該連結体と一体的に回転する第1前側リンクと、
一端側が前記第1前側リンクの他端側に回転可能に連結され、他端側が前記ベース部材に回転可能に連結された第2前側リンクであって、それらの連結箇所の回転中心軸線がシート幅方向と平行な第2前側リンクと、
前記第1前側リンクと前記第2前側リンクとのなす角を変更する力を発生させるアクチュエータであって、前記シートクッションの姿勢を前記安楽姿勢と前記通常姿勢との間で変化させるためのアクチュエータとを備え、
前記後端側連結部の回転中心軸線を第1軸線とし、前記ベース部材と前記第2前側リンクとの連結部の回転中心軸線を第2軸線とし、前記第1前側リンクと前記第2前側リンクとの連結部の回転中心軸線を第3軸線とし、前記連結体の回転中心軸線を第4軸線とし、
シート幅方向と直交する仮想平面に投影された前記第1軸線を第1中心点とし、前記仮想平面に投影された前記第2軸線を第2中心点とし、前記仮想平面に投影された前記第3軸線を第3中心点とし、前記仮想平面に投影された前記第4軸線を第4中心点とし、
前記第1中心点と前記第2中心点との距離を前後締結距離とし、
前記第1中心点から前記第2中心点及び前記第4中心点を通る仮想線までの距離であって、前記シートクッションの姿勢変化によって最小となるときの距離を第1距離とし、
前記第1中心点から前記第2中心点及び前記第3中心点を通る仮想線までの距離を第2距離としたとき、
前記クッションフレーム、第1前側リンク及び前記第2前側リンクは、前記第2距離が前記第1距離以上、かつ、前記前後締結距離以下となる要件を満たす範囲で変位するシート。
続きを表示(約 370 文字)
【請求項2】
前記第2軸線上に配置され、前記第1前側リンクに接触することにより、前記シートクッションの前端側が予め決められた位置より下方側に変位することを規制するストッパを備える請求項1に記載のシート。
【請求項3】
前記アクチュエータは、
前記第4軸線を中心軸線として前記連結体と共に回転するセクター歯車であって、複数の歯が上方側に向けて突出した内歯部を有するセクター歯車、
前記セクター歯車と噛み合うピニオン、及び
前記ピニオンを回転駆動する電動モータ
を有して構成されている請求項1又は2に記載のシート。
【請求項4】
前記ピニオンと噛み合う第2の内歯部であって、歯厚が前記セクター歯車の内歯部に比べて大きい第2の内歯部を備える請求項3に記載のシート。
発明の詳細な説明
【技術分野】
【0001】
本開示は、シートクッションの姿勢を変更することが可能なシートに関する。
続きを表示(約 2,400 文字)
【背景技術】
【0002】
シートクッションの姿勢を変更することが可能なシートとして、特許文献1には、シートクッションの前端側左右それぞれに設けられた2つのリンク、左右方向に延びて各リンクを連結する2本の連結パイプ等を有して構成された車両用シートが記載されている。
【先行技術文献】
【特許文献】
【0003】
中国特許第113968176A号
【発明の概要】
【発明が解決しようとする課題】
【0004】
特許文献1に記載のシートでは、シートクッションの前端側に2本の連結パイプを必要としているので、シートの質量及び製造原価の上昇を招く等の問題がある。本開示は、当該点に鑑みたシートの一例を開示する。
【課題を解決するための手段】
【0005】
シートクッション(3)の前端側が当該シートクッション(3)の後端側に比べて高い位置となる安楽姿勢と当該安楽姿勢に比べて前端側の位置が低い位置となる通常姿勢との間で、シートクッション(3)を変位させることが可能なシートは、例えば、以下の構成要件のうち少なくとも1つを備えることが望ましい。
【0006】
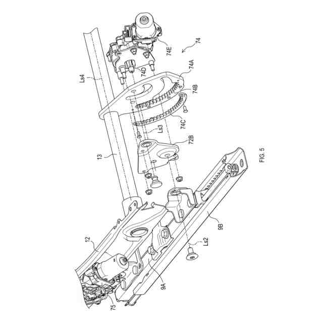
すなわち、当該構成要件は、クッションフレーム(10)の一部を構成する第1サイドフレーム(11)であって、シート幅方向一端側に配置され、シート前後方向に延びる第1サイドフレーム(11)と、クッションフレーム(10)の一部を構成する第2サイドフレーム(12)であって、シート幅方向他端側に配置され、シート前後方向に延びる第2サイドフレーム(12)と、シート幅方向に延びて第1サイドフレーム(11)の前端側及び第2サイドフレーム(12)の前端側それぞれに対して回転可能に連結された連結体(13)であって、クッションフレーム(10)の一部を構成するとともに、回転中心軸線がシート幅方向と平行な連結体(13)と、クッションフレーム(10)の後端側に直接的又は間接的に回転可能に連結された後端側連結部(9C)を有するベース部材(9A)であって、当該後端側連結部(9C)の回転中心軸線がシート幅方向と平行なベース部材(9A)と、一端側が連結体(13)に固定された第1前側リンク(71A、71B)であって、当該連結体(13)と一体的に回転する第1前側リンク(71A、71B)と、一端側が第1前側リンク(71A、71B)の他端側に回転可能に連結され、他端側がベース部材(9A)に回転可能に連結された第2前側リンク(72A、72B)であって、それらの連結箇所の回転中心軸線がシート幅方向と平行な第2前側リンク(72A、72B)と、第1前側リンク(71A、71B)と第2前側リンク(72A、72B)とのなす角を変更する力を発生させるアクチュエータ(74)であって、シートクッション(3)の姿勢を安楽姿勢と通常姿勢との間で変化させるためのアクチュエータ(74)とである。
【0007】
これにより、当該シートでは、シートクッションの前端側に2本の連結パイプを必要としない。したがって、シートの質量及び製造原価の上昇が抑制され得る。
また、当該シートでは、クッションフレーム(10)、第1前側リンク(71A、71B)及び第2前側リンク(72A、72B)は、第2距離(L2)が前後締結距離(L3)以下、かつ、第1距離(L1)以上となる要件を満たす範囲で変位するように構成されている。
【0008】
なお、後端側連結部(9C)の回転中心軸線を第1軸線(Ls1)とし、ベース部材(9A)と第2前側リンク(72A、72B)との連結部の回転中心軸線を第2軸線(Ls2)とし、第1前側リンク(71A、71B)と第2前側リンク(72A、72B)との連結部の回転中心軸線を第3軸線(Ls3)とし、連結体(13)の回転中心軸線を第4軸線(Ls4)とし、シート幅方向と直交する仮想平面に投影された第1軸線(Ls1)を第1中心点(O1)とし、仮想平面に投影された第2軸線(Ls2)を第2中心点(O2)とし、仮想平面に投影された第3軸線(Ls3)を第3中心点(O3)とし、仮想平面に投影された第4軸線(Ls4)を第4中心点(O4)とし、第1中心点(O1)と第2中心点(O2)との距離を前後締結距離(L3)とし、第1中心点(O1)から第2中心点(O2)及び第4中心点(O4)を通る仮想線までの距離であって、シートクッション(3)の姿勢変化によって最小となるときの距離を第1距離(L1)とし、第1中心点(O1)から第2中心点(O2)及び第3中心点(O3)を通る仮想線までの距離を第2距離(L2)とする。
【0009】
なお、当該シートは、例えば、以下の構成であってもよい。
すなわち、第2軸線(Ls2)上に配置され、第1前側リンク(71A)に接触することにより、シートクッション(3)の前端側が予め決められた位置より下方側に変位することを規制するストッパ(76)を備えることが望ましい。
【0010】
これにより、シートクッション(3)の前端側に下向きの大きな荷重が作用したときに、第2前側リンク(72A)に曲げモーメントが発生することが抑制され得る。
アクチュエータ(74)は、第4軸線(Ls4)を中心軸線として連結体(13)と共に回転するセクター歯車(74A)であって、複数の歯が上方側に向けて突出した内歯部(74B)を有するセクター歯車(74A)、セクター歯車(74A)と噛み合うピニオン(74D)、及びピニオン(74D)を回転駆動する電動モータ(74E)を有して構成されていることが望ましい。
(【0011】以降は省略されています)
この特許をJ-PlatPat(特許庁公式サイト)で参照する
関連特許
トヨタ紡織株式会社
乗物用シート
1日前
トヨタ紡織株式会社
振動刺激装置
1日前
トヨタ紡織株式会社
乗物用シート
14日前
トヨタ紡織株式会社
シートバック
14日前
トヨタ紡織株式会社
シートバック
14日前
トヨタ紡織株式会社
乗り物用シート
15日前
トヨタ紡織株式会社
乗り物用シート
15日前
トヨタ紡織株式会社
乗物用シート装置
14日前
トヨタ紡織株式会社
乗物用シート装置
16日前
トヨタ紡織株式会社
パーソナルブース装置
1日前
トヨタ紡織株式会社
パーソナルブース装置
1日前
トヨタ紡織株式会社
車両用ヘッドレスト及び車両用シート
16日前
トヨタ紡織株式会社
乗り物酔い防止装置、及び乗り物酔い防止方法
1日前
トヨタ紡織株式会社
情報処理装置、情報処理方法、及び情報処理プログラム
1日前
個人
前輪キャスター
2か月前
個人
上部一体型自動車
1か月前
個人
タイヤ脱落防止構造
2か月前
個人
空間形成装置
22日前
個人
ルーフ付きトライク
3か月前
日本精機株式会社
照明装置
17日前
個人
マスタシリンダ
1か月前
日本精機株式会社
表示装置
3か月前
個人
常設収納型サンバイザー
28日前
株式会社ニフコ
収納装置
2か月前
日本精機株式会社
画像投映装置
1か月前
日本精機株式会社
車載表示装置
25日前
日本精機株式会社
車室演出装置
2か月前
日本精機株式会社
車載表示装置
1か月前
日本精機株式会社
車載表示装置
23日前
日本精機株式会社
車載表示装置
2か月前
個人
回転窓ワイパー装置
22日前
株式会社ニフコ
照明装置
3か月前
株式会社豊田自動織機
産業車両
3か月前
株式会社豊田自動織機
産業車両
17日前
日本精機株式会社
車両用投射装置
1か月前
日本精機株式会社
車両用表示装置
3か月前
続きを見る
他の特許を見る